Материал: Организация беспроводного доступа в сельском районе с использованием технологии LTE

Внимание! Если размещение файла нарушает Ваши авторские права, то обязательно сообщите нам

Все многообразие существующих типов кабелей можно разделить на три группы:

·        кабели с повивной концентрической скруткой;

·        кабели с фигурным сердечником;

·        плоские кабели ленточного типа.

В оптических кабелях кроме оптического волокна, как правило, имеются следующие элементы:

·        силовые упрочняющие стержни, которые воспринимают на себя продольную нагрузку на разрыв;

·        армирующие элементы, повышающие стойкость кабеля при механических воздействиях;

·        заполнители в виде сплошных пластмассовых нитей;

·        наружные защитные оболочки, предохраняющие кабель от проникновения влаги, паров вредных веществ и внешних механических воздействий.

В настоящее время оптические кабели выпускаются как отечественными, так и зарубежными компаниями. В России крупными производителями оптических кабелей являются: ЗАО «Москабель - Фуджикура», ЗАО НФ «Электропровод», ЗАО «Самарская оптическая кабельная компания» и ОАО «Завод Сарансккабель».

В данном дипломном проекте для реализации транспортной сети будут использованы три типа оптических кабелей: для прокладки в грунте, подвесной и для прокладки в канализации. Предпочтение в выборе производителя оптического кабеля отдано продукции ЗАО НФ «Электропровод». Основные параметры выбранных оптических кабелей для строительства транспортной сети показаны в таблице 3.3.

Таблица 3.3 - Основные параметры оптических кабелей

Параметры

Тип прокладки кабеля


в канализации

в грунте

подвесной

1

2

3

4

Марка кабеля

ОКС-М

ОКБ-Т

ОКА-Т

Число оптических волокон

4 - 72

4 - 24

4 - 24

Компания - производитель волокна

Fujikura

Fujikura

Fujikura

Тип волокна

ОМ

ОМ

ОМ

Число пластмассовых (металлических) модулей

6 - 12

1 (метал.)

1 (метал.)

Диаметр трубки модуля, мм

2

3,0 - 6,0

3,0 - 6,0

Число/диаметр корделей

-/2,0

-/3,0 - 6,0

-/3,0 - 6,0

Внешний диаметр кабеля, мм

15,0

18,5

18,5

Масса кабеля, кг/км

190

436

540

Рабочая температура окружающей среды, °С

-40 - +50

-40 - +50

-60 - +60

Минимальный радиус изгиба кабеля, мм

250

250

300

Допустимое растягивающее усилие, кН

1,5

7,0

3,5 - 7,0

Длина поставки, км

2,0

2,0

2,0


На следующем этапе дипломного проектирования определим суммарное затухание на одном из участков проектируемой транспортной сети между коммутатором «Cisco ME 3600X 24CX» и маршрутизатором «Cisco 7603 OSR».Суммарные потери a∑ на участке сети рассчитываются по формуле:

a∑ = nрс · aрс + nнс · aнс + at +aв                                                (3.11)

где nрс - количество разъемных соединителей, nрс ≈ 3;

aрс - потери в разъемных соединениях, aрс ≈ 0,6 дБ;

nнс - количество неразъемных соединений;

aнс - потери в неразъемных соединениях, aнс ≈ 0,02 дБ;

at - допуск на температурные изменения затухания оптического волокна, at = 1 дБ;

aв - допуск на изменение характеристик компонентов на участке со временем, aв ≈ 5 дБ.

Количество неразъемных соединений рассчитывается по формуле:

                                                                                   (3.12)

где Lуч - длина участка, Lуч ≈ 9 км;

lсд - строительная длина кабеля, согласно таблице 3.1 lсд = 2 км.

 

a∑ = 3 · 0,6 + 3 · 0,02 + 1 +5 ≈ 7,8 (дБ)

Суммарное затухание на одном из участков проектируемой транспортной сети между коммутатором «Cisco ME 3600X 24CX» и маршрутизатором «Cisco 7603 OSR» составило примерно 7,8 дБ.

4. ВЫБОР ОБОРУДОВАНИЯ СЕТИ LTE


4.1 Выбор управляющего оборудования сети LTE


Управление абонентскими сессиями и услугами в сетях LTE осуществляется с помощью базовой пакетной сети EPC (Evolved Packet Core). Сеть ЕРС содержит следующие узлы и логические элементы:

·        ММЕ (Mobility Management Entity) - узел управления мобильностью - отвечает за решение задач управления мобильностью абонентского терминала, управления безопасностью мобильной связи (NAS Security), управления службой передачи данных;

·        SGW (Serving Gateway) - обслуживающий шлюз сети LTE - отвечает за обработку и маршрутизацию пакетных данных поступающих из/в подсистему базовых станций;

·        PGW (Public Data Network Gateway) - шлюз от/к сетей других операторов - отвечает за передачу голоса и данных из/в сети оператора LTE в другие сети 2G, 3G, не-3GPP и Internet;

·        HSS (Home Subscriber Server) - сервер абонентских данных;

·        PCRF (Policy and Charging Rules Function) - узел выставления счетов абонентам за оказанные услуги;

·        DHCP/DNS - сервер выделения IP-адресов.

Решения по реализации сети EPC LTE разработаны компанией «Cisco Systems». Основой идеи реализации стало совмещение функций MME, SGW и PGW в одном шасси мультисервисной платформы «Cisco ASR 5000 PCS3», как показано на рисунках 3.4 и 4.1.

Маршрутизатор «Cisco ASR 5000 PCS3» специально разработан для мобильных широкополосных сетей. Он отличается распределенной архитектурой, встроенными интеллектуальными функциями, масштабируемостью и надежностью.

Рисунок 4.1 - Решение компании "Cisco Systems" по объединению функций сети ЕРС на базе одной платформы "Сisco ASR 5000 PCS3"

«Cisco ASR 5000 PCS3» позволяет оператору связи наращивать производительность и емкость без массовых закупок дополнительного оборудования. Маршрутизатор «Cisco ASR 5000 PCS3» в своих сетях используют более 250 операторов мобильной связи в мире.

Достоинства платформы «Cisco ASR 5000 PCS3»:

·    интегрированные сетевые функции, встроенные сервисы с высокой пропускной способностью;

·        резервирование всех компонент;

·        автоматическое восстановление абонентских сессий в рамках одного шасси;

·        функция копирования процессов и их состояний;

·        доступность платформы 99,9999%;

·        восстановление сессий не превышает 2 сек.;

·        отсутствие специализированных выделенных сервисных плат и модулей;

·        процессорные ресурсы автоматически адаптируются к потребностям системы;

·        защита памяти для отдельных процессов;

·        общее программное обеспечение;

·        обновление программного обеспечения осуществляется без прерывания сервисов;

·        программные функции распределены по всей платформе.

Архитектура платформы «Cisco ASR 5000 PCS3» показана на рисунке 4.2.

Рисунок 4.2 - Архитектура платформы «Cisco ASR 5000 PCS3»

Главным отличием платформы «Cisco ASR 5000 PCS3» является наличие встроенных сервисов «In-line Services»:

·  DPI - глубокая инспекция пакетов - позволяет анализировать трафик и персонифицировать услуги, предоставляя абонентам различные качество обслуживания и гибкие правила тарификации в зависимости от типа трафика;

·        обнаружение трафика одноранговых протоколов в реальном масштабе времени; определяет различные правила: пропуск или блокировка, специфическая тарификация, контроль потребляемой полосы пропускания;

·        фильтрация контента на основе анализа URL в запросах НТТР от мобильных абонентов;

·        персональный NAT/Firewall.

Краткая техническая характеристика платформы «Cisco ASR 5000 PCS3»:

·  пропускная способность: 320 Гбит/с;

·        количество сессий: 4 млн.;

·        сетевые интерфейсы: 10/100/1000 Ethernet, 10 Гбит/с Ethernet, OLC/CLC Line Cards (ATM, POS, Frame Relay);

·        входное напряжение: DC 40 - 60 В;

·        размеры (в×ш×г): 63,23×44,45×60,95 мм;

·        полная масса: 139,25 кг;

·        максимальная мощность: 800 Вт;

·        допускается установка до трех «Cisco ASR 5000 PCS3» в стойку 42 RU.

4.2 Выбор оборудования базовой станции eNode Band LTE


Основные поставщики оборудования базовой станции eNB LTE в России будут компании «Nokia Siemens Networks», «Huawei» и «Ericsson». В конце 2011 года в нашей стране было запущено собственное производство оборудования eNB LTE на базе научно-производственной фирмы «Микран» под контролем компании «Nokia Siemens Networks» в городе Томске.

При выборе оборудования базовой станции eNB LTE нужно руководствоваться, в первую очередь, способностью поддержки данным оборудованием других стандартов мобильной связи. Так же не стоит забывать о запланированной выходной мощности приемопередатчика TRX и других технических характеристиках.

Для планируемой сети, учитывая ее особенности, можно сделать выбор в пользу оборудования компании «Nokia Siemens Networks». В качестве оборудования радиодоступа предлагается использовать базовую станцию «Flexi Multiradio».

По данным НПФ «Микран», мультистандартная базовая станция «Flexi Multiradio» предлагает уникальные возможности по построению сайтов. При использовании данной eNB гарантируется низкое электропотребление, соответствие требованиям емкости при постоянно растущем мобильном трафике и высокая спектральная эффективность.

Антенная система «Flexi Multiradio» основана на технологии активных антенн, которая объединяет антенну и радиооборудование в единый функциональный блок, имеющий отдельные усилители мощности для каждого элемента антенны. Активная антенна позволяет осуществлять формирование лучей - фокусировку отдельного радиоподключения и его направление на конкретного пользователя.

Базовая станция «Flexi Multiradio» установлена и функционирует у более чем 200 операторов мобильной связи в мире и удостоена ряда наград за программное управление радиосетью и энергоэффективность.

Базовая станция «Flexi Multiradio» состоит из двух основных элементов: системного модуля для цифровой обработки сигналов и радиомодуля с тремя приемопередатчиками.

Базовая станция «Flexi Multiradio» показана на рисунке 4.3.

Рисунок 4.3 - Базовая станция "Flexi Multiradio" компании «Nokia Siemens Networks»

Радиочастотный модуль с тремя приемопередатчиками показан на рисунке 4.4. Полное наименование продукта: «Flexi RF Module Triple 90 W». Радиомодуль отвечает за обработку радиочастотных сигналов. Универсальный радиомодуль «Flexi Multiradio» можно использовать при любом типе установки, в частности, при установке внутри и вовне помещений, при распределительной установке, установке на опорах мачт.

Мощность выходного сигнала радиомодуля из расчета на один сектор может достигать 240 Вт; так же радиомодуль может обеспечивать подачу выходного сигнала мощностью 80 Вт на каждый из трех секторов. Модуль способен распределять несущие в диапазоне 60 МГц. Радиомодуль поддерживает любое сочетание технологий GSM, 3G, LTE и LTE+.

Достоинства eNB «Flexi Multiradio»:

·    легкое конструирование сайта и легкая установка, стоимость инсталляции снижена на 25%;

·        встроенные интерфейсы системного модуля Е1 и GEthernet;

·        сниженные требования к начальным вложениям за счет возможности быстрого развертывания сети;

·        низкое энергопотребление;

·        сокращение длины необходимых антенных кабелей, что вдвое улучшает радиопараметры станции;

·        гибкий дизайн;

·        на 20% компактнее и легче типовой базовой станции;

·        исполнение, позволяющее использовать ее вне помещений в любых погодных условиях;

·        модульная, масштабируемая и наиболее компактная базовая станция в отрасли.

Технические характеристики радиомодуля «Flexi RF Module Triple 90 W»:

·    может использоваться внутри и вне помещений, с установкой на полу, на стене, на шесте, на мачте, в распределенных и безфидерных конфигурациях площадки;

·    частотные диапазоны: 700, 800, 850, 900, 1800, 1900, 1700/2100, 2100, 2300 и 2600 МГц;

·        емкость: до 6+6+6 каналов GSM, до 4+4+4 каналов WCDMA, 1+1+1 каналов LTE с полосой 20 МГц;

·        технология усилителя мощности радиосигнала: мультистандартный усилитель мощности с множественными несущими;

·        размеры: 133×447×560 мм; возможность установки в стойку 19 дюймов;

·        объем: 25 литров;

·        вес: 25 кг;

·        диапазон температур: - 35°С до 55°С (охлаждается вентиляторами, скорость регулируется автоматически. Использование принудительной вентиляции повышает надежность станции за счет стабилизации температуры полупроводников);

·        источники питания: 40,5 - 57 В постоянного тока - для системного модуля, 184 - 276 В переменного тока - для радиомодуля;

·        требования мощности: 790 Вт;

·        выходная мощность: 180 Вт с каждого радиомодуля или 60 Вт с удаленной радиоголовки (RRH);

·        класс защиты от влажности: IP 65.

4.3 Выбор оборудования электропитания


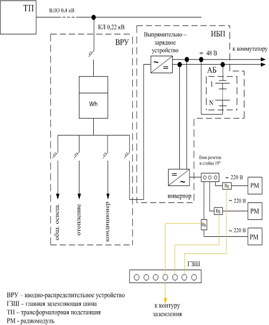
Электропитание оборудования базовой станции осуществляется от сети переменного тока напряжением 220 В. Питающее напряжение 220 В взято с трансформаторной подстанции (ТП) и заведено в помещение для размещения оборудования базовой станции.

Питающее напряжение поступает в вводно-распределительное устройство, откуда питание подается на контур общего освещения, систему отопления, кондиционер и источник бесперебойного питания (ИБП) переменного тока.

ИПБ переменного тока включает в себя выпрямительно-зарядное устройство, блок аккумуляторных батарей и инвертор. От выпрямительно-зарядного устройства питание постоянного тока 48 В подается на коммутатор «Cisco ME 3600 X 24CX», подзарядку аккумуляторных батарей и инвертор. Аккумуляторная батарея включается в работу в случае прекращения подачи питания от ТП. Инвертор преобразует постоянный ток напряжением 48 В в переменный ток напряжением 220 В и питает радиомодули «Flеxi Multiradio» (РМ).

Для защиты внутреннего оборудования от перенапряжения в разрыв питающего кабеля ставятся грозоразрядники, соединенные с «землей» через заземляющую шину (ГЗШ).

Схема электропитания базовой станции показана на рисунке 4.4.

Рисунок 4.4 - Схема электропитания базовой станции

Произведем расчеты мощности потребляемой оборудованием для определения типа автоматических выключателей, группы учета электроэнергии и ИБП переменного тока.

4.3.1 Расчет потребляемой мощности

Чтобы найти мощность по переменному току (РАС), нужно мощность по постоянному току (РDC) разделить на коэффициент полезного действия (КПД) выпрямительных устройств (0,8 - 0,9).

Исходные данные для расчета потребляемой мощности приведены в таблице 4.1.

Таблица 4.1 - Исходные данные для расчета мощности