Материал: Опорный конспект__Электротехника

Внимание! Если размещение файла нарушает Ваши авторские права, то обязательно сообщите нам

Расчет

 

разветвленной

магнитной

 

 

 

 

 

 

 

 

 

цепи

 

 

 

 

 

 

 

 

1.

По

 

первому

закону

 

 

 

 

 

 

 

 

 

Кирхгофа

 

 

для

магнитной

I1

 

I2

 

 

 

 

 

 

цепи: Ф1 + Ф2 − Ф3 = 0 ,

W1

 

 

Ф2

 

 

 

2. для контура, образованного

 

W2

 

 

 

 

 

 

 

 

 

 

 

Ф3

первой и второй ветвями

 

 

 

 

 

 

 

 

δ1

 

δ2

 

 

 

 

 

H1l1 +H δ1δ1 H 2l2 Hδ2δ2 =

 

 

S1

 

S2

 

 

 

S3 = I W I W ,

 

 

 

Ф1

 

l1

 

l2

 

 

 

 

1

1

2

2

 

 

 

 

 

 

 

 

l3 3. для внешнего контура

 

 

 

 

 

 

 

 

 

H1l1 + Hδ1δ1 + H3l3 = I1W1

 

 

 

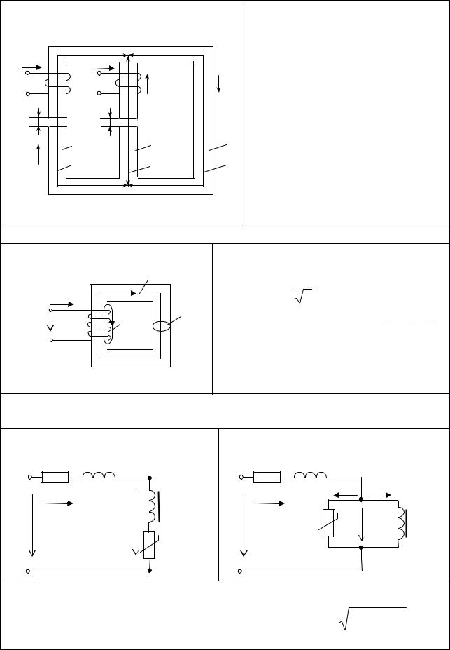
Магнитные цепи с переменными МДС

 

 

Электромагнитная схема

 

 

 

 

 

Ф = Фm + Фδ ,

 

 

 

 

Фm

 

 

 

 

E =

E

= 4,44wfФm ,

 

 

&

 

 

 

 

 

 

m

 

 

I

 

 

 

S

 

 

 

 

2

 

 

 

 

 

dψ

&

 

 

Фσ

 

 

 

 

 

 

 

 

 

 

di

U

 

 

 

 

 

 

 

u = −e eр + Rai = Ri + Lp dt

+ dt ,

 

 

 

 

 

 

 

 

 

&

 

&

 

 

 

&

&

 

 

 

 

 

 

 

 

 

 

U

= Ra I

+ jωLрI E =

 

 

 

 

 

 

 

 

 

 

 

 

 

 

 

&

&

 

 

 

 

 

 

 

 

 

 

 

= (Ra + jX р)I

+ U0

 

Эквивалентные схемы замещения катушки с ферромагнитным

 

 

 

 

 

 

сердечником

 

 

 

 

 

 

 

 

Последовательная

 

 

 

 

Параллельная

 

 

 

 

 

 

Ra

jXр

 

 

 

 

 

Ra

 

jXр

 

 

 

 

 

 

&

 

 

 

 

 

 

 

&

 

 

 

 

I&a

I&р

 

 

I

 

 

 

jXмаг

 

I

 

 

 

 

 

 

 

jBмаг

&

 

&

&

 

&

 

 

G

 

 

 

&

&

U

 

U0

= −Е

 

 

 

 

U

 

 

 

 

U0

Е

 

 

 

 

 

 

 

 

 

 

 

 

маг

 

 

 

 

 

 

 

 

 

 

Rмаг

 

 

 

 

 

 

 

 

 

 

 

Rмаг = Pст / I 2, Gмаг = Pст /U02 , X маг = QН / I 2 ,

Bмаг = QН /U02 ,

Z

эк

=U/I, R = P/ I

2=(P

ст

/I

2)+R ,

X =X +X

маг

=

Z 2

R2

 

 

эк

 

 

 

a

эк

 

р

 

эк

эк

 

 

 

 

 

 

 

 

17

 

 

 

 

 

 

 

 

 

 

 

 

 

 

5. ТРАНСФОРМАТОРЫ

 

 

 

 

 

 

 

 

 

 

 

 

 

 

5.1. Однофазный трансформатор

 

 

 

 

 

 

E1 = 4,44 fw1Фm ,

 

 

 

Электромагнитная схема

 

 

 

 

 

 

 

 

 

 

 

 

 

 

 

 

 

 

 

Фm

 

 

 

 

 

 

 

 

 

 

 

 

E2 = 4,44 fw2Фm ,

 

 

 

I&1

 

 

 

 

 

 

 

 

I&2

 

 

 

 

 

 

 

Фm =

U1

 

 

 

 

 

 

 

 

 

 

 

Фσ1

 

 

 

 

 

 

 

 

Zн

 

 

 

 

 

 

 

 

(4,44 fw1)

 

 

 

 

&

 

 

 

 

 

 

 

 

 

 

 

 

 

 

 

 

 

 

 

U 2

 

 

 

 

 

 

 

 

 

 

 

U1

 

 

 

 

Фσ2

 

 

 

 

 

 

 

 

 

 

 

 

 

=

 

 

 

 

 

 

,

 

 

 

 

 

 

 

 

 

 

 

 

 

 

 

 

 

 

 

 

 

 

 

 

(4,44 fw2 )

 

 

 

 

 

 

 

 

 

 

 

 

 

 

 

 

 

 

 

 

 

 

 

 

 

 

 

 

 

 

 

 

 

 

 

 

 

 

 

 

 

 

 

 

 

 

 

 

 

 

 

 

 

 

 

Ф = B × S ;

 

 

 

 

 

 

 

 

 

 

 

 

 

 

 

 

 

 

 

 

 

 

 

 

 

k = E1 = w1 » U1 » I 2 .

 

 

 

 

 

 

 

 

 

 

 

 

 

 

 

 

 

 

 

 

 

 

E2

 

w2

 

 

 

U 2

 

I1

 

 

 

Схема замещения трансформатора

Уравнение

 

 

 

 

магнитного

 

 

 

 

 

 

 

 

 

 

 

 

 

 

 

 

состояния трансформатора:

R1

 

 

jXσ1

 

R

 

 

jX

 

 

 

 

 

 

 

 

&

=

&

&

 

×

w2

.

 

 

 

 

 

 

2

 

 

 

 

 

σ2

 

 

 

 

 

 

 

I

 

I +

I

2

 

 

 

 

 

 

 

 

 

 

 

 

 

 

 

 

 

 

 

 

 

 

 

 

 

10

 

1

 

 

w1

 

 

 

 

&

 

 

&

 

 

 

 

 

 

I&

 

 

 

 

 

 

 

 

 

 

 

 

 

 

 

 

 

 

 

 

 

 

I1

 

 

 

 

 

 

 

 

2

 

 

 

 

 

Параметры

 

 

 

 

 

 

 

 

 

ветви

 

 

 

I10

 

jXмаг

 

 

 

 

 

 

 

 

 

 

 

 

 

 

 

 

 

&

&

 

 

 

&

 

 

&

 

 

намагничивания:

 

 

 

 

 

 

 

 

U

 

 

 

 

 

 

 

 

 

U

 

Z н

 

 

 

 

 

 

 

 

 

 

 

 

 

 

 

 

 

 

 

 

E1

 

 

 

 

 

 

E2

 

 

2

 

 

 

 

= Uном ; R

 

= Z

 

cosϕ

 

;

 

 

 

 

 

Rмаг

 

 

 

 

 

 

 

 

 

Z

х

 

x

x

 

 

 

 

 

 

 

 

 

 

 

 

 

 

 

 

 

I10

 

маг

 

 

 

 

 

 

 

 

 

 

Уравнения электрического состояния

Px = I10U1 cos ϕ1.

 

 

 

 

 

 

 

 

 

Параметры

 

 

 

 

продольной

нагруженного трансформатора:

 

 

 

ветви:

 

 

 

 

 

 

 

 

 

 

 

 

 

 

 

 

&

 

&

 

&

 

 

 

 

&

 

 

 

 

 

 

 

 

 

 

 

 

 

 

 

 

 

 

 

 

2

 

 

 

 

U1

= -E1 + R1I1

+ jX1I1;

 

 

 

Pк = I1номU

 

 

 

 

 

 

 

 

 

 

 

 

 

&

 

&

 

&

 

 

 

 

&

 

 

 

 

к cos jк = RкI1ном;

 

U 2

= E2

+ R2 I2

 

+ jX 2 I

2.

 

 

 

 

Z

 

=

Uк

; R

 

= Z

 

cosϕ

 

 

.

 

 

 

 

 

 

 

 

 

 

 

 

 

 

 

 

 

к

 

к

к

 

 

 

 

 

 

 

 

 

 

 

 

 

 

 

 

 

 

 

I1ном

к

 

 

 

 

 

 

 

 

 

 

 

 

 

 

 

 

 

 

 

 

 

 

 

 

 

 

 

 

 

 

 

 

 

 

 

 

 

 

 

 

 

 

Внешняя характеристика и КПД трансформатора:

 

 

 

 

 

 

 

 

 

 

 

 

 

 

 

 

 

 

u2 = β(ua cos ϕ2 + up sin ϕ2 );

 

 

 

 

 

 

 

 

 

 

 

 

 

 

h = P2

= 1 -

Р

рэ1 + рэ2 + рх

р

;

h =

 

 

 

βSном cosϕ2

 

 

 

,

 

 

 

 

P

 

 

+ р

э1

+ р

э2

+

х

 

 

bSном cos j2 + b

2

Pк

+ Px

 

 

 

 

1

 

 

2

 

 

 

 

 

 

 

 

 

 

 

 

где b =

I2

; bη→max =

Px .

 

 

 

 

 

 

 

 

 

 

 

 

 

 

 

 

 

 

 

 

 

 

 

 

I2ном

 

 

 

 

Pк

 

 

 

 

 

 

 

 

 

 

 

 

 

 

 

 

 

 

 

 

 

 

 

 

 

 

 

 

 

 

 

 

 

 

 

 

 

 

 

18

 

 

 

 

 

 

 

 

 

 

 

 

 

 

 

 

 

 

 

 

 

5.2. Трехфазные трансформаторы

Схемы соединения

Диаграммы векторов Условные

 

обмоток

 

 

 

 

 

обозначения

ВН

НН

ВН

НН

A B C

n a b c

B

b

 

 

 

 

 

A

C

a

c

X

Y

Z

x

y

z

 

 

n

 

 

 

A

B

C

a

b

c

B

 

b

 

 

 

 

 

 

A

C

c

 

 

 

 

 

 

 

 

X

Y

Z

x

y

z

 

 

a

 

 

 

N A

B

C

a

b

c

B

 

b

 

 

 

 

 

 

A

C

c

 

 

 

 

 

 

 

 

X Y

Z

x

y

z

N

 

a

 

 

 

A

B

C

a

b

c

B

 

b

 

 

 

 

 

 

 

C

c

X

Y

Z

x

y

z

A

 

a

 

 

 

A

B

C

n a

b

c

B

 

b

 

 

 

 

 

 

C

a

c

 

 

 

 

 

 

 

 

X

Y

Z

x

y

z

A

 

n

 

 

 

 

 

 

 

 

 

19

6. МАШИНЫ ПОСТОЯННОГО ТОКА

1. Независимое возбуждение

2. Параллельное возбуждение

 

 

 

 

 

 

 

 

 

 

 

 

 

 

 

 

 

 

 

 

 

 

 

 

 

 

 

 

 

 

 

 

 

 

 

 

 

 

 

 

 

 

 

 

 

 

 

 

 

 

 

 

 

 

 

 

 

 

 

 

 

 

 

 

 

 

 

 

 

 

 

 

 

 

 

 

 

 

 

 

 

 

 

 

 

 

 

 

 

 

 

 

 

 

 

 

 

 

 

 

 

 

 

 

 

 

 

 

 

 

 

 

 

 

 

 

 

 

 

 

 

 

 

 

 

 

 

 

 

 

 

 

 

 

 

 

 

 

 

 

 

 

 

 

 

 

 

 

 

 

 

 

 

 

 

 

 

 

 

 

 

 

 

 

 

 

 

 

 

 

 

 

 

 

 

 

 

 

 

 

 

 

 

 

 

 

 

 

 

 

 

 

 

 

 

 

 

 

 

 

 

 

 

 

 

 

 

 

 

 

 

 

 

 

 

 

 

 

 

 

 

 

 

 

 

 

 

 

 

 

 

 

 

 

 

 

 

 

 

 

 

 

 

 

 

 

 

 

 

 

 

 

 

 

 

 

 

 

 

 

 

 

 

 

3. Последовательное возбуждение

4. Смешанное возбуждение

 

 

 

 

 

 

 

 

 

 

 

 

 

 

 

 

 

 

 

 

 

 

 

 

 

 

 

 

 

 

 

 

 

 

 

 

 

 

 

 

 

 

 

 

 

 

 

 

 

 

 

 

 

 

 

 

 

 

 

 

 

 

 

 

 

 

 

 

 

 

 

 

 

 

 

 

 

 

 

 

 

 

 

 

 

 

 

 

 

 

 

 

 

 

 

 

 

 

 

 

 

 

 

 

 

 

 

 

 

 

 

 

 

 

 

 

 

 

 

 

 

 

 

 

 

 

 

 

 

 

 

 

 

 

 

 

 

 

 

 

 

 

 

 

 

 

 

 

 

 

 

 

 

 

 

 

 

 

 

 

 

 

 

 

 

 

 

 

 

 

 

 

 

 

 

 

 

 

 

 

 

 

 

 

 

 

 

 

 

 

 

 

 

 

 

 

 

 

 

 

 

 

 

 

 

 

 

 

 

 

 

 

 

 

 

 

 

 

 

 

 

 

 

 

 

 

 

 

 

 

 

 

 

 

 

 

 

 

 

 

 

 

 

 

 

 

 

 

 

 

 

 

 

 

 

 

 

 

 

 

 

 

 

 

 

 

 

 

 

 

 

 

 

 

 

 

 

 

 

 

 

 

 

 

 

 

 

 

 

 

 

 

 

 

 

 

 

 

 

 

 

 

 

 

 

 

 

 

 

 

 

 

 

 

 

 

 

 

 

 

 

 

 

 

 

 

 

 

 

 

 

 

 

 

 

 

 

 

 

 

 

 

 

 

 

 

 

 

 

 

 

 

 

 

 

 

 

 

 

 

 

 

 

 

 

 

 

 

 

 

 

 

 

 

 

 

 

 

 

 

 

 

 

 

Механические характеристики двигателей

1- независимого возбуждения,

 

постоянного тока

n

1, 2

2- параллельного возбуждения,

n0

 

3- смешанного возбуждения,

 

 

 

3

4- последовательно

 

4 M

возбуждения

P = EI

я

, E = c

E

Фn =

pN

, M =

pN

ФI

я

= с

М

ФI

я

,

 

 

 

 

эм

 

 

 

 

 

 

 

 

 

 

60a

 

 

 

 

a

 

 

 

 

 

 

Режим генератора: U = E IяRя, P2 = UI .

 

 

 

 

 

 

 

 

 

 

 

 

 

Режим двигателя: U = E + I

R ,

 

 

P = UI .

 

 

 

 

 

 

 

 

 

 

 

 

 

 

 

 

 

 

 

 

 

 

 

 

я я

 

1

 

 

 

 

 

 

 

 

 

 

 

 

 

 

 

 

 

 

 

n

 

 

= n

 

 

 

 

 

 

Uном

 

 

, М = 9,55

Р2

.

 

 

 

 

 

 

 

 

 

 

 

 

 

 

R

 

 

 

 

 

 

 

 

x

 

ном U

ном

I

яном

 

 

 

 

 

 

 

 

 

n

 

 

 

 

 

 

 

 

 

 

 

 

 

 

 

 

я

 

 

 

 

Р р

 

 

 

 

 

η =

Р

=

 

 

 

 

Р

 

 

 

; η =

Р

=

 

 

 

 

 

2

 

 

 

 

2

 

 

2

 

1

 

 

 

 

;

 

 

 

 

 

 

 

 

 

 

+

 

 

 

 

 

 

 

 

 

 

 

 

 

 

 

 

 

Р1

 

Р2

р

 

 

Р1

 

 

 

Р1

 

 

 

 

 

 

 

р = рэ + рэв + рмх + рэщ + рмагн + pд .

I = Iя + Iв;

20

Iя =

U E

=

U cE Фn

Iв =

U

=

U

 

 

 

 

 

 

;

 

 

 

.

Rя

 

 

Rя

 

Rво

 

 

 

 

 

 

 

 

 

 

Rв + Rр

 

 

 

 

Rp =

 

U

Rя;

 

 

 

 

 

 

 

 

 

 

 

 

 

 

 

 

 

 

 

 

Iяном

 

 

 

 

 

 

 

 

 

 

 

 

 

 

 

 

 

 

n =

Eя

=

U IRя

;

 

 

 

 

 

сЕФ

 

 

 

 

 

 

 

 

 

 

 

 

сЕФ

 

 

 

 

 

Уравнение механической характеристики двигателя постоянного

тока:

n =

U

 

 

 

МRя

;

 

 

 

 

 

 

 

 

 

с

Е

Ф

 

 

с

 

с

 

Ф2

 

 

 

 

 

 

 

 

 

 

Е М

 

 

 

 

 

 

 

cM = 9,55cE ;

 

 

Кратность пускового тока: КI =

 

Iп

 

;

 

 

 

 

 

 

 

 

 

 

 

 

 

 

 

 

 

 

 

 

Iном

 

 

 

 

 

кратность пускового момента: КМ

 

=

 

Мп

.

 

 

 

 

 

 

 

 

 

 

 

 

 

 

 

 

Мном

 

рх = рэ или RIном2

 

= Px + UвIв ;

 

I

=

 

 

Px + IвUв

 

 

 

 

 

 

 

 

 

 

 

 

 

 

 

 

 

Rя

7.ЭЛЕКТРИЧЕСКИЕ МАШИНЫ ПЕРЕМЕННОГО ТОКА

7.1.Трехфазные асинхронные двигатели

А

с короткозамкнутым

с фазным ротором

ротором

 

В

 

 

 

С

 

 

n1

 

 

n2

 

 

n1-частота

 

 

вращения

 

Rп

магнитного поля;

 

 

 

n2-частота

 

 

вращения ротора

 

 

Скольжение, частота вращения:

 

21