Материал: Москатов Электроника 2010

Внимание! Если размещение файла нарушает Ваши авторские права, то обязательно сообщите нам

66 Москатов Е. А. Электронная техника. Начало. http://moskatov.narod.ru

вызванного движением только основных носителей заряда, к полному току эмиттера, обусловленному миграцией и дырок, и электронов. Область базы обогащается инжектируемыми носителями заряда, которые в области эмиттера были основными, а в области базы стали неосновными. Поле коллекторного перехода является ускоряющим для попавших в область базы носителей зарядов, и это поле их втягивает в коллекторный переход. Происходит их рекомбинация с основными носителями заряда области базы. Однако она незначительна в связи с тем, что толщина области базы много меньше, чем двух других областей, и электроны почти беспрепятственно преодолевают область базы и оказываются в области коллектора, в которой они вновь станут основными носителями заряда. Успевшие рекомбинировать электроны вызывают протекание небольшого тока через вывод базы транзистора, который называют рекомбинационным. Рекомбинация некоторого количества носителей заряда в области базы происходит постоянно до тех пор, пока каскад не будет обесточен, так как электроны будут всѐ время поступать от положительного полюса источника питания базаэмиттер. Обогащение области коллектора носителями заряда, которые в ней будут основными, приводит к протеканию коллекторного тока транзистора. Он течѐт по цепи от положительного полюса источника питания база-коллектор, по области базы, затем по области коллектора, по нагрузочному резистору R2, к отрицательному полюсу источника питания. Очевидно, что даже незначительное изменение напряжения база-эмиттер вызывает существенно большее изменение напряжения база-коллектор и, отдавая небольшую мощность управляющего сигнала, поданного на базу транзистора, можно управлять многократно большей мощностью нагрузки. Следовательно, рассматриваемый каскад может осуществить усиление сигнала по напряжению. Ток эмиттера транзистора при любом варианте включения последнего равен сумме токов коллектора и базы.

67 Москатов Е. А. Электронная техника. Начало. http://moskatov.narod.ru

Амплитуду тока коллектора транзистора можно вычислить по формуле:

Iк = Iэ • h21б + Iкбо,

где Iэ – ток эмиттера, А;

h21б или α – дифференциальный коэффициент передачи тока, который поступает в коллектор из эмиттера. Он равен отношению изменения тока коллектора к изменению тока эмиттера при фиксированных значениях температуры, напряжения база-коллектор и прочего:

h21б = Iк / Iэ.

Iкбо – обратный ток коллектора транзистора, А.

Кроме того, ток коллектора транзистора допустимо найти согласно выражению:

Iк = Iб • h21э + Iкэо,

где Iб – ток базы, А;

h21э или β – это дифференциальный коэффициент передачи тока базы, соответствующий включению транзистора по схеме с общем эмиттером. Коэффициент h21э равен отношению приращения тока коллектора к приращению тока базы: h21э = Iк / Iб;

Iкэо – обратный ток коллектора при включении транзистора по схеме с общим эмиттером, А.

Коэффициенты h21э и h21б связаны друг с другом соотношением

[175, с. 78; 197, с. 698]:

h21э = h21б / (1 – h21б).

Рассмотренный дифференциальный коэффициент передачи эмиттерного тока h21б относят к одному из основных параметров транзистора. Коэффициент передачи тока эмиттера в описанном каскаде близок к единице и h21б обычно составляет от 0,94 до 0,999. Это означает, что усилительный каскад с транзистором, включѐнным по схеме с общей базой, не даѐт усиления по току. Коэффициент усиления сигнала по мощности равен произведению коэффициентов усилений сигнала по току и по напряжению. Следовательно,

68 Москатов Е. А. Электронная техника. Начало. http://moskatov.narod.ru

данный каскад даѐт чуть меньшее усиление по мощности, чем по напряжению.

Для усиления сигналов любые транзисторные каскады тратят энергии источников питания, к которым подключены, и при этом всегда теряют часть энергии, и мощности потерь вызывают тепловыделения в компонентах.

4.4. Схемы включения биполярных транзисторов

4.4.1. Схема включения транзистора с общим эмиттером

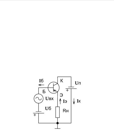
Между базой и эмиттером транзистора, включѐнного по схеме с общим эмиттером, подсоединяют источник сигнала, а к коллектору

– нагрузку. К эмиттеру транзистора подключают полюсы одинаковых знаков источников питания. Входным током каскада выступает ток базы транзистора, а выходным током – ток коллектора. Это показано на рис. 4.3, на примере включения в электрическую цепь биполярного p-n-p транзистора.

Рис. 4.3. Включение p-n-p транзистора по схеме с общим эмиттером

69 Москатов Е. А. Электронная техника. Начало. http://moskatov.narod.ru

На практике обходятся одним источником питания, а не двумя. Направление протекания тока по выводам транзистора дано на рисунке. Включение n-p-n транзистора совершенно аналогично включению p-n-p транзистора, однако в данном случае придѐтся поменять полярность обоих источников питания.

Рис. 4.4. Включение n-p-n транзистора по схеме с общим эмиттером Коэффициент усиления каскада равен отношению тока коллектора к току базы и обычно может достигать от десятков до нескольких сотен. Транзистор, включѐнный по схеме с общим эмиттером, теоретически может дать максимальное усиление сигнала по мощности, относительно других вариантов включения транзистора. Входное сопротивление рассматриваемого каскада, равное отношению напряжения база-эмиттер к току базы, лежит в пределах от сотен до тысяч Ом. Это меньше, чем у каскада с транзистором, подсоединѐнным по схеме с общим коллектором. Выходной сигнал каскада с общим эмиттером обладает фазовым сдвигом в 180° относительно входного сигнала. Флюктуации температуры оказывают значительное влияние на режим работы транзистора, включѐнного по схеме с общим эмиттером, и поэтому следует применять специальные цепи температурной стабилизации. В связи с тем, что сопротивление коллекторного перехода транзистора в рассмотренном

70 Москатов Е. А. Электронная техника. Начало. http://moskatov.narod.ru

каскаде выше, чем в каскаде с общей базой, то необходимо больше времени на рекомбинацию носителей заряда, а, следовательно, каскад с общим эмиттером обладает худшим частотным свойством.

4.4.2. Схема включения транзистора с общим коллектором

К эмиттеру транзистора, включѐнного по схеме с общим коллектором, подсоединяют нагрузку, на базу подают входной сигнал. Входным током каскада является ток базы транзистора, а выходным током – ток эмиттера. Это отражено на рис. 4.5, на котором изображена схема включения биполярного p-n-p транзистора.

Рис. 4.5. Включение транзистора по схеме с общим коллектором С нагрузочного резистора, включѐнного последовательно с выводом

эмиттера, снимают выходной сигнал. Вход каскада обладает высоким сопротивлением, обычно от десятых долей мегаома до нескольких мегаом из-за того, что коллекторный переход транзистора заперт. А выходное сопротивление каскада – напротив, мало, что позволяет использовать такие каскады для согласования предшест-