Установку пневмоконтактных головок производить по эталонному кольцу поз.3 и при установленном на нем раскатнике поз. 1. При приближении к эталонному кольцу сопло головки поз. 4 должно перекрываться, а сопло головки поз.5 открываться. Стрелка преобразователя должна устанавливаться в среднее положение и контакт преобразователя замыкаться. Контакт преобразователя подключить в схему раскатной машины взамен демонтированного преобразователя окончательного контроля наружного диаметра.
Подобрать входные сопла: для
повышения чувствительности преобразователя входные сопла устанавливаются
меньшего диаметра, для увеличения скорости срабатывания - большего.
Окончательную настройку произвести в процессе работы.
.5.3 Описание работы головки электроконтактной
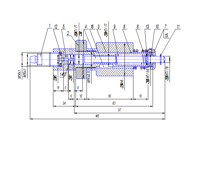
Эскиз электроконтактной головки приведен на рисунке 15. Электроконтактная головка служит своего рода бесконтактным датчиком положения, чувствительность которого позволяет работать с точным перемешением при незначительной точности и сложности узла измерения.
Головка смонтирована в круглом корпусе поз.3 диаметром 28 мм.
Измерительный щуп поз. 4 перемещается по скользящей посадке внутри цилиндра по напраляющей. На конце измерительного наконечника выполнен точный запорный конус, который при перемещении перекрывает конусное отверстие сопла поз. 5. При этом меняется проходное сечение, и следовательно изменяется расход воздуха.
На изменение расхода воздуха реагирует пневмопреобразователь, который отображает изменение в относительных единицах. При тарировке возможно согласование, как линейных величин, так и угловых перемещений.
Сопло поз. 5 через прокладку поз. 12 поджимается к корпусу штуцером поз. 1. Штуцер поз. 1 предназначен для подвода воздуха к пневмоголовке.
На конце щупа поз. 4 выполнена сферическая поверхность, которая подкалена и шлифована.
Щуп подпружинен и в нормальном состоянии всегда выдвинут из корпуса на максимальное расстояние.
Максимальное перемещение щупа
ограничивает стопорное колечко - предохранительный элемент, который блокирует
перемещение щупа при ходе превышающем максимально возможное, указанное в
технической характеристике на головку.
.5.4 Работа системы контроля
Контроль наружного диаметра при включенной подаче осуществляется имеющейся на раскатной машине пневмоконтактной головке и системы управления циклом раскатки и формообразования.
При выключении подачи осуществляется контроль внутреннего диаметра, вновь установленным оборудованием.
пневмоконтактная головка поз. 4 измеряет размер L = D1+h;
пневмоконтактная головка поз. 5 измеряет размер L1=h
преобразователь поз. 8, производит расчет внутреннего диаметра кольца L - L1 =D1+h - h =D1, при достижении этого размера происходит замыкание контакта преобразователя и подача сигнала на остановку процесса раскатки.
Конструкция системы автоматического
активного контроля для раскатки заготовки приведена на рисунке 16.
2.6 Проектирование сверла для
обработки отверстия вала 1
.6.1 Обзор технологичности детали
Итогом работы над курсовым проектом
по режущему инструменту является спиральное сверло для обработки
цилиндрического отверстия вала. В качестве материала для изготовления вала
используется качественная конструкционная сталь - Сталь 45 ГОСТ 1050-88. На
автомате используется патрон быстросменный автоматический по ГОСТ 16885-71.
Сталь 45 хорошо обрабатывается лезвийным инструментом. В качестве
смазочно-охлаждающей жидкости назначаем сульфофрезол.
Рисунок 15 - Эскиз электроконтактной головки
Рисунок 16 - Конструкция системы активного
контроля
Рассчитать и сконструировать спиральное сверло из быстрорежущей стали для сверления под последующую технологическую операцию. Обрабатываемый материал: сталь 45.
Предел прочности: σв =680 МПа.
Глубина глухого отверстия: l = 30 мм.
Назначение сверления: нарезание резьбы М8.
Решение:
Материал рабочей части сверла принимаем
быстрорежущую сталь Р18, материал хвостовика принимаем сталь 45.
.6.2 Определение наружного диаметра D
При нарезании резьбы М8 согласно ГОСТ 8724-81 стандартный шаг резьбы будет 1,2 мм. Следовательно, диаметр отверстия будет 6,8 мм [12], принимаем диаметр сверла равным D = 6,8 мм ГОСТ 10903-77.
2.6.3 Определяем режим резания
При сверлении углеродистой стали с пределом прочности σв = 680 МПа подачу на оборот принимаем равной: Sо = 0,2-0,25 мм/об [10].
Скорость главного движения резания, допускаемая
режущими свойствами сверла:
(52)
где Сv - постоянная, значение берется из справочника;
D - диаметр сверла;
q, у, m - показатели степени для конкретных условий обработки;
Т- средний период стойкости, мин;
S - подача, мм/об;
Kv - суммарный поправочный коэффициент, учитывает фактические условия резания, данные берутся из таблиц.= 9,8; qv = 0,4; yv = 0,5; m = 0,2 - при Sо > 0,2 мм/об и без охлаждения;- период стойкости сверла, для сверла диаметром D = 6,8 мм при обработке углеродистой стали сверлом из быстрорежущей стали принимаем T=25 мин [12];
Общий поправочный коэффициент:
= KМv ∙ KИv∙ Klv, (53)
где KМv -поправочный коэффициент, учитывающий обрабатываемый материал;
KИv - поправочный коэффициент, учитывающий материал инструмента;
Klv - поправочный коэффициент, учитывающий
глубину сверления.
, (54)
где nv - показатель степени;
σB = 680 Н/мм2 - предел прочности
обрабатываемого материала, МПа;
nv = 0,9; σв = 680 МПа.
,
Иv - поправочный коэффициент,
учитывающий материал инструмента, для сверла из быстрорежущей стали Р18
принимаем KИv = 1,0;- поправочный коэффициент, учитывающий развертывание,
принимаем Klv = 1,0;
,
.
.6.4 Определяем осевую составляющую
силы резания по формуле:
(55)
где Ср - постоянная, значение берется из справочника;
х, у- показатели степени для
конкретных условий обработки для каждой из составляющих силы резания;- подача,
мм/об;- диаметр сверла, м/с;р - суммарный поправочный коэффициент, учитывает
фактические условия сверления, данные берутся из таблиц;= 68; qP = 1,0; yP =
0,7; - поправочный коэффициент осевой составляющей силы резания
, (56)
где np - показатель степени;
σB = 680 Н/мм2 - предел
прочности обрабатываемого материала, МПа;= 0,75.
,
,
.
.6.5 Определение момента сил сопротивления резанию
Момент определяем по формуле:
(57)
где Сm - постоянная, значение берется из справочника;
х, у - показатели степени для
конкретных условий обработки для каждой из составляющих крутящего момента;-
подача, мм/об;- диаметр сверла, мм;- поправочный коэффициент на осевую
составляющую силы резания.= 0,0345; qm = 2,0; ym = 0,8 - для углеродистой стали
с пределом прочности σв = 680МПа;
.
.
.6.6 Определяем номер конуса Морзе хвостовика
Момент трения между хвостовиком и
втулкой определяется по формуле:

(58)
где Рх - осевая сила, Н;
μ - коэффициент трения стали по стали;
θ - половина угла конуса;, d2 - диаметры конуса хвостовика, мм.
Момент трения увеличивается до 3 раз по сравнению с моментом, принятым для нормальной работы сверла.
Следовательно, 3×Мс.р. = Мтр.
Средний диаметр конуса хвостовика определяется по формуле:
ср = (D1 + d2)/2,
(59)
где Мс.р. - момент сопротивления сил резанию, Н·м;
Θ = 1о26'16'' - половина угла конуса (конусность равна 0,05020; sin Θ = 0,0251);
Рх - осевая сила, Н;
μ = 0,095 - коэффициент трения стали по стали;
∆Θ = 5' - отклонение
угла конуса.
По
ГОСТ 25557 - 82 выбираем конус Морзе № 0
.6.7 Определяем длину сверла
Общую длину сверла L, длину рабочей части lо, длину хвостовика lх и длину шейки l2 принимаем по ГОСТ 2092 - 77:
=
lо + lх + l2 = 69 + 56,5+ 4,5 = 130 мм, (60)
где
L - общая длина сверла, мм;о - длина рабочей части, мм;х - длину хвостовика lх,
мм;- длину шейки, мм.
.6.8 Геометрические и конструктивные параметры рабочей части сверла
Форму заточки принимаем Н (нормальная). Принимаем данный вид заточки, т.к обрабатываемый материал - сталь, а Н используется для обработки поверхностей стальных деталей после предшествующей обработки этой детали резанием.Угол наклона винтовой канавки ω = 31°. Углы между режущими кромками: 2φ = 118°; 2φо = 70°, b = 2,5 мм. Задний угол α = 12°. Угол наклона поперечной кромки ψ = 55°. Размеры подточенной части перемычки: a = 1,0 мм; l = 2,0 мм. Шаг винтовой канавки:
=
π × D/tg ω = 3,14 × 6,8/tg30° = 46,252 мм, (61)
где H - шаг винтовой канавки, мм;- диаметр сверла, мм;
ω - угол наклона винтовой канавки, °.
Толщину сердцевины сверла выбираем в зависимости от диаметра сверла.
Для сверла диаметром D = 6,8 мм толщину сердцевины у переднего конца принимаем:
с
= 0,14 × D = 0,14 × 6,8 = 0,952
мм , (62)
где D - диаметр сверла, мм;
dс - толщина сердцевины сверла, мм.
Принимаем это утолщение равным 1 мм.
Обратную
конусность сверла (уменьшение диаметра по направлению к хвостовику) на 100 мм
длины рабочей части для сверла диаметром D = 6,8 мм принимаем равной 0,03 мм.
3.
Технологическая часть
.1
Описание конструкции детали и ее назначение
Начиная разработку технологического процесса необходимо ознакомиться с конструкцией детали, ее назначением и условиями работы в узле или механизме. Деталь - вал является основной частью узла управления подачей автомата. Данный вал вращается на двух шариковых опорах (шариковые радиально-упорные подшипники). В опорах установлено по два шариковых радиально-упорных подшипника собранных по схеме "враспор". Внутренние кольца подшипников стянуты специальной шайбой.
На
выходных концах шпиндельного вала предусмотрено конструктивно конические
посадочные поверхности. На один выходной конец устанавливается шкив зубчатой
ременной передачи, а на второй - специальная оправка. От осевого перемещения
оправка и шкив фиксируются болтами.
.2
Нормоконтроль детали и анализ технологичности
Чертеж детали выполнен в соответствии ЕСКД. Для полного представления конструкции детали информации достаточно. Информация представлена на главном виде шпинделя, разрезах и местных видах.
Посадки и отклонения соответствуют действительным нормам. Отклонения формы поверхностей детали соответствуют требованиям назначения данного посадочного участка. Отклонения указаны там, где необходимо, лишнего на чертеже нет. Допуски на отклонения жестковаты, но это необходимо для работы шпиндельного узла. Шпиндельный узел должен обеспечить высокую скорость резания и точность хода (в качестве опор применены точные подшипники 5 класса точности). Частота вращения шпиндельного вала n = 6000 об/мин.
Анализ
технологичности конструкции детали. Вал технологичен. Материал детали хорошо
обрабатывается. Конструкция и материал оптимальны для данного вала. Наиболее
технологична обработка данного вала в центах [11].
.3
Выбор заготовки и способа ее получения
Данные для выбора вида заготовки:
материал детали - Сталь 40Х ГОСТ 4543-71;
масса детали, кг - 0,55 кг;
плотность материала - 7825 кг/м3;
годовая
программа - 15 000 шт.
.3.1 Себестоимость получения заготовки из проката
Использование проката снижает припуски и объем механической обработки. Стоимость заготовок из проката найдем по формуле [13]:
заг=
М + åСо.з., (67)
где М - расходы на материал заготовки, руб
åСо.з - технологическая себестоимость операций правки, калибрования прутков, разрезки их на штучные заготовки.
Установим стоимость материала, нужного на изготовление партии заготовок.
Предварительно штучная заготовка нарезается дисковой пилой (толщина полотна пилы 2 мм) из стандартного проката по следующим размерам:
масса отрезанной заготовки, кг 0,79;
диаметр заготовки, мм 24h12.
Далее на специализированном фрезерно-центровальном станке производится окончательная подрезка торцов (в размер детали) и центровка с двух сторон.
Найдем число заготовок из одного прутка длиной l = 6 м:
=
6000 / (268+2) = 22,222 назначим n = 22 шт.
Количество прутков чтобы сделать партии заготовок в количестве N = 15000 шт., определяемое по формуле:
=
N/n (71)= 15000/22 = 681,818
Получается, что необходимо Z = 682 прутков.
Требуемая масса металла:
мет=
(p×D2×lå×r)/4, (72)
где r = 7820 кг/м3 - плотность металла;- диаметр проката, м;å = l×Z - общая длина проката, м.
Получаем:
мет=
(p×0,0242×(6×682)×7820)/4 =
14476.206 кг (14.5 т);
Установим общую массу партии деталей.
Масса деталей партии
Qдет
= Q×N = 15000×0,55 = 8250
кг.
Масса отходов (концевые, стружка)
отх
= Qмет - Qдет = 14476,206 - 8250 = 6226,206 кг
Определяем стоимость металла, необходимого чтобы сделать партии валов.
Стоимость тонны материала по данным прейскуранта цен 01-08, 01-13, 02-07, 02-10, 1981 г. (Сталь 40Х ГОСТ 4345-71) S = 141 ¸ 168 руб.
Принимаем окончательно S = 165 руб.
Стоимость тонны стружки (прейскурант 01-03 и 02-05 за 1981 г.)
= 22,6 ¸ 28,1 руб. Принимаем для расчета Sотх = 25 руб.
М
= (14476,206×165)/1000-(6226,206×25)/1000 =
2232,919 руб.
Стоимость
металла для одной детали с учетом отходов
М1=
2232,919/15000 = 0,149 руб.
Технологическая
себестоимость содержит стоимость отрезки на станке работающем дисковой пилой.
Тшт = 0,19×D2×10-3 (73)
Тшт = 0,19×242×10-3 = 0,109 мин.
Со.з.=
(121×0,109)/(60×100) = 0,002
руб.
Стоимость заготовки из проката составит:
Sпр
= 0,149+0,002 = 0,151 = 0,15 руб.
.3.2 Определение стоимости получения заготовки методом штамповки на ГКМ
Стоимость заготовок штамповкой на ГКМ, а также электровысадкой, найдем по формуле:
заг=
((Сi×Qз×kt×kc×kb×km×kn)/1000)-(Qз-Q)Sотх/1000;
(74)
где Сi - стоимость 1т заготовок, руб;
kt,kc,kb,km,kn - коэффициенты зависящие от класса точности, массы, марки материала и объема производства заготовок.
Стоимость горячештампованных устанавливается следующим образом. Принимается стоимость 1 тоны штамповок С = 373 руб. Прейскурант № 25-01, 1981г.). Значение коэффициентов:- коэффициент зависящий от точности (при нормальной точности kt = 1);- коэффициент материала из которого изготавливается деталь (для легированных сталей 15Х - 50Х km = 1,13); - коэффициент зависящий от сложности заготовки (при II группе сложности для легированных сталей kc = 0,87);- коэффициент зависящий от массы штамповки (при массе заготовки Q = 0,85 кг коэффициент kb = 1,29); = 1,0.