Материал: Модернизация кольцераскатного автомата кузнечно-прессового цеха

Внимание! Если размещение файла нарушает Ваши авторские права, то обязательно сообщите нам

где R - усилие на штоке, Н;

p2 - давление в сливной полости, p= 0,3 ¸ 0,9 МПа;

p - давление в напорной полости, МПа;

;  коэффициент отношения диаметра поршня к диаметру штока. ; ;,d2 - диаметры штоков соответственно в напорной и сливной полостях цилиндра.

Должно выполняться соотношение:

р1 = (2/3) ×рН, МПа, (38)

где рН - давление насоса.

Определяем рН = 6,3 МПа.

Тогда р1 = (2/3) ×6,3 = 4,2 МПа. Получаем р1 = 4 МПа.

р2 = 0,09 МПа - противодавление.

Тогда

 33,663 мм

Из таблицы диаметров определяем D = 40 мм. Получаем два стереотипных гидроцилиндра: ЦРГ 40´20´50 ОСТ2 Г29-1-77 (ТУ2-053-1652-83Е) [8]= 40 мм - диаметр поршня;= 50 мм - рабочий ход цилиндра;= 20 мм - диаметр штока.

Для перемещения кулисы: Установим стандартный гидроцилиндр: ЦРГ 40´20´300 ОСТ2 Г29-1-77 (ТУ2-053-1652-83Е)= 40 мм - диаметр поршня;= 300 мм - Рабочий ход цилиндра;= 20 мм - диаметр штока.

.2.4 Выбор стандартной гидроаппаратуры

Найдем минимальные и максимальные расходы гидроцилиндра. Находим расход цилиндра:

= Vmax ´ F, Н, (39)

где Vmax - скорость поршня гидроцилиндра, Vmax = 5 м/мин (0,083 м/сек);

F - эффективная площадь поршня, м.

Площадь I полости гидроцилиндра находится по формуле:=, м2, (40)

где D - диаметр поршня цилиндра, м2;

d - диаметр штока цилиндра, м2.

Площадь II полости гидроцилиндра устанавливается по формуле:

=, м2 (41)

.2.1 Выбор насосного агрегата

Выбираем насос типа Г12-32М ГОСТ 13167-82.

Основные параметры насосного агрегата:

Давление на выходе из насоса, МПа

Номинальное 12,5;

Предельное 14;

Рабочий объем, см3 25;

Номинальная подача, л/мин 21,1.

Ставим насосную установку типа [8]:

Б Г48-9 4 УХЛ .

Обозначается:

- исполнение по высоте гидрошкафа;

- вместимость бака - 160 л;

Б - с теплообменником;

Г48-9 - обозначение насосной установки;

;

Г49 - 42 - номер насосного агрегата.

Выбор направляющей аппаратуры. К направляющей аппаратуре относятся гидравлические распределители и обратные клапаны.

Распределитель (РР) устанавливаем гидравлический с электромагнитным управлением типа ВЕ 10. 44 41/ В36-50 Н Д ГОСТ 24679-81.

Клапан обратный - модульного монтажа - входит в состав блока управления.

Назначаем обратный клапан типа КОМ 10/3 ТУ2-053-1829-87.

Определение регулирующей аппаратуры. Выбор дросселя ДР.

Выбираем дроссель типа: ДКМ 10/3А ТУ2-053-1799-86.

В качестве переливного клапана назначаем гидроклапан давления типа МКПВ - 10/3М ТУ2-053-1758-85.

.2.5 Разработка блока управления

Согласно техническому заданию в состав блока управления входят следующие аппараты:

Модульного исполнения:

Обратный клапан МКПВ - 10/3М ТУ2-053-1758-85

Дроссель ДКМ 10/3А ТУ2-053-1799-86

Гидроклапан КОМ 102-2 ТУ2-053-1679-84

Стыкового исполнения:

Реверсивный распределитель типа ВЕ 10. 44 41/ В36-50 Н Д ГОСТ 24679-81.

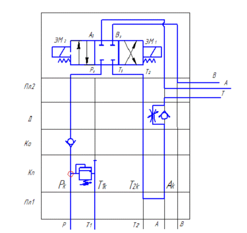
Принципиальная схема блока управления приведена на рисунке 8.

Аппараты стыкового монтажа имеют одну стыковочную плоскость с координатами присоединительных отверстий, расположенных снизу корпуса. Аппараты устанавливается и закрепляется на плитах, в них есть отверстия для крепления аппаратов и подвода жидкости к нему, снизу - отверстия для подключения трубопроводов, связывающих пакет с насосной установкой или гидродвигателем.

Для уплотнения стыков аппаратов используются резиновые кольца 012-016-25-2-2 ГОСТ 9833-73.

Рисунок 8 - Схема гидравлическая принципиальная блока управления

.2.6 Расчет трубопроводов

Найдем внутренний диаметр трубопровода по формуле:

у=, мм, (42)

где dу - диаметр условного прохода трубопровода, мм;

[V] - скорость направления жидкости в трубопроводе, м/сек;- расход жидкости в трубопроводе максимальный, л/мин.

Устанавливаем толщину стенки по параметрам прочности, выраженной формулой:

´кσ, мм, (43)

где p - давление жидкости в трубопроводе максимальное;

σпр - предел прочности на растяжение материала трубопровода, МПа;у - диаметр условного прохода трубопровода;

кσ - коэффициент безопасности, кσ=2.

Трубопроводы разбиваем на участки по давлению в них и расходу жидкости в линии. Учитываем рекомендации СЭВ РС 3644-72, при определении диаметра трубопровода. Значения скорости [V] смотри таблицу 2.

Таблица 2 - Значения скорости течения жидкости

Рном, МПа

2,5

6,3

16

32

V м/с, не более

2

3

5

6

Сливная линия V м/с, не более

1,5 ¸ 4

Всасывающая линия V м/с, не более

1,6 ¸ 2


Установим, для участка 3-6 напорной линии, внутренний диаметр.

Найдем внутренний диаметр трубопровода:

dу= мм,

Толщину стенки находим из условия жесткости, выраженной формулой:

´4 = 0,465 мм,

Выбираем стандартный трубопровод служащий для работы с давлениями р = 6,3 МПа. Трубопровод стальной 14х1 ГОСТ 8734-75

ст=12 мм

´4 = 0,5 мм (44)

Расчет для остальных участков сводим в таблицу 3.

.2.7 Установка потерь давления в аппаратах и трубопроводах

Потери давления в гидроаппаратахΔрГА находятся по формуле:

ΔрГА = р0+АQ+ВQ2, (45)

где Δр0 - перепад давления;

А и В - коэффициенты зависимости потерь давления в аппарате;- расход жидкости через аппарат.

А и В коэффициенты находятся по формулам:

А= ; В = , (46)

где QНОМ - номинальный расход аппарата.

Таблица 3 - Расчет основных параметров сечения трубопроводов


Определение потерь давления для распределителя Р1:

Напорная линия: Δр0 = 0 МПа; QНОМ = 33 л/мин (5,5×10-4 м3/с);

ΔрНОМ = 0,15 МПа; QРХ = 16,35 л/мин (0,00031 м3/с).

А= МПа´с/м3

В = МПа´с2/м6

ΔрРр1= 0+136,364´0,00031+(0,00031) 2´247934= 0,06731 МПа

Весь расчет представлен в таблице 4.

Течение жидкости обусловливается числом Рейнольдса. Для каналов круглого сечения:

= 21200 ´ , (47)

где Q - фактический расход жидкости в трубопроводе, л/мин;

dст - диаметр условного прохода, мм;

ν - коэффициент вязкости жидкости, мм2/с.

Таблица 4 - Определение потерь в гидроаппаратах


Если порядок течения ламинарный, то потери давления (МПа):

Dр = 0,62´(n´Q´L/d4) (48)

Если режим течения турбулентный:

Dр = 7,85´(Q2´L/d5) (49)

Расчет для всех участков сведен в таблице 5.

Местные потери (ΔрМ) находятся по формуле:

ΔрМ=, (50)

где d - диаметр прохода, мм;

ξj - коэффициент местного сопротивления;- расход жидкости в трубопроводе, л/мин.

Расчет для всех участков трубопроводов приведен в таблице 6, виды местных сопротивлений представлены в таблице 7.

Рассмотрим участок 5-6 (напорная линия)= 5,8 л/мин (9,667×10-5 м3/сек); d = 0,012 м. На данном участке несколько видов сопротивлений: одно резкое расширение, резкое сужения, два изгиба трубы, один тройник.

ΔрМ =  Па

Установка суммарных потерь давления в линиях это заключительный пункт расчета потерь давления. Расчет в таблице 8.

Таблица 5 - Потери в трубопроводах по длине


Таблица 6 - Определение местных потерь


Таблица 7 - Виды местных сопротивлений


∆рмн = 0,0156 МПа; ∆рмс= 0,0019 МПа; ∑рм = 0,0175 МПа

Суммарные потери в линиях сводим в таблицу 8

Таблица 8 - Суммарные потери в линиях

∆рГАн, МПа

∆рГАс , МПа

∆рДн , МПа

∆рДс , МПа

∆рМн , МПа

∆рМс , МПа

0,061

0,0429

0,0281

0,0278

0,0156

0,0019


Проссумируем потери в напорной и сливной линиях:

∆рн = 0.1047 МПа, ∆рс = 0,0726 МПа.

По результатам расчета уточняется расчет и выбор насосной установки по давлению по следующей формуле:

рн. треб = р1 + ∆р∑н ≤ рн  (51)

рн. треб = р1 + ∆р∑н = 10 + 0,1773 = 10,1773 МПа ≤ 12,5 МПа

Условие выполняется, значит принятая ранее насосная установка обеспечивает требуемое давление.

.3 Модернизация конструкции узла раскатки

Описание конструкции узла. Узел раскатки предназначен для формирования параметров заготовки размеры наружного, внутреннего диаметров, параметров канавок и желоба, а также высоты заготовки и радиусов скругления. Эскиз узла раскатки приведен на рисунке 10.

Узел раскатки состоит из нескольких сборочных единиц:

Опора промежуточная поз. 1;

Раскатник поз. 3;

Ролик упорный поз. 2;

Бандаж (деталь) поз. 6.

По каждой из сборочной единице необходимо провести детальную проработку.

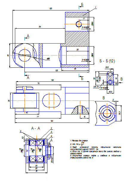
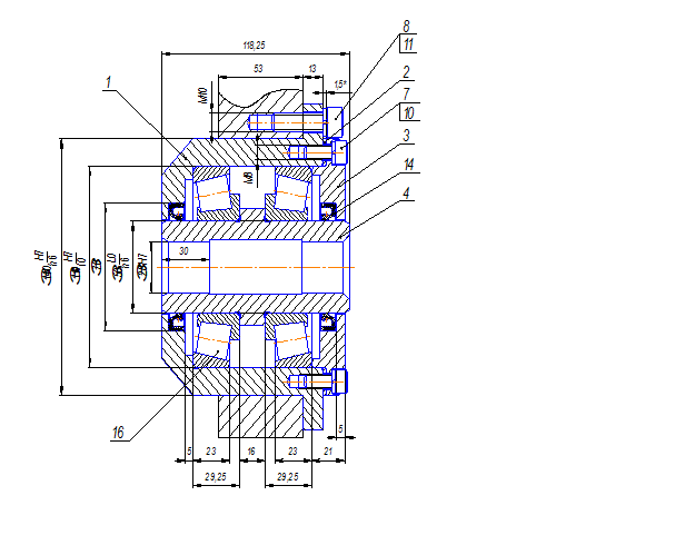
Описание конструкции опоры промежуточной. Опора промежуточная устанавливается в расточку поворачивающегося кронштейна и предназначена для создания опоры для раскатника. Опора исключает консольную нагрузку на раскатник при процессе формообразования.

Конструкция промежуточной опоры приведена на рисунке 11. Конструкция включает в себя следующие элементы:

Корпус поз. 1;

Компенсатор поз. 2;

Крышка поз. 3;

Ось поз. 4.

Подшипники роликовые 7310 А ГОСТ 27365-87 поз. 16.

Рисунок 11 - Конструкция промежуточной опоры

Описание конструкция промежуточной опоры. Корпус поз. 1 крепится винтами к кронштейну кольцераскаткого автомата соосно с раскатником. В корпусе выполнена расточка под роликовые радиально-упорные подшипники поз. 16. Подшипники установлены по схеме “враспор”. Внутренние кольца подшипников упираются в упорный буртик ступенчатой оси поз. 4. Ось пустотелая - с центральным отверстием.

Наружные кольца подшипников стягиваются торцовой проходной крышкой поз. 3, которая крепится к торцу корпуса поз. 1 винтами. Между корпусом поз. 1 и крышкой поз. 3 установлен компенсатор для регулировки натяга в подшипниках качения.

Внутри полости корпуса необходимо заложить консистентную смазку. Утечки смазки наружу и попадание пыли внутрь корпуса блокируют манжетные уплотнители поз. 14.

Рисунок 10 - Узел раскатки

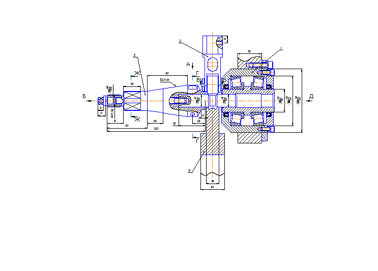
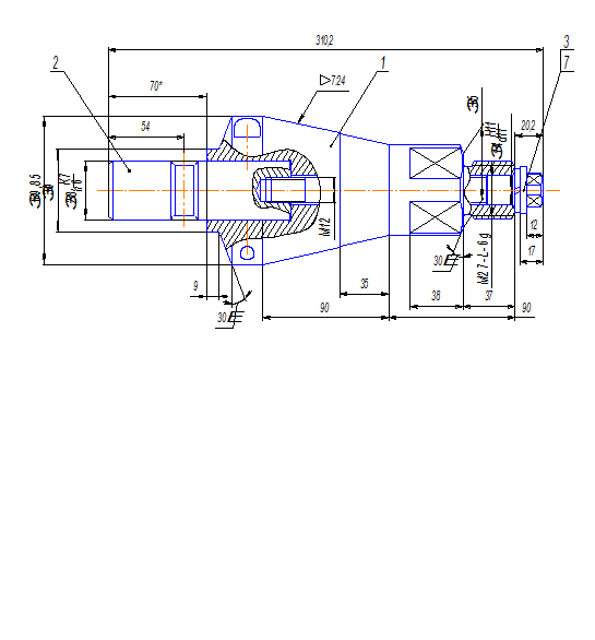
2.4 Проектирование раскатника

Конструкция раскатника приведена на рисунке 12. Раскатник устанавливается в кронштейн кулисы, которая осуществляет подачу при процессе раскатки. Конструкция включает в себя следующие элементы:

Корпус раскатника поз. 1

Болт поз.2;

Вставка поз.3;

Штифт поз.4.

Описание конструкция

Корпус раскатника поз.1 с центральным посадочным отверстием. В отверстие по переходной посадке устанавливается вставка поз.3 которая крепится проходным болтом поз.3 от осевого перемещения.

От проворота вставки относительно корпуса предусмотрен штифт поз.4.

На оси нанесен профиль получаемой заготовки при раскатке.

Рисунок 12 - Конструкция раскатника

Описание конструкции опорного ролика

Ролик предназначен для поддержания кольца во время раскатки.

Конструкция ролика включает следующие элементы:

Корпус поз. 1;

Ролик поз. 2;

Ось поз. 3;

Кольцо поз. 4;

Гайка поз. 5;

Подшипник В7003С ТРА поз. 8.

Конструкция ролика приведена на рисунке 13.

Ролик устанавливается на шток цилиндра.

Описание конструкции ролика. В корпус поз. 1 на оси поз. 3. установлен ролик поз. 2. На оси устанавливается на двух подшипниках ролик. Смазка внутри ролика удерживается двумя защитными шайбами. Внутренние кольца подшипников через дистанционную втулку (кольца защитные) стягиваются гайкой. Наружные кольца подшипников установлены в ступенчатую расточку.

Рисунок 13 - Конструкция ролика

.5 Разработка системы активного контроля

.5.1 Разработка принципиальной схемы

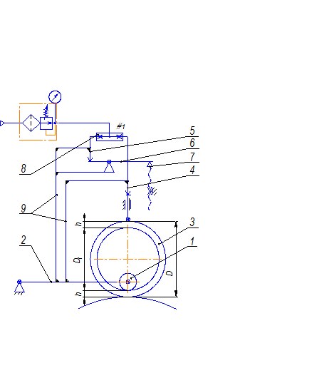
Прежде чем начинать проектирование необходимо разработать принципиальную схему системы активного контроля установки. Принципиальная схема системы автоматического активного контроля приведена на рисунке 14.

Рисунок 14 - Схема принципиальная

.5.2 Устройство и работа системы контроля

Устройство системы контроля внутреннего диаметра кольца

Система активного контроля для раскатки состоит из следующих основных узлов и элементов:

пневмоэлектроконтактный преобразователь поз. 8 - прибор, серийно выпускаемый промышленностью;

пневмоконтактные головки поз. 4 и поз. 5;

рычаг поз. 7;

кронштейны поз. 9.

Пневмоконтактные головки специально разработаны для раскатной машины - обеспечивают требуемую точность и необходимые характеристики. Пневмоконтактные головки поз. 4, поз. 5 с помощью кронштейнов поз. 9 установлены на бабке раскатника поз. 2. Выходные отверстия пневмоэлектроконтактного преобразователя поз.8 соединены пневматическими трубками пневмоконтактных головок поз. 4, поз. 5 по дифференциальной схеме, при этом перед началом процесса раскатки стрелка преобразователя должна находится в левой части шкалы.