Материал: Модернизация кольцераскатного автомата кузнечно-прессового цеха

Внимание! Если размещение файла нарушает Ваши авторские права, то обязательно сообщите нам

Для эксплуатации ремней уменьшаем межосевое расстояние на 2%, получаем:

(635´2)/100 = 12,68 » 13 мм

Межосевое расстояние выбирается из расчета длины ремня, увеличенном до 5,5%:


Конструкция натяжного устройства обеспечивает разные межосевые расстояния, в пределах: aw = 621 ¸ 692 мм.

Угол малого шкива находим по формуле:

a = 180° - 57,3°×(d2 - d1)/aw (14)

a = 180° - 57,3° × (355 - 180) / 634 = 165,177.

Долговечность передачи должна удовлетворять условию:

,с-1

- скорость, найденная по формуле:

, м/с, (15)

где hр - длина ремня по ГОСТ 1284.3-96, м;

[i] - число пробегов, для клиноременной передачи равно 10 … 20.

, м/с; 6,446 с-1

Расчетную мощность, для одного ремня, находят по зависимости:

Рр = (Ро´Сα´Сh´Сu)/Ср, кВт, (16)

где Рр - мощность, типовой передачи, кВт, Ро = 5,14 кВт;

Сu - коэффициент передаточного отношения, Сu = 1,12;

Сα - коэффициент угла, Сα = 0,98;

Сh - коэффициент длины ремня, Сh = 0,93;

Ср - коэффициент режима работы.

Тогда: Рр = 5,14´0,98´1,10´0,93/1,2 = 4,765 кВт.

Рассчитанное число ремней в передаче по ГОСТ 1284.3-96:

= , (17)

где Р1 - мощность на ведущем валу передачи, кВт;

Рр - расчетная мощность, передаваемая одним ремнем;

Сz - коэффициент числа ремней при Z = 0,96 (2 - 3 ремня).

Получаем:

=

Назначаем Z = 7.

Силу натяжения одного ремня, находим по формуле:

=, Н, (18)

где V -скорость, м/с;

Р1 - мощность, кВт;

θ - коэффициент, учитывающий центробежные силы на сечения.

θ = 0,10 ; = 322.530Н

Сила, действующая на валы:

≈ 2´Fo´Z´sin (α/2), (19)≈ 2´1153,189´7´sin (165,177/2) = 4477.698 Н.

.1.6 Ориентировочный расчет выходного вала

Необходимо определить параметры выходного вала кольцераскатного автомата - шпиндельного вала. На данном валу предусмотрен посадочный участок под установку оснастки - с одной стороны, подшипников качения и посадка под соединительную муфту.

На валу дожны быть несколько участков под посадку: шейка (d1) - для установки полумуфты соединительной муфты; шейка под установку подшипников качения (d2); посадочный диаметр под установку специальной оснастки для раскатки (d3). Расчет испытываем на кручение по заниженным допускаемым напряжениям.

Эскиз предварительной конструкции вала рисунок 4.

Расчет проводим из условия прочностных характеристик на кручение, согласно следующей формуле:

, мм, (20)

где  - момент на валу, Т = 4267,016 Н´м;

 МПа - допускаемые напряжения при кручении.

101,755 … 94,973 мм

Минимальный диаметр приводного вала служит для крепления соединительной муфты, поэтому выходной участок вала необходимо согласовать с концевым участком тихоходного вала редуктора.

Параметры тихоходного конического вала редуктора (1:10) (DxL) = 90х130.

Выходной конец приводного вала назначаем коническим d1 х l1 = 100 х 100 мм. Посадочный диаметр под подшипники d3 = 110 мм. Диаметр упора подшипников находим по формуле:

= d3 + 2×r, мм, (21)

где r - радиус скругления на внутреннем кольце подшипника.

Диаметр упорного буртика подшипников качения:

= 110 + 2×3,5 = 117 мм.

Принимаем окончательно d4 = 120 мм.

Посадочный диаметр технологической спец оснастки (бандаж) назначаем таким же как и для установки соединительной муфты - конусный (1:10), т.е d2 х l2 = 100 х 125 мм.

На валу устанавливаются две шпонки: одна под полумуфтой соединительной муфты вторая под ступицей оснастки.

Рисунок 4 - Эскиз предварительной конструкции вала

.1.7 Подбор подшипников и корпусов для них

Осевые усилия на приводном валу конвейера незначительные, основная нагрузка, воспринимаемая подшипниками - радиальная. Таким образом, назначаем подшипники шариковые радиальные однорядные с двумя уплотнениями. Такая конструкция подшипника значительно упрощает обслуживание и конструкцию подшипникового узла. Предварительно назначаем шариковые радиальные подшипники легкой серии.

Подшипник 80222 - ГОСТ 7242-81. Параметры подшипника [6]:

диаметр посадки подшипника на вал, d, мм  110;

радиус скругления R, мм  3,5;

максимально допустимая частота вращения, мин-1 3000;

диаметр посадки подшипника в корпус, D, мм  200;

высота подшипника Н, мм  38;

грузоподъемность статическая, кН  157,0;

грузоподъемность динамическая, кН  125,5.

Вал вращается на двух шариковых опорах, в качестве которых используются шариковые радиальные подшипники качения. Подшипники устанавливаются в расточки корпуса, который устанавливается в расточку литой чугунной станины автомата и крепится болтами к задней стенке. От осевого перемещения корпус закрепляется болтами. Так как приводной вал вращается на шариковых радиальных подшипниках с уплотнительными шайбами, то нет необходимости использовать стандартные крышки с уплотнениями. Такая конструкция значительно упрощает сборку и обслуживание.

.1.8 Эскизная компоновка приводного вала

Приводной вал кольце раскатного автомата вращается на паре шариковых радиальных подшипниках легкой серии. Наружные кольца подшипников установлены в оригинальный корпус, который крепится к станине автомата болтами.

Первая со стороны оснастки опора - фиксированная. Подшипник одним торцем упирается в разрезное кольцо, которое установлено в проточку корпуса шпинделя, а второй поджимается через втулку торцовой крышкой.

Вторая опора - плавающая. Внутренние кольца подшипников стянуты через втулку гайкой, она стопорится стопорной шайбой. Предусмотрен резьбовой участок на выходе вала.

.1.9 Проверка долговечности подшипников

Работоспособность подшипников качения заключается в динамической и статической грузоподъемности.

Ресурс подшипника находится по формуле [6]:

, млн/об, (22)

где С - грузоподъемность подшипника по каталогу;

Р - эквивалентная нагрузка;

р - показатель степени: для шарикоподшипников р = 3, для роликоподшипников р = 10/3.

Номинальная долговечность в часах определяется по формуле:

, млн/об, (23)

где n - частота вращения вала.

Для радиально-упорных однорядных шарикоподшипников неравносильная нагрузка находится по формулам:

При

Р = (X×V×Fr + Y×Fa)×Kб×Кт, (24)

При

Р = V×Fr×Kб×Кт , (25)

где V - коэффициент вращения, для внутреннего кольца V=1, а при вращении наружного V=1,2;- радиальная нагрузка; - осевая нагрузка;б - коэффициент безопасности;

Кт - температурный коэффициент.

В данном случае отсутствует осевое нагружение подшипников, нагрузка строго радиальная, поэтому эквивалентную нагрузку определяем по формуле:

Р = V×Fr×Kб×Кт (26)

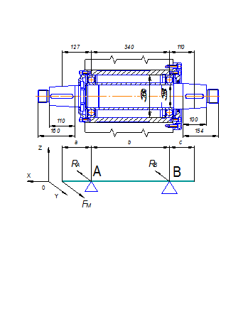
Создаем расчетную схему. Расчетная схема изображена на рисунке 5.

На схеме принято обозначать:

А, В - опоры приводного вала конвейера;, RВ, - реакции в опорах А и В;м - усилие от муфты, определяемое по формуле:

м = , Н, (27)м =  = 8171,037 Н.

а, b, c - длины участков: а = 0,127 м; b = 0,340 м; с = 0,110 м.

Определим реакции, возникающие в опорах Для этого необходимо составить уравнения статики:

S МА = 0 Н×м; S МА = -FМ×a - RВ×b = 0 Н×м, (28)

S МВ = 0 Н×м; S МВ = -FМ×(a+b)+RА×b = 0 Н×м, (29)

S F = 0 Н; S F = -FМ + RА + RВ = 0 Н. (30)

Рисунок 5 - Расчетная схема

Из уравнений выражаем неизвестные:

А = , RВ =  (31)

Находим неизвестные:

А = = 11224,156 Н,В =  = - 3052,123 Н

Проверка:

S F = -8151,034 + 11224,156 + (-3052,123) = 0 Н.

Уравнение верно.

Найдем нагрузку на подшипники в опоре А (RА = 11224,156 Н):

РэА = 1×11224,156 ×1,2×1 = 13467,791 Н.

Установим ресурс подшипников в А и В по формуле:

= (С/Рэ)р, млн/об (32)= (157000/13467,791)3 = 1484,169 млн/об

Долговечность подшипников в часах:

h= (33)h= 439982,03 ч

Подшипники пригодны, обеспечивают требуемый ресурс.

.1.10 Уточненный расчет вала

Стойкость вала зависит от действия габаритов и его конструкции в местах перехода между ступенями. В них создается скопление напряжений кручения и изгиба. Поэтому конструкция и величины вала должны быть оптимальны. Расчет на стойкость осуществляется после проектирования и окончательной компоновки рассчитываемого вала, расчета подшипников качения, выбора и расчета шпонок.

Определим изгибающие моменты, возникающие в опорах. Расчетная схема нагрузки вала и эпюра изгибающих моментов рисунок 7. Уравнение статики для горизонтальной плоскости:

S МА = 0 Н×м; S МА = -FМ×a - RВ×b = 0 Н×м;

S МВ = 0 Н×м; S МВ = -FМ×(a+b)+RА×b = 0 Н×м;

S F = 0 Н; S F = -FМ + RА + RВ = 0 Н;А = 11223,159 Н, RВ = -3052,123 Н; а = 0,127 м; b = 0,34 м; с = 0,11 м; М = 8171,037 Н.

Рассмотрим первый участок: 0 £ Х1 £ a; a = 0,127 м.

Уравнение моментов: Ми10 = - FМ ´ Х1

При Х1 = 0 м: Ми10 = -8171,037 ´ 0 = 0 Нм;

При Х1 = 0,127 м: Ми11 Y = -8171,037 ´ 0,127 = - 1037,72 Нм;

Рассмотрим второй участок: 0 £ Х2 £ b; b = 0,340 м.

Уравнение моментов: Ми2 = - FМ ´(a+Х2) + RA ´Х2;

При Х2 = 0 м;

Ми20 Y = -8171,037 ´(0,127+0) - 11223,159´0 = -1037,72 Нм

При Х2 = 0,340 м;

Ми21 Y = -8171,037 ´(0,127+0,34) - 11223,159´0,34 = 0 Нм.

Наиболее опасным сечением для данного вала является место в опоре А (сечение А-А) - переход посадочного диаметра подшипника на резьбовой участок d = 102 мм. Концентратор напряжения - проточка под резьбу d = 102 мм - галтель (r = 1 мм).

Общие сведения для расчета. Коэффициент запаса прочности определяется по формуле:

=, (34)

где Sσ - коэффициент запаса прочности по нормальным напряжениям;

Sτ - коэффициент запаса прочности по касательным напряжениям;

[S] - допускаемый коэффициент запаса прочности [S]=2,5.

Коэффициент запаса прочности находим исходя из формулы:

, (35)

где σ-1 - предел выносливости стали при симметричном цикле изгиба,

для углеродистых конструкционных сталей σ-1= 0,43´σ в;

σ в - предел прочности материала вала. σ в = 780 МПа;

Кσ - эффективный коэффициент концентрации нормальных напряжений;

Еσ - масштабный фактор;

β - коэффициент, учитывающий влияние шероховатости поверхности;

σv - амплитуда цикла нормальных напряжений, равная наибольшему напряжению привода σ u в рассматриваемом сечении.

Коэффициент запаса прочности по напряжениям кручения устанавливаем согласно формуле:

, (36)

где τ-1- предел выносливости стали при симметричном цикле кручения, τ-1= 0,58´σ-1 МПа

Рисунок 6 - Эпюры изгибающего и крутящего моментов

Определение коэффициента запаса прочности в сечении. Коэффициенты концентрации напряжений: Кσ = 1,8; Кt = 1,7; Еσ = 0,82; Еt = 0,70; β = 0,96; σm = 0Н; yσ = 0,2; yt = 0,1.

σ-1= 0,43´σ в = 0,43´780 = 335,4 МПа;

t-1= 0,58´σ в = 0,58´780 = 194,532 МПа;

 = 104183,852 мм3;

= 208367,704 мм3.

Амплитуда и среднее напряжение цикла касательных напряжений:

10,254 МПа

 9,96 МПа

Тогда:

; = ³ [S] = 1,5 … 2,5.

Прочность вала обеспечена.

2.1.11 Подбор муфты

В данном приводе применяется муфта упругая втулочно-пальцевая, очень легкая в эксплуатации. Назначаем муфту упругую втулочно-пальцевую типа: 4000-90-1У3 ГОСТ 21424-93. [11] Характеристика муфты:

номинальный крутящий момент, Н*м 4000,0;

радиальное, мм 0,6;

сдвиг валов, не более

угловое 0°30';

масса, кг, не более 70,64.

.2 Модернизация гидропривода загрузочного устройства

.2.1 Разработка принципиальной схемы гидропривода

Разрабатывал гидропривод автоматического устройства для загрузки-выгрузки колец подшипников на кольце раскатной автомат, со следующими техническими характеристиками, которые приняты по базовой установке:

Способ регулирования скорости - дроссельный на выходе;

Осевое усилие на исполнительном гидроцилиндре, Н 3500;

Тип гидродвигателя - поступательного движения;

Максимальное перемещение валка, мм 50;

Наибольшая линейная скорость, м/мин 5;

Монтаж аппаратуры блока управления модульный.

Гидропривод обеспечивает поступательное передвижение главных элементов устройства питателя и кантователя. Рабочим органом устройства является три гидравлических цилиндра, которые выполняют передвижение своего исполнительного механизма, два цилиндра - привод собачек отсекателя, а один - для перемещения кулисы, в которой расположен захват для транспортирования колец из лотка закрузки в рабочую зону автомата, и обработанного кольца - в лоток выгрузки.

Принципиальная схема гидропривода изображена на рисунке 7.

.2.2 Описание работы гидропривода

Описание работы гидрооборудования.

Цикл “ОСТАНОВ”

Н - Ф -КП - Б

Отсутствие напряжения на магнитах Э1 и Э2. В среднем положении находится золотник распределителя (РР), перекрыты каналы. Через переливной клапан (КП) рабочая жидкость сливается в бак.

.2.3 Расчет и выбор исполнительного гидроцилиндра

Назначим основной гидроцилиндр ГЦ.


, м, (37)