Материал: Модернизация кольцераскатного автомата кузнечно-прессового цеха

Внимание! Если размещение файла нарушает Ваши авторские права, то обязательно сообщите нам

Модернизация кольцераскатного автомата кузнечно-прессового цеха

Введение

Важнейшим достижением научно-технического прогресса является комплексная автоматизация промышленного производства. В своей высшей форме - гибком автоматизированном производстве (ГАП) - автоматизация предполагает функционирование многочисленных взаимосвязанных технических средств на основе программного управления и групповой организации производства.

В связи с созданием и использованием гибких производственных комплексов механической обработки резанием особое значение приобретают станки с числовым программным управлением (ЧПУ), выпуск которых в нашей стране постоянно возрастает.

В результате замены универсального неавтоматизированного оборудования станками ЧПУ трудоемкость изготовления деталей оказалось возможным сократить в несколько раз.

Обработка резанием является основным технологическим приемом изготовления точных деталей машин и механизмов. Трудоемкость механосборочного производства в большинстве отраслей машиностроения значительно превышает трудоемкость литейных, ковочных и штамповочных процессов вместе взятых. Обработка резанием имеет достаточно высокую производительность и отличается исключительной точностью.

Технический прогресс выражается в росте мощности и технических возможностей оборудования.

Эффективность производства возможно повысить путем улучшения организации производства, с помощью расстановки оборудования по потоку движения предметов труда в производственном процессе.

1. Состояние вопроса и задачи проектирования

.1 Анализ состояния вопроса

Современный уровень технологического процесса изготовления колец подшипников требует получения более качественной, точной заготовки при минимальной себестоимости.

Наиболее прогрессивным методом получения заготовки является получение заготовки холодной раскаткой. Получение цилиндрической заготовки, так называемого бублика, уже отработано внедрено для практически всех типов подшипников и широко используется на предприятии.

Основная цель внедрения современных методов производства - снижение себестоимости, повышение качества и снижение при этом трудоемкости.

Анализ транспортной задачи показывает, что первым шагом к уменьшению трудоемкости и необходимо провести модернизацию действующего оборудования под требования получения точной полнопрофильной заготовки. Однако при получении бублика припуск на дальнейшую обработку значителен и после получения цилиндрической заготовки необходимо заготовку транспортировать в другое производство - токарное, где производится съем максимального припуска и заготовка принимает форму максимально приближенную к окончательному профилю кольца.

Наиболее перспективными является получение заготовки как можно ближе к готовой детали - с минимальными припусками. Таким образом, речь идет о получении полнопрофильной заготовки, т.е. форма заготовки максимально напоминала окончательную форму готового кольца. Первоначально речь шла о получении на операции "раскатка" дорожки качения, а в дальнейшем и канавки.

Основная проблема возникла в контроле основных параметров заготовки при непосредственном процессе раскатки.

.2 Цель и задачи разработки

Первоочередной задачей конструкторской части является модернизация кольцераскатного автомата. Модернизировать необходимо следующие узы и механизмы: привод главного движения; гидропривода загрузочного устройства; узел раскатки; разработка раскатника; разработку системы активного контроля.

Привод главного движения. Необходимо увеличить мощность привода главного движения, провести расчеты по результатам которых назначить электродвигатель, стандартный редуктор. Провести проверочные расчеты на прочность.

Гидропривод загрузочного устройства. Цель - является разработка гидропривода автоматического устройства для загрузки-выгрузки колец подшипников на кольце раскатной автомат. в разработанном приводе должна применяться стандартная гидроаппаратура. При создании работы использовались документы из области физики, основ конструирования машин, высшей математики, технического черчения, и математического моделирования.

Узел раскатки. Необходимо разработать компоновку расположения основных узлов, входящих в узел раскатки.

Разработка системы активного контроля. Разработка активной системы управления процессом раскатки, т.е. получение более точной заготовки. При разработке активной системы увеличивается процент точности параметров заготовки, при этом возможно добиться снижение припусков на дальнейшую обработку и получение стабильно качественной поверхности заготовки. Это все влияет на технологичность получения качественной заготовки.

Задачи при разработке активной системы вытекают следующие. Уточнить каков объем проектных работ - для этого необходимо изучить работу раскатного автомата, технологию раскатки, основные недостатки, отклонения формы и неточности полученных заготовок, влияние параметров исходной заготовки на качество раскатанной. Разработать основные узлы и скомпоновать их на раскатной машине.

Произвести необходимую доработку бабки машины (обработаны дополнительные отверстия). Смонтировано вновь изготовленные узлы и детали.

Следующей немаловажной частью проекта является разработка специального режущего инструмента - сверла для обработки отверстия вала.

Далее необходимо разработать технологический процесс лезвийной обработки изготовления вала с оформлением комплекта технологической документации.

2. Конструкторская часть

.1 Модернизация привода вращения бандажа

.1.1 Исходные данные

Исходные данные для расчета - технические характеристики и базовые чертежи исполнительной машины:

Частота вращения вала исполнительной машины, мин-1 70;

Мощность на шпиндельном валу, кВт 35.

.1.2 Разработка кинематической схемы

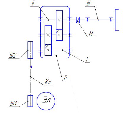
Привод автомата состоит из электродвигателя, клиноременной передачи, и муфты соединительной. Применяется двигатель асинхронный с постоянной частотой вращения вала. Так же применяем втулочно-пальцевую муфту.

На валу электродвигателя крепится ведущий шкив (Ш1) клиноременной передачи. На ведущий (быстроходный) вал редуктора (I) устанавливается ведомый шкив (Ш2) клиноременной передачи. Крутящий момент от электродвигателя передается на быстроходный вал редуктора посредством клиноременной передачи, с которого передается на тихоходный вал (II). Тихоходный вал редуктора и шпиндельный вал (III) соединяются муфтой (М). Приводной вал (III) вращается на паре конических подшипников. На кинематической схеме рисунок 1, обозначается: Эл - электродвигатель; М - соединительная муфта; Кл - клиноременная передача; Ш1 - ведущий шкив ременной передачи; Ш2 - ведомый шкив ременной передачи; Р - редуктор; I - ведущий (быстроходный) вал редуктора; II - выходной (тихоходный) вал редуктора; III - приводной вал.

Рисунок 1 - Кинематическая схема привода

.1.3 Энерго - кинематический расчет привода

Общий к.п.д. привода определяется по формуле:

ηо = ηрем ´ η4пк ´ η2цил ´ ηм., (1)

где ηо - общий к.п.д.;

hпк = 0,99 ¸ 0,995 - к.п.д. пары подшипников качения, (назначаем hпк = 0,995);

ηрем = 0,94 ¸ 0,96 к.п.д. ременной передачи, (назначаем ηрем = 0,96);

ηм = 0,98 ¸ 0,99 - к.п.д. муфты соединительной муфты (назначаем ηм = 0,99);

hцил = 0,96 ¸ 0,98 - к.п.д. зубчатой цилиндрической закрытой передачи, (назначаем hцил = 0,98).

Тогда, к.п.д. привода:

ηо = 0,96´0,9954´0,99´0,982 = 0,899.

После определения к.п.д привода и требуемую мощность на приводном валу находим требуемую мощность электродвигателя:

, кВт, (2)

где  - требуемая мощность электродвигателя, кВт;

- требуемая мощность на приводном валу, которая согласно техническому заданию определена  кВт.

37,432 кВт (3)

По справочным таблицам находим электродвигатель с мощностьюэлст = 37 кВт.

Двигатель асинхронный АИР 200 М2 У2 380 В,50 Гц, IM1081 ТУ16-526.621

Двигатель асинхронный АИР 200 М4 У2 380 В,50 Гц,IM1081 ТУ16-526.621-85

Передаточное отношение привода автомата будет включать а себя следующее:

, (4)

где Uпр - передаточное отношение привода;рем - передаточное число клиноременной передачи;цил - передаточное число цилиндрического редуктора.

Корректное передаточное число передачи находится в диапазоне Uрем рек = 2 ÷ 4.

По технической характеристике на двухступенчатые цилиндрические редуктора Ц2У-100 - Ц2У250 допустимые номинальные передаточные числа: 8; 12,5; 16; 20; 25; 31,5; 40. Выбираем электродвигатель марки АИР 200 M2 У2 ТУ16-526.621-85 с частотой вращения вала n = 3000 об/мин нельзя применять в качестве привода.

Передаточное отношение цилиндрического редуктора находим по формуле:

  (5)

При эксплуатации привода с двигателем АИР 200 М4 У2 получаем:

 

Окончательно назначаем:

Электродвигатель АИР 200 М4 У2 380 В,50 Гц, IM1081 ТУ16-526.621-85 с частотой вращения вала nЭл = 1470 об/мин;

Редуктор с передаточным числом Uцил = 10.

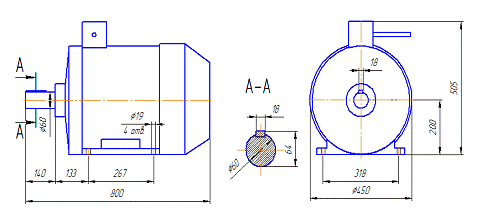
Эскиз с основными присоединительными и габаритными размерами электродвигателя рисунок 2.

Уточняем передаточное число ременной передачи:

.

Рисунок 2 - Присоединительные и габаритные размеры электродвигателя

Определяем частоты вращения валов:Эл = 1470 мин-1 - частота вращения вала электродвигателя;- частота вращения быстроходного вала редуктора; = nЭл/Uрем = 1470/2 = 735 мин-1- частота вращения выходного вала редуктора;= nI/Uцил = 735 / 10,5 = 70 мин-1= nII - частота вращения приводного вала.

Циклические частоты вращения определяем по формуле:

 (6)

где wЭл - циклическая частота вращения вала электродвигателя, сек -1.

 сек -1.

Дальнейший расчет сводим в таблицу 1.

С учетом механических потерь максимальная мощность на валах принимается по мощности электродвигателя. Исходя из этого, максимальное значение мощности на каждом валу, определяем по формуле [5]:

, кВт, (7)

где N1 - мощность на валу, кВт;

N(1-1) - мощность на предыдущем валу, кВт;

hi - кпд механической пары.

Определяем мощность на каждом валу привода.

Вал электродвигателя

эл = 35 кВт.

вал

= Nэл × ηрем ´ ηпк = 35´0,96´0,995 = 33,432 кВт.

вал (тихоходный вал редуктора)

= NI ´ ηпк2 ´ hцил2 = 33,432 ´0,9952 ´ 0,982 = 31,787 кВт.

вал (приводной вал )

= NII ´ ηпк ´ hм = 31,787 ´0,995 ´ 0,99 = 31,311 кВт.

По мощности находим максимальные крутящие моменты по формуле:

 , Нм (8)

Находим на валу электродвигателя крутящий момент

Н´м.

Результаты энергокинематического расчета сводим в таблицу 1

Таблица 1 - Параметры привода

Вал

Максимальная мощность, кВт

Частота вращения, об/мин

Частота вращения, рад/сек

Максимальный крутящий момент, Н*м

Вал эл.

35

1470

153,86

227,479

I вал

33,432

735

76,93

454,959

II вал

31,787

70,01

7,326

4777,504

III вал

31,311

70,01

7,326

4777,504


.1.4 Выбор стандартного редуктора

Окончательно назначаем стандартный цилиндрический двухступенчатый редуктор Ц2У-250-10-21У1.

Редукторы зубчатые цилиндрические двуступенчатые узкие горизонтальные общемашиностроительного назначения предназначены чтобы уменьшить частоту вращения либо увеличить крутящий момент.

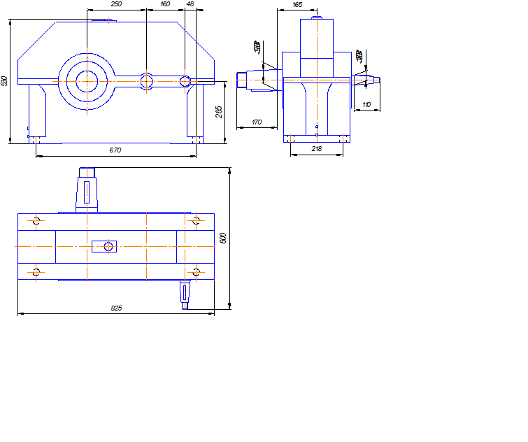
Размеры редуктора приведены на рисунке 3.

Редуктор назначаем типа Ц2У-250-10-21У1 ТУ2-056-243-86. Техническая характеристика редуктора:

Крутящий момент на выходном валу, Нм 5000;

Передаточное число  10;

КПД редуктора, не менее, % 97;

Масса, кг   310;

Параметры тихоходного вала (1:10) (DxL)  90х170.

2.1.5 Расчет и проектирование клиноременной передачи

Сечение ремня и диаметр малого шкива, назначается в зависимости от передающего момента, выбираем сечение ремня “Б” по ГОСТ 1284.3-96 [6].

Характеристика клинового ремня сечения Б:р = 14 мм -ширина ремня;= 17 мм - ширина большего основания ремня;= 0,18 кг/м - масса 1-го погонного метра ремня;= 10,50 мм - высота ремня;

А = 138 мм2 - площадь поперечного сечения ремня;р = 800 ÷ 6300 мм - длина ремня;р = 125 мм - минимальный диаметр малого шкива.

Рисунок 3 - Габаритные и присоединительные размеры редуктора

Исходя из расчета, выбираем диаметр малого шкива:

≈ (3 ¸ 4) × , мм, (9)

где Тi - вращающий момент на валу ведущего шкива, Н×м.

Т1 = 197,672×103 Н×м.= (3¸4) ×мм.

Выбираем шкив диаметром d1 = 180 мм.

Определение диаметра ведомого шкива.

Значение диаметра большего шкива находим по формуле:

= d1×U× (1-Еγ), мм, (10)

где Еγ - коэффициент скольжения ремня Еγ = 0,01…0,02;

U - передаточное число клиноременной передачи.

= 180 × 1,933 × (1-0,01) = 344,461 мм.

Назначаем d2 = 355 мм (по ряду стандартных размеров диаметров шкивов). Исходя из этого передаточное число клиноременной передачи будет равно:

ф =; Uф = 1,992

Чтобы предварительно определить межосевое расстояние применяем зависимости:= 0,55´(d1+d2)+h, мм; awmax = 2´(d1+d2), мм (11)= 0,55´(180+355)+8 = 304,755 мм;= 2´(180+355) = 1070 мм;

Межосевое расстояние располагается в передлах aw= 305 ¸ 1070 мм. Выбираем межосевое расстояние клиноременной передачи aw = 600 мм.

Расчетная длина ремня определяется по формуле:

= 2 ´ ap+, (12)= 2 ´ 600 + 2053,136 мм.

По ГОСТ 1284.3-96 межосевое расстояние будет равно:

= (13)

= 0,5´p´(d1 + d2); у = (d2 - d1)2

= 0,5´ p ´ (180 + 355) = 840,376; у = (355 - 180)2 = 30625= = 633,772. Назначаем aw = 635 мм.