Материал: Моделирование работы гидропривода

Внимание! Если размещение файла нарушает Ваши авторские права, то обязательно сообщите нам

 при х > 0;

 при х < 0,

Учитывая сделанные нами допущения, при равных абсолютных значениях х G1 = G2 = G3 = G4 = G(x), а Q1 = Q2 = Q3 = Q4 = Q(x) систему уравнений расхода после небольших преобразований можно записать в таком виде:

 при х > 0

 при х < 0

где pпит=pн-pсл - давление питания;

pд=p1-p2 - давление нагрузки;

Qд - расход золотника при нагрузке pд.

,

где sign(x) - функция Кронекера, т.е. sign(x) = 1 при x > 0,

sign(x) = -1 при x < 0.

Таким образом получаем, что скорость перемещения золотника прямо пропорциональна углу поворота струйного гидрораспределителя на ЭМП. В тоже время перемещение золотника прямо пропорционально расходу жидкости в гидроцилиндры. Таким образом получаем следующую структурную схему золотника:


В реальной конструкции перемещение золотника ограничено упорами, поэтому в структурную схему добавляется ограничитель (нелинейное звено).


Значения параметров такой модели: К = 2 м/(рад*с); Т = 0.01 с. Перемещение золотника ограничено и данное ограничение равно 1е-3 м.

4.5 Гидроцилиндры с наклонной пластиной

Гидроцилиндры здесь применяют в качестве исполнительных гидродвигателей возвратно-поступательного действия для изменения угла поворота наклонного диска в гидронасосе. Схема представлена на рисунке:

Для составления уравнений гидроцилиндров представим их в виде:


Из приведённого выше рисунка видно, что

Откуда  

где l - длина наклонной пластины.

С другой стороны расход жидкости гидроцилиндра прямо пропорционален линейной скорости движения поршня:


где υ - линейная скорость поршня;

Aп - рабочая площадь поршня.

Площадь поршня можно представить в следующем виде:


где Dп - площадь поршня.

Скорость движения поршня есть не что иное как производная от координаты положения поршня, т.е.:


Или если записать через оператор дифференцирования:

Откуда:

Подставляя полученное выражение в формулу полученную для угла поворота наклонной пластины получим:


Структурная схема представлена следующим образом:


Но данная модель не будет работать на практике, если не учесть ограничение, которое вызвано тем, что наклонная пластина не может поворачиваться на большие углы. Таким образом структурная схема примет вид:


Коэффициент при интеграторе можно обозначить как К_х. Тогда значения параметров данного участка структурной схемы следующие: К_х = 5000 рад/(м*с). Ограничение имеет следующее значение: наклонная пластина может поворачиваться на ± 30 градусов или на 30*3.14/180 радиан.

4.6 Гидросистема (гидронасос, трубопровод, гидромотор).


Основная часть системы выглядит следующим образом:


Для начала запишем уравнения для расхода жидкости из гидронасоса. Расход жидкости складывается из следующих составляющих: расход жидкости в гидромотор, утечки происходящие как в гидронасосе, так и в гидромоторе, а также на сжатие масла (при давлении, приблизительно в 320 атмосфер масло несжимаемым считать уже нельзя). К тому же в системе встроен предохранительный клапан который срабатывает при достижении в трубопроводе критического давления.

Расход масла в гидромотор описывается следующим уравнением:


где Wд - угловая скорость вращения гидромотора;

ω - удельный приход масла в поршень при повороте на один радиан.

Потери в трубопроводе и местах соединения его с гидромотором и гидронасосом считаем величиной пропорциональной величине давления, т.е. потери определяются выражением:


где L - некоторый коэффициент называемый коэффициентом потерь.

Третья составляющая расхода масла определяется сжатием масла в трубопроводе:


где V - объём трубопровода;

Е - адиабатический (адиабатичский) модуль объёмной упругости жидкости в условиях постоянной энтропии, т.е. в условиях повышения давления и увеличения температуры в результате сжатия жидкости.

Таким образом данные потери пропорциональны объёму трубопровода, скорости изменения давления и обратно пропорциональны модулю объёмной упругости. Суммарный расход масла представим в виде:


С другой стороны данный суммарный расход равен:


где Wн - скорость вращения гидронасоса;

ω - удельный приход масла в поршень при повороте на один радиан, причём его значение точно такое же, что и для гидромотора;

γ - угол наклона пластины, в которую упираются штоки поршней из барабана;

γmax - максимальный угол наклона этой пластины.

Приравнивая правые части обоих уравнений получим:


Выразим из этого выражения производную давления по времени:


Теперь определим выражение связывающее скорость вращения гидронасоса в зависимости от давления в трубопроводе. Производная от скорости вращения поршневого цилиндра равна отношению момента двигателя к моменту инерции нагрузки.

В свою очередь:

Подставляя это выражение в верхнюю формулу окончательно имеем:


Построим структурную схему на основании полученных зависимостей:


Нелинейный элемент присутствующий в системе появился в следствии наличия на трубопроводе предохранительного клапана, который ограничивает давление в магистрали. В системе присутствует трение, поэтому в структурной схеме присутствует обратная связь учитывающая трение в системе.

Приведём параметры данной структурной схемы: Wн = 50*3,14 рад/с; gмах = 30*3.14/180 рад; w = 140/(2*3.14)*1е-6 м3/рад; Е = 1.4е9 Н/м2; V = 1е-3 м3; L = 1е-11 м5/(Н*с); Jд = 0.0175 Н*м*с2; К_тр = 0.0024 Н*м*с. Предохранительный клапан открывается когда давление достигает значения 32е6 Па.

4.7 Редуктор


Посредством редуктора осуществляется механическая связь гидромотора с объектом управления. Так как нагрузки на объект управления очень большие (объектом управления является башня танка), а также из-за того что наведение на цель должно быть максимально быстрым, т.е. большие угловые ускорения, то зубья редуктора подвергаются деформации, пренебречь которой нельзя. Значит описать редуктор, учитывая только лишь передаточное число редуктора нельзя. Момент развиваемый поршневым цилиндрам определяется следующей зависимостью:


где ω - удельный приход масла в поршень при повороте на один радиан поршневого цилиндра;

р - давление в трубопроволе.

Угловая скорость вращения барабана определяется моментом, развиваемым поршневым цилиндром с учётом эффекта подпружинивания, и моментом нагрузки. Запишем это в виде формулы:


Для определения угла поворота цилиндра достаточно проинтегрировать угловую скорость вращения. Т.е.:


Так как зубья деформируются то редуктор поворачивается на некоторый другой угол, отличный от φц, т.е.:


Данная разница углов умноженная на С12·p даёт нам реальный момент развиваемый поршневым цилиндром. Запишем данное утверждение в виде формулы:


Если полученный момент умножить на передаточное число редуктора, то получим не что иное как момент передаваемый на нагрузку. Зная этот момент нам не составит особого труда определить угловую скорость вращения башни танка. В виде формулы это запишется так:


Для получения угла поворота достаточно проинтегрировать полученную угловую скорость:


Приступаем к построению структурной схемы:


Но в реальной системе всегда присутствует трение которым пренебречь нельзя, поэтому с учётом трения структурная схема принимает следующий вид:


Также в системе присутствует люфт, а следовательно в структурной схеме присутствует нелинейный элемент, который стоит после разности углов.

Численные данные параметров присутствующих в системе следующие: С1 = 4.5е7 Н*м/рад; С2 = 4.5е3; J_b = 16500 Н*м*с2. Величина люфта зубьев на редукторе равна 0.0003 радиан. Трение в системе описывается нелинейным звеном, а именно реле с величиной 300 Н*м.

Таким образом мы получили для каждого элемента свои передаточные функции. Можем приступить к составлению структурной схемы всей системы. (она представлена в приложении).

.8 Структурная схема всей системы


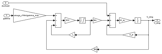
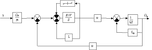
Для составления структурной схемы системы достаточно собрать все структурные схемы отдельных звеньев и соединить их. Для удобства и наглядности системы соберём некоторые звенья в одно. А именно вращающийся трансформатор, усилитель, электромеханический преобразователь, золотник, гидроцилиндры с наклонной пластиной в одно звено; гидросистему в другое, а редуктор в третье. После проделанной операции получаем следующую структурную схему:


Блок управления (“Control”) в раскрытом виде представляет собой следующую структурную схему:


Блок гидропривода (“Gidrosystem”) выглядит следующим образом:


Блок редуктора (“Reduktor”) в раскрытом виде выглядит следующим образом:

Таким образом, получена структурная схема всей системы.

5. Синтез закона управления высокой точности

.1 Выбор фазовых координат и получение полного фазового годограф системы

Для решения задачи синтеза релейного управления в следящих приводах высокой точности метод фазового годографа является, видимо, наиболее эффективным. Наиболее сложной и трудоемкой частью этого метода является вычисление самого фазового годографа.

Введем понятие фазового годографа релейной системы. Обозначим через х = (х1, х2, …, хn) вектор состояния системы. В автономной релейной системе (y(t) ≡ 0) периодическое движение однозначно задается одной точкой предельного цикла. Ограничимся рассмотрением простых симметричных периодических движений. Будем задавать периодическое движение точкой х* = (х1*, х2*, …, хn*), соответствующей переключению релейного элемента с минуса на плюс. Рассмотрим множество всех возможных периодических движений объекта управления. Это множество, очевидно, представляет собой множество периодических колебаний разомкнутого объекта при u = A sign sin ω t, где частота ω изменяется от 0 до ∞. Каждому периоду  соответствует единственное периодическое решение уравнений объекта управления, т.е. каждому периоду 2Т в фазовом пространстве системы соответствует единственная точка х*(Т). Множество возможных периодических движений объекта задается некоторой линией х*(Т) (в функции полупериода Т). Назовем эту линию фазовым годографом релейной системы. Отдельные компоненты фазового годографа хi*(Т), i = 1, 2, … n, назовем R-характеристиками.

Если построен фазовый годограф, то периодическое движение, возникающее в замкнутой релейной системе, определяется точкой пересечения фазового годографа с поверхностью переключений. В частности, в данном случае симметричное периодическое движение определяется из условия

                                             

где  R-характеристика выходного сигнала.

Для построения полного фазового годографа, прежде всего необходимо выбрать фазовые координаты для которых он будет строиться. Видимо нет смысла останавличаться на тех, координатах, которые невозможно померить в реальных условиях (например момент развиваемый ЭМП гидроусилителя). Кроме самой регулируемой величины, из доступных измерению были выбраны еще 6 координат. Все они перечислены на рис.


Т.к. исследуемая система является существенно нелинейной, то построить фазовый годограф можно только численно, с помощью пакета MATLAB. Для этих целей автором было разработано несколько программ, текст которых помещен в приложении 3. На рис представлена блок схема алгоритма m-функции, определющий одну точку фазового годографа. Для получения фащового годографа также необходимо заменить в структурной схеме системы все звенья на их реализации на интегрирующих звеньях.