Материал: Моделирование работы гидропривода

Внимание! Если размещение файла нарушает Ваши авторские права, то обязательно сообщите нам

В гидромашинах с наклонным диском блок цилиндров с поршнями вращается вместе с валом. Поршни опираются па наклонный диск и благодаря этому совершают возвратно-поступательное движение. При изменении угла наклона диска (люльки) в ту или другую сторону нейтрального положения изменяются направление и величина подачи насоса при неизменной частоте вращения приводного вала. Если угол наклона блока является постоянным и зафиксирован в этом положении, насос становится нерегулируемым. Насосы обратимы, т. е. при необходимости насос может работать как гидромотор.

Аксиально-поршневой регулируемый насос с наклонным диском.

Регулирование производительности в рассматриваемых насосах переменной производительности осуществляется за счет поворота упорного диска на угол нужный угол.

Аксиальные роторно-поршневые насосы и гидромоторы выпускаются на давление до 32 МПа. Их КПД достигает - 97%.

.8 Мотор

Гидромотор - это объемный гидродвигатель вращательного движения.

Благодаря свойству обратимости роторных насосов, любой из них в принципе может быть использован в качестве гидромотора, поэтому гидромоторы классифицируют так же, как и роторные насосы, т. е. разделяют на шестеренные, винтовые, поршневые (радиальные и аксиальные) и т.д. Наибольшее распространение в гидроприводах получили поршневые гидромоторы.

В конструкции гидромоторов однако можно заметить некоторые отличия от соответствующих роторных насосов, обусловленные различным функциональным назначением этих гидромашин. В аксиально-поршневых гидромоторах устанавливается угол наклона блока цилиндров (до 40˚) больший, чем у таких же насосов (до 30°).

Так же как и роторный насос, гидромотор характеризуется, прежде всего, рабочим объемом, т. е. идеальным расходом жидкости через гидромотор за один оборот ротора.



Гидромотор такого типа в основном состоит из следующих деталей: ротора с поршнями, барабана с толкателями, вала, корпуса переднего, в расточке которого под углом в 22°30/ размещен упорно-радиальный подшипник, корпуса среднего и опорно-распределительного диска с отверстиями, предназначенными для подвода и отвода жидкости. В барабане расположены пружины, прижимающие ротор к распределительному диску, в котором имеются полукольцевые пазы с окнами, разделенные двумя перегородками. По одному пазу жидкость подводится к ротору от насоса, а от другого - отводится в бак.

Гидромотор работает следующим образом. Жидкость, поступающая через соответствующий полукольцевой паз от насоса к окнам, выполненным на торце ротора, воздействует на поршни, расположенные в створе с этим пазом, благодаря чему поршни вместе с толкателями выдвигаются к подшипнику. Возникающие при этом тангенциальные силы проворачивают толкатели вместе с барабаном и валом, соединенным с барабаном шпонкой, а также ротор, который увлекается барабаном при помощи поводка.

Такой гидромотор относится к нерегулируемым машинам, так как удельный расход жидкости в нем постоянен. Частота вращения вала определяется расходом жидкости, причем допускается как дроссельный, так и объемный способ регулирования скорости. При изменении направления жидкости происходит реверсирование.

Детали гидромотора, находящиеся в корпусе, работают в благоприятных условиях из-за обильной смазки всех трущихся поверхностей.

Сквозной вал позволяет присоединить к гидромотору такие вспомогательные устройства, как насос или датчик скорости.

Гидромоторы такого типа предназначены для приводов вращательного движения в гидросистемах с бесступенчатым регулированием частоты вращения, в системах, где требуется реверсирование, частые включения, автоматическое и дистанционное управление.

3.9 Механический редуктор

Обычно редуктор состоит из ряда последовательно соединенных зубчатых и червячных передач и служит для уменьшения числа оборотов и увеличения крутящего момента. Для увеличения числа оборотов применяют мультипликаторы (по конструкции эти устройства аналогичны редукторам).

Элементы редуктора, обычно, монтируются в жестком корпусе, который необходим для обеспечения необходимой соосности между валами, точными межосевыми расстояниями, для защиты от попадания грязи и создания условий для эффективной смазки (редуктор рассматриваемой в данной работе системы корпуса не имеет).

Общее передаточное отношение редуктора зависит от числа ступеней и типа передачи и может доходить до 100 тыс. единиц.

Редукторы могут служить для передачи вращения между параллельными, пересекающимися и перекрещивающимися валами.

Для передачи вращения между параллельными валами служат редукторы с цилиндрическими зубчатыми передачами - так называемее цилиндрические редукторы.

В зависимости от типа применяемых зубчатых колес цилиндрические редукторы могут быть с прямозубыми (рис. 99, а), косозубыми (рис. 99, б) и шевронными (рис. 99, в) колесами. В ряде редукторов применябтся прямозубые и косозубые передачи с внутренним зацеплением (рис. 1, г) - редуктор, соответствующий тому, что установлен в рассматриваемом гидроприводе.


В тех случаях, когда необходимо передать вращение между пересекающимися валами, используются конические зубчатые передачи (конические редукторы). В таком типе редукторов применяются конические зубчатые передачи с прямым (рис. 2. а), косым (рис. 2, б) и криволинейнм (рис. 2, в) зубом, а также конические гипоидные (рис. 2, г) передачи.


Для передачи вращения между перекрещивающимися валами в редукторах применяются червячные редукторы.

Одним из основных преимуществ зубчатых редукторов перед другими передачами является то, что они могут применяться для передачи больших мощностей (до нескольких десятков МВт). Во многом благодаря этому, зубчатые редукторы получили преобладающее распространение во всех отраслях машиностроения.

К некоторым недостаткам зубчатых редукторов можно отнести большие габариты при значительных передаточных отношениях и шум при работе со значительными скоростями.

Редукторы, состоящие, только из одной передачи применяются редко. Большее распространение получили двух-, трех- и многоступенчатые редукторы.

Кроме того, далеко не все редукторы представляют собой отдельные монтажные узлы, существуют также и специальные типы встроенных редукторов, конструктивно составляющих единое целое с машиной (как в нашем случае).

4. Математическая модель системы


4.1 Вращающийся трансформатор


Как уже было сказано выше, вращающийся трансформатор предназначен для преобразования угла (или разности углов) в некоторый электрический сигнал. Будем считать, что углы вращения малы, вследствие чего трансформатор имеет линейные характеристики. Тогда передаточная функция вращающегося представляет собой некоторый коэффициент усиления. (Ктр) Таким образом получаем, что на выходе трансформатора будет напряжение пропорциональное разности двух углов.


Структурная схема имеет вид:


Коэффициент передачи трансформатора равен 2 В/рад.

4.2 Усилитель

На выходе вращающегося трансформатора сигнал очень незначителен и чтобы с ним можно было работать дальше его необходимо усилить. Эту функцию выполняет усилитель по напряжению. Принимаем, что усилитель имеет линейные характеристики, вследствие чего передаточная функция усилителя представляет собой некоторый коэффициент усиления. (Ку) Т.е. напряжение поданное с вращающегося трансформатора усиливается в КУ раз.


Тогда можем нарисовать структурную схему:


Коэффициент усиления усилителя равен 4.

4.3 Электромеханический преобразователь

На ЭМП подаётся электрический сигнал с усилителя. В зависимости от поданного сигнала электромеханический преобразователь поворачивает струйный гидрораспределитель на некоторый угол. Гидрораспределитель в свою очередь создаёт разницу давлений в рабочих полостях золотника, а следовательно золотник смещается от положения равновесия. В состоянии равновесия площадь выпускных отверстий (дросселей) золотника одинаковые. А когда золотник смещён от положения равновесия из рабочих полостей золотника масло под давлением поступает в гидроцилиндры.

При составлении передаточной функции ЭМП принимаем некоторые допущения. Полагая, что сухое трение, гистерезисная петля и электродвижущая сила, наведённая движением якоря, малы и ими можно пренебречь, запишем уравнение движения якоря в таком виде:


где m - масса якоря и подвижных частей гидроусилителя;

b - коэффициент вязкого демпфирования;

a - перемещение якоря;

KFI - коэффициент усиления тяговой характеристики, зависящей от величины поляризующей магнитодвижущей силы, числа витков обмотки управления и конструктивных параметров магнитной цепи;

I - ток управления;

СЭМП - коэффициент жёсткости статической характеристики, определяется по формуле:


где KhI - коэффициент пропорциональности, зависящий от параметров магнитной системы, числа витков обмотки управления и жёсткости упругого элемента якоря.

Произведя необходимые преобразования в уравнении представим передаточную функцию электромеханического преобразователя в виде колебательного звена:


где  - электромеханическая постоянная времени;

 - коэффициент относительного демпфирования;

KЭМП = KhI - коэффициент передачи.

Преобразуем передаточную функцию следующим образом:


Раскрыв скобки получаем:


С учетом индуктивности обмотки управления и электродвижущей силы, наведённой движением якоря, система уравнений движения электромеханического преобразователя в приращениях приобретает такой вид:

уравнение движения якоря


уравнение электрической цепи


где U - напряжение источника ЭДС;

R - сопротивление контура по которому протекает ток; R=RИ+ RУПР

RИ, RУПР - соответственно сопротивления источника ЭДС и сопротивление обмотки управления;

L - коэффициент самоиндукции (индуктивности) обмотки управления;

kПЭ - коэффициент противо-ЭДС, зависящей от параметров электромагнитной цепи.

Структурная схема электромеханического преобразователя на основании преобразованных уравнений, приведённых выше, имеет вид:


На самом деле золотник ограничен в перемещении упорами, поэтому в схему необходимо ввести звено ограничивающее перемещение золотника. Тогда структурная схема примет вид:


На рисунке введено обозначение TL=L/R. В частности, если R велико, а TL мало и им можно пренебречь, то предаточная функция электромеханического преобразователя на основании преобразований структурной схемы приобретает вид:

где

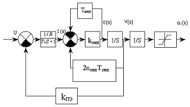
Во время проектирования на самом деле удобнее использовать модель, которая несколько отличается от описанной выше. А именно модель описанная через моменты. Структурная схема приведена на следующем рисунке:


В данной схеме противо ЭДС учитывается обратной связью по скорости с коэффициентом К_пе. Более правильно было бы учитывать противо ЭДС по координате, однако, в этом случае в обратной связи появляется дифференцирующее звено. Чтобы избавиться от него обратная связь идёт от скорости. В данном случае появляется новая проблема: в то время когда гидрораспределитель ложится на упоре и угол становится константой, скорость не равна нулю. Чтобы этого избежать, в обратную связь в модели встраиваем звено - “ключ”, которое в обратной связи обнуляет скорость в момент, когда гидрораспределитель ложится на упор, т.е. на интеграторе с ограничением достигается насыщение. Данная модель наиболее полно соответствует реальной модели нашей системы.

Коэффициенты данной модели имеют следующие параметры: K_i = 0.15 А/В; T_i = 0.005 c; K_s = 0.9/1.6e-3 рад/(Н*м*с); K1_s = 1/0.9 Н*м/рад; K_ne = 5.73e-3 В*с/рад. Значение ограничения на интеграторе равно 0.087 рад.

4.4 Золотниковый распределитель


Золотниковый гидрораспределитель представляет собой систему управляемых дросселей, объединённых, как правило, в одной конструкции и включённых по схеме гидравлического мостика. Золотниковый гидрораспределитель, который в дальнейшем будем называть просто золотник, применяется в качестве распределительно - управляющего устройства большой мощности. Принципиальная схема золотника приведена на рисунке:


При составлении передаточной функции золотника принимаем некоторые допущения:

1. Геометрические размеры симметричны относительно осей;

2.                                                               Гидравлические проводимости G1 и G2, а также G3 и G4, образованные прямоугольными окнами с острыми кромками, при равных значениях х одинаковы;

3.   Радиальный зазор, перекрытие, перетечки жидкости и сопротивление внутренних каналов настолько малы, что ими можно пренебречь;

4.                                                               Ограничение гидравлических проводимостей окон и расхода жидкости отсутствует.

Расход жидкости управляемого дросселя идеального золотника запишется так:

 или

где  - гидравлическая проводимость дросселирующего окна при смещении золотника на величину х.

Рассмотрим систему уравнений расхода во всех четырёх управляемых дросселях: