Материал: Моделирование и анализ электрических схем в среде Electronics Workbench

Внимание! Если размещение файла нарушает Ваши авторские права, то обязательно сообщите нам

Запуск генератора осуществляется по переднему или заднему фронту с помощью кнопок . Имеется внешний запуск (нажата кнопка External) по готовности данных (клемма Data ready). Сигнал с этого выхода сопровождает каждую выдаваемую на выход кодовую комбинацию и используется в том случае, когда исследуемое устройство обладает свойством квитирования (подтверждения). В этом случае после получения очередной кодовой комбинации и сопровождающего его сигнала Data ready исследуемое устройство должно выдать сигнал подтверждения получения данных, который подается на вход синхронизации генератора (клемма в блоке Trigger) и производит очередной запуск генератора.

К органам управления относится также кнопка Breakpoint - прерывание работы генератора в указанной ячейке. При этом требуемая ячейка выбирается на дисплее генератора курсором, а затем нажимается кнопка Breakpoint. После нажатия кнопки Pattern появляется меню, показанное на рис. 3.9, в котором обозначено:

Рис. 3.9. Окно предустановок генератора слова

 buffer - стереть содержимое всех ячеек (содержимое буфера экрана);

Open - загрузить кодовые комбинации (из файла с расширением .dp);

Save - записать все набранные на экране комбинации в файл;

Up counter - заполнить буфер экрана кодовыми комбинациями, начиная с 0 в нулевой ячейке и далее с прибавлением 1 в каждой последующей ячейке;

Down counter - заполнить буфер экрана кодовыми комбинациями, начиная с FFFF в нулевой ячейке и далее с уменьшением на 1 в каждой последующей ячейке;

Shift right − заполнить каждые четыре ячейки комбинациями 1-2-4-8 со смещением их в следующих четырех ячейках вправо (см. на рис. 3.8 нижние ячейки);

Shift left − то же самое, но со смещением влево.

3.6 Логический анализатор (Logic Analyzer)

Внешний вид логического анализатора показан на рис. 3.10. Анализатор предназначен для отображения на экране монитора 16-разрядных кодовых последовательностей одновременно в 16 точках схемы.

Он снабжен двумя визирными линейками (как в осциллографе в режиме Zoom), что позволяет получать точные отсчеты временных интервалов Tl, T2 и Т2-Т1, а также линейкой прокрутки по горизонтали, что позволяет анализировать процессы на большом временном интервале.

В блоке Clock имеются клеммы для подключения как обычного (Extend), так и избирательного (Qualifier) источника запускающих сигналов, параметры которых могут быть установлены с помощью меню на рис. 3.11, вызываемого кнопкой Set.

Запуск генератора можно производить по переднему (Positive) или заднему (Negative) фронту запускающего сигнала с использованием внешнего (External) или внутреннего (Internal) источника. В окне Clock qualifier можно установить значение логического сигнала (0, 1 или X), при котором производится запуск анализатора.

Рис. 3.10. Лицевая панель логического анализатора

Дополнительные условия запуска анализатора могут быть выбраны с помощью диалогового окна (рис. 3.12), которое вызывается кнопкой Set в блоке Trigger.

Рис. 3.11. Меню установки параметров запускающих сигналов

С помощью этого окна в каналах А, В и С можно задать нужные двоичные 16-разрядные комбинации сигналов и затем в строке Trigger combinations установить дополнительные условия отбора.

Перечислим некоторые из них:

A OR В запуск анализатора от канала А или В;

A THEN В запуск анализатора от канала А, если сигнал в канале В;

(А OR В) THEN С запуск анализатора от канала А или В, если сигнал в канал С равен 1.

Рис. 3.12. Окно установки дополнительных параметров запуска

В окне Trigger qualifier можно задать логические сигналы 1, 0 или X, при наличии которых производится запуск анализатора.

3.7 Логический преобразователь (Logic Converter)

Внешний вид логического преобразователя показан на рис. 3.13.

На лицевой панели преобразователя показаны клеммы-индикаторы входов А, В,..., Н и одного выхода OUT, экран для отображения таблицы истинности исследуемой схемы, экранстрока для отображения ее булева выражения (в нижней части). В правой части панели расположены кнопки

Рис. 3.13. Лицевая панель логического преобразователя

управления процессом преобразования (Conversions). Возможные варианты использования преобразователя:

1.   Логический анализ n-входового устройства с одним выходом (входы исследуемого устройства подключаются к клеммам А... Н, а выход - к клемме OUT). В этом случае, используя кнопки управления, получим:

1.1.  - таблицу истинности исследуемого устройства;

.2.  - булево выражение, реализуемое устройством;

.3.  - минимизированное булево выражение;

.4.  - схему устройства на логических элементах без ограничения их типа;

.5.  - схему устройства только на логических элементах И-НЕ.

1.6  - таблицу истинности по булеву выражению.

2.   Синтез логического устройства по таблице истинности.

2.1.   Щелчком мыши по входным клеммам А, В,..., Н, начиная с клеммы А, активизируем мышью требуемое число входов анализатора (на рис. 3.10 показаны активными входы А, В, С и D), в результате чего на экране анализатора получим начальную таблицу истинности, в которой будут представлены все возможные комбинации входных сигналов и соответствующие им значения логических сигналов (0 или 1) в столбце OUT.

2.2.   Отредактируем полученную таблицу в соответствии с заданием путем записи 1 или Х в столбце OUT в строках, которые по комбинациям входных сигналов соответствуют заданным. Пусть, например, в первой строке при комбинации входных сигналов 0000 (см. рис. 3.13) нужно на выходе получить не 0, а 1. Для этого ставим курсор мыши на первую строку в столбце OUT, производим щелчок и на клавиатуре вводим 1. Дальнейшие перемещения с целью редактирования остальных строк столбца OUT удобнее производить с помощью клавиш управления курсором. При этом данные в столбцах А, В, С и D редактирования не требуют, поскольку в этих столбцах уже имеются все возможные комбинации.

Далее выполняем команды из п. 1, начиная с подп. 1.2.

3.   Синтез логического устройства по булеву выражению.

3.1.   Булево выражение заносится в экран-строку после предварительной ее активизации. Используются символы А...Н, при инверсии − А'...Н'.

3.2.   Нажимая кнопку , получаем таблицу истинности. Далее выполняем команды п. 1, начиная с подп. 1.3.


.1 Занятие 1. Изучение основных возможностей программы electronics workbench

Задание 1. Исследование генератора Колпитца

Цель

1.  Изучение схемы и режимов работы генератора Колпитца.

2.       Анализ характеристик генератора при заданных параметрах.

Приборы и элементы 1. Модель генератора Колпитца.


2. Источник постоянной ЭДС.



3. Осциллограф.




Краткие теоретические сведения

Генератор, построенный по схеме Колпитца, называют также автогенератором с емкостной обратной связью. Колебательный контур такого генератора подразделяется на две части. В одну часть, обладающую емкостной реактивностью, входит конденсатор, в другую часть контура, обладающую индуктивной реактивностью, входят индуктивность и конденсатор, который используется в качестве элемента обратной связи генератора. Резонансная частота колебательного контура определяет частоту генерации.

Программа работы

1.  Загрузить схему генератора Колпитца.

2.  Рассчитать режим по постоянному току и зафиксировать результаты.

3.  Произвести многовариантный анализ генератора в режимах, указанных преподавателем.

4.  Произвести расчет частотных характеристик и зафиксировать результат в виде АЧХ, ФЧХ и в табличном виде.

5.       Произвести расчет переходного процесса. Результаты вывести в виде графика и зафиксировать.

.         Произвести спектральный анализ. Результаты зафиксировать.

.         Произвести статистический анализ при заданных параметрах. Результаты зафиксировать.

Задание 2. Исследование биполярного транзистора

Цель

1.   Исследование зависимости тока коллектора от тока базы и напряжения база-эмиттер.

2.   Анализ зависимости коэффициента усиления по постоянному току от тока коллектора.

3.   Исследование работы биполярного транзистора в режиме отсечки.

4.       Получение входных и выходных характеристик транзистора.

.         Определение коэффициента передачи по переменному току.

6.  Исследование динамического входного сопротивления транзистора.

Приборы и элементы

1.    Модель биполярного транзистора 2N3904.

2.       Источники ЭДС.

.         Амперметры.

.         Вольтметры.

.         Осциллограф.

Краткие теоретические сведения

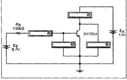
Схема для исследования характеристик транзистора показана на рис. 4.1. Статический коэффициент передачи тока определяется как отношение тока коллектора IК к току базы IБ: βDC = IК / IБ .

Коэффициент передачи тока βАC определяется отношением приращения ∆IK коллекторного тока к вызывающему его приращению ∆IБ базового тока: βАC = ∆IK / ∆IБ.

Рис. 4.1. Схема для исследования статических характеристик транзистора

Дифференциальное входное сопротивление rвх транзистора в схеме с общим эмиттером (ОЭ) определяется при фиксированном значении напряжения коллектор-эмиттер. Оно может быть найдено как отношение приращения напряжения база-эмиттер к вызванному им приращению ∆IБ тока базы:

rвх = ∆UБЭ /∆IБ = (UБЭ2 UБЭ1)/( IБ2 IБ1).

Дифференциальное входное сопротивление rвх транзистора в схеме с ОЭ через параметры транзистора определяется следующим выражением:

вх = rБ + βАC rЭ,

где rБ распределенное сопротивление базовой области полупроводника; rЭ дифференциальное сопротивление перехода база-эмиттер, в свою очередь определяемое из выражения rЭ = 25/ IЭ ( IЭ постоянный ток эмиттера в миллиамперах).

Из-за малости rБ им можно пренебречь, и тогда rвх = βАC rЭ. Сопротивление rЭ для биполярного транзистора сравнимо с дифференциальным входным сопротивлением транзистора в схеме с общей базой, которое определяется при фиксированном значении напряжения база-коллектор. Оно может быть найдено как отношение приращения ∆UБЭ к вызванному им приращению ∆IЭ тока эмиттера: rвх. об = ∆UБЭ /∆IЭ .

Через параметры транзистора это сопротивление определяется выражением: rвх. об = rБ / βАC+ rЭ, в котором первым слагаемым из-за малости rБ можно пренебречь и считать, что дифференциальное сопротивление перехода база-эмиттер rвх. об = rЭ .

Порядок проведения экспериментов

Эксперимент 1. Определение статического коэффициента передачи тока транзистора

А. Включить схему 4.1. Записать результаты измерения тока коллектора, тока базы и напряжения коллектор-эмиттер в раздел "Результаты экспериментов". По полученным данным подсчитать статический коэффициент передачи транзистора βDC . Результат записать в раздел "Результаты экспериментов".

Б. Изменить номинальное значение источника ЭДС ЕБ до величины 2.68

В. Включить схему. Записать результаты измерения тока коллектора, тока базы и напряжения коллектор-эмиттер в раздел "Результаты экспериментов". По полученным результатам подсчитать коэффициент βDC и записать его значение в раздел "Результаты экспериментов".

В. Изменить номинальное значение источника ЭДС ЕК до величины 5 В. Запустить схему. Записать результаты измерения тока коллектора, тока базы и напряжения коллектор-эмиттер в раздел "Результаты экспериментов". По полученным данным подсчитать статический коэффициент передачи транзистора βDC . Результат записать в раздел "Результаты экспериментов". Вернуть исходный номинал ЕК.

Эксперимент 2. Измерение обратного тока коллектора

В схеме (см. рис. 4.1) установить номинальное значение источника ЭДС ЕБ − 0 В. Включить схему. Записать результаты измерения тока коллектора для данных значений тока базы и напряжения коллектор-эмиттер в раздел "Результаты экспериментов".

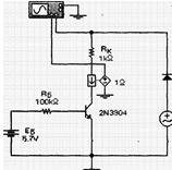
Эксперимент 3. Получение выходной характеристики транзистора в схеме с ОЭ

А. В схеме (см. рис. 4.1) провести измерения тока коллектора IK для каждого значения ЕК и ЕБ и заполнить табл. 4.1 в разделе "Результаты экспериментов". По данным таблицы построить график зависимости IK от ЕК .

Б. Собрать схему, изображенную на рис. 4.2.

Включить схему. Зарисовать, соблюдая масштаб, осциллограмму выходной характеристики в раздел "Результаты экспериментов".

Повторить измерения для каждого значения ЕБ из табл. 4.1. Осциллограммы выходных характеристик для разных токов базы зарисовать на одном графике в раздел "Результаты экспериментов".

В. По выходной характеристике найти коэффициент передачи тока βАC при изменении базового тока с 10 до 30 µА (ЕК = 10 В). Результат записать в раздел "Результаты экспериментов".

Результаты экспериментов

Рис. 4.2. Схема для исследования динамических характеристик транзистора сигналов

 

Эксперимент 1. Определение коэффициента передачи транзистора по постоянному току

А. Напряжение источника ЭДС ЕБ = 5,7 В

Ток базы транзистора IБ = _ Ток коллектора транзистора IК = _ Напряжение коллектор-эмиттер UКЭ = _ Статический коэффициент передачи βDC =   

Б. Напряжение источника ЭДС ЕБ = 2,68 В

Ток базы транзистора IБ = _ Ток коллектора транзистора IК = _ Напряжение коллектор-эмиттер UКЭ = _ Статический коэффициент передачи βDC =   

В. Напряжение источника ЭДС ЕК = 5 В

Ток базы транзистора IБ = _    Ток коллектора транзистора IК =     Напряжение коллектор-эмиттер UКЭ = _ Статический коэффициент передачи βDC =   

Эксперимент 2. Измерение обратного тока коллектора

Обратный ток коллектора IК0 =  _ Ток базы транзистора IБ = _   Напряжение коллектор-эмиттер UКЭ = _

Эксперимент 3. Получение выходной характеристики транзистора в схеме с ОЭ

Таблица 4.1


Осциллограммы входных характеристик транзистора для разных токов базы  

Расчет коэффициента передачи тока βАC по результатам измерений

Содержание отчета

1.  Краткое описание возможностей программы Electronics Workbench.

2.  Результаты расчета генератора Колпитца в режиме постоянного тока.

3.       Результаты расчета частотных характеристик.

4.       Результаты расчета переходного процесса, спектрального и статистического анализа при заданных параметрах.

.         Результаты экспериментов по исследованию биполярного транзистора.

6.       Выводы по работе.

Вопросы для самопроверки

1.  Каково назначение программы Electronics Workbench?

2.       Можно ли отнести Electronics Workbench к системам автоматизированного проектирования?

.         Каким образом можно составить библиотеку моделей компонентов, состоящую из отечественных комплектующих?

4.  Каким образом можно получить краткие сведения о модели конкретного компонента?

5.  Что такое спектральный анализ и какой командой его можно выполнить?

6.       В каком меню содержатся команды по управлению расположением графического изображения компонентов?

.         Какие компоненты располагаются в каталогах библиотеки Custom и Favorites?

.         Какая команда позволяет включать и выключать нелинейную часть модели компонента?

.         Команда Component Properties содержит ряд закладок. В какой закладке задаются номинальные сопротивления компонента, значения линейного и квадратичного температурных коэффициентов?

.         Каким образом можно менять шрифт символов и его атрибуты?

.         Что означает моделирование схемы по постоянному току?

4.2 Занятие 2. Моделирование и анализ цифровых устройств

Задание 1. Исследование триггеров

Цель

1.   Изучение структуры и алгоритмов работы асинхронных и синхронных триггеров.

2.   Исследование функций переходов и возбуждения основных типов триггеров.

3.   Изучение взаимозаменяемости триггеров различных типов.

Приборы и элементы

1.    Генератор слов.

2.       Вольтметр.

.         Логические пробники.

.         Источник напряжения + 5 В.

.         Источник сигнала "логическая единица".

.         Двухпозиционные переключатели.

7.       Двухвходовые элементы И, И-НЕ, ИЛИ, ИЛИ-НЕ и триггеры.

Краткие теоретические сведения

Триггер простейшая цифровая схема, относящаяся к устройствам последовательностного типа. В отличие от комбинационных устройств, состояние выхода Y которых в любой момент времени определяется только текущим состоянием входа X (Y = F(X)), состояние выхода триггера как последовательностной схемы зависит еще и от его внутреннего состояния Q: Y=F(X,Q).

Другими словами, триггер является не только преобразователем, но и хранителем предшествующей и источником текущей информации (состояния). Это свойство обеспечивается наличием у него обратных связей.

Триггер имеет два устойчивых состояния: Q=1 и Q=0, поэтому его иногда называют бистабильной схемой. В каком из этих состояний окажется триггер, зависит от сигналов на входах триггера и от его предыдущего состояния, т. е. он имеет память. Можно сказать, что триггер является элементарной ячейкой памяти.

Тип триггера определяется алгоритмом его работы. В зависимости от алгоритма работы триггер может иметь установочные, информационные и управляющие входы. Установочные входы определяют состояние триггера независимо от состояния других входов. Входы управления разрешают запись данных, подающихся на информационные входы. Наиболее распространенными являются триггеры RS, JK, D и Т-типов.

Условия переходов триггеров из одного состояния в другое (алгоритм работы) можно описать табличным, аналитическим или графическим способами.

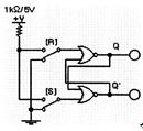
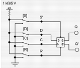
Табличное описание работы, например, RS-триггера (рис. 4.3) представлено в табл. 4.2 (таблица переходов) и табл. 4.3 (характеристическая таблица).


Рис. 4.3. R-S триггер

В таблицах использованы следующие обозначения:

Qt предшествующее состояние выхода;

Qt+1 новое состояние, устанавливающееся после перехода (возможно Qt+1 = Qt);

х безразличное значение сигнала: 0 или 1;

-     неопределенное состояние.

Аналитическое описание (характеристическое уравнение) можно получить из табл. 4.2 и 4.3 по правилам алгебры логики:

Qt+1= R S ∨ R Qt= R (S ∨ Qt).

Зависимость Qt+1 от Qt характеризует свойство запоминания предшествующего состояния.

Графическое описание работы RS-триггера иллюстрируется графом (рис. 4.4).

Граф на рис. 4.4,а показывает, что схема, которая находилась в состоянии Q=0, сохраняет это состояние как при воздействии входного набора R=0, S=0, так и при воздействии R=1, S=0. Если же на вход схемы, находящейся в состоянии Q=0, подействовать набором R=0, S=1, то она переходит в состояние Q=1 и сохраняет его при входных наборах R=0, S=1 либо R=0, S=0.

 

Рис. 4.4. Графическое описание работы R-S триггера: а полный граф; б компактный граф

 риc. 4.4,б тот же граф триггера нарисован более компактно. Входные сигналы, которые могут принимать любые значения (как 0, так и 1), обозначены как X, а позиция обозначения соответствует последовательности R, S.

Аналогично таблица переходов (табл. 4.4) и характеристическая таблица (табл. 4.5) JK-триггера имеют вид:


Порядок проведения экспериментов

Эксперимент 1. Исследование RS-триггера

А. Собрать схему, изображенной на рис. 4.5.

Включите схему. Последовательно подайте на схему следующие сигналы: S=0, R=1; S=0, R=0; S=1, R=0; S=0, R=0. Убедитесь в том, что:

при S=0, R=1 триггер устанавливается в состояние Q=0;

Рис. 4.5. Схема исследования R-S триггера

•          при переходе к S=0, R=0 триггер сохраняет прежнее состояние выхода Q=0;

•   при S=1, R=0 триггер устанавливается в состояние Q=1;

•   при переходе к 8=0, R=0 триггер сохраняет прежнее состояние выхода Q=1.

Б. Для каждого перехода (изменения состояния или сохранения предыдущего) нарисуйте в разделе "Результаты экспериментов" граф перехода. По результатам эксперимента заполните таблицу функций возбуждения, приведенную в разделе "Результаты экспериментов" (табл. 4.6).

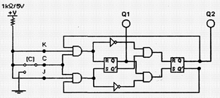
Эксперимент 2. Исследование JK-триггера, построенного на базе логических элементов и RS-триггеров

Используя библиотечные элементы программы EWB, соберите схему, изображенную на рис.4.6.

Рис. 4.6. Схема исследования JK-триггера

Включите схему. Изменяя уровень сигнала на входе С, составьте временные диаграммы сигналов на выходах Q1 и Q2 обоих RS-триггеров и зарисуйте их в раздел "Результаты экспериментов". Укажите режим работы триггера. Определите моменты изменения сигналов Q1 и Q2 по отношению к моментам изменения сигнала С. Отразите различие во временах переключения RS-триггеров на диаграммах.

Эксперимент 3. Исследование D-триггера

А. Собрать схему, изображенную на рис.4.7. Включите схему. Убедитесь в том, что:

•   при R=1, S=0 триггер устанавливается в 1 (Q=1, Q'=0) независимо от состояния остальных входов;

•        при R=0, S=1 триггер устанавливается в 0 (Q=0, Q'=1) независимо от состояния остальных входов.

Б. Установите S' = R' = 1, проверьте истинность характеристической таблицы триггера, по результатам эксперимента заполните табл. 4.7 в разделе "Результаты экспериментов".

В. Составьте временные диаграммы работы триггера для всех возможных комбинаций Qt, Dt и зарисуйте их в раздел "Результаты экспериментов".

Эксперимент 4. Исследование работы D-триггера в счетном режиме

Соберите схему, изображенную на рис. 4.8. Подавая на счетный вход С тактовые импульсы с помощью ключа [С] и определяя состояние выходов триггера при помощи пробников, составьте временные диаграммы работы триггера в счетном режиме и занесите их в раздел "Результаты экспериментов".

Результаты экспериментов

Эксперимент 1. Исследование RS-триггера

 

 

Рис. 4.7. Схема исследования D-триггера

Рис. 4.8. Схема исследования D-триггера в счетном режиме

Таблица 4.6 Состояние входов Граф перехода

=0, R=1

При переходе к S=R=0  При R=1, S=0

При переходе к S=R=0

Эксперимент 2. Исследование JK-триггера, построенного на базе логических элементов и RS-триггеров

Диаграмма работы триггера


Эксперимент 3. Исследование D-триггера

Таблица 4.7

Qt

Qt+1

J

К

0


0

0

0


0

1

0


1

0

0


1

1

1


0

0

1


0

1

1


1

0

1


1

1


Диаграмма работы триггера

 

Эксперимент 4. Исследование работы D-триггера в счетном режиме

Диаграмма работы триггера



Задание 2. Исследование счетчиков

Цель

1.   Изучение структуры и исследование работы суммирующих и вычитающих счетчиков.

2.   Изучение способов изменения коэффициента пересчета счетчиков.

3.   Исследование работы счетчиков с коэффициентом пересчета, отличным от 2 .

Приборы и элементы

1.    Генератор слов.

2.       Логический анализатор.

.         Логические пробники.

.         Источник напряжения + 5 В.

.         Генератор тактовых импульсов.

.         Источник сигнала "логическая единица".

.         Двухпозиционные переключатели.

.         Базовые двухвходовые логические элементы.

9.       Базовые триггеры RS, JK и D-типов.

Краткие теоретические сведения

Счетчик устройство для подсчета числа входных импульсов. Число, представляемое состоянием его выходов по фронту каждого входного импульса, изменяется на единицу. Счетчик можно реализовать на нескольких триггерах. В суммирующих счетчиках каждый входной импульс увеличивает число на его выходе на единицу, в вычитающих счетчиках каждый входной импульс уменьшает это число на единицу. Наиболее простые счетчики двоичные.

Счетчики можно реализовать на триггерах, которые соединяют последовательно. Выход каждого триггера действует на тактовый вход следующего. Для того чтобы реализовать суммирующий счетчик, необходимо счетный вход очередного триггера подключать к инверсному выходу предыдущего. Для того чтобы изменить направление счета (реализовать вычитающий счетчик), используют следующие способы:

а) считывание выходных сигналов счетчика не с прямых, а с инверсных выходов триггеров;

б) изменение структуры связей в счетчике. Подача на счетный вход следующего триггера сигнала не с инверсного, а с прямого выхода предыдущего триггера.

Порядок проведения экспериментов

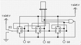
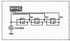
Эксперимент 1. Исследование вычитающего счетчика

А. Собрать схему, изображенную на рис. 4.9.

Включите схему. Зарисуйте временные диаграммы работы вычитающего счетчика в раздел "Результаты экспериментов".

Б. В схеме на рис. 4.9 входы логического анализатора подключите к инверсным входам триггеров.

Рис. 4.9. Схема исследования вычитающего счетчика

Включите схему. Зарисуйте полученные временные диаграммы в раздел "Результаты экспериментов" и сравните их с диаграммами, полученными в эксперименте 1.

Эксперимент 2. Исследование счетчика с измененным коэффициентом пересчета

Собрать схему, изображенную на pиc. 4.10. Включите схему. Подавая на вход схемы тактовые импульсы при помощи ключа С и наблюдая состояние выходов счетчика при помощи логических пробников, составьте временные диаграммы работы счетчика и определите коэффициент пересчета. Результаты занесите в раздел "Результаты экспериментов".

Рис. 4.10. Схема исследования счетчика с измененным коэффициентом пересчета

Эксперимент 3. Исследование регистра Джонсона

Собрать схему, изображенную на рис. 4.11. Счетное устройство, приведенное на рисунке, получило название регистра Джонсона, или регистра с перекрестными связями. Включите схему. Постройте временные диаграммы сигналов на выходах триггеров. Определите коэффициент пересчета регистра Джонсона. Результаты занесите в раздел "Результаты экспериментов".

Рис. 4.11. Схема исследования регистра Джонсона

Результаты экспериментов

Эксперимент 1. Исследование вычитающего счетчика Временные диаграммы.


Эксперимент 2. Исследование счетчика с измененным коэффициентом пересчета

Временные диаграммы

 


Эксперимент 3. Исследование регистра Джонсона Временные диаграммы


Содержание отчета

1.  Краткое описание возможностей программы Electronics Workbench в проведении анализа электрических схем и методик их выполнения.

2.       Результаты экспериментов по исследованию триггеров и счетчиков.

3.       Выводы по работе.

Вопросы для самопроверки

1.  Какой командой осуществляется стирание всех изменений, внесенных в текущем сеансе редактирования, и восстановление схемы в первоначальном виде?

2.       Какая команда превращает курсор мыши в крестик, которым по правилу прямоугольника можно выделить нужную часть экрана?

.         Какой командой можно восстановить схему в ее первоначальном виде после внесения изменений?

.         Каким образом можно получить твердую копию схемы (на принтере) и список составляющих ее компонентов?

.         Как на схеме обозначаются контрольные точки, для чего они нужны и в каких случаях их нужно знать?

.         Какой командой можно провести анализ модели в частотной области и какие характеристики при этом можно получить?

.         Каким образом можно подключить вывод компонента к проводнику?

.         Назовите элемент для образования в схеме узла соединений. Какие дополнительные функции он может выполнять?

.         Каким образом с помощью осциллографа можно получить значения амплитуды сигнала и его частоты?

.         Каким образом можно получить разноцветные осциллограммы сигналов на экране осциллографа и как их разнести по вертикали для удобства наблюдения?

Библиографический список

1.            Карлащук В.И. Электронная лаборатория на IBM PC. Программа Electronics Workbench и ее применение. М.: Солон-Р, 1999. 512 с.

2.       Панфилов Д.И. и др. Электротехника и электроника в экспериментах и упражнениях: Практикум на Electronics Workbench: В 2 т. / Под общ. ред. Д.И. Панфилова. - М.: ДОДЭКА, 2000. - 288 с.

Приложение

Каталог схемных файлов программы Electronics Workbench

lhp-filt.ewb - фильтр первого порядка с ОУ на выходе (2, 3, 4) 2m-oscil.ewb - транзисторная схема генератора Колпитца (3) 3phase.ewb - трехфазный диодный выпрямитель (3) 3sta_amp.ewb - двухкаскадный транзисторный усилитель (2, 3) 3stg_amp.ewb - трехкаскадный транзисторный усилитель (2, 3) 555-1.ewb - мультивибратор на ИМС 555 (2, 3)

fm.ewb - преобразователь напряжение-частота на ИМС 555 (2, 3) 5ord-lo.ewb - фильтр пятого порядка на двух ОУ (2, 3, 4) 60notch.ewb - фильтр-пробка на 60 Гц на ОУ (2, 3, 4)

.ewb - мультиплексор 1х8 на ИМС 74151 (5, 6)

.ewb - 4-разрядный счетчик на ИМС 7493 (5, 6)

.ewb - стабилизатор напряжения 7805, эмулируемый на компонентах библиотек Control, Active и Passive

adc-dacl.ewb - демонстрационная схема включения АЦП и ЦАП из библиотеки Hybrid (2, 3, 5, 6)

alu181.ewb - схема включения ИМС 74181 (4-разрядное АЛУ К155ИПЗ) (5, 6) amdetect.ewb - диодный детектор амплитудно-модулированных колебаний (3)

am-mod.ewb - схема формирования амплитудно-модулированных колебаний на аналоговом умножителе из библиотеки Active (3)

amp.ewb - УНЧ на двух ОУ (3)

ampdiv.ewb - аналоговое делительное устройство на ОУ и умножителе из библиотеки Aqtive (3)

ana-dig.ewb - формирователь цифрового сигнала из синусоидального сигнала с использованием ОУ и МОП-транзистора (3)

astbldig.ewb - генератор прямоугольных импульсов на двух элементах НЕ с транзисторным ключом на выходе для управления лампой накаливания.

bargrfl.ewb - УНЧ с выпрямителем на выходе для управления светодиодным измерителем уровня выходного напряжения со встроенным дешифратором из библиотеки Indie (2, 3)

bargrf2.ewb - светодиодный измеритель уровня без дешифратора из библиотеки Indie с управлением от 10-разрядного параллельного АЦП на 10 ОУ (2, 3)

audiodsn.ewb - УНЧ на ОУ (2, 3)

bass-amp.ewb - корректирующий УНЧ-предусилитель с подъемом АЧХ +18 дБ на частоте 30Гц (2,4)

bootstra.ewb - предусилитель на МОП-транзисторе (3)

choke.ewb - схема для исследования переходных процессов в двухполупериодном выпрямителе с индуктивной нагрузкой

chop.ewb - амплитудный модулятор на полевом транзисторе (2, 3) ckfssb.ewb - транзисторный выходной каскад класса В (2, 3)

cmos_osc.ewb - генератор импульсов на 3 элементах НЕ серии КМОП (2, 3) comexp.ewb - усилитель-ограничитель на ОУ (3)

common-e.ewb - схема для исследования транзисторного каскада с ОЭ (2, 3)

dig-ana.ewb - схема световой и звуковой сигнализации на библиотечных компонентах (2) dig_osc.ewb - импульсный генератор на двух элементах НЕ в виде подсхем на MOП

транзисторах (3)

dig-osc2.ewb - вариант генератора прямоугольных импульсов на 2 элементах НЕ серии КМОП (З)

dimmer.ewb - схема для демонстрации работы диодных ограничителей напряжения с индикатором на лампочке накаливания (3)

fet_curv.ewb - схема для исследования ВАХ полевого транзистора (2, 3) fregdbll.ewb - удвоитель частоты на базе аналогового умножителя (3) fregdbl2.ewb - схема включения мультивибратора из группы Hybrid (2, 6)

gates, ewb - схема формирования цифрового сигнала на ОУ и комбинационная логическая схема на компонентах группы Gates в демонстрационном режиме (3, 6)

higain.ewb - ультралинейный выходной каскад УНЧ на полевых транзисторах (2, 3 kirch_cn.ewb - демонстрация закона Кирхгофа.

lissajou.ewb -демонстрация фигур Лиссажу (3)

logicprb.ewb - схемы формирования прямоугольных сигналов из синусоидальных на базе ОУ и элементах НЕ (2, 3)

lossxlin.ewb - схема для исследования линии связи с потерями (2, 3, 4)

modltion.ewb - схема для демонстрации приемо-передающей системы, состоящей из генератора несущей и модулятора на ОУ, резистивного аттенюатора, приемника прямого усиления на ОУ, диодного детектора и УНЧ на ОУ (2, 3)

musicl.ewb, music2.ewb - схемы включения компонентов библиотек Hybrid, Indi Control peak_det.ewb- схема пикового детектора на ОУ (3)

phasshift.ewb - фазовращатель на ОУ (3)

polysrc.ewb - три схемы включения полиномиального источника из библиотеки Control

pwramp.ewb - УНЧ с транзисторным выходным каскадом класса В (2, 3) rectivier.ewb - мостовые выпрямительные схемы (3)

wienosl2.ewb - автогенератор на ОУ и мостовой схеме с элементами стабилизации rf_front.ewb - избирательный высокочастотный усилитель на полевом транзисторе с

общим затвором и библиотечных трансформаторах в качестве фильтрующих элементов (2,3)

rfsidetn.ewb - формирователь прямоугольных импульсов на ИМС 555 (2, 4) riaa.ewb - избирательный УНЧ на ОУ (4)

spefch.ewb - полосовой УНЧ на двух ОУ (4)

thevenin.ewb - для изучающих основы электротехники -демонстрация к теореме Тевенина translin.ewb - схема для исследования линии связи без потерь (2, 4)

voltreg.ewb - источник питания на ИМС 7805 с выходным напряжением 5В (3) wien.ewb - схема для исследования мостовой схемы Вина (3)

wienosc.ewb - автогенератор на ОУ и мостовой схеме Вина (3) 1hp-filt.ewb - ВЧ-фильтр на ОУ (2, 3, 4)

m-osc.ewb - транзисторный генератор Колпитца на 2 МГц (3) 555var.ewb - мультивибратор на микросхеме таймера 555 (3)

regulate.ewb - транзисторный стабилизатор напряжения компенсационного типа с имитацией пульсаций на входе (3)

stepdrv.ewb - моделирование цепи управления шаговым двигателем на JK-тригге-рах и логических схемах

ua709.ewb - схема операционного усилителя цА709 с номиналами сопротивлений резисторов и емкостей внутренней коррекции (3)

stereamp.ewb - схема двухканального стереоусилителя на ОУ и транзисторах с регулированием уровня и баланса (3)

video.ewb - схема видеопредусилителя UA733 (3)