«Эррозия и деградация». Морфология стеклянных (базальтовых) волокон после агрессивного термического и химического воздействия. (цифровая сканирующая электронная микроскопия).
Микроморфология волокон, отожженных при 600 °С в течение 6 ч.
86
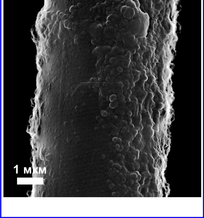
Волокна после гидролиза (3 ч), хорошо виден плотный слой кремниевого геля с характерной морфологией.
87
|
|
|
|
|
|
|
6.ТОНКИЕ ПЛЕНКИ |
|
|
||
|
|
|
|
|
|
|
|
|
|||
|
|
|
|
|
|
|
|
|
|||
В |
|
|
|
их аддуктов с растворителями смешивают с |
|||||||
|
последнее время в связи с развитием |
||||||||||
водородной |
энергетики, |
а |
также |
инертным газом – носителем, содержащим |
|||||||
повсеместным |
распространением топливных |
необходимое |
количество |
кислорода |
|||||||
ячеек, |
непосредственно |
преобразующих |
(окислителя). При нагревании паров в районе |
||||||||
химическую |
энергию сгорания |
реагентов |
расположения |
подложки |
происходит |
||||||
(например, метана или метанола) в |
разложение смеси с образованием тонкого |
||||||||||
электрическую энергию, огромную роль |
оксидного слоя продукта. |
|
|||||||||
начинают играть материалы со смешанной |
|
|
|
||||||||
ионно-электронной проводимостью. Одна из |
|
|
|
||||||||
важных проблем, решение которой связано с |
|
|
|
||||||||
развитием новых источников энергии, |
|
|
|
||||||||
заключается |
в создании |
асимметричных |
|
|
|
||||||
кислород - проводящих мембран на основе |
|
|
|
||||||||
кобальтитов, галлатов и др. Концепция |
|
|
|
||||||||
создания такой мембраны заключается в |
|
|
|
||||||||
нанесении на газопроницаемую механически |
|
|
|
||||||||
прочную |
|
пористую подложку газоплотного |
|
|
|
||||||
пленочного |
покрытия, |
«химически» |
|
|
|
||||||
разделяющего поток газов и дающего чистый |
|
|
|
||||||||
кислород. |
|
|
|
|
|
|
|||||
Структура типичного металлорганического соединения
Схема асимметрической мембраны
Для создания и эксплуатации такой |
|
|
|
||||
мембраны требуются высокие уровни ионной |
|
|
|
||||
и электронной (дырочной) проводимости в |
|
|
|
||||
материале, |
химическая |
устойчивость |
|
|
|
||
смешанного проводника в рабочих газовых |
|
|
|
||||
атмосферах и градиенте pO2, высокая |
|
|
|
||||
плотность ион-проводящего слоя, высокая |
|
|
|
||||
газопроницаемость |
пористой |
подложки, |
Типичная схема установки для |
||||
близкие КТР пленки и подложки, отсутствие |
|||||||
химических |
взаимодействий |
на |
границе |
получения тонких пленок методом |
|||
пленка / подложка, высокая скорость реакции |
MOCVD. |
|
|||||
обмена на |
низкокислородной |
границе |
|
|
|
||
смешанного проводника и подложки |
|
Альтернативным |
способом |
получения |
|||
Ключевую роль в создании мембраны |
асимметрической |
мембраны |
является |
||||
играет технология осаждения тонких пленок |
уплотнение пористой оксидной трубки, |
||||||
из газовой фазы с использованием летучих |
полученной шликерным литьем, за счет |
||||||
металл-органических соединений (MOCVD). |
обработки поверхности лазерным пучком. |
||||||
Так, например, в условиях осаждения Tосажд = |
Проф., д.х.н. А.Р.Кауль, |
|
|||||
500-750°С, P = 2-10 мбар, р(O2) = 1-5мбар, τ = |
|
||||||
0.5-2часа |
удается |
получить |
пленку |
д.х.н. О.Ю.Горбенко, |
|
|
|
перспективного смешанного проводника в |
асп. Г.А.Досовицкий, |
|
|||||
системе Ba-Sr-Co-Fe-O: [2Sr(thd)2]·Hthd + |
к.х.н. Р.Ю.Мутдинов, |
|
|||||
Ba(thd)2·2Phen + Fe(thd)3 + Co(thd)3 |
+ O2 → |
асп. А.В.Бледнов, |
|
|
|||
Ba0.5Sr0.5Co0.8Fe0.2O3-х |
+ СО/CO2 |
+ H2O. Для |
к.х.н. М.А.Новожилов, |
|
|||
этого пары предварительно синтезированных |
лаб. химии координационных соединений |
||||||
металл-органических |
соединений, |
в том |
|
|
|
||
числе смешанно-лигандных комплексов, или
88
«Волшебный фильтр». Строение асимметрической мембраны на микроуровне |
на примере осаждения (La,Sr)(Ga,Fe)O3 методом MOCVD, поперечное сечение |
мембраны. Видна пористая керамическая подложка (внизу) и колончатая |
микроструктура пленки (верхний слой). (сканирующая электронная |
микроскопия). |
Вид сверху |
89
Альтернативная технология – тонкостенную керамическую трубку («папиросная бумага»), полученную шликерным литьем и магнитноимпульсным прессованием с последующей термообработкой (слева) подвергают поверхностному плавлению и кристаллизации пучком лазера для получения химически и физически совместимого с материалом трубки поверхностного слоя – газоплотной пленки (верхняя фотография).
90