Материал: metodukazania_po_SSI_1_Chagina

Внимание! Если размещение файла нарушает Ваши авторские права, то обязательно сообщите нам

18.1

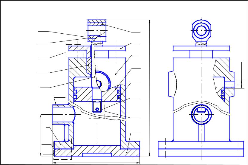
Цилиндр воздушный

По данным спецификации изобразить соединения: A — болтовое — крышки 5 с корпусом 1; Б — винтовое

— втулки 7 со штоком 3; В — шпилечное — крышки сальника 4 с корпусом 1; Г — поршня 2 на штоке 3 по-

 

средством гайки 13, шайбы и шплинта

 

 

 

 

 

Б

7

 

 

 

 

10

4

 

 

 

 

В

1

 

 

 

 

 

 

 

 

126

21

2

...053512

M14

вариантаЗадания

 

 

 

 

 

 

 

3

6

 

 

 

 

 

 

 

 

 

G1

15

 

 

 

 

 

Г

 

 

18

 

9

 

 

 

 

5

 

 

 

 

 

 

 

 

 

70

 

 

 

 

 

А

 

 

 

 

 

8

 

 

 

 

 

 

145

 

 

 

 

18.2

 

 

Завершить спецификацию цилиндра воздушного

 

роФм

ноЗа

оПз.

 

Обозначение

Наименование

 

 

оКл.

Приме-

 

 

 

 

 

 

 

 

 

 

 

чание

 

 

 

 

 

 

 

 

 

 

 

 

 

 

 

 

 

 

 

 

 

 

 

 

 

 

 

Документация

 

 

 

 

 

 

 

 

 

 

 

 

 

 

 

 

 

 

 

 

КИКГ.ХХХХХХ.018СБ

Сборочный чертеж

 

 

1

 

 

 

 

 

 

 

 

 

 

 

 

 

 

 

 

 

 

Детали

 

 

 

 

 

 

 

 

 

 

 

 

 

 

 

 

 

 

1

 

КИКГ.ХХХХ01.018

Корпус

 

 

1

 

 

 

 

2

 

КИКГ.ХХХХ02.018

Поршень

 

 

1

 

 

 

 

3

 

КИКГ.ХХХХ03.018

Шток

 

 

1

 

 

 

 

4

 

КИКГ.ХХХХ04.018

Крышка сальника

 

 

1

 

 

 

 

5

 

КИКГ.ХХХХ05.018

Крышка

 

 

1

 

 

 

 

6

 

КИКГ.ХХХХ06.018

Кольцо поршневое

 

 

2

 

 

 

 

7

 

КИКГ.ХХХХ07.018

Втулка

 

 

1

 

 

 

 

8

 

КИКГ.ХХХХ08.018

Прокладка

 

 

1

 

 

 

 

 

 

 

 

 

 

 

 

 

 

 

 

 

 

Стандартные изделия

 

 

 

 

 

 

 

 

 

 

 

 

 

 

 

 

 

9

 

 

Болт М10 ... ГОСТ 7798-70

4

 

 

 

 

10

 

 

Винт М8 ... ГОСТ 1470-93

1

 

 

 

 

 

 

 

Гайка М ... ГОСТ 5915-70

 

 

 

 

 

 

 

 

 

Гайка М ... ГОСТ 5915-70

 

 

 

 

 

 

13

 

 

Гайка М ... ГОСТ 5918-73

1

 

 

 

 

 

 

 

Шайба ... ГОСТ 6402-70

 

 

 

 

 

 

 

 

 

Шайба ... ГОСТ 11371-68

 

 

 

 

 

 

 

 

 

Шайба ... ГОСТ 11371-68

 

 

 

 

 

 

17

 

 

Шпилька М8 ... ГОСТ 22032-76

4

 

 

 

 

 

 

 

Шплинт ...х28 ГОСТ 397-79

1

 

 

 

 

 

 

 

 

 

 

 

 

 

 

 

 

 

Материалы

 

 

 

 

 

 

 

 

 

 

 

 

 

 

 

21

 

 

Набивка АПД 5 ГОСТ 5152-84

0,01

кг

127

18.3. Задание по созданию чертежей деталей и сборок

Завершить оформление сборочного чертежа и спецификации.

Выполнить трехмерные модели и ассоциативные чертежи корпуса 1 и крышки сальника 4. В каждом ассоциативном чертеже расположить аксонометрию с вырезом одной четверти детали.

Выполнить по ГОСТ 2.317—69 аксонометрическое изображение

свырезом одной четверти шпилечного соединения деталей 1 и 4.

18.4. Данные для заполнения раздела «Стандартные изделия»

Сое-

Наименование

Материал

Покрытие

Тол-

щина

дине-

 

 

 

покры-

ние

 

 

 

тия

Бол-

Болт М12х1,25…

Сталь 35

Окисное

-

Гайка … (исполнение 1)

Сталь 20

Окисное

-

товое

Шайба …(исполнение 1)

Сталь 20

Окисное

-

 

Вин-

Винт М8…(класс точности А)

Сталь 30

Цинковое

3 мкм

товое

Шпи-

Шпилька М10…

Сталь 40Х

Никелевое

6 мкм

леч-

Гайка…(исполнение 2)

Сталь 35X

То же

6 мкм

ное

Шайба…(толщина нормальная)

Сталь 65Г

То же

6 мкм

Гайкой

Гайка М16х1,5…

Сталь 20

Цинковое

-

со

Шайба …

Сталь 08

То же

-

шплин

Шплинт …

Сталь 08

То же

-

том

 

 

 

 

Описание цилиндра воздушного. Цилиндр воздушный – уст-

ройство, устанавливаемое в тормозной системе подвижного состава.

Поршневые кольца 6, изготовленные из чугуна, служат для уплотнения поршня. Поршень 2 закреплен на штоке 3 гайкой 13, шайбой и шплинтом. В корпусе 1 в месте выхода штока 3 расположено уплотняющее устройство (сальник) 21, предупреждающее просачивание воздуха через зазор между штоком и отверстием в крышке сальника 4. Материалом для набивки могут служить пенька, льняной шнур, асбест. Благодаря упругости материала набивки и конусам у торцов уплотнения, набивка плотно прижимается к штоку. Материал набивки со временем теряет упругость, поэтому необходимо периодически уплотнять его. Это достигается подтягиванием гаек на шпильках 17.

128

19.16.1

 

 

 

 

 

Опора горизонтального вала

 

По данным спецификации изобразить следующие соединения: А — болтовое — опоры 9 с корпусом 2;

 

 

Б — винтовое — крышки 6 с корпусом 2; В — шпилечное — крышки 5 с корпусом 1

 

 

4

5

7

8

3

2

10

 

 

 

 

17

 

 

 

 

6

 

 

 

 

 

 

 

 

 

 

 

 

 

В

 

 

 

 

21

 

 

 

129

81З

 

 

 

 

 

 

Задания

 

 

 

 

20

 

 

 

 

 

 

 

 

 

 

19варианта

 

 

 

18

 

 

А

 

175

19

 

 

 

 

12

 

 

 

 

 

 

 

Б

 

 

 

 

 

 

 

 

 

 

 

 

 

 

 

 

 

 

9

 

 

 

 

 

 

1

 

 

 

 

 

 

 

 

 

180

 

 

11

110

 

 

 

 

 

 

 

 

 

 

 

 

 

 

 

 

 

 

144

 

 

 

19.2

 

Завершить спецификацию опоры горизонтального вала

 

 

роФмат

оЗна

оПз.

Обозначение

Наименование

Кол.

чание

 

 

 

 

 

 

 

 

Приме-

 

 

 

 

 

 

 

 

 

 

 

 

 

 

 

Документация

 

 

 

 

 

 

 

 

 

 

 

 

 

 

 

 

КИКГ.ХХХХХХ.019СБ

Сборочный чертеж

 

 

 

 

 

 

 

 

 

 

 

 

 

 

 

 

 

Детали

 

 

 

 

 

 

 

 

 

 

 

 

 

 

 

1

КИКГ.ХХХХ01.019

Корпус

1

 

 

 

 

 

2

КИКГ.ХХХХ02.019

Корпус

1

 

 

 

 

 

3

КИКГ.ХХХХ03.019

Колесо зубчатое m=8, z=14

1

 

 

 

 

 

4

КИКГ.ХХХХ04.019

Вал

1

 

 

 

 

 

5

КИКГ.ХХХХ05.019

Крышка

1

 

 

 

 

 

6

КИКГ.ХХХХ06.019

Крышка

1

 

 

 

 

 

7

КИКГ.ХХХХ07.019

Крышка

1

 

 

 

 

 

8

КИКГ.ХХХХ08.019

Втулка

1

 

 

 

 

 

9

КИКГ.ХХХХ09.019

Опора

2

 

 

 

 

 

10

КИКГ.ХХХХ10.019

Прокладка

2

 

 

 

 

 

 

 

 

 

 

 

 

 

 

 

 

Стандартные изделия

 

 

 

 

 

 

 

 

 

 

 

 

 

 

 

11

 

Болт М12... ГОСТ 7805-70

4

 

 

 

 

 

12

 

Винт М8... ГОСТ 1491-84

4

 

 

 

 

 

 

 

Гайка М... ГОСТ 5915-70

 

 

 

 

 

 

 

 

Гайка М... ГОСТ 5915-70

 

 

 

 

 

 

 

 

Шайба... ГОСТ 6402-70

 

 

 

 

 

 

 

 

Шайба... ГОСТ 11371-78

 

 

 

 

 

 

17

 

Шпилька М10... ГОСТ22032-76

4

 

 

 

 

 

18

 

Шпонка ...х25 ГОСТ 23360-78

1

 

 

 

 

 

19

 

Кольцо 17-28 ГОСТ 6308-71

1

 

 

 

 

 

20

 

Кольцо 34-47 ГОСТ 6308-71

2

 

 

 

 

 

21

 

Подшипник32106 ГОСТ8328-75

2

 

 

 

 

 

 

 

 

 

 

 

130