Материал: metodukazania_po_SSI_1_Chagina

Внимание! Если размещение файла нарушает Ваши авторские права, то обязательно сообщите нам

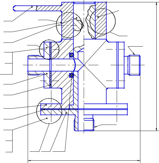
верстий. На свободный цилиндрический конец пробки установлена рукоятка 3, закрепленная установочным винтом 9.

Кран распределительный.

Вариант 31

По данным спецификации изобразить следующие соединения:

А – болтовое – фланца 5 с корпусом 1;

Б – винтовое – рукоятки 3 с пробкой 2;

В – шпилечное – фланца 5 с корпусом 1;

Г – шпоночное – рукоятки 3 с пробкой 2.

 

 

 

15

3

 

Б

 

9

 

 

Г

2

 

 

B

 

G3/4

 

 

14

 

 

182

 

 

 

4

 

 

 

7

 

 

 

1

 

 

 

6

 

 

G3/4

8

 

 

 

 

 

 

A

5

16

 

 

 

148

Рис.1.1. Незавершенное изображение крана

Для осуществления поворота пробки в нужное положение установлена шпонка 15, которая передает вращательное движение от рукоятки к пробке. Фланцы 4 крепятся к корпусу при помощи шпилек 14, шайб и гаек. Фланец 5 закреплен на корпусе с помощью болтов, шайб и гаек.

6

Рис. 1.2. Незавершенная спецификация крана

На рис. 1.1 кран изображен в открытом положении. При положении рукоятки, указанном на чертеже, жидкость по трубопроводу (трубопроводы на чертеже не указаны) подходит к фланцу 5, а затем по отверстиям пробки проходит в полости цилиндрических отверстий корпуса и фланцев 4 и поступает к трубопроводам системы. Пробка при повороте цилиндрической частью на 90 ° в любую

7

сторону перекрывает отверстия в корпусе, и жидкость не поступает в трубопроводы. Для обеспечения герметичности пробки установлены резиновые кольца 16. Фланцы 4 и корпус 1 уплотнены прокладками 7. Герметизация фланца 5 и корпуса осуществлена прокладкой 6.

В таблице представлены данные для полных условных обозначений стандартных изделий.

Соеди-

Наименование

Материал

Покрытие

Толщина

покры-

нение

 

 

Окисное,

тия

Болто-

Болт М12х1,25…

Сталь 20

-

вое

 

 

пропитан-

 

 

 

 

ное маслом

 

 

Гайка… (исполнения 1)

Сталь 10

То же

-

 

Шайба…(исполнение 1)

Сталь 08

То же

-

Винто-

Винт М8… (класс точности

Сталь 35

Цинковое,

6 мкм

вое

А.)

 

хроматир

 

Шпи-

Шпилька М8х1…

Сталь 35

То же

6 мкм

лечное

Гайка… (исполнение 2)

Сталь 35

То же

6 мкм

 

Шайба…( толщина нормаль-

Сталь 65Г

То же

6 мкм

 

ная)

 

 

 

1.3. Упрощенное изображение болтового, винтового и шпилечного соединений

Упрощенное изображение болтового, винтового и шпилечного соединений выполняется на листе формата А3 (рис. 1.3) по данным, представленным на рис. 1.1, и 1.2.

Болтовое соединение изображается в трех проекциях. В данное соединение входят: болт, шайба, гайка, соединяемые детали.

Основными исходными данными для построения изображения являются:

d – размер резьбы болта;

Н –толщина соединяемых деталей

Порядок построения изображения может быть следующим:

1.Главный вид:

изобразить стержень (вертикально) диаметром d;

диаметр головки болта 2d;

высота головки болта hг.б = 0,7d;

показать элементы соединяемых деталей (по толщине H), технологический зазор (между стержнем и деталями) не показывать;

диаметр шайбы – dш = 2,2d, высота шайбы hш = 0,2d;

8

высота гайки hг = 0.8d;

выход болта за гайку hвых = (0,2…0,5)d

2.Вид сверху:

изобразить окружность диаметром d (болт);

изобразить шестиугольник (гайку), вписанный в окружность диаметром 2d;

3.Вид слева:

разрез соединяемых деталей не выполняется, гайка и головка болта изображаются по размеру S (размер под ключ).

Длина болта:

lб = H + hш + hг + hвых = H + 0,2d + 0,8d + (0,2…0,5)d – расчетное значение округляется до ближайшего стандартного значения.

По приведенным соотношениям строится изображение болтового соединения. На чертеже должны быть указаны размеры деталей, входящих в соединение, и приведены условные обозначения стандартных изделий, входящих в болтовое соединение.

Шпилечное соединение изображается в трех проекциях. В данное соединение входят: шпилька, пружинная шайба, гайка, со-

единяемые детали. Основными исходными данными для построения изображения являются:

d – размер резьбы шпильки;

Н – толщина соединяемых деталей, расположенных выше нижней, в которую ввинчивается шпилька;

l1 длина ввинчиваемого конца шпильки, определяемая номером стандарта для шпильки.

Порядок построения изображения может быть следующим:

1.Главный вид:

изобразить стержень (вертикально) диаметром d, шпилька ввинчивается в нижнюю деталь на глубину l1;

показать элементы соединяемых деталей, технологический зазор (между стержнем и верхней деталью) не показывать;

диаметр шайбы dш = 1,6d, высота шайбы hш = 0,2d;

высота гайки hг = 0.8d;

выход шпильки за гайку hвых = (0,2…0,5)d

2.Вид сверху:

изобразить окружность диаметром d (шпилька);

изобразить шестиугольник (гайку), вписанный в окружность диаметром 2d;

3.Вид слева:

разрез соединяемых деталей не выполняется.

9

Рис. 1.3. Упрощенное изображение болтового, винтового и шпилечного соединений

10