Материал: Методические указания к выполнению расчетно-графических и курсовой работы для студентов специальности 220301. Авдеев Ю.В., Полуказаков А.В

Внимание! Если размещение файла нарушает Ваши авторские права, то обязательно сообщите нам

Задание к выполнению расчетно - графических работ №5, 6, 7

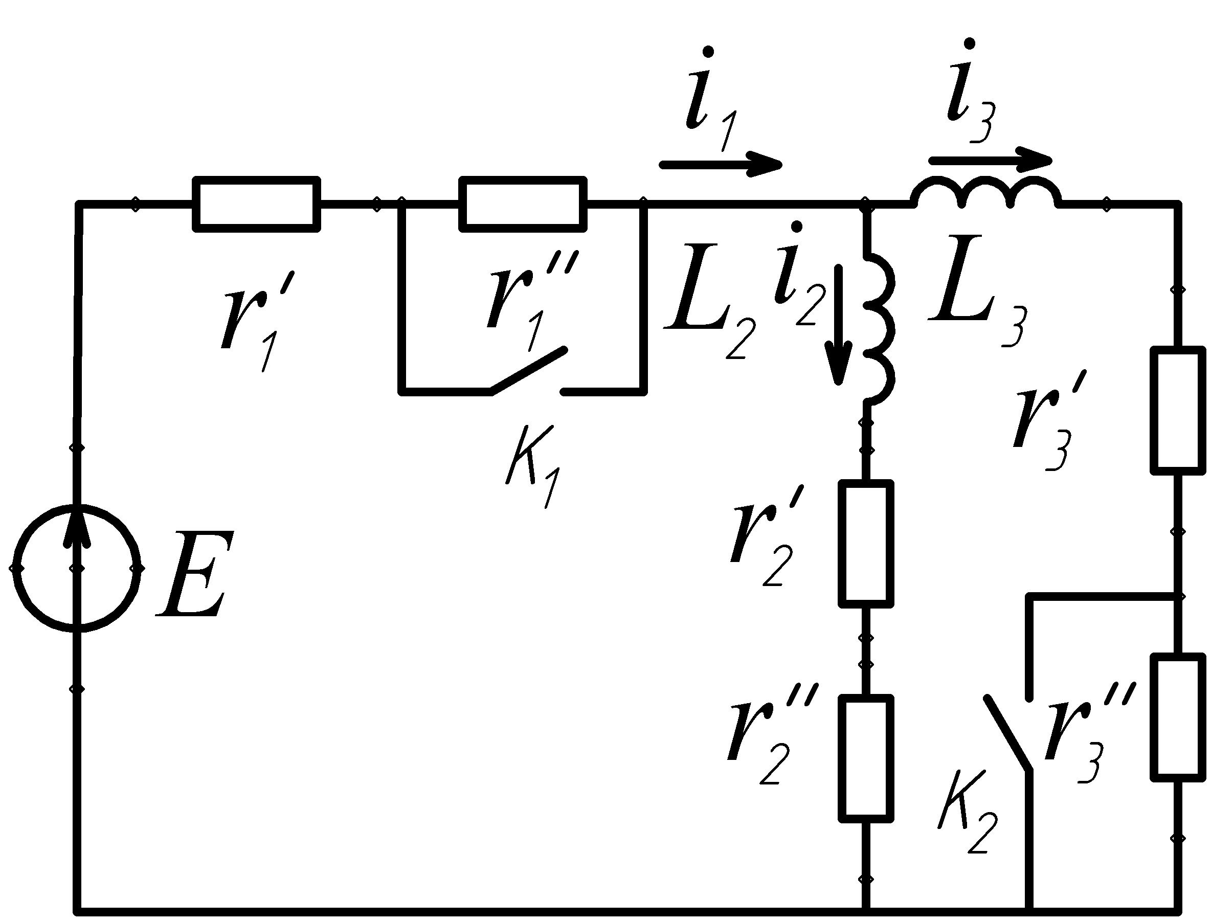
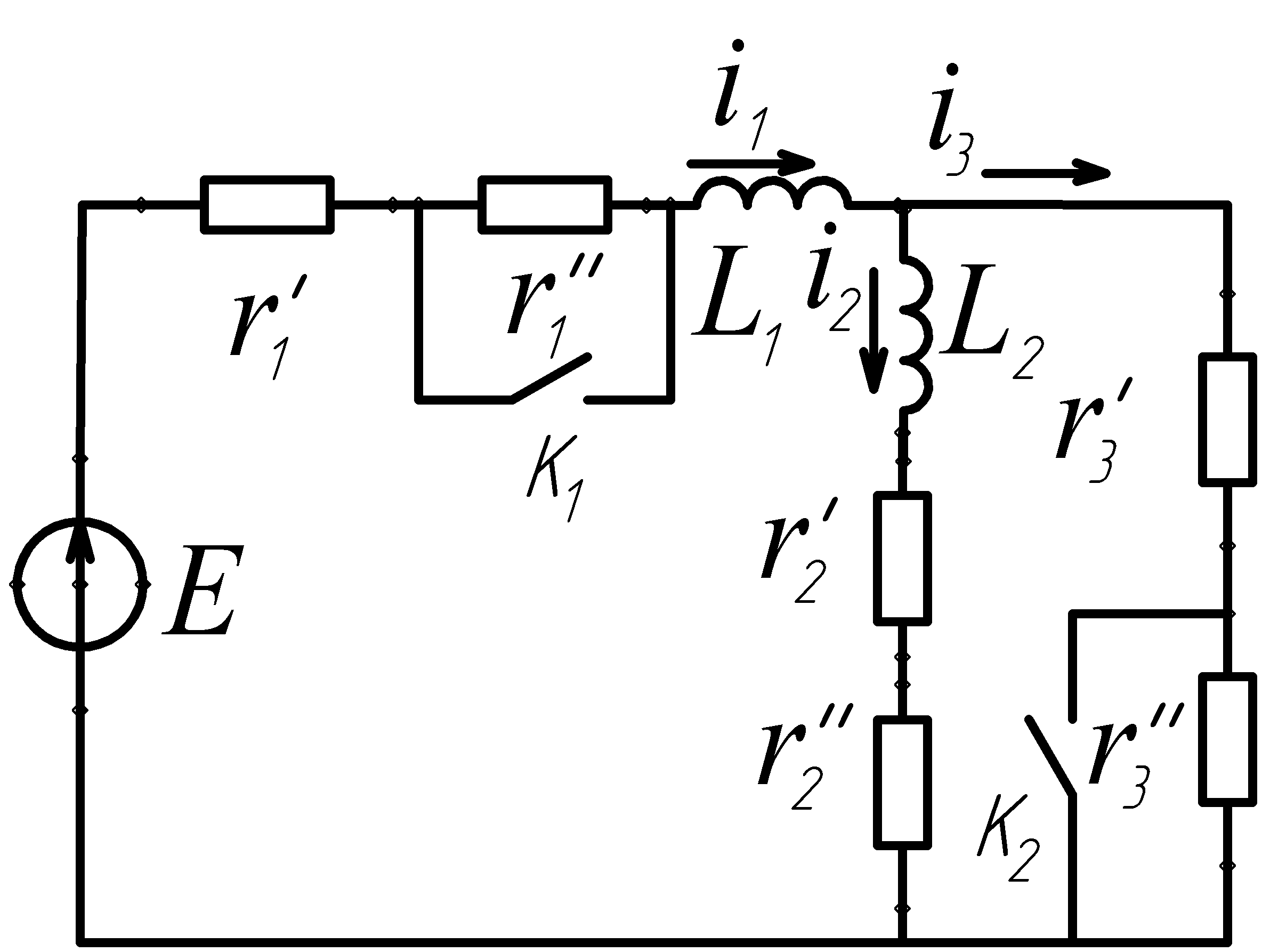
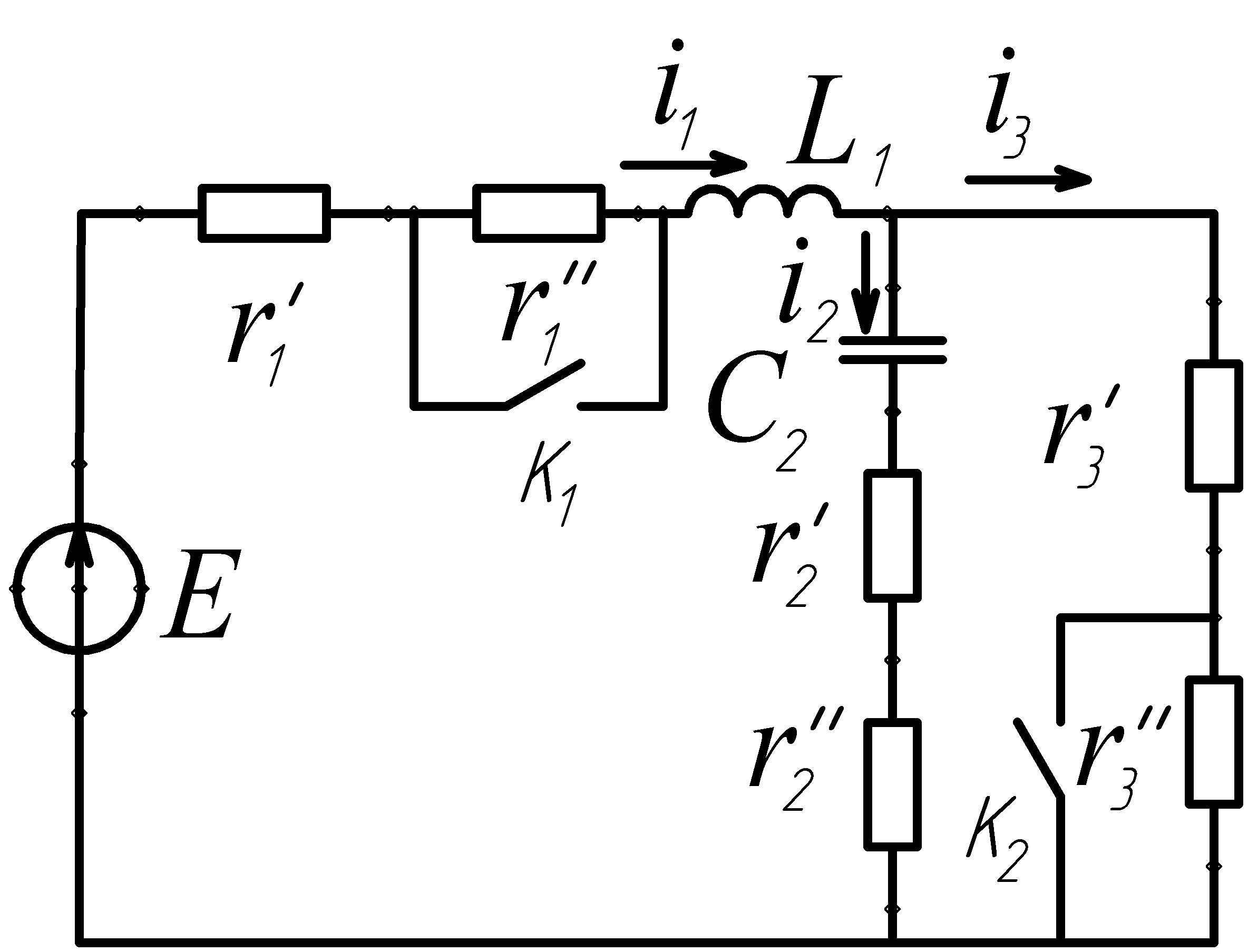
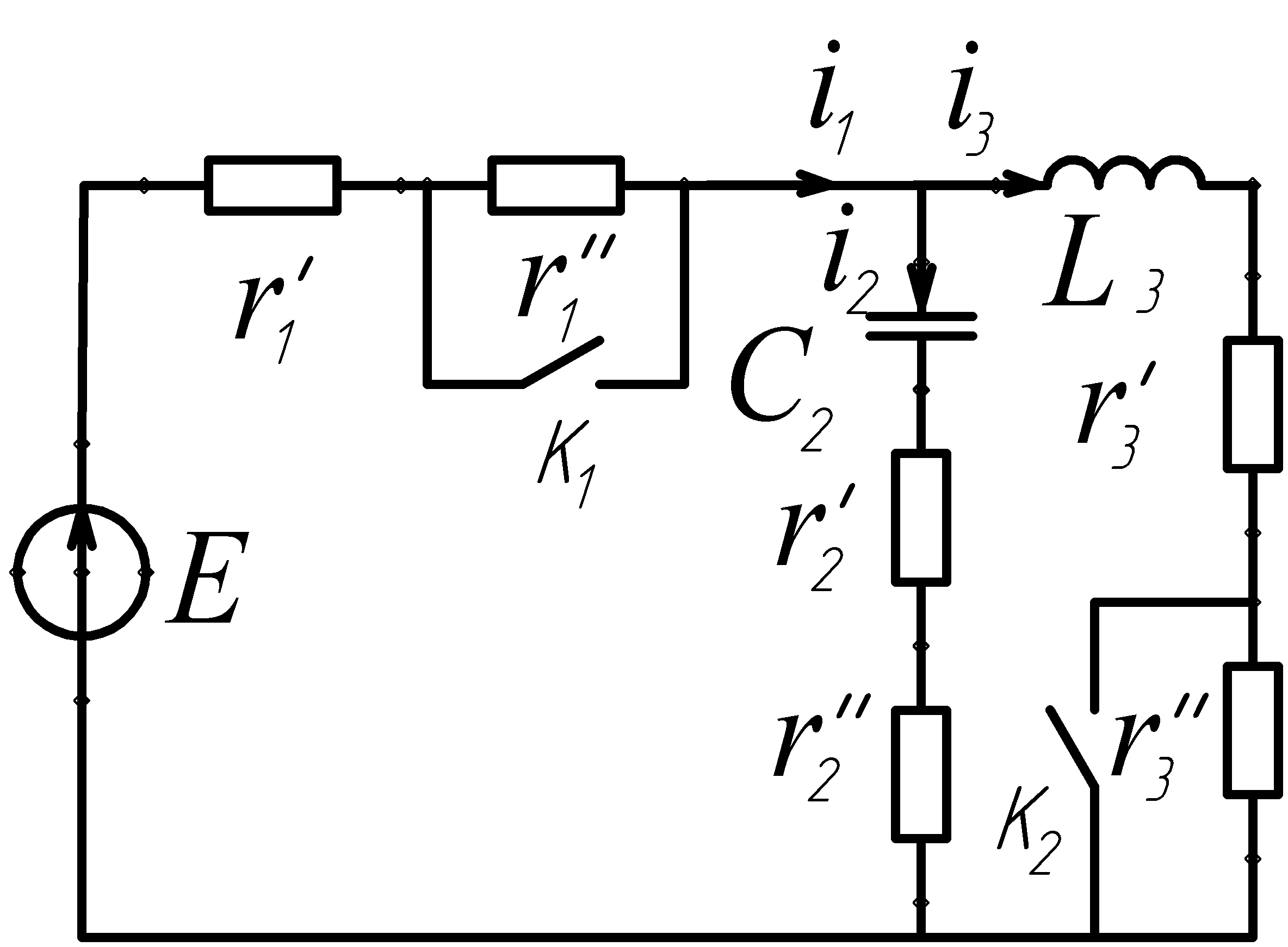
Расчет переходных процессов осуществляется для одной из ниже приведенных схем в соответствии с заданным вариантом из табл.11.

Параметры элементов схем имеют следующие значения:

Е=120 В (группы 1, 2), Е=160 В (группы 3, 4),

r1’= r1”= r2’= r2”= r3’= r3”=240 Ом,

С2=100 мкФ, L1=L2=0,1 Гн, L3=0,2 Гн

Исходные состояния ключей К1 и К2 до и после коммутаций приведены в табл. 11. Вариант задается преподавателем и определяется номером студента в списке группы.

Рис. 5 Рис. 6

Рис. 7 Рис. 8

Рис. 9 Рис. 10

Таблица 11

Вариант (№ по списку)

Состояние ключей:

0-разомкнут, 1-замкнут

Схема по рис.

Группа 1, 3 Группа 2,4

до коммутации

К1 К2

после коммутации

К1 К2

1

0 0

0 1

5 8

2

0 1

0 0

5 8

3

1 0

0 0

5 8

4

1 1

0 1

5 8

5

0 0

1 0

5 8

6

0 1

1 1

5 8

7

1 0

1 1

5 8

8

1 1

1 0

5 8

9

0 0

0 1

6 9

10

0 1

0 0

6 9

11

1 0

0 0

6 9

12

1 1

0 1

6 9

13

0 0

1 0

6 9

14

0 1

1 1

6 9

15

1 0

1 1

6 9

16

1 1

1 0

6 9

17

0 0

0 1

7 10

18

0 1

0 0

7 10

19

1 0

0 0

7 10

20

1 1

0 1

7 10

21

0 0

1 0

7 10

22

0 1

1 1

7 10

Оконч. табл. 11

Вариант (№ по списку)

Состояние ключей:

0-разомкнут, 1-замкнут

Схема по рис.

Группа 1, 3 Группа 2,4

до коммутации

К1 К2

после коммутации

К1 К2

23

1 0

1 1

7 10

24

1 1

1 0

7 10

Оглавление

Расчетно - графическая работа №1 Расчет линейных электрических цепей с источниками постоянной эдс и токов методом узловых напряжений

1.1. Цель работы - расчет токов и напряжений пассивных элементов в линейной электрической цепи с источниками постоянных ЭДС и токов.

1.2. Подготовка к работе.

1.2.1. Повторите перед выполнением работы из курса "Математика" следующие вопросы: матрицы, сложение и умножение матриц, нулевая, единичная, транспонированная, обратная матрицы, определители, решение системы линейных уравнений.

1.2.2. Прочитайте и разберите по [1] теорию расчета электрических цепей с помощью топологических матриц цепей.

1.2.3. Изучите методику формирования уравнений электрических цепей с помощью топологических матриц по данному пособию.

1.2.4. Ответьте на все вопросы для самопроверки письменно.

1.3. Порядок выполнения работы

1.3.1. - 1.3.5. Выполнить согласно п.п.1 - 4, 6 в соответствии с заданием на РГР №1, №2.

1.3.6.Получите систему уравнений узловых напряжений, используя матричную запись

,

где - матрица - столбец узловых напряжений.

1.3.7.Решите полученную систему и найдите матрицу [U0].

1.3.8.Используя соотношение , получите матрицу напряжений графа .

1.3.9.С помощью соотношения найдите напряжение на пассивных элементах [U].

1.3.10. Используя закон Ома [I]=[g] [U], определите токи в пассивных элементах цепи [I].

Вопросы для самопроверки:

1. Что такое граф электрической цепи?

2. Что такое дерево графа?

3. Какой граф называют ориентированным?

4. Как составляется матрица соединений [A]?

5. Что такое обобщенная ветвь?

6. Как записываются уравнения для токов и напряжений обобщенной ветви?

7. Как записать матрицы источников токов [J] и ЭДС [E].

8. Как записываются матрицы сопротивлений [r] и проводимости [g]?

9. Как записываются в матричной форме законы Кирхгофа?

10. Какие напряжения называют узловыми?

11. Как получаются уравнения для узловых напряжений в матричной форме?

12. Чем определяется порядок системы уравнений для метода узловых напряжений?

13. Как связаны узловые напряжения с напряжениями ветвей графа ?

14. Какими свойствами обладает матрица [A] [g] [A]T?

15. Каков критерий целесообразности использования метода узловых напряжений?

16. Что такое транспонированная матрица?

17. Как осуществляется сложение и умножение матриц?

Оглавление

Расчетно - графическая работа №2 Расчет линейных электрических цепей с источниками постоянных эдс и токов методом контурных токов

2.3. Цель работы - расчет токов и напряжений пассивных элементов в линейной электрической цепи с источниками постоянных ЭДС и токов.

2.2. Подготовка к работе.

Соответствует п.п. 1.2.1 - 1.2.4 .

2.3. Порядок выполнения работы.

2.3.1 - 2.3.5. Выполнить согласно п.п. 1 - 5 в соответствии с заданием на РГР №1, №2.

2.3.6.Получите систему уравнений контурных токов, используя матричную запись:

[C] [r] [C]T [ ]=[C] ([E]+[r] [J]),

где - матрица-столбец контурных токов или матрица-столбец токов в связях.

2.3.7. Решите полученную систему и найдите матрицу [ ].

2.3.8. Используя соотношение [ ]=[C]T [ ], получите матрицу токов графа [ ].

2.3.9. С помощью соотношения [ ]=[I]+[J] найдите токи в пассивных элементах.

2.3.10.Используя закон Ома [U]=[r] [I], определяем напряжение на пассивных элементах [U].

2.3.11.Сравните полученные результаты с результатами п.п. 1.3.9-1.3.10.

Вопросы для самопроверки:

1. Какие токи называют контурными?

2. Как получаются уравнения для контурных токов [ ]?

3. Чем определяется порядок системы уравнений для метода контурных токов?

4. Как связаны контурные токи [ ] и токи ветвей графа [ ]?

Оглавление

Расчетно - графическая работа №3 Расчет линейных электрических цепей с источниками синусоидальных эдс и токов методом узловых напряжений

3.1. Цель работы - расчет токов и напряжений пассивных элементов в линейной электрической цепи с источниками синусоидальных ЭДС и токов методом узловых напряжений.

3.2. Подготовка к работе

3.2.1. Повторите перед выполнением работы из курса "Математика" вопросы: комплексные числа, арифметические операции с комплексными числами.

3.2.2. Прочитайте и разберите по [1] теорию расчета электрических цепей с использованием топологических матриц и комплексного метода.

3.2.3. Ответьте на все вопросы для самопроверки письменно.

3.3. Порядок выполнения работы

3.3.1 - 3.3.5. Выполнить согласно п.п. 1 - 4, 6 в соответствии с заданием на РГР №3, №4.

3.3.6. Получите систему уравнений узловых напряжений в комплексной форме, используя матричную запись:

[A] [Y] [A]T [ ]=-[A]([ ]+[Y] [ ]),

где [ ]=[ …. ] - матрица-столбец узловых напряжений.

3.3.7. Решите полученную систему и найдите матрицу [ ]?

3.3.8. Используя соотношение [ ]=[A]T [ ] получите матрицу комплексных напряжений графа [ ].

3.3.9. С помощью соотношения [ ]=[ ]-[ ] найдите комплексные напряжения [ ].

3.3.10. Используя закон Ома [ ]=[Y] [ ] определите комплексные токи в пассивных элементах.

3.3.11. Перейдите от комплексных величин и к их действительным значениям:

iк(t)=Iк sin(t+iк) и uк(t)=Uк sin(t+uк).

Вопросы для самопроверки:

1. Как записывается мгновенное значение синусоидальной величины?