Материал: Методические указания к выполнению расчетно-графических и курсовой работы для студентов специальности 220301. Авдеев Ю.В., Полуказаков А.В

Внимание! Если размещение файла нарушает Ваши авторские права, то обязательно сообщите нам

Ф

458

едеральное агентство по образованию

Государственное образовательное учреждение высшего

профессионального образования

Воронежский государственный архитектурно-строительный университет

Кафедра автоматизации технологических

процессов и производств

Общая электротехника и электроника

Методические указания

к выполнению расчетно-графических и курсовой работы

для студентов специальности 220301 «Автоматизация технологических процессов и производств (в строительстве)»

Воронеж 2009

Составители Ю. В. Авдеев, А. В. Полуказаков

УДК 621.3.01(07)

ББК 31.2Я7

Общая электротехника и электроника [Электронный ресурс]:

методические указания к выполнению расчетно-графических и курсовой работ для студ. спец. 220301 / Воронеж. гос. арх.-строит. ун-т.; сост.: Ю. В. Авдеев,

А. В. Полуказаков - Воронеж, 2009 г. - 40 с.

Методические указания содержат рекомендации по расчету установившихся и переходных процессов в линейных электрических цепях с использованием машинно-ориентированных методов и применением ЭВМ в этих расчетах. Также приводятся рекомендации по расчету устройств электроники и определена методика выполнения курсовой работы по электронике.

Ил. 10.Табл. 17. Библиогр.: 10 назв.

Папка «Электротехника», Файл «РГР и КР.doc». Объем – 1 Мб.

Используется по решению редакционно-издательского совета Воронежского государственного архитектурно-строительнго университета.

Рецензент: А. Д. Кононов канд. физ.-мат. наук, доц. каф. ММВТ ВГАСУ.

Оглавление

Общая электротехника.…….…………………………………….……...……....

4

Общая методика формирования топологических матриц и матриц исходных данных для расчета электрических цепей.........................................

4

Задание к расчетно-графическим работам №1-№2………..………..…………

6

Задание к расчетно-графическим работам №3-№4…………...………….……

10

Задание к выполнению расчетно-графических работ №5,6,7………..…….…

14

Расчетно-графическая работа №1…………………………………………........

16

Расчетно-графическая работа №2…………………………………………........

17

Расчетно-графическая работа №3…………………………………………........

18

Расчетно-графическая работа №4…………………………………………........

19

Расчетно-графическая работа №5…………………………………………........

20

Расчетно-графическая работа №6…………………………………………........

21

Расчетно-графическая работа №7…………………………………………........

23

Электроника……………………………………………………………………...

25

Расчетно-графические работы (общие положения и варианты заданий)…....

25

Расчетно-графическая работа №8………………………….….……………..…

26

Расчетно-графическая работа №9…………………….…………………...……

27

Расчетно-графическая работа №10…………………….………………..….…..

28

Расчетно-графическая работа №11……………………………………………..

29

Расчетно-графическая работа №12……………………………………...….…..

29

Расчетно-графическая работа №13…………………………………...………...

31

Расчетно-графическая работа №14………………………………...….………..

31

Расчетно-графическая работа №15……………………………………...……...

32

Расчетно-графическая работа №16………………………………...…………...

33

Расчетно-графическая работа №17……………..…………..…...……………...

34

Расчетно-графическая работа №18……….……………………......…………...

35

Курсовая работа. Общие положения …………...………...…………...……….

35

Темы курсовых работ …………………………………………………………...

36

Библиографический список………………………………………...…..……….

37

Общая электротехника

Выполнение расчетно-графических работ №1- №7 (РГР №1-№7) преследует единую цель: научить студента грамотному применению основных методов расчета токов и напряжений в линейных электрических цепях любой сложности, используя их машинно-ориентированные формы.

Машинно-ориентированные формы позволяют использовать ЭВМ не только для решения уравнений цепей, но также для формирования этих уравнений. На человека в этом случае ложится менее трудоемкая задача составления топологических матриц схем и матриц заданных источников и сопротивлений элементов схемы.

Грамотное применение машинно-ориентированных методов расчета электрических цепей на практике требует глубокого знания и понимания структуры и особенностей построения этих методов. Из курса "Математики" требуется хорошее знание разделов матричной алгебры и комплексных чисел. К выполнению работы можно приступать лишь после того, как изучен теоретический материал учебника, дополнительные сведения из методических указаний и даны ответы на все вопросы для самопроверки.

Оглавление

Общая методика формирования топологических матриц и матриц исходных данных для расчета электрических цепей

1. Изобразите ориентированный граф электрической цепи. Выделите заданное дерево графа и базисный узел. Необходимая для этого информация содержится в табл. 2-5, (7-10). В скобках указаны данные для РГР №3-№4.

2. Нарисуйте электрическую схему рассчитываемой цепи, приняв во внимание данные таблицы 1 (6), рис. 1 и рис. 2 (3 и 4). Укажите положительные направления источников ЭДС и тока, а также направления токов в пассивных элементах ветвей.

3. Перенумеруйте ветви графа, присвоив ветвям дерева номера от 1 до (nу - 1) и номера от nу до nв связям (nу - число узлов и nв - число ветвей графа). Базисный узел считайте нулевым, остальным в произвольном порядке присвойте номера от 1 до (nу -1).

4. Составьте матрицу соединений [A], помня при этом, что в нее не входит строка, относящаяся к базисному узлу, и элемент матрицы принимает значение +1, если рассматриваемая ветвь соединена с данным узлом, и ток в ветви направлен от узла. Если направление тока к узлу, то следует записать -1, и если ветвь вообще не соединена с данным узлом, то записать 0.

Номера ветвей от 1 до nв.

номера узлов от 1 до (nу-1)

5. Изобразите контуры и составьте матрицу контуров [C]. Направление обхода задается направлением тока в связи.

Номера ветвей от 1 до nв.

номера связей от ny до nв

Элемент матрицы Сsk=1, если k-ая ветвь входит в S-й контур, согласно обхода; Сsk=-1, если к-ая ветвь входит в S-й контур против его обхода; Сsk=0, если k-ая ветвь не входит в S-й контур.

6. Запишите столбцовые матрицы источников ЭДС, источников тока и диагональных сопротивлений и проводимостей

[E]=[E1 E2 … Enв]T,

[J]=[J1 J2 … Jnв]T,

[r]=diag[r1 r2 … rnв],

[g]=diag[g1 g2 … gnв], gi=1/ri,

взяв численные данные из табл. 1, в комплексной форме для РГР №3-№4 (табл.6)

,

,

,

, Yi=1/Zi,

учитывая, что мгновенные значения токов и ЭДС заменены их комплексными изображениями, т.е.

, Emк/Eк= ,

, Jmк/Jк= ,

комплексное сопротивление k-й ветви

Zк=rк+j(Lк-1/Cк).

Обратите особое внимание на знаки элементов матриц [E], [J], [E], [J] в соответствии с моделью ветви рис. 2 (4) и данными варианта в табл. 1 (6).

Оглавление

Задание к выполнению расчетно-графических работ №1 и №2

Таблица 1

Ветвь К

rк

Eк В

Jк А

Направление Ек

Направление Jк

1

1,212

2,537

1,725

+

+

2

2,736

X

2,391

X

-

3

4,510

1,137

X

+

X

4

5,379

4,265

X

-

X

5

2,018

5,814

X

-

X

6

8,921

X

X

X

X

7

4,363

X

X

X

X

8

6,129

2,631

0,517

+

-

Примечание: + от узла с большим номером,

- к узлу с большим номером,

Х - отсутствует.

Рис. 1. Неориентированный граф, рассчитываемой электрической цепи с источниками постоянной ЭДС и тока

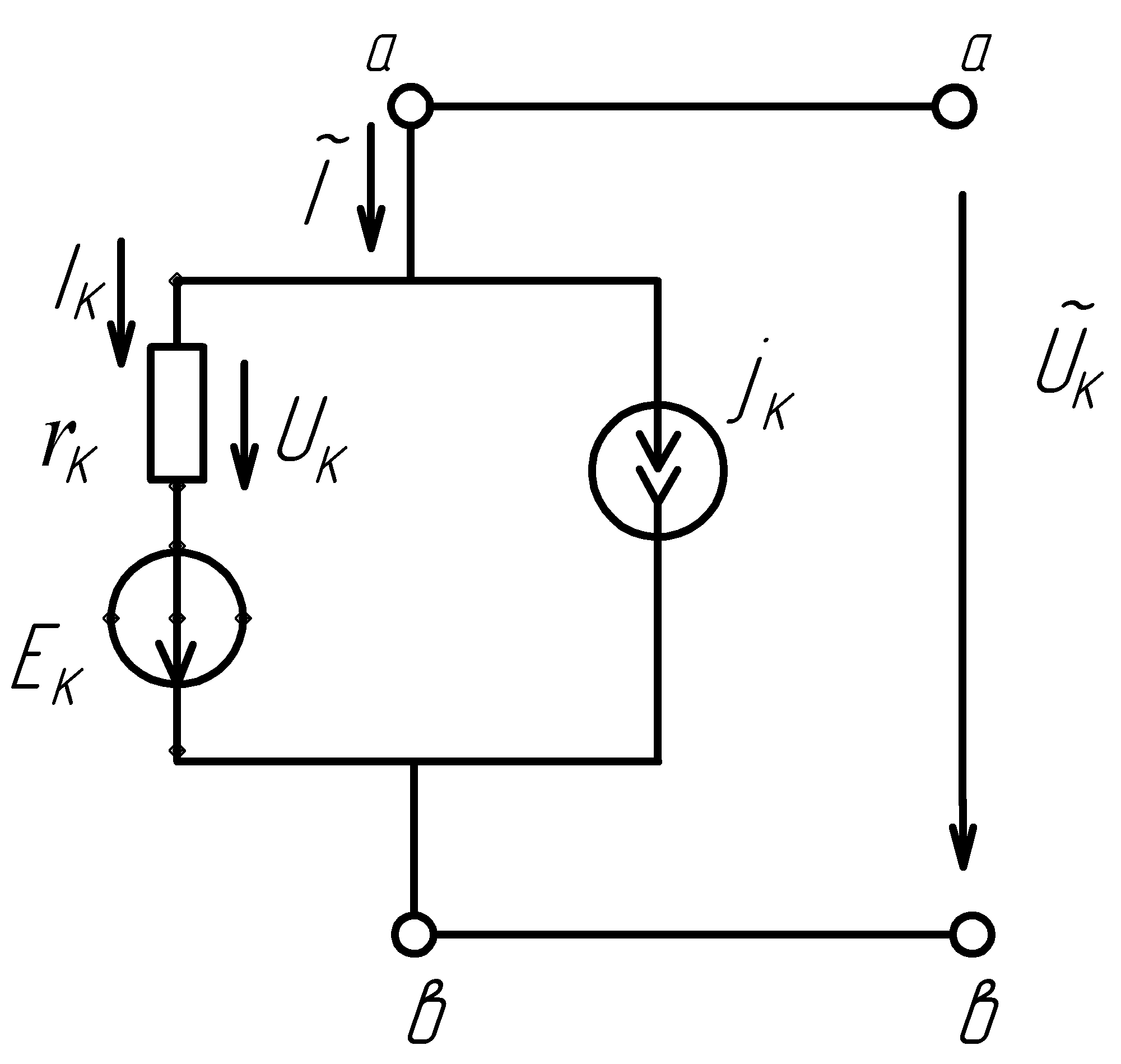
(1)

(2)

Рис. 2. Обобщенная к-ая ветвь и уравнения связей тока, напряжения и ЭДС

Таблица 2

(группа 1)

Вариант

(номер по списку)

Ветви

дерева

Базисный

узел

Положительное направление тока Iк ___

1 2 3 4 5 6 7 8

1

1863

1

- - - - - - - -

2

2574

2

- - - - + + + +

3

2864

3

- - + + - - + +

4

1753

4

- + - + - + - +

5

1853

5

+ - + - + - + -

6

2564

1

+ + - - + + - -

7

1763

2

+ + + + - - - -

8

4782

3

+ + + + + - - -

9

8143

4

+ + + + + + - -

10

5214

5

+ + + - - - - -

11

6321

1

+ + - + - + - +

12

7431

2

+ - - + + - + +

13

1435

3

- - - + - - - -

14

2146

4

- - + - - - - +

15

3217

5

- + - - - - + -

16

4328

1

- + - - - - + +

17

4185

2

- + + - - - + +

18

1256

3

- - - + - + - -

19

2367

4

- - - + + - - -

20

3478

5

- - + - + - - -

21

4358

1

- - + + + - - -