Рис. 3. Неориентированный граф рассчитываемой электрической цепи с гармоническими источниками
(3)
(4)
а так же их комплексных изображений
(3a)
(4a)
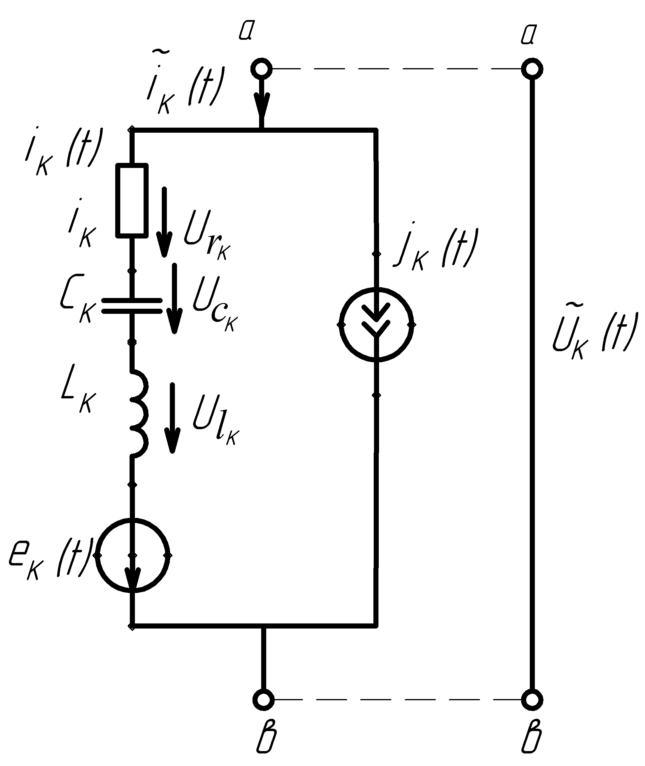
Рис. 4. Обобщенная к-ая ветвь и уравнения связей мгновенных значений токов, напряжений и ЭДС
Таблица 7
(группа 1)
Вариант (номер по списку) |
Ветви дерева |
Базисный узел |
Положительное направление тока iк(t). 1 2 3 4 5 6 |
1 |
124 |
1 |
- - - - - + |
2 |
125 |
2 |
- - + + + + |
3 |
135 |
3 |
- - - - + + |
4 |
145 |
4 |
- - - + - - |
5 |
163 |
1 |
- - + - - - |
6 |
165 |
2 |
- - - + + - |
7 |
216 |
3 |
- + - - + - |
8 |
246 |
4 |
- + - + + + |
9 |
256 |
1 |
- + - + - + |
10 |
235 |
2 |
- + + - - + |
11 |
236 |
3 |
- + - - - + |
12 |
324 |
4 |
+ + - + + + |
13 |
325 |
1 |
+ + - - - - |
14 |
354 |
2 |
+ + + + - - |
15 |
314 |
3 |
+ + + - - - |
16 |
364 |
4 |
+ - - + - - |
17 |
456 |
1 |
+ - - - + - |
18 |
412 |
2 |
+ - + + - - |
19 |
426 |
3 |
+ - + - - + |
20 |
453 |
4 |
+ + + + - + |
21 |
521 |
1 |
+ + - + - + |
Примечание: + от узла с большим номером
- к узлу с большим номером
Таблица 8
(группа 2)
Вариант (номер по списку) |
Ветви дерева |
Базисный узел |
Положительное направление тока iк(t). 1 2 3 4 5 6 |
1 |
436 |
1 |
- - - - + - |
2 |
462 |
2 |
- - - + + + |
3 |
326 |
3 |
- - - + - + |
4 |
216 |
4 |
- - + - - + |
5 |
613 |
1 |
- - + + + + |
6 |
154 |
2 |
- + - - - + |
7 |
135 |
3 |
- + + + + + |
8 |
125 |
4 |
- + - - + + |
|
|
|
|
|
|
|
Оконч. табл. 8
|
Вариант (номер по списку) |
Ветви дерева |
Базисный узел |
Положительное направление тока iк(t). 1 2 3 4 5 6 |
9 |
124 |
1 |
- + + - - - |
10 |
265 |
2 |
- + + + + - |
11 |
564 |
3 |
+ - + - - - |
12 |
263 |
4 |
+ + + + + - |
13 |
432 |
1 |
+ + - + - - |
14 |
325 |
2 |
+ + - - + - |
15 |
345 |
3 |
+ - + - + - |
16 |
431 |
4 |
+ + - - + - |
17 |
463 |
1 |
+ - - + - + |
18 |
326 |
2 |
+ - - - - + |
19 |
345 |
3 |
+ + - - - + |
20 |
532 |
4 |
+ + + - - + |
21 |
426 |
1 |
+ - + + + - |
Примечание: + от узла с большим номер;
- к узлу с большим номером
Таблица 9
(группа 3)
Вариант (номер по списку) |
Ветви дерева |
Базисный узел |
Положительное направление тока iк(t). 1 2 3 4 5 6 |
1 |
345 |
1 |
- - - - - - |
2 |
251 |
2 |
- - + - + - |
3 |
462 |
3 |
- - + - + + |
4 |
421 |
4 |
- - + + - - |
5 |
546 |
1 |
- - + + - - |
6 |
436 |
2 |
- - + + + - |
7 |
413 |
3 |
- - + + + + |
8 |
453 |
4 |
- + - - - - |
9 |
523 |
1 |
- + - + - - |
10 |
423 |
2 |
- + - + + - |
11 |
326 |
3 |
- + + - + - |
12 |
352 |
4 |
+ + + - + + |
13 |
526 |
1 |
- + + + - - |
14 |
426 |
2 |
- + + + - + |
15 |
612 |
3 |
+ - - - - - |
16 |
561 |
4 |
+ - - + + + |
|
|
|
|
|
|
|
Оконч. табл. 9
|
Вариант (номер по списку) |
Ветви дерева |
Базисный узел |
Положительное направление тока iк(t). 1 2 3 4 5 6 |
17 |
316 |
1 |
+ - - + + - |
18 |
415 |
2 |
+ - - + + + |
19 |
531 |
3 |
+ - + - + + |
20 |
521 |
4 |
+ - + + - + |
21 |
412 |
1 |
+ + + - + - |
Примечание: + от узла с большим номером
- к узлу с большим номером
Таблица 10
(группа 4)
Вариант (номер по списку) |
Ветви дерева |
Базисный узел |
Положительное направление тока iк(t). 1 2 3 4 5 6 |
1 |
326 |
1 |
- - + - + - |
2 |
432 |
2 |
- - + + + + |
3 |
532 |
3 |
- + + + - + |
4 |
435 |
4 |
- - + - - + |
5 |
431 |
1 |
- - + + + + |
6 |
436 |
2 |
- + - - - + |
7 |
546 |
3 |
+ + + + + + |
8 |
421 |
4 |
- + - - + + |
9 |
462 |
1 |
- + + - + - |
10 |
435 |
2 |
- + + + + - |
11 |
512 |
3 |
+ - + - + + |
12 |
325 |
4 |
+ + + + + - |
13 |
526 |
1 |
+ + - + + - |
14 |
426 |
2 |
+ + - - + - |
15 |
612 |
3 |
+ - + - + - |
16 |
516 |
4 |
+ + - - + - |
17 |
613 |
1 |
+ - - + - + |
18 |
541 |
2 |
+ - - + - + |
19 |
351 |
3 |
+ + - - - + |
20 |
512 |
4 |
+ + + - - + |
21 |
421 |
1 |
+ - + + + - |
Примечание: + от узла с большим номером
- к узлу с большим номером
Оглавление