Материал: metod_Primer_rascheta_kursovoy_raboty[1]

Внимание! Если размещение файла нарушает Ваши авторские права, то обязательно сообщите нам

6 Расчет тихоходного вала

6.1 Форма и материал вала

Для выполнения различных конструктивных элементов вала (места под подшипник, место под шпонку и уплотнения) вал выполняется ступенчатым.

В качестве материала для вала выбираем сталь 40ХН.

Таблица 3 – Механические свойства стали 40ХН ГОСТ 4543-71.

Марка стали

Диаметр заготовки, мм

Твердость, НВ

Механические характеристики,

МПа

ψτ

σв

σт

τт

σ-1

τ-1

40ХН

200

270

920

750

450

420

250

0,05

Вал и шестерня выполняются совместно.

6.2 Определение диаметров вала

Посадочный диаметр определяем по формуле:

округляем до 48 мм.

Выбираем муфту по справочнику: Муфта упругая с торообразной оболочкой (ГОСТ Р 50892-96).

Параметры муфты: Tном=400 Н·м, Tmax=1250 Н·м, dтв=48 мм, D=310 мм, l=75 мм, L=200 мм (см. Прил.А, рис.А.1).

Диаметр под подшипник определяем по формуле:

где tцил=4;

округляем до 55 мм.

Рассчитываем грузоподъемность:

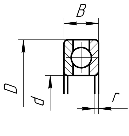
По ([1] табл.24.10) выбираем шариковые радиальные однорядные подшипники средней серии (из ГОСТ 8338-75):

dП=55 мм, D=120 мм, B=29 мм (см. Прил. А, рис.А.2).

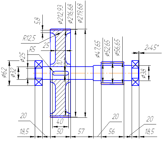
Диаметр под колесо определяем по формуле:

где r=3;

Расчет колеса:

;

.

Размеры призматической шпонки по ([1] табл.24.29):

b=18 мм, h=11 мм, t1=7 мм, t2=4,4 мм, l=50 мм (ГОСТ 23360-78).

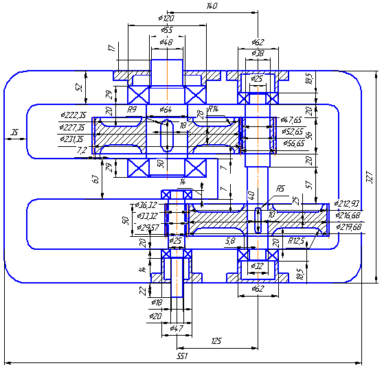
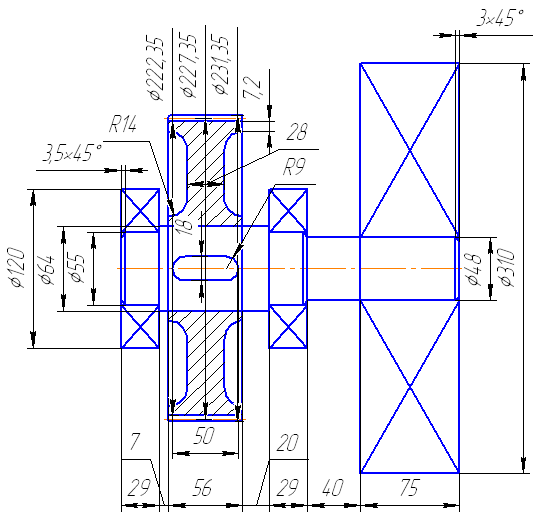
Схема тихоходного вала представлена в приложении Б (рис.Б.3).

7 Подбор смазки

Для смазывания зубчатого зацепления и подшипников в редукторе по развернутой схеме применяем картерную систему. В корпус редуктора заливаем масло так, чтобы колесо погружалось в масло. При вращении колеса масло разбрызгивается, создавая масляный туман. По рекомендациям заливаем масло так, чтобы в него погружалось колесо на 1/3 радиуса делительной окружности. В качестве смазывающего материала выбираем масло ЛИТА ТУ38.1011308-90.

Контроль уровня масла осуществляется при помощи щупа.

Объем смазки в масляной ванне предполагается не менее 0,5…0,8 литра на 1 кВт передаваемой мощности.

Заключение

В работе был произведен подбор электродвигателя и расчет редуктора.

Спроектированный редуктор является двухступенчатым, зубчатым, он имеет габаритные размеры 551×417×384. Данный редуктор с понижающей передачей, низкоскоростной. Он имеет недостатки: высокие нагрузки на подшипники; муфты расположены на небольшом расстоянии, в результате чего может возникнуть поломка редуктора. Основное достоинство редуктора: использование в конструкции стандартных деталей и комплектующих, следовательно, уменьшается трудоемкость изготовления и соответственно себестоимость редуктора. Также для визуального контроля зацепления зубьев колес и контроля смазки предусмотрено смотровое окно на крышке редуктора, контроль масла можно проверить с помощью щупа. Для удаления отработанного масла имеется дополнительное отверстие в нижней части корпуса.

Спроектировав и исследовав привод цепного транспортера, можно сделать вывод, что данный привод удовлетворяет условиям технического задания.

Список литературы

1 Дунаев П.Ф., Леликов О.П. Конструирование узлов и деталей машин. – М.: Высшая школа, 2006.

2 Паршукова Н.Ю. Расчет привода цепного транспортера, методическое пособие по курсу: «Детали машин и основы конструирования». – СФТИ НИЯУ МИФИ, Снежинск, 2012.

3 Детали машин: Атлас конструкций. В 2-х частях. Под ред. Д.Н. Решетова. – М.: Машиностроение, 1992.

4 Поляков В.С., Барбаш И.Д., Ряховский О.А. Справочник по муфтам. Л.: Машиностроение, 1979.

Приложение а

Рисунок А.1 – Муфта упругая с торообразной оболочкой (ГОСТ Р 50892-96).

Рисунок А.2 – Подшипник шариковый радиальный однорядный (ГОСТ 8338-75).

Рисунок А.3 – Подшипник роликовый конический однорядный повышенной грузоподъемности (ГОСТ 27365-87).

Приложение б

Рисунок Б.1 – Схема быстроходного вала.

Рисунок Б.2 – Схема промежуточного вала.

Рисунок Б.3 – Схема тихоходного вала.

Рисунок Б.4 – Схема зацепления валов (схема сборки редуктора – вид сверху).

Подписано в печать ………. Формат 6084 1\16.

Печ. л. 2,5 Тираж 30 зкз.

Заказ № …….

Снежинский физико-технический институт НИЯУ МИФИ

Типография СФТИ НИЯУ МИФИ

456776, Г. Снежинск, ул. Комсомольская, 8.