Материал: mekhatronika_UrGUPS

Внимание! Если размещение файла нарушает Ваши авторские права, то обязательно сообщите нам

46

Rosc

TMS

TSK

TDI

TDO

TEST

XIN XOUT/TCLK

Системный

тактовый

генератор

процессор Центральный

JTAG интерфейс Отладочный

Аппаратный

умножитель 8х8, 8х16, 16х8, 16х16

 

 

 

 

 

RST/NMI

 

Р0...Р7

 

Флэш-

 

 

12-бит

 

Модуль

JTAG

Порт Р1

 

ОЗУ

 

 

OUTX

 

память

 

АЦП

 

RESET

CCLXA

8 линий

 

 

 

 

 

 

 

 

8 каналов

 

TACLK

 

 

 

 

 

 

 

 

SMCLK

 

 

Шина

 

данных

 

 

(MAB)

16 бит

 

 

Шина

 

управления

 

(MСB)

 

 

 

 

 

 

 

Преобра-

 

 

 

Шина данных (MDB) 16 бит

 

 

зователь

MDB 8 бит

 

 

 

 

 

 

 

шины

 

 

 

 

 

TACLK

 

 

 

 

 

 

 

 

OUTX

 

 

 

 

 

 

Сторожевой

Таймер

CCLXA

Таймер

 

Аналоговый

JTAG

Порт Р2

Р0...Р5

таймер

А

CCLXB

B

 

компаратор

 

6 линий

 

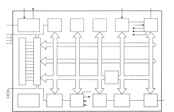
Рис. 3.9. Структура микроконтроллера MSP-430 Fxxx

ется умножение со знаком (MPYS) и беззнаковое умножение (MPY), знаковое умножение с накопителем (MACS) и беззнаковое умножение с накопителем (MAC).

Микроконтроллер MSP-430 позволяет совмещать в одном адресном пространстве память программ, память данных и регистров периферийных устройств. Это означает, что одни и те же команды могут быть использованы как для работы с памятью, так и с периферийными устройствами.

Общение с «внешним миром» у микропроцессоров происходит с помощью портов ввода-вывода (порты P1 и P2 на рис. 3.9). Разные модификации семейства MSP 430 имеют разное количество портов.

Микроконтроллеры серии MSP 430 имеют в своем составе один или два универсальных таймера (A и B), сигналы которых используются в программах для прерывания или начала некоторых запрограммированных действий, например, таймер A позволяет формировать широтно-модулированный (ШИМ) сигнал.

Обязательным периферийным устройством сегодня является сторожевой таймер (WDT), который может спасти устройство от «зависания» микроконтроллера.

Традиционным периферийным устройством также считается аналоговый компаратор для сравнения различных величин с эталоном. Когда сигнал на выходе компаратора меняет свое значение, микроконтроллер опознает прерывание с соответствующим вектором системных данных для обработки JTAG. Этот интерфейс имеется на всех микроконтроллерах MSP-430 и состоит из четырех сигнальных линий (TMS, TCK, TDI, TDO), пятая линия TEST включает JTAG-интерфейс подачей на соответствующий выход микросхемы логической единицы. Для доступа к JTAG-интерфейсу обычно используются линии порта 1.

Обмен по JTAG-интерфейсу осуществляется с помощью макросов доступа. После расстановки соответствующим образом данных в макросе он превращается в коммуникационную инструкцию (JTAG communication instruction) для работы с flash-памятью. Для передачи инструкций действуют три шины: шина адресов памяти (MAB memory address bus), шина данных памяти (MDB memory data bus) и шина управления контроллером (MCB memory control bus) (рис. 3.9).

Более подробно устройство, работа и применение микроконтроллера серии MSP 430 будут рассмотрены в курсе «Микропроцессорная техника». Микропроцессоры фирмы Analog Devices и микроконтроллеры фирмы Googol Technology рассмотрены в работе [1].

47

3.1.3. Технологии автоматизированного проектирования

Проектирование технического объекта – это процедура создания, преобразования и представления в принятой форме образца, еще не существующего объекта. Проектирование предполагает выполнение комплекса работ исследовательского, расчетного и конструкторского характера.

Проектирование, при котором все проектные решения или их часть получают путем взаимодействия человека с ЭВМ, называется автоматизированным. Система, реализующая автоматизированное управление, представляет собой систему автоматизированного проектирования – САПР (CAD Computer Aided Design). Технологии, которые используются при разработке САПР (CAD), называются технологиями автоматизированного проектирования.

Современные САПР, обеспечивающие сквозное проектирование (от конструкторской разработки до реализации производства изделия в промышленных условиях) сложных изделий, имеют многомодульную структуру. Модули различаются своей ориентацией на те или иные проектные задачи применительно к тем или иным типам устройств и конструкций. При этом возникают естественные проблемы, связанные с построением общих баз данных, с выбором протоколов, форматов данных и интерфейсов разнородных подсистем, с организацией совместного использования модулей при групповой работе. Эти проблемы усугубляются на предприятиях, производящих сложные изделия, в частности, с механическими и электронными подсистемами, поскольку САПР машиностроения и радиоэлектроники до недавнего времени развивались самостоятельно, в отрыве друг от друга [12, 13, 14]. В связи с этим стало очевидно, что эффективность автоматизации проектирования будет заметно выше, если данные генерируемые в одной из подсистем будут доступны в других подсистемах проектирования, поскольку принимаемые в них решения станут более обоснованными. Для достижения должного уровня взаимодействия систем требуется создание единого информационного пространства для всех участников процесса проектирования на основе CALS-технологии.

В настоящее время термин CALS (Continuous Acquisition and Life Cycle Support) переводится как «непрерывное сопровождение и информационная поддержка всех этапов жизненного цикла изделий (ЖЦ)». Первая часть термина CALS (Continuous Acquisition) подчеркивает постоянное развитие, которое претерпевает как само изделие в течение

48

своего ЖЦ, так и процесс взаимодействия между потребителем и поставщиком. Вторая часть (Life Cycle Support) означает оптимизацию затрат на создание и эксплуатацию изделия на протяжении всего ЖЦ. Это чаще всего выливается в увеличение затрат на стадии создания изделия и их снижение на этапах эксплуатации, ремонта и обслуживания изделия (в целом на всем ЖЦ приводит к снижению стоимости и повышению конкурентоспособности изделия).

Стратегия CALS предполагает создание единого информационного пространства (ЕИП) для всех участников ЖЦ изделия. ЕИП предполагает представление всей информации об изделии в электронном виде и организацию совместного использования информации для всех участников ЖЦ изделия (в соответствии с правилами доступа) [12].

Главная задача создания и внедрения CALS-технологий – обеспечение единообразных описаний и интерпретации данных независимо от места и времени их получения в общей системе, имеющей масштабы вплоть до глобальных. Структура проектной, технологической и эксплуатационной документации, языки ее представления должны быть стандартизованными. Тогда становится реальной успешная работа над общим проектом разных коллективов, разделенных во времени и пространстве и применяющих разные системы CAE / CAD / CAM. Одна и та же конструкторская документация может быть использована многократно в разных проектах, а одна и та же технологическая документация – адаптирована к разным производственным условиям, что позволяет существенно сократить и удешевить общий цикл проектирования и производства. Кроме того, упрощается эксплуатация систем.

CALS-технологии не отвергают существующие автоматизированные системы проектирования и управления, а являются средством их эффективного взаимодействия. Поэтому интеграция автоматизированных систем на современных предприятиях должна быть основана на CALS-технологиях. Внедрение их требует освоения имеющихся технологий и CALS-стандартов, развития моделей, методов и программ автоматизированного проектирования и управления. Важные проблемы, требующие решения при создании CALS-систем – управление сложностью проектов и интеграция программного обеспечения, включая вопросы декомпозиции проектов, распараллеливания проектных работ, целостности данных, межпрограммных интерфейсов и др.

CALS-технологии зародились в 1980-е годы в недрах военно-про- мышленного комплекса США в связи с их планами в области стра-

49

тегической оборонной инициативы (СОИ). Поэтому неудивительно, что среди имеющихся CALS-стандартов фигурирует большое число стандартов и рекомендаций DoD (Министерства обороны США). Для реализации планов СОИ требовались совместные усилия многих промышленных компаний и предприятий в проектировании, производстве и логистической поддержке сложных изделий, а это означало необходимость унификации представления данных об изделиях. Было осознано, что для взаимодействия автоматизированных систем разных предприятий нужна унификация не только формы, но и содержания (семантики) проектной, технологической, эксплуатационной и другой информации о совместно производимой продукции. Другими словами, требовалось создание единой информационной среды взаимодействия всех крупнейших фирм американского военнопромышленного комплекса.

Оказалось, что это чрезвычайно сложная проблема, решение которой требует длительной и многосторонней проработки в масштабах, выходящих за пределы одной страны. Выяснилось также, что создание единой информационной среды требуется не только для уникальных программ типа СОИ, но и для производства любых сложных систем, в первую очередь военной техники, если ее производство основано на взаимодействии многих предприятий.

В 1990-х годах разработан и к настоящему времени принят ряд серий международных стандартов, представляющих CALS-технологии, среди которых наиболее значимы стандарты ISO 10303 STEP (Standard for Exchange of Product Data). В контрактах, заключаемых на поставку зарубежным заказчикам военной техники, требования к изделиям и документации на них, как правило, формулируются с позиций международных CALS-стандартов и стандартов DoD (последние имеют префикс MIL).

Развитие CALS-технологий стимулирует образование виртуальных производств, при которых процесс создания спецификаций с информацией для программно управляемого технологического оборудования, достаточной для изготовления изделия, может быть распределен во времени и пространстве между многими организационно автономными проектными организациями.

Ожидается, что успех на рынках сложной технической продукции будет немыслим вне CALS-технологий. Так, уже сегодня фирмы, предлагающие военную технику без электронной документации, выполненной в соответствии с CALS-стандартами, не имеют никаких шансов на успех в конкурентной борьбе.

50