Материал: Лекция 15 Пуск АД

Внимание! Если размещение файла нарушает Ваши авторские права, то обязательно сообщите нам

Пуск асинхронных двигателей

Основные характеристики пуска. Основными показателями,

характеризующими пусковые свойства асинхронного двигателя, являются начальный пусковой момент Mп и начальный пусковой ток Iп .

Величины Мп и Iп определяются при U Uн и скольжении s 1.

Часто они выражаются в долях соответствующих номинальных величин:

Мп / Мн Кп и Iп / Iн .

Для того чтобы ротор двигателя при пуске пришел во вращение, необходимо, чтобы момент Mп был больше нагрузочного момента сопротивления Мс . При прочих равных условиях, чем больше будет разность Mп Mс , тем быстрее развернется двигатель. Обычно

Мп Мн . С увеличением Mп пусковые свойства двигателя улучшаются.

При скольжениях s 1 в обмотке ротора асинхронного двигателя наводится большая ЭДС, вследствие чего ток IП в несколько раз

превышает свое номинальное значение, что может вызвать при пуске колебания напряжения в питающей сети. Колебания напряжения в сети вредно отражаются на работе подключенных к ней потребителей (уменьшение накала ламп, снижение максимального момента двигателей и т.д.). Поэтому чем меньше будет ток IП , тем лучше будут пусковые свойства двигателя.

Принимая скольжение s 1, имеем

 

 

 

 

m U

2r

 

Мп

 

1

1

2

 

;

1 r1 c1r2 2 x1 c1x2 2

Iп I2

 

 

 

U1

.

 

 

 

 

 

r1 r2 2 x1 c1x2 2

 

 

 

 

 

Из этих формул следует, что улучшение пусковых свойств асинхронных двигателей, т.е. одновременное увеличение Mп и уменьше-

ние IП , можно получить только за счет увеличения активного сопро-

тивления роторной цепи r2 . Однако сильное увеличение активного сопротивления ротора r2 целесообразно только на период пуска, так как при работе повышенные значения r2 вызывают возрастание по-

терь в обмотке ротора и снижение КПД двигателя.

Увеличение активного сопротивления ротора при пуске используется в асинхронных двигателях с фазным ротором и двигателях со специальными пазами на роторе.

Рассмотрим применяемые для трехфазных асинхронных двигателей способы пуска.

Прямой пуск. Прямой пуск благодаря своей простоте является основным способом пуска короткозамкнутых трехфазных асинхронных двигателей. При прямом пуске обмотка статора непосредственно, без всяких пусковых устройств, подключается к сети. Асинхронные двигатели с короткозамкнутым ротором обычно проектируют так, чтобы при прямом пуске Kп 1,0 1,3 и Iп / Iн 4 7 . Прямой пуск

протекает быстро. Его продолжительность составляет доли секунды у двигателей небольшой мощности и несколько секунд у более мощных двигателей. При пуске скорость ротора постепенно увеличивается, а его скольжение и ЭДС уменьшаются, вследствие чего происходит снижение токов в роторе и статоре. Пуск закончится, когда скорость ротора и токи достигнут установившихся значений, определяемых нагрузочным статическим моментом на валу. Обычно эти токи не превышают номинальных значений. Если пуски происходят редко, то, несмотря на большие начальные токи, обмотки не успевают нагреваться выше допустимых температур. Крепления обмоток рассчитывают так, чтобы они могли выдерживать электродинамические усилия между проводниками, возникающие при пуске, следовательно, все асинхронные двигатели рассчитываются так, что они могут выдерживать прямой пуск.

Ограничение для применения прямого пуска обычно накладывает сеть. Если в сети от пусковых токов включаемого двигателя возникают большие падения напряжения, превышающие 10–15 %, то этот двигатель прямым пуском в данную сеть включать не рекомендуется. Необходимо принять меры, уменьшающие пусковой ток.

При частых включениях двигателя, исходя из допустимого нагрева обмоток статора, число прямых пусков в час ограничивается. Допустимое число включений двигателей в час определяется в курсе электропривода.

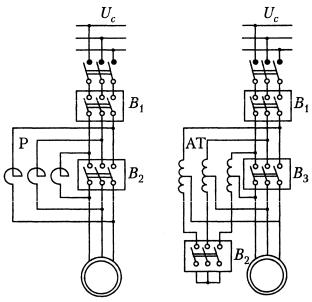
Пуск асинхронных двигателей с короткозамкнутым ротором при пониженном напряжении. В тех случаях, когда из-за большого падения напряжения в сети прямой пуск для короткозамкнутых двигателей недопустим, применяют подключение их обмоток статора в первый момент пуска на пониженное напряжение, при этом пусковой ток уменьшается, что приводит к снижению падения напряжения в сети. Недостатком такого способа пуска является снижение начального пускового момента пропорционально квадрату напряжения. Поэтому этот способ пуска применяется в тех случаях, когда отсутствует нагрузочный момент на валу или когда этот момент невелик. Для снижения подводимого к статору двигателя напряжения используются следующие схемы: пуск через реактор (рис. 2.48) и пуск через автотрансформатор (рис. 2.49).

Пуск через реактор производится при включении выключателя В1 и выключенном В2 . Из–за падения напряжения в реакторе LR

напряжение на выводах обмотки статора уменьшится до значения U1.

Если принять, что сопротивление zk двигателя остается постоянным, то пропорционально уменьшится и начальный пусковой ток

Iп Iпн U1 , (2.47)

U

где Iпн – начальный пусковой ток при номинальном напряжении

Uна выводах статора (при прямом пуске). Начальный пусковой момент при этом будет равен:

Mп Mпн U1 /U2 ,

гдеMпн – начальный пусковой момент при напряжении U.

Рис. 2.48. Рис. 2.49.

Когда ток спадет, включают выключатель В2 , которым закора-

чивается реактор LR. С этого момента к обмотке статора подводится полное напряжение сети, при котором будет протекать дальнейшая работа двигателя. Напряжение U1 выбирают обычно равным 0,65U.

Пуск через автотрансформатор осуществляется следующим образом. При замкнутом выключателе В3 включают выключатель В1. При этом обмотки статора двигателя оказываются подключенными на напряжение U понижающего автотрансформатора AT . Ток во вторичной обмотке автотрансформатора и обмотке статора двигателя при zk const определяется по (2.47). Вращающий момент, развиваемый двигателем в первый момент пуска,

Mп Mпн U! /U2 .

Ток в первичной обмотке автотрансформатора, а, следовательно, и ток Iп , поступающий в двигатель из сети, будут меньше Iп в число раз, равное отношению напряжений U1 /U, т.е.

Iп Iп U1 /UIпн U1 /U2 .

(2.48)

Из (2.48) следует, что для одного и того же снижения напряжения на выводах двигателя при автотрансформаторном пуске уменьшение тока, потребляемого из сети, происходит более резко, чем при пуске через реактор. Это является достоинством пуска через автотрансформатор, однако эта схема дороже схемы пуска через реактор.

По окончании пуска выключатель В3 размыкается, а выключа-

тель В2 замыкается, и двигатель оказывается включенным на напря-

жение сети. Выключатель В3 отключается во избежание перегорания обмотки автотрансформатора, так как при замыкании В2 часть обмо-

ток автотрансформатора закорачивается и полное напряжение сети окажется приложенным только на оставшиеся небольшие части обмоток, вследствие чего резко увеличится намагничивающий ток. С помощью автотрансформатора напряжение U1 понижается до (0,55–

0,73)U.

Пуск переключением со звезды на треугольник (рис. 2.50) применяется в том случае, если данному напряжению сети соответствует схема соединения обмотки статора треугольник. Тогда, если при пуске этого двигателя обмотку статора пересоединить в звезду и включить ее в ту же сеть, напряже-

 

ние на фазу снизится в 3

раз. Начальный

 

пусковой ток в этом случае будет равен:

 

 

 

IпY

U

,

 

 

 

 

 

 

 

 

 

3zk

 

 

 

 

 

 

 

где U

– линейное номинальное напряже-

Рис 2.50

ние;

zk

– сопротивление

фазы двигателя.

 

После того как двигатель разгонится, обмот-

ку статора переключателем S

включают в треугольник. При этой схе-

ме будет происходить работа двигателя.

При прямом пуске (обмотка статора соединена в треугольник)