Материал: Электроснабжение канализационной насосной станции

Внимание! Если размещение файла нарушает Ваши авторские права, то обязательно сообщите нам


4 Расчет токов короткого замыкания

Расчет токов короткого замыкания выполняется для проверки электрооборудования на термическую и электродинамическую стойкости, а также для определения параметров релейной защиты.

4.1 Расчет токов короткого замыкания в сети 6 кВ

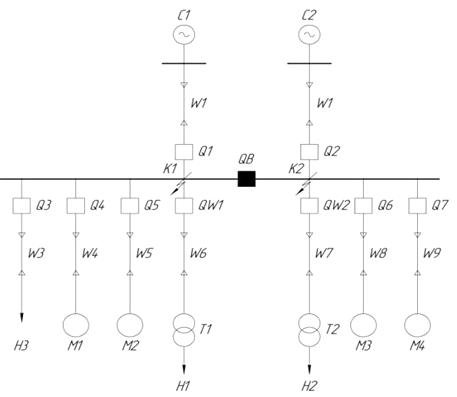
Так как расчетные точки находятся на одной ступени напряжения, расчет целесообразно выполнять в именованных единицах. Расчетная схема сети 6 кВ представлена на рисунке 4.1.

Рисунок 4.1 - Расчетная схема сети 6 кВ

Расчет параметров схемы замещения выполним используя формулы (4.1) - (4.17) [5],[7].

) параметры схемы замещения линий.

Активное сопротивление:

 

 

гдеr0 - удельное активное сопротивление линии, Ом/км;

l - длина линии, км.

Индуктивное сопротивление:

 

 

гдеx0 - удельное индуктивное сопротивление линии, Ом/км;

l - длина линии, км.

Определим параметры схемы замещения линииW1:

Значения r0, x0 и l, необходимые для расчета параметров линийберем из таблицы 3.3,

 

 

2) параметры схемы замещения трансформаторов:

 

 

гдеΔPк- мощность потерь короткого замыкания трансформатора, МВ∙А; Uном - номинальное напряжение трансформатора, кВ;

Sном - номинальная мощность трансформатора, МВ∙А.

 

 

гдеUном - номинальное напряжение трансформатора, кВ;

Sном - номинальная мощность трансформатора, МВ∙А;

Uк- напряжение короткого замыкания трансформатора, %.

Определим параметры схемы замещения трансформаторов Т1, Т2:

Значения величин необходимые для расчета принимаем по таблице 2.1/

 

 

3) Параметры схемы замещения асинхронных двигателей.

Активное сопротивление:


гдеUном - номинальное напряжение двигателя, кВ; Sм.ном - номинальная полная мощность двигателя, МВ∙А; rм*(н) - активное сопротивление двигателя при номинальных условиях в относительных единицах.

 

гдеsном - номинальное скольжение двигателя, %.

Индуктивное сопротивление:

 

 

гдеxм*(н) - сверхпереходное индуктивное сопротивление двигателя при номинальных условиях в относительных единицах;

 

 

где Iп*(н) - кратность пускового тока двигателя по отношению к его номинальному току.

ЭДС:

 

 

гдеEм*(н) - сверхпереходная ЭДС двигателя при номинальных условиях в относительных единицах. Определим параметры схемы замещения двигателей М1-М4. Тип двигателей: ВАН118/23-8У3 (смотри исходные данные). Номинальную полную мощность двигателей можно определить по формуле:

 

 

Номинальное скольжение для данного типа двигателей принимаем по паспортным данным sном = 1,9 % [8].

 

 

Кратность пускового тока для данного типа двигателей принимаем по паспортным данным Iп*(н) = 4,2 [8].

 

 

 

 

4) параметры схемы замещения обобщенных нагрузок.

Активное сопротивление:

 

 

Индуктивное сопротивление:

 

где0,17 и 0,23- значения активного и индуктивного сопротивления типовой нагрузки в относительных единицах [7];

Sном- полная мощность нагрузки, МВ∙А;

ЭДС:

 

Где 0,788- значения ЭДС типовой нагрузки, отн. ед.[7].

Определим параметры нагрузки Н3.

В качестве нагрузки Н3 представлена трансформаторная подстанция ТП-365 мощностью 1,3 МВ∙А, подключенная к шинам первой секции распределительного устройства 6кВ (смотри исходные данные).

 

 

 

5) Параметры схемы замещения систем электроснабжения.

Активное сопротивление:

 

Индуктивное сопротивление:

 

 

где Iк(3) - ток трехфазного короткого замыкания на шинах питающей подстанции, кА.

ЭДС:

 

Определим параметры системы С1.

 

 

 

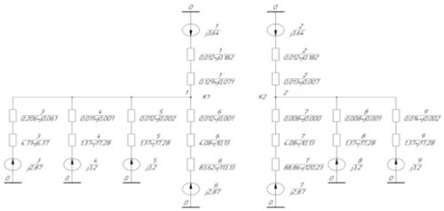
Параметры остальных элементов схемы замещения определяем аналогичным образом, результаты сводим в таблицу 4.1. Схема замещения представлена на рисунке 4.2.

Таблица 4.1 - Параметры элементов схемы замещения сети 6 кВ

Элемент схемы

Обозначение на плане

r, Ом

х, Ом

ЭДС, кВ

С1

-

0,012

0,182

3,64

С2

-

0,012

0,182

3,64

W1

I

0,129

0,071

-

W2

II

0,013

0,007

-

W3

III

0,206

0,061

-

W4

Т1-1

0,011

0,001

-

W5

1-1

0,012

0,002

-

W6

3-1

0,012

0,001

-

W7

Т1-2

0,008

0,000

-

W8

2-1

0,008

0,001

-

W9

4-1

0,014

0,002

-

Т1,Т2

Т1,Т2

4,08

10,13

-

М1, М2, М3, М4

1,2,3,4

1,37

17,28

3,2

Н1

-

83,62

113,13

2,87

Н2

-

88,86

120,23

2,87

Н3

-

4,71

6,37

2,87


Рисунок 4.2 - Схема замещения сети 6 кВ

Расчет токовКЗ в точке К1.

Ток трехфазного короткого замыкания, равный периодической составляющей тока КЗ в начальный момент времени определим по формуле [7]:

 

гдеEэ - эквивалентная ЭДС источников, участвующих в питании места КЗ, кВ;

xэ - эквивалентное индуктивное сопротивление относительно точки КЗ, Ом;

1)определим эквивалентное индуктивное сопротивление.

Суммарное сопротивление 1-й ветви:

 

 

 

Суммарное сопротивление 3-й ветви:

 

 

 

Суммарное сопротивление 4-й ветви:

 

 

 

Суммарное сопротивление 5-й ветви:

 

 

 

Суммарное сопротивление 6-й ветви:

 

 

 

Сопротивление при параллельном соединении 1-й и 3-й ветви:

 

 

 

Сопротивление при параллельном соединении 1-й, 3-й и 4-й ветвей:

 

 

 

Сопротивление при параллельном соединении 1-й, 3-й, 4-й и 5-й ветвей:

 

 

 

Эквивалентное индуктивное сопротивление:

 

 

2) определим эквивалентное активное сопротивление.

Суммарное сопротивление 1-й ветви:

 

 

Суммарное сопротивление 3-й ветви:

 

 

Суммарное сопротивление 4-й ветви:

 

 

 

Суммарное сопротивление 5-й ветви:

 

 

 

Суммарное сопротивление 6-й ветви:

 

 

Сопротивление при параллельном соединении 1-й и 3-й ветви:

 

 

Сопротивление при параллельном соединении 1-й, 3-й и 4-й ветвей:

 

 

 

Сопротивление при параллельном соединении 1-й, 3-й, 4-й и 5-й ветвей:

 

 

 

Эквивалентное активное сопротивление:

 

 

3) определим эквивалентную ЭДС.

Эквивалентная ЭДС от 1-й и 3-й ветви:

 

 

 

 

Эквивалентная ЭДС от 1-й, 3-й и 4-й ветви:

 

 

Эквивалентная ЭДС от 1-й, 3-й, 4-й и 5-й ветвей:

 

 

 

Эквивалентная ЭДС источников, участвующих в питании точки КЗ:

 

 

4) определим по формуле (4.18) ток трехфазного КЗ в точке К1:

 

5) ударный ток в точке К1определим по формуле [7]:

 

где Куд - ударный коэффициент, определяемый по формуле (4.20)

 

где

 

 

 

 

Токи КЗ в точке К2 определяются аналогичным образом, результаты сведены в таблицу 4.2.

Таблица 4.2 - Расчет токов КЗ в сети 6 кВ