|
|
Модули мобильной системы X90 |
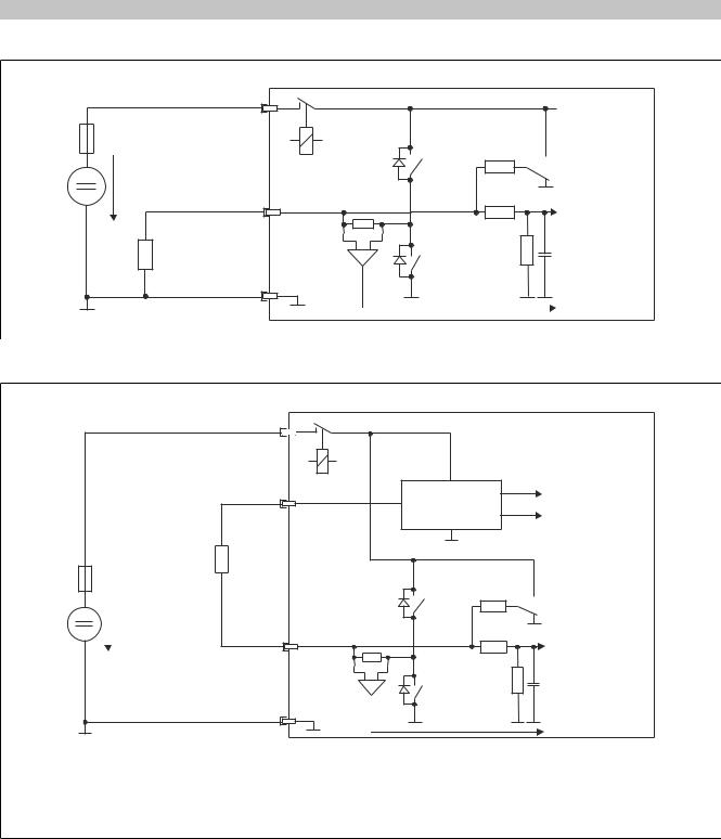
Многофункциональный выход MF-PWM, выход ШИМ, подключение в режиме источника |
||
|
Электронный блок управления |
|
Vcc |
Линия питания Vs1 |
|
10 А с задержкой |
|
|
срабатывания |
|
10 кОм |
|
Разрешающее |
|
|
|
|
|
реле |
|
12/24 В |
|
|
ШИМ |
|
Логическое |
|
|
|
|
|
состояние |
Заземление |
|
|
|
|
Ток |
Многофункциональный выход MF-PWM, выход ШИМ, подключение в режиме потребителя |
||
|
Электронный блок управления |
|
Vcc |
Линия питания Vs1 |
|
|
Разрешающее |
Логическое |
Дискретный выход |
реле |
|
(линия питания |
|
состояние |
|
Ток |
|
для выходов) |
|
|
10 А с задержкой |
|
|
срабатывания |
|
10 кОм |
|
|
|
12/24 В |
|
|
|
|
Логическое |
ШИМ |
|
состояние |
Заземление |
|
|
|
|
Ток |
Дискретный выход: |
|
|
Линия питания нагрузки, подключенной к выходу (постоянно включен) |
|
|
ШИМ: |
|
|
- Активный выход с шунтирующим диодом, нижнее плечо (нагрузка подключена к источнику питания для выходов) |
||
Мобильная система управления X90 Руководство пользователя V 1.20 - Перевод руководства |
111 |
Модули мобильной системы X90
|
500 |
100 Гн |
10 Гн 100 Гн |
|
|
|
|
1 Гн |
|
|
|
|
10 Гн |
|
|
100 |
|
0,1 Гн |
|
] |
|
1 Гн |
|
|
обмоткиСопротивлениеОм[ |
|
|
0,01 Гн |
обмоткиИндуктивность |
|
|
|
0,1 Гн |
|
|
10 |
|
0,01 Гн |
|
32 |
В |
9 |
В |
1 |
|
|
|
0,1 |
1 |
10 |
100 |
Максимум циклов переключения/с (при коэффициенте заполнения 90 %)
1 выход
Сопротивление обмотки [Ом]
500 |
100 Гн 10 Гн 100 Гн 1 Гн |
|
10 Гн |
0,1 Гн
1 Гн
100
0,01 Гн
0,1 Гн
0,01 Гн
10
1
0,1 |
1 |
10 |
100 |
Максимум циклов переключения/с (при коэффициенте заполнения 90 %)
Одновременное переключение всех выходов
Индуктивность обмотки
32 В
9 В
Важно!
Необходимо соблюдать максимальные допустимые значения для индуктивных нагрузок в соответствии с диаграммой. В противном случае выход может быть поврежден (не обеспечена защита от индуктивной перегрузки).
При коммутации индуктивной нагрузки, значения параметров которой выходят за пределы допустимого диапазона, необходимо предусмотреть внешнюю цепь защиты (шунтирующий диод).
Важно!
Логические состояния входов недействительны после отключения питания! При подключении входа в режиме источника питание на датчик необходимо подавать через дискретный выход.
112 |
Мобильная система управления X90 Руководство пользователя V 1.20 - Перевод руководства |
Модули мобильной системы X90
Многофункциональный выход ШИМ (MF-PWM)
Это двухтактные выходы (с активным механизмом сброса (режим active clamp)). Преимущество этого схемотехнического решения заключается в уменьшении рассеивания мощности при коммутации индуктивных нагрузок.
Для параллельной работы можно настроить только идущие подряд выходы (например, 2, 3, 4). При использовании в качестве входа для драйвера устанавливается высокое входное сопротивление (по умолчанию).
Из-за дополнительных потерь за счет задержки при параллельном подключении выходов (с индуктивными нагрузками) необходимо учитывать, что максимальная частота ШИМ будет ограничена значением 1500 / максимальный ток на каждый выход:
Пример 1:
параллельное подключение 2 выходов с индуктивной нагрузкой 6 A: Нагрузка на канал 6 A / 2 = 3 A
Допустимая частота переключения: 1500 / 3 A = 500 Гц
Пример 2:
параллельное подключение двух выходов с индуктивной нагрузкой и использованием номинального тока силой 4 А на канал.
Максимальный ток: 2 x 4 A = 8 A Максимальная частота: 1500 / 4 A = 375 Гц
Выход способен выдержать временную перегрузку (см. таблицу) продолжительностью до 2 секунд. Если в течение определенного времени требуется подача тока большей силы, то в оставшееся время необходимо подавать ток меньшей силы, чтобы не превышать установленные значения для интеграла Джоуля. 2)
Проходящий ток |
Многофункциональные выходы |
79,4 А2•сек |
MF-PWM 6 А |
35,3 А2•сек |
MF-PWM 4 А |
40,5 А2•сек |
MF-DO |
Вычисление силы тока, подаваемого в оставшееся время
Пример
Необходимо подавать ток силой 8 А в течение 0,5 сек.
2) При силе тока более 10 A (MF-PWM) или более 20 A (MF-DO) для расчетов используется значение 25 A.
Мобильная система управления X90 Руководство пользователя V 1.20 - Перевод руководства |
113 |
Модули мобильной системы X90
Если мобильная система X90 работает от источника питания, а не от батареи, то необходимо учитывать, что требуется наличие буферного конденсатора емкостью не менее 4700 мкФ.
Это необходимо, так как при включении реле происходит зарядка конденсатора резервного питания, что приводит к кратковременному (менее 1 мс) понижению напряжения.
Это не влияет на работу мобильной системы X90, однако может отрицательно повлиять на другие компоненты, питающиеся от того же источника.
Питание |
Электронный блок управления |
других устройств |
|
|
Vcc |
|
|
Ipk |
|
30 |
Конденсатор резервного питания |
|
Источник питания / |
Падение напряжения |
|
Батарея |
||
|
||
31 |
|


Заземление
Заземление Распределительная клеммная колодка
Заземление датчика/исполнительного механизма
В этом модуле есть глобальные точки данных. Они содержат общую информацию о модуле, такую как серийный номер, системное время и температура радиатора.
Глобальные точки данных описаны в разделе "Глобальные точки данных" на странице 383.
114 |
Мобильная система управления X90 Руководство пользователя V 1.20 - Перевод руководства |
Модули мобильной системы X90
Для доступа ко всем функциям рекомендуется использовать программное обеспечение следующих версий или выше:
•Automation Studio 4.3
•Automation Runtime 4.3
Информация:
Все значения, указанные в описании регистров, соответствуют аппаратному обеспечению максимальной комплектации. При использовании оборудования других конфигураций в регистрах возникают пропуски.
|
X90CP17x.24-00 |
X90CP17x.48-00 |
Дискретные входы |
1–4 |
1–8 |
|
9–16 |
9–24 |
|
25–28 |
25–32 |
|
33–40 |
33–48 |
Обнаружение фронта |
1–4 |
1–8 |
Счетчики |
1–2 |
1–4 |
Аналоговые входы |
9–16 |
9–24 |
Дискретные выходы |
25–28 |
25–32 |
|
33–40 |
33–48 |
Широтно-импульсная модуляция |
33–40 |
33–48 |
Измерение тока |
25–28 |
25–32 |
|
33–40 |
33–48 |
Мобильная система управления X90 Руководство пользователя V 1.20 - Перевод руководства |
115 |