Rt = R0 (1 + At + Bt ) ,
где A и B – коэффициенты. Для температурного коэффициента сопротивле-
ния a = 0,00391, соответствующего ТСП из табл. 4.2, A = 3,969 × 10−3 °С−3; а
коэффициент B = -5,841 × 10−7 °С−2.
Как было отмечено ранее, в ряде случаев, особенно при измерении быстроменяющихся температур, применяют пленочные ТСП (см. рис. 4.3). ЧЭ такого ТСП представляет собой слой платины толщиной в несколько микрометров, нанесенный на стеклянную или керамическую подложку. Для пленочного ТСП температурный коэффициент сопротивления обычно ниже, чем для проволочного. Пленочные ТСП менее стабильны, чем проволочные. Из-за разницы в температурном коэффициенте линейного расширения материалов подложки и пленки при изменении температуры в конструкции возникают механические напряжения и, как следствие, изменяется сопротивление ТСП.
Кроме того, причиной нестабильности является изменение переходного сопротивления между пленкой и электрическими выводами, которые либо вварены в подложку, либо припаяны непосредственно к пленке. Однако существуют области исследования и объекты, где применение пленочных ТСП, несмотря на указанные недостатки, представляется целесообразным. В качестве примеров можно указать исследования температуры в воздушных и водных потоках, исследования переходных процессов в камерах сгорания, топках, при испытаниях и доводке теплоэнергетических устройств. Пленоч-
ные ТСП используют для измерения температуры от 0 до 1000 °С.
Медные термопреобразователи сопротивления (ТСМ). Медная про-
волока, выпускаемая промышленностью, отличается достаточной степенью чистоты, поэтому изготовленные из нее термометры обладают весьма хорошей взаимозаменяемостью. К достоинствам меди как материала для изготовления ЧЭ ТС следует отнести линейную или близкую к линейной зависимость сопротивления от температуры, достаточно высокий температурный коэффициент сопротивления, а также дешевизну проволоки. Недостатком меди является ее сильная окисляемость при повышенных температурах, что ограничивает температурный предел применения ТСМ.
Серийно выпускаемые ТСМ используются для измерения температуры в диапазоне от -200 до 200 °С. Они изготавливаются с номинальными значениями R0, равными 10, 50 и 100 Ом, двух классов точности с допустимыми отклонениями R0 ±0,1 % для класса В и ±0,2 % для класса С. Значения функ-
ции Wt = Rt
R0 , приведены в табл. 4.3.
31
|
|
|
|
|
Таблица 4.3 |
|
|
|
|
|
|
Температура, |
Сопротивление, Ом |
Температура, |
Сопротивление, Ом |
||
°С |
|
|
°С |
|
|
ТСМ50 |
ТСМ100 |
ТСМ50 |
ТСМ100 |
||
0 |
50 |
100 |
105 |
72,455 |
144,91 |
5 |
51,070 |
102,140 |
110 |
73,525 |
147,05 |
10 |
52,140 |
104,280 |
115 |
74,595 |
149,19 |
15 |
53,210 |
106,420 |
120 |
75,665 |
151,33 |
20 |
54,280 |
108,560 |
125 |
76,735 |
153,47 |
25 |
55,345 |
110,690 |
130 |
77,805 |
155,61 |
30 |
56,415 |
112,830 |
135 |
78,875 |
157,75 |
35 |
57,485 |
114,970 |
140 |
79,945 |
159,89 |
40 |
58,555 |
117,110 |
145 |
81,010 |
162,02 |
45 |
59,625 |
119,250 |
150 |
82,080 |
164,16 |
50 |
60,695 |
121,390 |
155 |
83,150 |
166,30 |
55 |
61,765 |
123,530 |
160 |
84,220 |
168,44 |
60 |
62,835 |
125,670 |
165 |
85,290 |
170,58 |
65 |
63,900 |
127,800 |
170 |
86,360 |
172,72 |
70 |
64,970 |
129,940 |
175 |
87,430 |
174,86 |
75 |
66,040 |
132,080 |
180 |
88,500 |
177,00 |
80 |
67,110 |
134,220 |
185 |
89,565 |
179,13 |
85 |
68,180 |
136,360 |
190 |
90,635 |
181,27 |
90 |
69,250 |
138,500 |
195 |
91,705 |
183,41 |
95 |
70,320 |
140,640 |
200 |
92,775 |
185,55 |
100 |
71,390 |
142,780 |
− |
− |
− |
Для всех разновидностей ТСМ интерполяционное уравнение имеет сле-
дующий вид (α = 0,00428 °С−1):
Rt = R0 (1 + αt ) ,
Чувствительный элемент ТСМ имеет безындуктивную обмотку из изолированной проволоки. Это связано с тем, что ЧЭ содержит большое число витков медного провода, поэтому при обычной намотке он будет иметь значительную индуктивность. Поскольку вторичные приборы ТС (автоматические мосты) имеют измерительные схемы, питаемые переменным током, индуктивное сопротивление одного из плеч (в данном случае ЧЭ) будет влиять на режим уравновешивания. Для обеспечения безындуктивности обычно выполняется бифилярная намотка – намотка вдвое сложенным проводом. ЧЭ ТС помещается в чехол, засыпается керамическим порошком и герметизируется замазкой.
4.3. Схемы включения термопреобразователей сопротивления
Простейшей схемой включения термометра сопротивления является де-
литель напряжения (рис. 4.7). Здесь Rt – сопротивление ТС; Uпит − напряже-
ние источника питания, обеспечивающее протекание электрического тока в
32
цепи делителя. Падение напряжения на ТС зависит |
Uпит |
|
|
от значения его сопротивления, а следовательно, от |
|
|
|
температуры окружающей среды tокр. |
Rt |
Ut |
|
Точность измерений в схеме на рис. 4.7 будет |
|||
|
|
||
зависеть от точности и стабильности сопротивления |
|
|
|
Rt, опорного резистора Rоп и напряжения Uпит. Для |
Rоп |
|
|
того чтобы снизить погрешность измерений, следу- |
|
|
|
ет использовать прецизионный высокостабильный |
Рис. 4.7. Схема измерения |
||
резистор Rоп и стабилизированный источник опор- |
температуры с исполь- |
||
зованием ТС на базе |
|||
ного напряжения. |
|||
делителя напряжения |
|||
Другим негативным фактором является эффект самонагрева термометра |
|||
сопротивления: протекание в электрической цепи относительно высокого то- |
|||
ка (единицы-десятки миллиампер) может привести к дополнительным тепло- |
|||
выделениям на ТС, его нагреву и, как следствие, к резкому снижению точно- |
|||
сти измерений. |
|
|
|
В качестве примера оценим отклонение температуры в результате само- |
|||
нагрева для высокостабильного прецизионного платинового термометра сопро- |
|||
тивления Rt серии PTS 0603 (Vishay) с номинальным сопротивлением R0 = 100 |
|||
Ом. Выберем для наглядности опорный резистор с номиналом Rоп = 1000 Ом. |
|||
Пусть напряжение на выходе стабилизированного источника составляет UDD = 5 |
|||
В. Суммарное сопротивление цепочки делителя напряжения составит: |
|
||
Rобщ = R0 + Rоп = 100 + 1000 = 1100 Ом.
Найдем ток, протекающий через делитель:
IDD = U DD
Rобщ = 5
1100 = 0,0045 А;
мощность, рассеиваемая на ТСП, приближенно равна:
P = IDD2 R0 = 0,0021 Вт.
Согласно технической документации на ТСП серии PTS 0603 значение его самонагрева составляет 0,9 К/мВт при отсутствии принудительной вен-
тиляции. Таким образом, повышение температуры данного ТСП в нашем примере может достичь Tнагр = 0,9 × 2,1 =1,9 К. Очевидно, что для задач из-
мерения температуры с точностью порядка десятых долей градуса это более чем допустимая погрешность.
33
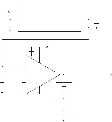
Значение измерительного тока должно быть таким, чтобы самонагрев не приводил к выходу параметров ТС за пределы допуска. Повышение его сопротивления, обусловленное самонагревом, не должно превышать 20 % допуска. Цепи постоянного тока для ТС с номинальным сопротивлением 100 Ом рекомендуется возбуждать измерительным током 1 мА или менее. Для того чтобы минимизировать влияние этого эффекта, необходимо выбирать опорный резистор с высоким значением номинального сопротивления и/или источник с меньшим значением напряжения питания. Несмотря на то, что это приведет к падению чувствительности схемы, применение ТС с относительно высоким температурным коэффициентом сопротивления и современной элементной базы для нормирования сигналов позволяет скомпенсировать этот недостаток. На рис. 4.8 приведен пример практической реализации схемы на основе делителя напряжения с использованием стабилизированного источника опорного напряжения.
|
|
4,096 В |
+5 В |
IN |
NR |
|
GND |
OUTF |
|
GNDS |
C2 |
|
OUTS |
|
|
C1 |
+5 В |
R1 |
|
|
|
|
2,37 мВ/°C
616 мВ при 0 °C
ТСП100
30:1
Рис. 4.8. Простейшая схема подключения термометра сопротивления ТСП100
Основные недостатки подобной схемы включения заключаются в высокой зависимости тока возбуждения от температуры, что вызывает дополнительную нелинейность, увеличивающую погрешность измерений и сложность организации удаленного подключения ТС, так как сопротивление со-
34
единительных проводов в двухпроводной схеме будет оказывать заметное влияние на результаты измерений.
Учитывая относительно невысокие номиналы используемых ТС, очевидно, что даже паразитные сопротивления в десятые доли ома вызовут недопустимые погрешности в измерениях температуры. Согласно ГОСТ Р
8.625−2006, использование двухпроводной схемы не допускается для ТС классов АА и А (см. табл. 4.1). Несмотря на имеющиеся недостатки, схема может быть использована для организации простых систем измерения температуры, преимущества которых в низкой себестоимости реализации, малых габаритных размерах и главное – в небольшой удаленности термометра сопротивления от схемы нормирования сигналов.
В случае удаленного подключения ТС длина соединительных проводов будет оказывать влияние на точность измерений, так как измерительный ток будет вызывать дополнительное падение напряжения, прямо пропорциональное, по закону Ома, значению сопротивления. Поскольку сопротивление проводников зависит от их протяженности, увеличение расстояния до датчика потребует использования более дорогих соединительных проводников или корректировки подхода к построению измерительной системы.
При необходимости подключения удаленно расположенного термометра сопротивления целесообразней применять четырехпроводную «кельвиновскую» схему, в которой измерительный ток протекает через одну пару, а сами измерения производятся с помощью второй пары соединительных проводов. Для достижения высокой точности измерений необходимо использовать усилители с высоким входным сопротивлением и низким значением входного тока.
4.4.Вопросы для самопроверки
1.Раскройте принцип работы термопреобразователя сопротивления.
2.Перечислите основные параметры ТС.
3.Опишите конструкцию проволочного термопреобразователя сопротив-
ления.
4.Опишите конструкцию пленочного термопреобразователя сопротив-
ления.
5.Назовите области применения проволочных и пленочных ТС.
6.Какие металлы и почему используются для изготовления ТС?
7.Какие пределы измерения имеют ТСП?
8.Как принято характеризовать качество (чистоту) металла ТС?
35