Робочі частоти ВД малої та середньої потужностей не перевищують 20 кГц, силові діоди працюють на частоті 50Гц.
Оскільки допустима густина струму через р-n-перехід
jпр |
2А/ мм2 , то для одержання названих значень I |
всер |
ьфч |
|
|
використовують площинні р-n-переходи, виготовлені сплавним або дифузійним способом. Велика ємність таких переходів не впливає істотно на роботу ВД у названому діапазоні частот.
З метою стабілізації параметрів ВД під час дії на них вологості, атмосферного тиску, забруднення, зміни температури діоди поміщають у металево-керамічний або металево-скляний корпус, який забезпечує ефективне відведення теплоти, що виділяється на р-n- переході.
У ВД малої потужності тепло розсіюється безпосередньо корпусом (діод 2Д207, КД108, Д226 тощо). У ВД середньої потужності тепло відводиться масивним гвинтом, за допомогою якого діод прикріплюється до шасі апаратури, яка виконує функцію радіатора. З метою запобігання електричного контакту між діодом і корпусом застосовують різноманітні ізоляційні прокладки, а також шайби з високою теплопровідністю. До таких діодів належать, наприклад, 2Д216, КД203, Д231. Для силових діодів потрібне примусове повітряне охолодження або таке що здійснюється спеціальними радіаторами.
Згадані діоди здатні випрямляти змінний струм порівняно невисокої напруги (до 500-700В). З метою випрямлення більш високої напруги використовують послідовне з’єднання діодів у спеціальних випрямлювальних стовпах та блоках, що виготовляються в уніфікованих корпусах і мають елемент позначення - літеру Ц.
ВАХ кремнієвих та германієвих діодів відрізняються одна від одної (рисунок 4.1).
Оскільки ширина ЗЗ у кремнію більша, ніж у германію, то зворотний струм германієвого діода більший, ніж кремнієвого при однакових конструкції та потужності. Повна відсутність ділянки насичення на зворотній гілці ВАХ кремнієвого діода пояснюється у
п.3.1.3. У зв’язку з більшим Iзв у германієвих діодів більш імовірний пробій у кремнієвих – лавинний.
36
Рисунок 4.1 – ВАХ випрямлювальних діодів
Для області малих значень Uпр рівняння теоретичної ВАХ (2.19) під час використання перших двох членів розкладення в
ряд Тейлора функції exp(Uпр / Т )набуває вигляду
Iпр |
IS |
Uпр |
. |
(4.1) |
||
|
Т |
|||||
|
|
|
|
|||
|
|
|
|
|
||
З (4.1) випливає, що |
крутизна |
прямої гілки ВАХ |
||||
S dIпр пропорційна до зворотного струму. Тому в германієвих dUпр
діодів крутизна характеристики при малих Uпр більша. Крім того,
оскільки зворотний струм кремнієвого діода менший, його прямий струм, що і в германієвого діода, досягається при більших прямих напругах. Тому потужність, що розсіюється при однакових струмах, у германієвих діодів менша, ніж у кремнієвих.
Струм насичення і струм генерації діодів істотно залежать від температури навколишнього середовища. Для струму насичення справедлива при температурі Т рівність
IS (T) IS (T0 )e(T T0 ) , |
(4.2) |
37 |
|
де IS (T0 ) – струм насичення при температурі T0 ; a=0,09 1/К – для германію;
a=0,13 1/К – для кремнію.
Для приблизної оцінки можна вважати, що при зростанні
температури на 10 С зворотний струм германієвих діодів збільшується вдвічі, а кремнієвих – в 2,5 раза. Незважаючи на те, що
швидкість зростання Iзв кремнієвих діодів зі збільшенням
температури більша, абсолютний приріст струму германієвих приладів нагрівання на одну й ту саму температуру значно більший. Ця обставина призводить до того, що при збільшенні температури значення зворотної напруги, за якої відбувається тепловий пробій германієвих діодів, зменшується. В кремнієвих діодах, навпаки, зі зростанням температури пробій напруги лавинного пробою збільшується.
Це пояснюється тим, що в кремнію з підвищенням температури зростає теплове розсіювання рухомих носіїв, зменшується довжина їх вільного пробігу, і для того, щоб електрон протягом меншого шляху набув кінетичної енергії, достатньої для іонізації нейтральних атомів, треба мати більш прискорювальне поле.
Параметри випрямлювальних діодів
До цих параметрів належать:
постійна Uпр , вимірена при даному постійному Iпр ;
постійний Iзв , вимірений при даній постійній Uзв ;
середнє значення випрямленого струму Iвсер - усереднюється за період;
прямий Rпр та зворотний Rзв опори діода при даних Uпр та Uзв ;
диференційний опір діода rg dU / dI ;
максимально допустима зворотна напруга Uзв max ;
максимально допустимий середній прямий струм Iпрсерmax ;
максимально допустима середня розсіювана потужність Pсерmax тощо.
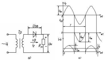
Схема однопівперіодичного випрямляча з активним
38
навантаженням показана на рис. 4.2. В цій схемі струм через діод та опір завантаження протікає тільки за час дії половини періоду змінної
напруги U2 . Як бачимо з рисунка 4.2, такий струм має пульсуючий характер і протікає в одному напрямку, змінюючись за величиною від
максимального значення I2m до нуля.
Рисунок 4.2 – Однопівперіодичний випрямляч: а-схема випрямляча; б-графіки струмів і напруг
Показана на рис. 4.2 б постійна складова випрямленого
струму I0 являє собою значення струму, який проходить за період
через опір завантаження RН . Користуючись графіком (рис. 4.2 б),
можна записати рівність
|
|
|
T |
|
|
|
|||||||
|
|
|
|
2 |
|
|
|
|
|
|
|
|
|
|
|
|
I0T i2dt |
(4.3 ) |
|||||||||
|
|
|
0 |
|
|
|
|
|
|
|
|
||
Якщо струм i2 |
змінюється за синусоїдальним законом |
||||||||||||
i2 I2m sin wt , тоді |
|
|
|
|
|
|
|
|
|
|
|||
|
T |
|
|
|
|
|
|
|
T |
|
|
|
|
2 |
|
|
|
|
coswt |
|
|
|
I2m |
|
|||
I2T I2m sinwt dt I2m |
|
|
2 |
2 |
. |
||||||||
|
|
||||||||||||
0 |
|
39 |
w |
|
0 |
|
w |
||||||
|
|
||||||||||||
|
|
|
|
|
|
|
|
|
|
||||
Звідки I |
0 |
|
2I2m |
|
I2m |
|
0,318I |
2m |
. |
(4.4) |
||||||||
|
|
|
||||||||||||||||
|
|
wT |
|
|
|
|
|
|
|
|
||||||||
Постійну складову випрямленої напруги U0 |
на опорі Rн можна |
|||||||||||||||||
знайти за законом Ома |
|
|
|
|
|
|
|
|
|
|
|
|
|
|||||
|
U0 = I0Rн = 0,318 I2mRн , |
|
|
|
(4.5) |
|||||||||||||
де |
I2mRн = U2m , |
|
|
|
|
|
U2m |
|
|
|
|
|||||||
тоді |
U0 = 0,318 U2m = |
. |
|
|
|
|||||||||||||
|
|
|
|
|
|
|
||||||||||||
|
|
|
|
|
|
|
|
|
|
|
|
|
|
|
|
|
||
|
|
|
|
U2, отримаємо |
|
|
||||||||||||
Якщо замінити U2m= |
2 |
|
|
|||||||||||||||
|
|
|
|
|
|
|
U2 |
0,45U2 |
|
|
||||||||
|
|
|
U0 = |
|
|
2 |
|
(4.6) |
||||||||||
|
|
|
|
|
|
|
|
|
||||||||||
|
|
|
|
|
|
|
|
|
|
|
|
|
|
|
|
|||
Якщо напруга мережі U1 відома, то коефіцієнт трансформації |
||||||||||||||||||
трансформатора Тр, повинен дорівнювати |
|
|
|
|||||||||||||||
|
|
|
n = U2/UM . |
|
|
|
|
|
|
|
(4.7) |
|||||||
Із розглянутої роботи схеми випливає, що у від’ємний півперіод діод знаходиться під напругою, яка діє на зажимах вторинної обмотки трансформатора, тому найбільша зворотна напруга, прикладена до діода, дорівнюватиме
Uзв =U2m = 3,14 U0 |
(4.8) |
Підбираючи діод для роботи в однопівперіодній схемі, |
|
необхідно стежити за тим, щоб |
|
Uзв. доп. Uзв = 3,14 U0 |
(4.9) |
де Uзв.дом – максимально допустина зворотна напруга вибраного
діода.
Якщо нерівність (4.9) не виконується, необхідно або взяти діод із більш високою допустимою напругою, або ввімкнути кілька однотипних діодів послідовно. Кількість послідовно з’єднаних діодів
розраховується за формулою k =Uзв/Uзв. доп., |
при цьому струм |
Iсер Iсер. доп. I0 |
(4.10) |
40 |
|