Материал: ACT_LabsW_2

Внимание! Если размещение файла нарушает Ваши авторские права, то обязательно сообщите нам

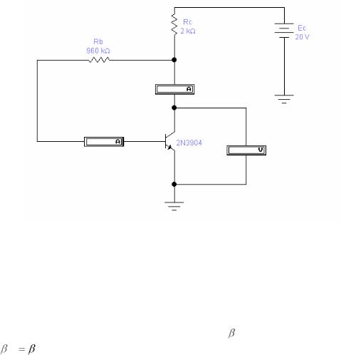
Рисунок 7 – Схема для исследование параметров рабочей точки при задании тока базы с помощью делителя напряжения

2.3.2 Для схемы рисунке 7 по формулам из раздела "Краткие сведения из теории" вычислить значение напряжения в точке U Б . Вычислить ток эмиттера и рассчитать ток коллектора по

полученному значению тока эмиттера (UБЭ0 0,7 B ), вычислить

значение напряжения коллектор-эмиттер по полученным ранее току коллектора и току эмиттера.

2.3.3Построить нагрузочную прямую по постоянному току на выходной характеристике транзистора. Используя значения токов и напряжений, полученных в пункте 2.3.1 определить рабочую точку (Q) и отметить еѐ положение на графике.

2.3.4Двойным щелчком на изображении транзистора открыть диалоговое окно выбора модели транзистора. Строка с наименованием транзистора будет подсвечена. Чтобы редактировать параметры модели транзистора, нажмите Edit. Измените

коэффициент передачи по току ( F ) до значения F2 , потом

нажмите Accept. Нажмите Accept еще раз, чтобы вернуться к схеме. Изменение коэффициента позволяет убедиться, что

замена транзисторов приводит к изменению тока коллектора. Включить схему. Записать результаты измерений для тока базы, тока коллектора и напряжения коллектор-эмиттер.

2.3.5 По новым значениям напряжения база-эмиттер и тока коллектора определить положение рабочей точки на нагрузочной прямой, построенной в пункте 2.3.3 и отметить еѐ положение на графике. Восстановите прежнее значение коэффициента

передачи по постоянному току ( F ) транзистора F

F1 .

2.4 Исследование параметров рабочей точки при задании тока базы с помощью дополнительного источника в цепи

эмиттера

2.4.1 Открыть файл lw3_3.ewb со схемой, изображенной на рисунке 8. Включить схему. Записать результаты измерений для тока базы, тока коллектора, тока эмиттера, напряжения коллек- тор-эмиттер и напряжения на базе. Вычислить статический коэффициент передачи .

2.4.2 Для схемы на рисунке 8 по формулам из раздела "Краткие сведения из теории" вычислить напряжение в точке U Б по измеренному ранее значению тока базы, рассчитать ток

эмиттера и вычислить ток коллектора по величине тока эмиттера (UБЭ0 0,7 B ). Вычислить значение напряжения коллектор-

эмиттер по полученным значениям тока эмиттера и тока коллектора.

Рисунок 8 – Схема для исследование параметров рабочей точки при задании тока базы с помощью дополнительного источника в цепи эмиттера

2.4.3Построить нагрузочную прямую на выходной характеристике транзистора. По результатам, полученным в предыдущем пункте, определите рабочую точку (Q) и отметить еѐ положение на графике.

2.4.4Двойным щелчком на изображении транзистора открыть диалоговое окно выбора модели транзистора. Строка с наименованием транзистора будет подсвечена. Чтобы редактировать параметры модели транзистора, нажмите Edit. Из-

мените коэффициент передачи по току ( F ) до значения F2 ,

потом нажмите Accept. Нажмите Accept еще раз, чтобы вернуться к схеме. Изменение коэффициента позволяет убедиться,

что замена транзисторов приводит к изменению тока коллектора. Включить схему. Записать результаты измерений для тока базы, тока коллектора и напряжения коллектор-эмиттер.

2.4.5 По новым значениям напряжения база-эмиттер и тока коллектора определить положение рабочей точки на нагрузочной прямой, построенной в пункте 2.4.3 и отметить еѐ положение на графике. Восстановите прежнее значение коэффициента

передачи по постоянному току ( F ) транзистора F

F1 .

2.5 Исследование параметров рабочей точки при задании тока базы с помощью резистора в цепи база-коллектор

2.5.1 Открыть файл lw3_4.ewb со схемой, изображенной на рисунке 9. Включить схему. Записать результаты измерений для тока базы, тока коллектора, тока эмиттера и напряжения коллек- тор-эмиттер. Вычислить статический коэффициент передачи .

2.5.2 По формулам из раздела "Краткие сведения из теории" вычислить ток коллектора, используя значение , вычис-

ленное ранее и UБЭ0 0,7 B . По полученному току коллектора вычислить значение напряжения коллектор-эмиттер.

2.5.3Построить нагрузочную прямую на выходной характеристике транзистора. По результатам, полученным в предыдущем пункте, определить рабочую точку (Q) и отметить еѐ положение на графике.

2.5.4Двойным щелчком на изображении транзистора открыть диалоговое окно выбора модели транзистора. Строка с наименованием транзистора будет подсвечена. Чтобы редактировать параметры модели транзистора, нажмите Edit. Измените

коэффициент передачи по току ( F ) до значения F2 , потом

нажмите Accept. Нажмите Accept еще раз, чтобы вернуться к схеме. Изменение коэффициента позволяет убедиться, что

замена транзисторов приводит к изменению тока коллектора. Включить схему. Записать результаты измерений для тока базы, тока коллектора и напряжения коллектор-эмиттер.

Рисунок 9 – Схема для исследование параметров рабочей точки при задании тока базы с помощью резистора в цепи базаколлектор

2.5.5По новым значениям напряжения коллектор-эмиттер

итока коллектора определить положение рабочей точки на нагрузочной прямой, построенной в пункте 2.5.3 и отметить еѐ положение на графике. Восстановите прежнее значение коэф-

фициента передачи по постоянному току ( F ) транзистора

F F1 .