Материал: ACT_LabsW_2

Внимание! Если размещение файла нарушает Ваши авторские права, то обязательно сообщите нам

51

ЛАБОРАТОРНАЯ РАБОТА №8 Дифференцирующие и интегрирующие схемы на основе ОУ

Цель:

1.Исследование схемы интегратора на ОУ.

2.Анализ влияния входных воздействий на выходной сигнал интегратора.

3.Исследование влияния параметров элементов интегратора на выходной сигнал.

4.Исследование схемы дифференциатора на ОУ.

5.Анализ влияния входных воздействий на выходной сигнал дифференциатора.

6.Исследование влияния параметров элементов дифференциатора на выходной сигнал.

7.Краткие сведения из теории

На основе ОУ можно построить почти идеальные интеграторы. На рисунке 1 показана простейшая схема, выполняющая эту функцию. Ее выходное напряжение UВЫХ связано с вход-

ным напряжением UBX следующими соотношениями:

UBX

C

 

dUВЫХ

 

 

R

 

 

dt

 

 

 

 

 

 

 

 

 

 

 

 

 

 

 

1

 

t

 

UВЫХ

 

 

 

UBX

d const

 

 

 

 

 

 

 

R C

 

 

 

 

 

0

 

 

Недостатком этой схемы является дрейф выходного напряжения, обусловленный напряжением смещения и входными токами ОУ.

52

Рисунок 1 – Интегратор на ОУ

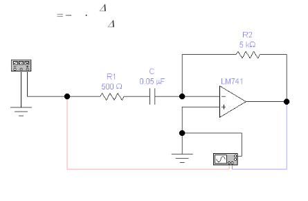
Это нежелательное явление можно ослабить, если к конденсатору C подключить резистор R2 с большим сопротивле-

нием (рисунок 2), обеспечивающий стабилизацию рабочей точки за счет обратной связи по постоянному току. Резистор обратной связи R2 предотвращает также насыщение ОУ после заряда

конденсатора, когда ток через конденсатор станет равным нулю.

53

Рисунок 2 – Интегратор на ОУ со стабилизацией рабочей точки

Выходное напряжение этой схемы при подаче на нее скачка входного напряжения амплитудой UBX изменяется в соответствии с выражением:

U

 

U

 

R2

1 exp(

 

t

 

)

ВЫХ

BX

 

 

 

 

 

 

R

 

R

 

C

 

 

 

 

 

 

 

 

 

 

1

2

 

 

На начальном

интервале

переходного процесса при

t R2ЧС , изменение выходного напряжения UВЫХ будет до-

статочно близко к линейному и скорость его изменения может быть вычислена из выражения:

UВЫХ UBX

t

R1 C

54

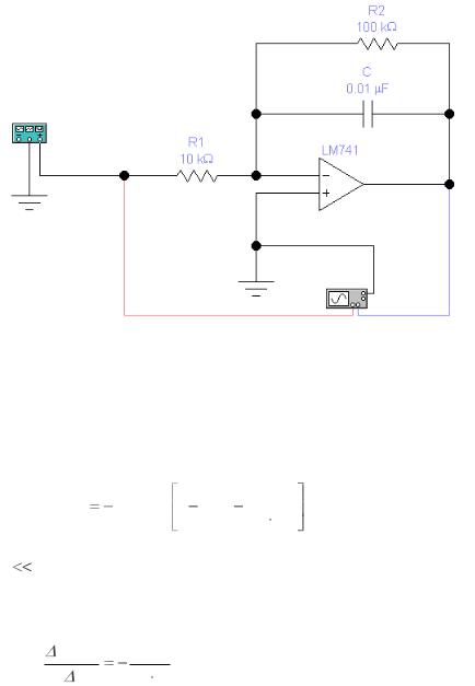
Для схемы дифференциатора (рисунок 3) выходное напряжение UВЫХ пропорционально скорости изменения входного сигнала и вычисляется по формуле:

UВЫХ

R2

C

UBX

t

 

 

 

Рисунок 3 – Дифференциатор на ОУ

Порядок проведения экспериментов

a. Переходный процесс в схеме интегратора

Откройте файл lw8_1 со схемой, изображенной на рисунке 2. Включите схему. Зарисуйте осциллограммы входного и выходного напряжения схемы при подаче на вход напряжения в виде последовательности прямоугольных импульсов. Измерьте амплитуду входного напряжения и определите по осциллограмме скорость изменения выходного напряжения. Для установившегося процесса измерьте амплитуду выходного напряжения.

55

2.2 Влияние амплитуды входного напряжения на переходный процесс в схеме интегратора.

В схеме, изображенной на рисунке 2, установите амплитуду генератора равной 2 В и установите масштаб напряжения на входах А и В осциллографа 2 V/div. Включите схему. Зарисуйте осциллограммы входного и выходного напряжения. Измерьте амплитуду входного напряжения и определите по осциллограмме скорость изменения выходного напряжения. Сравните осциллограммы выходного напряжения, полученного в этом и предыдущем экспериментах. Для установившегося процесса измерьте амплитуду выходного напряжения.

2.3 Влияние параметров схемы на переходный процесс в схеме интегратора.

а).В схеме рисунка 2 установите сопротивление R1 равным 5 кОм, амплитуду генератора 5 В. Включите схему. Зарисуйте осциллограммы входного и выходного напряжения. Запишите амплитуду входного напряжения и определите по осциллограмме скорость изменения выходного напряжения в начале процесса. Сравните осциллограмму выходного напряжения, полученную в данном эксперименте с осциллограммой, полученной в эксперименте 1

б). В схеме рисунка 2 установите емкость конденсатора равной 0.02 мкФ. Включите схему. Зарисуйте осциллограммы входного и выходного напряжения. Запишите амплитуду входного напряжения и определите по осциллограмме скорость изменения выходного напряжения в начале процесса. Сравните осциллограмму выходного напряжения, полученную в данном эксперименте, с осциллограммой, полученной в эксперименте 1.