Материал: 836

Внимание! Если размещение файла нарушает Ваши авторские права, то обязательно сообщите нам

6

2. Подготовка исходных данных

В качестве исходных данных задаются:

-марка автомобиля;

-длина обгоняющего ТС – L1;

-длина обгоняемого ТС – L2;

-максимальная скорость обгоняющего ТС – Vmax;

-постоянная времени разгона обгоняющего ТС – ТV;

-максимальное для обгоняющего ТС замедление – Jmax;

-постоянная скорость движения обгоняемого ТС – V2;

-временной интервал между обгоняющим и обгоняемым ТС перед началом обгона τ12;

-временной интервал между обгоняемым и обгоняющим ТС после завершения обгона τ21;

-коэффициент сцепления φ;

-углы поворота рулевого колеса.

Временные интервалы между ТС принимаются одинаковыми для всех вариантов заданий, они равны τ12 =2,0 с и τ21=1,5 с.

3. Определение параметров обгона

Обгон является важным маневром, который позволяет водителю ТС поддерживать оптимальную, по условиям задачи управления, среднюю скорость. Возможность выполнения обгона зависит от скорости обгоняемого и скоростных свойств обгоняющего ТС, наличия необходимого интервала во встречном потоке. Обгон может выполняться «с хода» и с ожиданием возможности обгона, когда начальная скорость обгоняющего ТС равна скорости обгоняемого автомобиля. Последняя схема является наиболее типичной для сегодняшнего состояния транспортного потока и используется при выполнении курсового проекта.

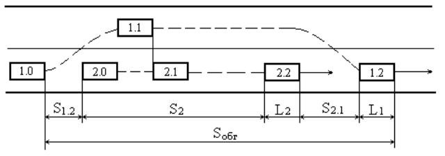
На рис. 1 представлена схема обгона «с ожиданием». Перед началом обгона водитель обгоняющего ТС следует за обгоняемым ТС с временным интервалом τ12, которому соответствует дистанция S12. В процессе обгона в определенный момент времени (положение 1.1) водитель должен принять окончатель-

7

ное решение о завершении или прекращении обгона. В случае продолжения обгона обгоняющее ТС опережает обгоняемое ТС и возвращается на свою полосу движения (положение 1.2). В момент завершения обгона между обгоняемым и обогнавшим ТС должен быть временной интервал τ21, которому соответствует дистанция S21, в последующие моменты времени величина S21 быстро увеличивается, так как скорость обгоняющего ТС выше, чем у обгоняемого.

Рис. 1. Схема обгона с ожиданием

Разгон транспортного средства при обгоне должен выполняться с максимальной интенсивностью и прекращаться плавно после его завершения. Реализация такого режима возможна только в одном случае, когда имеется необходимый интервал времени между обгоняемым ТС и автомобилем, двигающимся впереди него навстречу. (В противном случае водитель обгоняющего ТС после завершения обгона будет вынужден экстренно тормозить.) Описанный режим движения ТС обеспечивает минимальные значения пути и времени обгона по схеме «с ожиданием». Значения времени обгона tобг, пути обгона Sобг и скорости обгоняющего ТС в момент завершения обгона Vобг в зависимости от скорости обгоняемого ТС определяют предельные условия, при которых обгон может быть завершен.

На рис. 2 показана схема незавершенного обгона. В положении 1.1 водитель принимает решение прекратить обгон и осуществляет торможение. В положении 1.2, когда обгоняющее ТС отстает от обгоняемого автомобиля на один метр, водитель прекращает торможение и так как скорость ТС1 в этот момент меньше, чем у ТС2, то последнее уходит вперед и водитель обгоняющего ТС может вернуться на свою полосу движения, совершая маневр за время τп (время перестроения).

8

Рис. 2. Схема незавершенного обгона

За это время ТС проходит путь Sп. Торможение выполняется с максимальным замедлением для данной категории ТС. Значения времени tн.обг и пути Sн.обг незавершенного обгона определяют предельные условия, при которых возможно избежать ДТП при незавершенном обгоне.

Вычисление рассмотренных выше показателей возможно графоаналитическим и аналитическим методом.

4. Завершенный обгон

Чтобы описать методику вычислений, рассмотрим график, приведенный на рис. 3. По оси абсцисс отложено время t в секундах. По оси ординат вверх – путь, проходимый ТС1, в метрах, а вниз – скорость обгоняющего ТС.

В соответствии с ранее изложенным в первом квадрате построены графики «время-путь» обгоняющего автомобиля, а в четвертом квадрате – график «время-скорость» обгоняющего автомобиля при разгоне с максимальной интенсивностью.

9

Рис. 3. Зависимости пути и скорости обгона от времени

Чтобы определить искомые показатели, сначала необходимо построить измерения указанных зависимостей пути и скорости от времени. Вычисление значений скорости при заданном времени разгона проводится по формуле

V =VMAX 1 et TV ,

где VMAX максимальная скорость обгоняющего ТС, км/ч; t – текущее время, c;

Tv – постоянная времени разгона, с.

Вычисление значений пути производится по формуле

S = VMAX t TV 1 et TV , м.

3.6

(1)

(2)

Полученные данные заносят в табл. 1.

10

Таблица 1

t, c

S, м

V,

км/ч

Пример построения графиков по этим формулам приведен на рис. 3. Условия завершения обгона можно записать в следующем виде:

S = S12 + S2 + S21 + L1 + L2 , м,

(3)

где S12 – дистанция между обгоняемым и обгоняющим ТС перед обгоном, с; S21 – дистанция между обгоняемым и обгоняющим ТС после завершения

обгона, м;

L1 – длина обгоняющего ТС, м;

L2 – длина обгоняемого ТС, м.

Дистанцию между обгоняемым и обгоняющим ТС перед обгоном S12 и дистанцию между обгоняемым и обгоняющим ТС после завершения обгона S21 рассчитывают по следующим формулам:

S12

=

 

τ12V2

3.6

 

 

S21

=

 

τ21V2

3.6

 

 

, м,

(4)

, м .

(5)

Решение графоаналитическим способом показано на рис. 4 и представляет собой последовательность следующих действий:

1.Зная скорость V2, с помощью зависимости «время-скорость» находим значения t0 и S0, соответствующие началу обгона.

2.От точки А (с координатами S0, t0) откладываем вверх величину

SОБГ = S12 + S21 + L1 + L2 , м.

(6)

3. Из найденной точки С проводим под углом α (

V2 = tgα

, выраженным в

 

4

 

м/с) прямую до пересечения с кривой разгона обгоняющего автомобиля «вре- мя-путь». Точка пересечения М (с координатами Sм, tм) является моментом завершения обгона.

Время и обгона будут соответственно равны

 

tОБГ = tМ t0 , с,

(7)