|
|
|
|
|
|
|
|
|
|
|
|
|
|
70 |
|
|
|
|
|
|
|
|
|
|
|
|
|
|
|
|
|
|
|
|
|
|
|
|
|
|
|
|
|
Е |
|
|
|
Е |
|||||||||||
|
|
|
|
|
|
|
|
|
|
|
|
RК |
|
|
|
||||||||||||||
|
|
|
|
|
R1 |
|
|
|
|
|
|
|
|
|
|
|
|
|
|
|
RК |
||||||||
|
|
|
|
|
|
|
|
|
|
|
|
|
|
|
|
|
|
|
|
||||||||||
|
|
|
|
|
|
|
|
|
|
|
|
|
|
|
|
|
|
|
IБ |
|
|
|
|
|
IК |
||||
|
|
|
|
|
|
|
|
|
|
|
VT1 |
|
|
|
|
|
|
|
|
VT1 |
|||||||||
|
|
|
|
|
|
|
|
|
|
|
|
|
|
|
|
|
|
|
|||||||||||
|
|
|
|
|
|
|
|
|
|
|
|
|
|
|
|
|
|
|
|
||||||||||
|
|
|
|
|
|
|
|
|
|
|
|
|
|
|
RБ |
|
|
|
|||||||||||
|
|
|
|
|
|
|
|
|
|
|
|
|
|
|
|
|
|
|
|
|
|
|
|
IЭ |
|||||
|
|
|
|
|
|
|
|
|
|
|
|
|
|
|
|
|
|
|
|
|
|
|
|
||||||
|
|
|
|
|
|
|
|
|
|
|
|
|
|
|
|
|
|
|
|
|
|
|
|
|
|||||
|
|
|
|
|
R2 |
|
|
|
RЭ |
|
|
|
|
|
ЕБ |
|
|
|
|
RЭ |
|||||||||
|
|
|
|
|
|
|
|
|
|
|
|
|
|
|
|
|
|||||||||||||
|
|
|
|
|
|
|
|
|
|
|
|
|
|
||||||||||||||||
|
|
|
|
|
|
|
|
|
|
а |
|
|
|
|
|
|
|
|
|
||||||||||
|
|
|
|
|
|
|
|
|
|
|
|
|
|
|
|
|
|
|
|
|
|
|
|
б |
|||||
|
|
|
|
|
|
|
|
|
|
|
|
|
|
|
|
|
|
|
|
|
|
|
|
||||||
|
|
|
|
|
|
|
|
|
|
|
|
|
|
|
|
|
|
|
|
|
|
|
|
||||||
|
|
|
|
|
Рис. 5.3 |
|
Цепь смещения с эмиттерной стабилизацией |
||||||||||||||||||||||
|
|
|
|
|
|
|
|
|
|
|
|
|
рабочей точки транзистора |
|
|
|
|
|
|
|
|
|
|||||||
|
Преобразуем схему по теореме об эквивалентном генерато- |
||||||||||||||||||||||||||||
ре |
к |
виду, показанному на рис. 5.3, б, где |
|
|
RБ R1 |
|
|
|
R2, |
||||||||||||||||||||
|
|
||||||||||||||||||||||||||||
EБ |
Е |
|
|
|
R2 |
. |
|
|
|
|
|
|
|
|
|
|
|
|
|
|
|
|
|
|
|
|
|
|
|
|
|
|
|
|
|
|
|
|
|
|
|
|
|
|
|
|
|
|
|
|
|
|
|
|
|
||||
|
|
|
R1 R2 |
|
|
|
|
|
|
|
|
|
|
|
|
|
|
|
|
|
|
|
|
|
|
||||
|
Ток базы можно записать в виде соотношения |
|
|
|
|
|
|
|
|
|
|||||||||||||||||||
|
|
|
|
|
|
|
|
|
|
|
|
IБ |
|
EБ UЭБ RЭ IК IБ |
, |
|
|
|
|
|
|
|
|
|
|
||||
|
|
|
|
|
|
|
|
|
|
|
|
|
|
|
|
|
|
|
|
|
|||||||||
|
|
|
|
|
|
|
|
|
|
|
|
|
|
|
RБ |
|
|
|
|
|
|
|
|
|
|||||
которое после преобразований приводится к виду
IБ EБ UЭБ RЭIК .
RЭ RБ
Соотношение, связывающее приращения токов базы и коллектора:
IБ |
|
RЭ IК |
. |
(5.4) |
|
||||
|
|
RЭ RБ |
|
|
Температурное изменение тока коллектора транзистора с учетом соотношений (5.3) и (5.4) можно записать в виде
IК IТ IЭ IТ IК IБ IТ IК RЭ IК .RЭ RБ
Отсюда можно получить выражение для оценки коэффициента температурной нестабильности
|
|
|
71 |
|
|
|
|
|
|
|
|
|
S' IК |
1 RБ RЭ . |
|
|
|
|
(5.5) |
||
|
|
IТ |
1 RЭ RБ |
|
|
|
|
|
|
|
Ток делителя обычно выбирают на порядок больше, чем ток |
||||||||||
базы транзистора, а падение напряжения на RЭ задают порядка |
||||||||||
(0,2 0,3)Е. При этом удается реализовать S' 2 4. |
|
|
|
|
||||||
5.3 Цепь смещения с комбинированной |
|
|
|
|
||||||
|
отрицательной обратной связью по |
|
|
|
|
|||||
|
постоянному току |
|
|
|
|
|
|
|||
В схеме, приведенной на рис. 5.4, используется как ООС по |
||||||||||
току за счет резистора RЭ, так и ООС по напряжению за счет ре- |
||||||||||
зистора RФ. При увеличении коллекторного тока с ростом темпе- |
||||||||||
ратуры окружающей среды увеличивается падение напряжения |
||||||||||
|
Е |
на RФ и RЭ. Уменьшается потенциал базы, |
||||||||
|
что ведет к подзапиранию транзистора, |
|||||||||
|
RФ |
компенсирующему первоначальный |
рост |
|||||||
|
тока коллектора. |
|
|
|
|
|
|
|||
|
|
|
|
|
|
|
|
|||
|
|
|
Температурную нестабильность кол- |
|||||||
|
|
лекторного тока в рабочей точке можно |
||||||||
R1 |
RК |
рассчитать по формуле |
|
|
|
|
|
|
||
|
|
UТ |
|
|
|
|
||||
|
|
|
|
|
|
|||||
|
|
|
|
|
|
(5.6) |
||||
|
|
|
IК S' IТ |
R |
R |
, |
|
|||
|
|
где |
|
Э |
Б |
|
|
|
|
|
|
VT1 |
|
|
|
|
|
|
|
||
|
|
|
|
RЭ |
RБ |
|
|
|||
|
|
RБ R1 RФ R2; S' |
|
|
. |
|||||
|
|
|
|
|
|
|
||||
R2 |
RЭ |
|
|
|
|
R1 |
|
|||
|
|
R R 1 |
|
|||||||
|
|
|
|
Э |
Б |
|
R |
R1 |
|
|
|
|
|
|
|
|
|
Ф |
|
|
|
|
|
|
Здесь учтено и температурное сме- |
|||||||
Рис. 5.4 Цепь |
щение входных характеристик транзистора |
|||||||||
UТ. Полагая в соотношениях (5.6) RФ = 0, |
||||||||||
смещения |
||||||||||
с комбиниро- |
получим уточненные выражения для расче- |
|||||||||
ванной ООС |
та температурной нестабильности схемы с |
|||||||||
по постоянному |
эмиттерной стабилизацией рабочей точки. |
|
||||||||
току |
|
Рассмотренные цепи смещения могут |
||||||||
быть применены в усилительных каскадах на транзисторах по |
||||||||||
схемам с ОЭ, ОБ и ОК. |
|
|
|
|
|
|
|
|||
72
6 КАСКАД С ОБЩИМ ЭМИТТЕРОМ ПРИ РАБОТЕ
ВРЕЖИМЕ БОЛЬШОГО СИГНАЛА
6.1Выбор режима работы транзистора
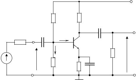
На рис. 6.1 приведена схема каскада с ОЭ, в котором использована цепь эмиттерной стабилизации рабочей точки транзистора. Применена емкостная связь с источником сигнала и нагрузкой через разделительные конденсаторы С1 и С2. Для устранения отрицательной обратной связи по переменному току резистор RЭ зашунтирован блокировочным конденсатором СЭ. Таким образом, по переменной составляющей эмиттер транзистора заземлен.
|
|
|
E |
|
R1 |
RК |
|
|
C2 |
|
|
|
C1 |
|
|
Rс |
|
|
|
IБ |
VT1 |
|
|
|
|
|
|
|
Iд |
RН |
Uвых |
Ес Uвх |
|
||
R2 |
СЭ |
|
|
|
|
RЭ |
|
Рис. 6.1 Усилительный каскад с ОЭ
Сопротивления выходной цепи постоянному и переменному току определяются соотношениями:
R RК RЭ;
R~ RК 
RН.
Резисторы базового делителя уменьшают входное сопротивление каскада до значения
Rвх RБ |
|
h11Э, |
где RБ R1 |
|
R2. |
(6.1) |
|
|
|
|
|
|
|
В рабочем диапазоне частот коэффициент усиления каскада по напряжению определяется выражением (4.9):
73
K0 h21ЭR~ .
h11Э
Введение резистора RЭ при отсутствии конденсатора СЭ изменяет работу усилительного каскада не только в режиме покоя, но и при наличии входного сигнала. Переменная составляющая эмиттерного тока создает на резисторе RЭ падение напряжения UЭ=RЭ iЭ, которое уменьшает усиливаемое напряжение, подводимое к транзистору uБЭ Uвх RЭ iЭ. В каскаде действует после-
довательная отрицательная обратная связь по току. Входное со-
противление со стороны базы транзистора |
с величины |
h11Э rБ rЭ 1 h21Э возрастает до значения rБ (RЭ |
rЭ)1 h21Э , |
т.к. последовательно с сопротивлением эмиттерного перехода rЭ включено внешнее сопротивление RЭ.
Коэффициент усиления по напряжению снижается до величины
KОС |
|
|
h21ЭR~ |
|
. |
(6.2) |
|
h |
11Э |
R |
(1 h |
) |
|||
|
|
Э |
21Э |
|
|
|
|
Для устранения ООС по переменному току RЭ шунтируют конденсатором СЭ. На нижних частотах конденсатор СЭ вносит дополнительные искажения
MЭ |
|
1 |
2 |
(6.3) |
|
1 |
|
|
, |
||
|
|||||
|
|
Э |
|
|
|
где |
|
Э |
С |
Э |
(R |
|
|
|
R ); |
R |
|
h11Э Rс |
|
|
|
RБ |
. |
|
|
||||||||||||||||
|
|
|
|
|
|||||||||||||
|
|
|
|
|
|
|
|
||||||||||
|
|
|
ВЫХЭ |
|
|
|
Э |
ВЫХЭ |
|
1 |
|||||||
|
|
|
|
|
|
|
|
|
|
|
|
||||||
Выбор положения рабочей точки транзистора прежде всего ограничен условиями (предполагается работа в режиме класса А):
Imin < I0 < IКдоп;
Umin<U0 <UКЭдоп;
РК=U0 I0<PКдоп,
где IКдоп, UКЭдоп и РКдоп – предельно допустимые для данного транзистора значения тока коллектора, коллекторного напряжения и мощности рассеяния на коллекторном переходе.
Графическое представление этих неравенств выделяет рабочую область на выходных характеристиках транзистора (рис. 6.2).
|
|
74 |
|
|
IК |
|
|
|
|
IКдоп |
|
|
|
|
Е |
|
|
|
|
R |
|
iБ(t) |
|
|
|
A' |
|
|
|
|
|
|
|
|
IК |
|
A |
|
IБ |
I0 |
|
|
РКдоп |
|
|
|
|
|
|
Uвых |
UКЭ |
R~ |
R |
|
Uвых |
|
UКЭ |
||
Imin |
|
|
|
|
Umin |
|
U0 |
E |
UКЭдоп |
Рис. 6.2 Графическое представление работы каскада с ОЭ |
||||
|
в режиме большого сигнала |
|
||
Рабочая точка должна лежать на нагрузочной прямой постоянного тока, которая проводится через точку UКЭ = Е на оси абсцисс и точку IК = Е/R= на оси ординат.
Только по этой прямой может изменяться положение рабочей точки А при изменении температуры или смене транзистора. Положение рабочей точки должно обеспечить получение на нагрузке без ограничений требуемых амплитуд напряжения и тока. Амплитуда переменной составляющей сигнала на нагрузке определяется по нагрузочной прямой переменного тока, которая проводится через рабочую точку в соответствии с сопротивлением выходной цепи переменному току, т.е. пересекает ось абсцисс
при UКЭ = U0+I0R~.
Очевидно, что требуемая амплитуда выходного сигнала Uвых должна обеспечиваться без искажений и при наивысшей температуре окружающей среды, когда рабочая точка переместится в положение А', характеризуемое смещением координат IК и UКЭ