Типы внутренней канализации:
К1 – бытовая (старое название – «хозяйственно-фекальная канализация», в настоящее время не рекомендуется ее употреблять);
К2 – дождевая или внутренние водостоки (оба названия равноправны);
К3 – производственная (это общее обозначение, а цифры больше 3 означают разновидности производственной канализации, например,
К4, К5, К6 и т.д.).
Санитарно-технические приборы и приемники сточных вод
Санитарно-технические приборы и приемники сточных вод первыми в канализации принимают стоки. Вот наиболее применимые в бытовой канализации К1 санитарно-технические приборы (типовой набор):
–мойки кухонные;
–умывальники;
–ванны;
–унитазы.
Писсуары применяют для общественных туалетов, а души-биде – для комнат гигиены женщин.
Вполу общественных туалетов и мусорокамер зданий в К1 устанавливают напольные трапы (разновидность воронок) из чугуна или пластмассы по ГОСТ 1811–97 [3] соответственно диаметром 50 мм и 100 мм, согласно СП СНиП 2.04.01-85 [15].
Вдождевой канализации К2 на кровлях зданий устанавливают водосточные воронки: колпаковые (для неэксплуатируемых кровель) или плоские (для эксплуатируемых кровель).
Впроизводственной канализации К3 применяют приемники сточных вод: трапы, ванны, напольные решетки (с гидрозатворами и без них), лотки.
Ранее приведены условные обозначения санитарно-технических приборов и приемников сточных вод.
36
Сифоны и гидравлические затворы
Сифоны и гидравлические затворы располагают сразу под сани- тарно-техническими приборами и приемниками сточных вод. Принцип их действия можно рассмотреть на примере сифона коленчатого типа, устанавливаемого под умывальником или кухонной мойкой (рис. 11).
Рис. 11. Сифон коленчатого типа
Вследствие изогнутости трубы сифона в виде петли в нем всегда остается вода, создающая гидравлический затвор, т.е. водяную пробку, препятствующую проникновению запахов из системы канализации в помещения зданий.
Выше приведены условные обозначения сифонов.
Канализационные раструбные трубопроводы |
|
Трубы для канализации применяют раструбные. Рaструб – это |
|
уширение на одном конце трубы, служащее для соединения с други- |
|
ми трубами или фасонными деталями (рис. 12). Раструбы должны |
|
быть направлены против движения сточных вод. |
|
Раструб |
|
Раструб |
|
Зачеканка |
|
Рис. 12. Раструбное соединение |
|
Диаметры труб внутренней канализации чаще всего применяют |
|
50 мм и 100 мм. В бытовой канализации К1 трубы |
50 мм исполь- |
зуют для отведения сточных вод от умывальников, моек и ванн. Тру- |
|
бы 100 мм служат для присоединения унитазов. |
|
37
По материалу наибольшее распространение получили чугунные и пластмассовые трубопроводы. Срок службы – не менее 25 лет.
Чугунные канализационные трубы 50 мм и 100 мм применяют по ГОСТ 6942–98. Трубы чугунные канализационные и фасонные части к ним (введен с 1 января 1999 г.). Они могут быть длиной
750, 1000, 1250, 2000, 2100, 2200 мм. Покажем, как обозначают марку трубы. Например, труба чугунная канализационная 100 мм длиной 2000 мм обозначается в спецификациях
ТЧК-100-2000.
Раструбный стык чугунных труб зачеканивают смоляной или битумизированной пеньковой прядью (кáболкой) и замазывают расширяющимся цементным раствором (рис. 12).
Пластмассовые канализационные трубы диаметрами 40, 50, 90 и 110 мм применяют по ГОСТ 22689–89. Трубы полиэтиленовые канализационные и фасонные части к ним. Их изготавливают из полиэтилена низкого (ПНД) и высокого (ПВД) давления. Предназначены для систем внутренней канализации зданий с максимальной температурой сточной жидкости 60°С и кратковременной (до 1 мин) 95°С. Это недостаток данных полиэтиленовых труб. В настоящее время имеются различные пластмассовые трубы отечественных и зарубежных производителей.
Раструбный стык пластмассовых трубопроводов уплотняют резиновым кольцом, которое вставлено в паз раструба. С силой вдвигая трубу в раструб, получают необходимое уплотнение стыка за счет обжатия резинового кольца.
Уклоны внутренней канализации обычно не рассчитывают, а назначают конструктивно:
–для 50 мм уклон 0,035;
–для 100 мм уклон 0,02.
Условные обозначения канализационных труб представлены ранее. Полный перечень условных обозначений в ГОСТ 6942–98. Трубы чугунные канализационные и фасонные части к ним (введен с 1 января 1999 г.).
Соединительные фасонные детали
Как уже было сказано, канализационные трубы соединяют между собой с помощью раструбов этих же труб (рис. 12). Однако обойтись одними раструбами труб невозможно. Поэтому применяют соединительные фасонные детали:
38
–патрубки переходные (для перехода с меньшего на больший диаметр);
–колена (для поворота трубопроводов на 90°);
–отводы (для поворота трубопроводов на 135°);
–тройники прямые (для стояков);
–тройники косые (преимущественно для горизонтальных участков);
–крестовины прямые (для стояков);
–крестовины косые (преимущественно для горизонтальных участков).
Устройства для прочистки сети
Для прочистки канализационных сетей от засоров применяют фасонные детали:
–ревизии (на стояках);
–прочистки из косых тройников или отводов с пробкамизаглушками (на горизонтальных участках) или прямых тройников с пробками-заглушками (на вертикальных участках), а также по ГОСТ 6942–98. Трубы чугунные канализационные и фасонные части к ним.
Ревизия – раструбная труба, на ее боковой поверхности имеется съемный фланец с резиновой прокладкой, прикрепленный к трубе четырьмя или двумя болтами (рис. 13).
Рис. 13. Ревизия
Ревизии устанавливаются на стояках в соответствии с требованиями СНиП 2.04.01-85 [15]:
–на верхнем и нижнем этажах;
–в жилых зданиях высотой 5 этажей и более – не реже чем через три этажа.
39
Устанавливают прочистки на горизонтальных участках (вернее, почти горизонтальных, так как они прокладываются с уклоном) с шагом по СП СНиП 2.04.01-85 [15] не более 8–10 м.
Если канализация засоряется, ее прочищают через ревизии и прочистки специальными гибкими стальными тросами.
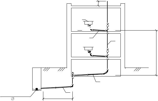
Бытовая канализация К1
Бытовая канализация К1 предназначена для отведения сточных вод от санузлов, ванн, кухонь, душевых, общественных уборных, мусорокамер и т.д. Это основная канализация зданий. Старое ее название «хозяйственно-фекальная» не рекомендуется употреблять.
Элементы бытовой канализации К1
Элементы бытовой канализации К1 рассмотрим на примере двухэтажного здания с подвалом (рис. 14).
Колодец КК1-1
Дворовая сеть К1
min |
150 мм |
6 |
L |
z
1
2 



3
4
H ст
5 |
Рис. 14. Элементы бытовой канализации К1
40