31
сти соединен в структурную схему надежности фильтра последовательно.
Следовательно, схема расчета надежности фильтра имеет вид, показанный на рис. 3, б.
Для электронных систем в период нормальной эксплуатации справед-
лив экспоненциальный закон распределения времени безотказной работы.
Поэтому вероятность безотказной работы полосового фильтра определяем по формуле
где
– интенсивность отказа фильтра с учетом условий (режимов применения).
Интенсивность отказов фильтра определим по формуле
где |
|
|
|
Поправочные коэффициенты |
которые учитывают условия (режим) |
||
применения/ |
|
|
|
В нашем случае: |
|
для резисторов RI-R5 |
|
типа MJIT; |
для конденсаторов С1,С2 типа КТК; |
для |
|
микросхемы. |
|
|
|
Таким образом, для интенсивности отказов фильтра имеем
Вероятность безотказной работы фильтра в заданных условиях эксплу-
атации равна
32
Контрольные вопросы
1 Объясните, как формулируется понятие отказа при расчете надежности. 2 Объясните методику составления структурной схемы расчета надеж-
ности системы.
3 Как учитываются режимы работы элементов системы при расчете на-
дежности?
УПРАЖНЕНИЯ
1 Определить вероятность безотказной работы в течение 1000 часов непрерывного функционирования и среднее время безотказной работы диф-
ференцирующей цепи, которая состоит из резистора MЛT и конденсатора КТК с номинальными интенсивностями отказов
и
. Темпе-
ратура окружающей среды равна +80°С, коэффициенты нагрузки равны со-
ответственно 0,6 и 0,8.
2 Определить вероятность безотказной работы в течение 2000 часов беспрерывного функционирования и среднее время безотказной работы ин-
тегрирующей цепи, которая состоит из резистора MЛT и конденсатора КТК с номинальными интенсивностями отказов
и
Температура равна +60°С, коэффициенты нагрузки резистора и конденсатора равны соот-
ветственно 0,8 и 1,0.
3 Определить время, в течение которого нерезервированная часть схе-
мы из 8 однотипных резисторов MЛT обеспечит вероятность безотказной ра-
боты не ниже 0,95 при температуре +60°С и коэффициенте нагрузки, кото-
рый равняется 1. Чему равно среднее время безотказной работы такого уст-
ройства?
4 Вероятность безотказной работы одного элемента в течение времени t равна
Требуется определить вероятность безотказной работы системы, состоящей из 100 таких элементов.
5 Вероятность безотказной работы системы, состоящей из 100 одина-
33
ковых элементов, в течение заданного интервала времени равна
Определите вероятность безотказной работы элемента.
6 Система состоит из двух устройств. Вероятности безотказной работы каждого из устройств в течение 100 ч равны
Принимая допущение об экспоненциальном законе надежности, определите среднюю наработку до первого отказа системы.
7 Определить время, в течение которого нерезервированная конденса-
торная батарея, состоящая из 10 однотипных конденсаторов КТК, обеспечит вероятность безотказной работы не ниже 0,98 при температуре +80 °С и ко-
эффициенте нагрузки, который равен 0,8. Чему равно среднее время безот-
казной работы батареи?
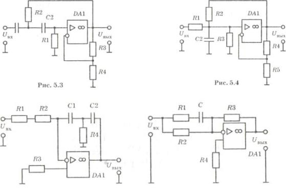
8 Выполнить расчет надежности типовых электронных схем (рис. 5.3-
5.6). Требуется:
а) объяснить работу и указать назначение элементов электрической схемы и их влияние на надежность устройства
Варианты заданий приведены в таблице 1.
34
Таблица 7 – Интенсивность отказов элементов схемы, |
106, ч-1 |
|
|
|
|||||||||
|
|
|
|
|
|
|
|
|
|
|
|
|
|
№ |
№ |
R1 |
R2 |
R3 |
R4 |
R5 |
Cl |
С2 |
VD1 |
DA1 |
T,° C |
Rn |
t,ч |
вар. |
рис.. |
VD2 |
|||||||||||
1 |
5.3 |
0,1 |
0,08 |
0,09 |
0,1 |
– |
0,05 |
0,06 |
– |
0,3 |
60 |
0,6 |
3000 |
2 |
5.4 |
0,1 |
0,11 |
0,1 |
0,11 |
0,1 |
0,05 |
0,04 |
– |
0,2 |
80 |
0,4 |
500 |
3 |
5.5 |
0,11 |
од |
0,09 |
0,1 |
– |
0,06 |
0,06 |
– |
0,3 |
20 |
1,0 |
1000 |
4 |
5.6 |
0,1 |
0,08 |
0,09 |
0,1 |
– |
0,05 |
– |
– |
– |
40 |
0,8 |
2000 |
б) составить структурную схему расчета надежности устройства; в) с учетом условий эксплуатации (температуры) и режимов работы
схемы (коэффициента нагрузки
) выбрать по таблицам поправочный коэффициент для вычисления интенсивности отказов элементов;
г) вычислить интенсивность отказов всех элементов схемы и опреде-
лить вероятность ее безотказной работы с учетом заданного времени эксплу-
атации t.
9 Устройство состоит из N = 5 блоков, надежность каждого из которых характеризуется вероятностью безотказной работы в течение времени t. При этом
Определитевероят-
ность безотказной работы устройства.
10 Система состоит из трех модулей, средние наработки до первого отказа которых равны соответственно:
Для моду-
лей справедлив экспоненциальный закон надежности. Определите среднюю наработку до отказа всей системы.
Индивидуальное задание № 3Комплексные показатели надежности
Теоретическая часть
Коэффициент готовности. Процесс функционирования восстанавлива-
емого объекта можно представить как последовательность чередующихся интервалов работоспособности и восстановления (простоя). Коэффициент готовности – это вероятность того, что объект окажется в работоспособном
35
состоянии в произвольный момент времени, кроме планируемых периодов, в
течение которых применение объекта по назначению не предусматривается.
Этот показатель одновременно оценивает свойства работоспособности и ре-
монтопригодности объекта.
Для одного ремонтируемого объекта коэффициент готовности опреде-
ляется по формуле
(20)
где
– продолжительность i-го интервала работы;
– продолжительность i-
го интервала восстановления.
Из выражения (20) следует, что коэффициент готовности объекта мо-
жет быть повышен за счет увеличения наработки на отказ и уменьшения среднего времени восстановления. Максимальное значение коэффициента го-
товности
Для экспериментального определения коэффициента го-
товности необходим достаточно длительный календарный срок функцио-
нирования объекта.
Зависимость коэффициента готовности от времени восстановления за-
трудняет оценку надежности объекта, так как по нему нельзя судить о вре-
мени непрерывной работы до отказа. Это объясняется тем, что одному и тому
же численному значению
могут соответствовать разные значения
Следовательно, на конкретном интервале работоспособности вероятность
безотказной работы будет больше там, где больше
хотя за этим интерва-
лом может последовать длительный интервал простоя
Коэффициент го-
товности является удобной характеристикой для объектов, которые пред-
назначены для длительного функционирования, но решают поставленную за-
дачу в течение короткого промежутка времени (находятся в ждущем ре-
жиме), например релейная защита, контактная сеть, сложная контрольная ап-
паратура и т. д.