Материал: 4017

Внимание! Если размещение файла нарушает Ваши авторские права, то обязательно сообщите нам

18

10 12 h 1 12 4 4 8 м2;

 

М0

 

2

4

8

м;

 

 

 

 

с

3

3

 

1

0

h

4 3,0 12 м2 ;

2

2

 

 

 

 

 

 

М0

4 м;

 

 

с2

 

 

 

0

h

4 3,0 12,0 м2;

3

3

 

 

 

 

 

 

М0

4 м.

 

 

с3

 

 

 

Рис. 2.7. Эпюры и ординаты на 2 и 3 участках

 

 

 

 

 

0 M0

 

 

1 0 M0 0 M0 0 M0

 

 

 

 

 

 

 

 

 

i

 

 

ci

 

 

 

 

 

 

 

 

 

 

 

 

 

 

 

 

 

 

 

 

 

 

 

 

 

 

 

 

 

 

 

 

 

 

 

 

 

 

11

 

 

 

 

 

 

 

z

 

 

 

 

 

 

 

z

 

1

 

 

c1

2

с2

3

 

 

c3

 

;

 

 

 

 

 

 

 

 

 

 

 

 

 

 

 

 

 

 

 

 

 

 

 

 

 

 

 

 

 

 

 

 

 

 

 

 

 

 

 

 

 

1

 

 

 

8

 

 

 

 

 

 

 

 

 

 

1

 

64

 

 

 

 

 

 

 

11

 

 

 

 

 

 

 

 

8

 

 

12

4

12

4

 

 

 

 

 

 

48 48

 

 

 

 

 

 

 

 

 

 

 

 

 

 

 

 

 

 

 

 

 

 

 

 

 

 

z

3

 

 

 

 

 

 

 

 

 

 

 

z 3

 

 

 

 

 

 

 

 

 

1 64 288

 

 

352 м3

.

 

 

 

 

 

 

 

 

 

 

 

.

 

 

 

 

 

 

 

 

 

 

 

 

 

 

 

 

 

 

 

 

 

 

 

 

 

 

 

 

 

 

 

 

 

 

 

 

 

 

3

 

 

 

 

3 z

 

 

 

 

 

 

 

 

 

 

 

 

 

 

 

 

 

z

 

 

 

 

 

 

 

 

 

 

 

 

 

 

 

 

 

 

 

 

 

 

6.2. Проверка правильности определения коэффициента 11

методом Мо-

ра:

 

 

 

 

 

 

 

 

 

 

 

 

 

 

 

 

 

 

 

 

 

 

 

 

 

 

 

 

 

 

 

 

 

 

 

11

 

 

 

 

1

 

 

n

M0z (xi ) M0z (xi )dxi

 

 

 

 

 

 

 

 

 

 

 

 

 

 

 

 

 

 

 

 

 

 

 

 

 

 

 

 

 

 

 

 

 

 

 

 

 

 

 

 

 

 

 

 

 

 

 

 

 

 

EI z i 1 L

 

 

 

 

 

 

 

 

 

 

 

 

 

 

 

 

 

 

 

 

 

 

 

 

 

 

1

 

 

 

M0 (x )M0

(x )dx

 

M0

(x )M0 (x )dx

 

M0 (x )M0 (x )

 

 

 

 

 

 

 

 

 

 

 

 

 

 

z 1

 

 

z

1

 

1

 

 

z 2

z 2

 

2

 

 

z 3 z 3

 

 

EI z

 

 

 

1

 

 

 

 

 

 

 

2

 

 

 

3

 

 

 

 

 

 

 

 

 

 

 

 

 

 

 

 

 

 

 

 

 

 

 

 

 

 

 

 

 

 

 

 

 

 

 

 

2 )M 0z (x 2 )dx 2 3 M 0z (x 3 )M 0z (x 3 )dx 3 .

19

 

1

4

 

 

 

3

 

 

 

 

 

3

 

 

 

 

 

 

 

 

 

x1

x1dx1 4

4dx2

4 4dx3

 

 

 

 

 

 

 

EIz 0

 

 

 

0

 

 

 

 

 

0

 

 

 

 

 

 

 

1

x3

 

 

4

 

3

 

 

 

 

1

 

43

 

 

 

 

 

 

 

 

 

 

3

 

 

 

 

 

 

1

 

 

 

16x2

 

 

16x3

 

 

 

 

 

 

 

 

16 3 16 3

 

 

 

 

 

 

 

 

 

 

 

 

EIz

3

 

 

 

 

 

 

 

 

 

 

 

 

 

EIz

3

 

 

 

 

 

 

 

 

 

 

0

 

0

 

 

 

0

 

 

 

 

 

 

 

 

 

 

 

 

 

 

 

 

 

 

 

 

 

 

 

 

 

 

 

 

 

 

 

352 м3

 

 

 

 

 

 

 

 

1

 

64

 

48 48

 

 

 

.

 

 

 

 

 

 

 

 

 

 

 

 

 

 

 

 

 

 

 

 

 

 

 

 

 

 

 

3EIz

 

 

 

 

 

 

 

 

 

 

 

 

 

 

 

 

 

 

 

 

 

 

 

 

 

EIz 3

 

 

 

 

 

 

 

 

 

 

 

 

 

 

6.3. Определим коэффициент 1P

методом Верещагина:

 

 

 

1

n

 

 

 

 

M0*,

 

1P

 

 

i

ci

 

 

EIz i 1

 

где i - площади грузовых эпюр; M0* - ординаты с единичных эпюр. ci

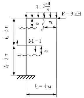
Приложим к основной системе все внешние нагрузки и запишем уравнения изгибающих моментов для грузовой системы (рис. 2.8).

 

 

 

 

 

x2

М

(x ) q

1

 

 

 

z

1

 

 

2

 

 

 

 

 

 

 

 

 

x2

 

4 м 16 кН м

 

 

 

2

1

 

 

;

2

 

 

 

 

 

0 м 0 кН м

 

 

 

 

 

 

 

 

 

 

 

Мz (x2 ) F x2 q 4 2

 

 

 

3м 9 16 7 кНм

 

 

 

 

3x2 2 4 2

 

;

 

 

 

0м 16

кН м

 

Мz (x3) M q 4 2

 

 

F(x3 3) 1 2 8

 

 

3(x3 3) 17 3x3 9

 

 

3 м 8 9 1 кН м

 

 

Рис. 2.8. Грузовая система

8 3x3

0 м 8 кН м

.

 

 

 

 

 

 

 

 

20

Мz (x3) M q 4 2 F(x3 3) 1 2 8

3(x3 3) 17 3x3 9 8 3x3

 

3 м 8 9 1 кН м

 

 

 

.

 

 

0 м 8

кН м

 

 

 

 

Построим эпюру изгибающих моментов МZ (грузовая эпюра, рис. 2.9). Расслоим эпюру МZ на третьем участке.

Мz (x3) M q 4 2 F 3 1 2 8 3 3 8 кН м;

Мz (x3) F x3 3 x3

 

3 м 9 кНм

 

 

.

 

 

0 м 0 кНм

 

 

 

Рис. 2.9. Грузовая эпюра

Рис. 2.10. Единичная эпюра

 

Mz , кН м

M0z , м

Определим площади грузовых эпюр и ординаты единичных (рис. 2.11 и

рис. 2.12.

1 13 h 1 13 ( 16) 4 643 кН м2;

М01* 3 1 3 4 3 м;

с1 4 4

21

Рис. 2.11. Площади грузо-

Рис. 2.12. Площади грузовых эпюр

вых эпюр и ординаты единич-

и ординаты единичных – 2 и 3 участки

ных – 1 участок

 

 

1

h

1

( 9) 3

27

кН м2;

 

 

 

 

 

 

 

 

 

 

 

 

 

 

 

 

 

 

 

 

2

 

 

2

 

2

2

 

 

 

 

 

 

 

 

2

 

 

 

 

 

 

 

 

 

 

 

 

 

 

 

 

 

 

 

 

 

 

 

 

 

 

 

 

 

 

 

 

 

 

 

М01* М01* М01* М01* 4 м;

 

 

 

 

 

 

 

 

 

с2

 

 

 

 

 

 

 

 

с3

 

 

 

 

 

с4

 

 

 

 

 

 

с5

 

 

 

 

 

 

 

 

 

h ( 7) 3 21 кН м2;

 

 

 

 

 

 

 

 

 

3

 

 

2

 

 

 

 

 

 

 

 

 

 

 

 

 

 

 

 

 

 

 

 

 

 

 

 

 

h ( 8) 3 24 кН м2;

 

 

 

 

 

 

 

 

 

4

 

 

3

 

 

 

 

 

 

 

 

 

 

 

 

 

 

 

 

 

 

 

 

 

 

 

 

 

 

1

h

1

9 3

27

кН м2;

 

 

 

 

 

 

 

 

 

 

 

 

 

 

 

 

 

 

 

 

 

 

 

5

 

 

2

 

 

3

2

 

 

 

 

 

 

2

 

 

 

 

 

 

 

 

 

 

 

 

 

 

 

 

 

 

 

 

 

 

 

 

 

 

 

 

 

 

 

 

 

 

 

 

 

 

 

 

 

 

 

 

 

 

 

 

M0*

 

 

 

 

 

 

 

 

 

 

 

 

 

 

 

 

 

 

 

 

 

 

 

 

 

 

i

 

 

ci

 

 

 

 

 

 

 

 

 

 

 

 

 

 

 

 

 

 

 

 

 

 

 

 

 

 

 

 

 

 

 

 

 

 

 

 

 

 

 

 

 

 

 

 

 

 

1P

 

 

 

 

 

 

 

 

z

 

 

 

 

 

 

 

 

 

 

 

 

 

 

 

 

 

 

 

 

 

 

 

 

 

 

 

 

 

 

 

 

 

 

 

 

 

 

 

 

 

 

 

 

 

 

 

 

 

1

M0*

 

M0* M0* M0* M0*

 

 

 

 

 

 

 

 

 

z

1

 

 

c1

 

2

 

 

 

 

c2

3

c3

c4

c5

 

 

 

 

 

 

 

 

 

 

 

 

 

 

 

 

 

 

 

 

 

 

 

 

 

 

 

 

 

 

 

 

 

 

 

 

 

 

1

 

 

 

 

 

64

 

 

 

 

 

27

 

21

 

24

 

27

 

 

 

 

 

 

 

 

 

 

 

 

 

3

 

 

 

 

 

4

4

4

 

 

4

 

z

 

 

3

 

2

2

 

 

 

 

 

 

 

 

 

 

 

 

 

 

 

 

 

 

 

1

 

 

64 54 84 96 54

1

298 54

244 кН м3

.

 

z

 

z

 

 

 

 

 

 

 

 

 

 

 

 

 

 

 

 

 

 

 

 

 

 

 

 

 

 

 

 

 

 

 

z

 

 

 

 

 

 

 

 

 

 

 

 

 

 

 

 

 

 

 

 

 

 

 

 

 

 

 

 

 

 

 

 

 

 

 

 

 

 

22

 

 

 

 

 

 

 

 

 

 

 

 

 

 

 

 

 

 

 

 

6.4.

Проверка правильности определения коэффициента 1P методом

 

 

Мора:

 

 

 

 

 

 

 

 

 

 

 

 

 

 

 

 

 

 

 

 

 

 

 

 

 

 

 

 

 

 

 

 

 

 

 

 

 

 

 

 

 

 

 

 

 

 

 

 

 

 

 

1P (A)

 

 

 

1

 

n

 

Mz (xi ) M0z (xi )dxi

 

 

 

 

 

 

 

 

 

 

 

 

 

 

 

 

 

 

 

 

 

 

 

 

 

 

 

 

 

 

 

 

 

 

 

 

 

 

 

 

 

 

 

 

 

 

 

 

 

 

 

 

 

 

 

 

 

 

 

 

 

 

 

 

 

 

 

 

 

 

 

EIz i 1 L

 

 

 

 

 

 

 

 

 

 

 

 

 

 

 

 

 

 

 

 

 

 

 

 

 

 

 

 

 

 

 

1

 

 

Mсум.(x ) M0

 

 

(x ) dx

 

 

 

 

 

 

 

 

 

 

 

 

 

 

 

 

 

 

 

 

 

 

 

 

 

 

 

 

 

 

 

 

 

 

 

 

 

 

 

 

 

 

 

 

 

 

 

 

 

 

 

1

 

 

z

 

 

 

 

1

 

 

 

 

 

z

 

 

 

1

 

1

 

 

 

 

 

 

 

 

 

 

 

 

 

 

 

 

 

 

 

 

 

 

 

 

EIz

 

 

 

 

 

 

 

 

 

 

 

 

 

 

 

 

 

 

 

 

 

 

 

 

 

 

 

 

 

 

 

 

 

 

 

 

 

 

 

 

 

 

 

 

2

 

Mсумz

.(x2 ) M0z (x2 ) dx2

 

 

 

 

 

 

 

 

 

 

 

 

 

 

 

 

 

 

 

 

3

 

Mсумz

.(x3 ) M0z (x3 ) dx3

 

 

 

 

 

 

 

 

 

 

 

 

 

 

 

 

 

 

 

 

 

 

 

 

 

 

1

 

 

4

 

 

 

 

 

 

 

2

 

 

 

 

 

 

 

 

 

 

 

 

 

3

 

 

 

 

 

 

 

 

 

 

 

3

 

 

 

 

 

 

 

 

 

 

 

 

( q

x1

) x dx

 

 

 

 

 

(F x

 

 

 

q 8) 4dx

 

 

 

 

( 8 3x

 

) 4dx

 

 

 

 

 

 

 

 

 

 

 

 

 

 

 

 

 

 

 

 

 

 

 

 

 

 

 

 

 

 

 

EI

 

 

 

 

 

 

 

 

2

 

 

 

1

 

 

 

1

 

 

 

 

2

 

 

 

 

 

2

 

 

 

 

3

 

3

 

 

 

 

 

 

 

 

 

 

 

 

z 0

 

 

 

 

 

 

 

 

 

 

 

 

 

 

 

 

 

 

 

 

 

 

0

 

 

 

 

 

 

 

 

 

 

 

0

 

 

 

 

 

 

 

 

3

 

 

 

 

 

 

 

 

 

 

 

 

 

 

 

 

 

 

 

 

 

 

 

 

 

 

 

 

 

 

 

 

 

 

 

 

 

 

 

 

 

 

 

 

 

 

 

 

 

 

 

 

 

 

 

 

 

 

 

 

 

 

 

 

 

 

 

 

 

 

 

 

 

 

 

 

 

 

 

 

 

 

 

 

 

 

 

 

 

 

 

 

 

q 8) 4 x

dx

2

( 8

3x

3

) 4dx

3

 

 

 

 

 

 

 

 

 

 

 

 

 

 

 

 

 

 

 

 

 

 

 

 

 

2

 

0

 

 

 

 

 

 

 

 

 

 

 

 

 

 

 

=

 

 

 

 

 

 

 

 

 

 

 

 

 

 

 

 

 

 

 

 

 

 

 

 

 

 

 

 

 

 

 

 

 

 

 

 

 

 

 

 

 

 

 

 

 

 

 

 

 

 

 

 

 

 

 

 

 

 

 

 

 

 

 

 

 

 

 

 

 

 

 

 

 

 

 

 

 

 

 

 

 

 

 

 

 

 

 

 

 

 

 

 

 

 

 

 

 

 

 

 

 

 

 

 

 

 

 

 

 

 

 

 

 

 

 

 

 

 

 

 

 

 

 

 

 

 

 

 

 

 

 

 

 

 

 

 

 

 

 

 

 

 

 

 

4

 

 

 

 

 

 

 

 

 

 

 

 

 

 

3

 

 

 

 

 

 

 

 

 

 

 

 

 

 

 

 

 

 

 

 

 

1

 

 

 

 

 

x

4

 

 

 

4Fx2

 

 

 

 

 

 

 

 

 

 

 

 

 

 

 

 

 

 

 

 

 

 

 

 

 

 

 

 

 

 

 

 

 

 

 

1

 

 

 

 

 

 

 

 

 

 

 

 

2

 

 

 

 

 

 

 

 

 

 

 

 

 

 

 

 

 

 

 

 

 

 

 

 

 

 

 

 

 

q

 

8

 

 

 

 

 

 

 

 

 

2

 

 

4 q 8 x2

 

 

 

 

 

 

 

 

 

 

 

 

 

 

 

 

 

 

 

 

EI

 

 

 

 

 

 

 

 

 

 

 

 

 

 

 

 

 

 

 

 

 

 

 

0

 

 

 

 

 

 

 

 

 

 

 

 

 

 

 

 

 

 

 

 

 

 

z

 

 

 

 

 

 

 

 

 

 

 

 

 

 

 

 

 

 

 

 

 

 

 

 

 

 

 

 

 

 

 

 

 

 

 

 

 

 

 

 

 

 

 

 

 

 

 

 

 

 

 

 

 

 

 

 

 

 

 

 

 

 

 

 

 

 

 

 

 

 

 

 

 

 

 

 

 

 

 

 

 

 

 

 

 

 

 

 

 

 

 

 

 

 

 

 

 

 

 

 

 

 

 

 

 

 

 

 

 

 

 

 

0

 

 

 

 

 

 

 

 

 

 

 

 

 

 

 

 

 

 

 

 

 

 

 

 

 

 

 

 

 

 

 

 

 

 

 

 

 

 

 

 

 

 

 

 

 

 

 

 

 

 

 

 

 

 

 

 

 

 

 

 

 

 

 

 

 

 

 

 

 

 

 

 

 

 

 

 

 

 

 

 

 

 

 

 

 

 

 

 

 

 

 

 

 

 

 

 

 

 

 

 

 

 

4 3 x2

 

 

 

3

 

 

 

 

 

 

 

 

 

 

 

 

 

 

 

 

 

 

 

 

 

 

 

 

 

 

 

 

 

 

 

 

 

 

 

 

 

 

 

 

 

 

 

 

 

 

 

 

 

 

 

 

 

 

 

 

 

 

 

 

8 4 x3

 

 

 

 

 

3

 

 

 

 

 

 

 

 

 

 

 

 

 

 

 

 

 

 

 

 

 

 

 

 

 

 

 

 

 

 

2

 

 

 

 

 

 

 

 

 

 

 

 

 

 

 

 

 

 

 

 

 

 

 

 

 

 

 

 

 

 

 

 

 

 

 

 

 

 

 

 

 

 

 

 

 

 

 

 

 

 

 

 

 

 

 

 

 

 

 

 

 

 

 

 

 

 

 

 

 

 

 

 

 

 

 

 

 

 

 

 

 

 

 

 

 

 

 

 

 

 

 

 

 

 

 

 

 

 

 

 

 

 

 

0

 

 

 

 

 

 

 

 

 

 

 

 

 

 

 

 

 

 

 

 

 

 

 

 

 

 

 

 

1

 

 

 

2 44

 

 

 

4 3 32

 

 

 

 

 

 

 

 

 

4 3 32

 

 

 

 

 

 

 

 

 

 

 

 

 

 

 

 

 

 

 

 

 

 

 

 

 

 

 

 

 

 

 

 

 

 

 

 

 

 

 

 

 

 

 

 

 

 

 

 

 

 

 

 

 

 

 

 

 

 

 

 

 

 

 

 

 

 

 

 

4

2 8 3 8 4 3

 

 

 

 

 

 

=

 

 

 

 

 

 

 

 

 

 

 

 

 

 

 

 

 

 

 

 

 

 

 

 

 

 

 

 

 

 

 

 

 

 

 

 

 

 

 

 

 

 

 

 

 

EIz

 

8

 

 

 

 

 

 

 

 

2

 

 

 

 

 

 

 

 

 

 

 

 

 

 

 

 

 

 

 

2

 

 

 

 

 

 

 

 

 

 

 

 

 

 

 

 

 

 

 

 

 

 

 

 

 

 

 

 

 

 

 

 

 

 

 

 

 

 

 

 

 

 

 

 

 

 

 

 

 

 

 

 

 

 

 

 

 

 

 

 

 

 

 

 

 

1

 

64 54 192 96 54

 

244 кН м3

.

 

 

 

 

 

 

 

 

 

 

 

 

= EIz

 

 

 

 

 

 

 

 

 

 

 

 

 

 

 

 

 

 

 

 

 

 

 

 

 

 

 

 

 

 

 

 

 

 

 

 

 

 

 

 

 

 

 

 

 

EIz

 

 

 

 

 

 

 

 

 

 

 

 

1P = кН м2 м/(кН/м2) м4.

7. Найдем неизвестную X1, подставив найденные коэффициенты 11 и

в каноническое уравнение