Материал: 4017

Внимание! Если размещение файла нарушает Ваши авторские права, то обязательно сообщите нам

13

13 14

15

16

17 18

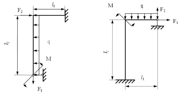
Рис. 1.2. Расчетные схемы рам (13-18)

14

19

20

 

Рис. 1.2. Расчетные схемы рам (19-20)

2.Начертить в условном масштабе заданную схему (рис. 1.2), указав все размеры, внешние нагрузки, момент и реакции заделки, а также искомую неизвестную реакцию.

3.Определить степень статической неопределимости.

4.Выбрать основную и эквивалентную системы.

5.Записать каноническое уравнение метода сил для заданной системы.

6.Определить коэффициенты 11 и методом Верещагина для нахождения неизвестной Х1.

7.Определить неизвестную Х1, подставив найденные коэффициенты,

11 и , в каноническое уравнение.

8.Для заданной системы определить реакции и момент заделки, сделать проверку.

9.Построить эпюры продольных сил N, поперечных сил Qу и суммарную

эпюру изгибающих моментов - Мсум..

10.Сделать кинематическую проверку (методом Верещагина или методом Мора).

11.Сделать статическую проверку – методом вырезания узлов.

12.Нарисовать поперечное сечение. Подобрать размеры поперечного сечения: № двутавра (или швеллера).

15

2. ПРИМЕР РАСЧЕТА СТАТИЧЕСКИ НЕОПРЕДЕЛИМОЙ РАМЫ

2.1. Статически неопределимая рама, состоящая из трех участков

1. Для выбранной расчетной схемы, плоской стержневой системы, (рис. 2.1), выписать данные из табл. 1.1.

Дано: М = 1 кН∙м; F = 3 кH; q = 2 кН/м; 1 = 4 м; 2 = 3,0 м; 3 = 3,0 м;

adm = 160 МПа.

Определить: VА,, VВ, НВ, МЗ. Построить эпюры: N, Q, M. Подобрать поперечное сечение в виде двутавра.

2. Вычертить заданную систему в условном масштабе, показать все внешние нагрузки, длину участков, момент, реакции и момент заделки, реакцию опоры (рис. 2.1).

3. Определить степень статической неопределимости заданной системы:

S = n m = 4 3 = 1,

где n – число неизвестных реакций, m – число уравнений статики для плоской системы. Рама один раз статически неопределима.

 

4. Выбрать основную,

 

эквивалентную

и

грузо-

 

вую системы.

 

 

 

Основная система долж-

 

на быть статически оп-

 

ределимой и без внеш-

 

них нагрузок (рис. 2.2).

 

В

заданной

системе

 

(рис. 2.1) - в точке А, от-

 

бросим опору, и по на-

 

правлению отброшенной

 

связи

приложим

неиз-

 

вестную силу Х1. Полу-

 

чим эквивалентную сис-

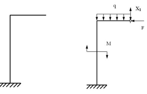
Рис. 2.1. Заданная система

тему (рис. 2.3).

 

 

16

Рис. 2.2. Основная система

Рис. 2.3. Эквивалентная система

5. Запишем каноническое уравнение метода сил для рамы один раз статически неопределимой:

Х1 11+ гр1 Pi = 0, можно записывать в таком виде:

X1 11+ = 0.

Первый индекс при соответствует направлению перемещения, а второй

силе, вызвавшей это перемещение.

6.Определим коэффициенты канонического уравнения.

6.1. Определим коэффициент 11, используя метод Верещагина:

 

 

0

M0

11

 

i

ci

 

 

,

 

 

 

 

z

где i0 - площади единичных эпюр; M0ci - ординаты с единичных эпюр.

Приложим к основной системе, в точке А, безразмерную силу F10 = 1 (по направлению отброшенной связи VA) (рис. 2.4).

Запишем уравнения изгибающих моментов для единичного состояния:

17

0 м 0

М0z (x1) F0 x1 1 x1

4м 4 м

М0z (x2 ) F0 ·4 = 1·4 = 4 м;

М0z (x3) F0 ·4 = 1·4 = 4 м.

Построим эпюру изгибающих моментов для единичного

состояния - M0z (рис. 2.5).

На рис. 2.6 – первый участок, рис. 2.7 – второй и третий участки, покажем площади единичных эпюр и ординаты под

центрами тяжести.

Рис. 2.4. Единичное состояние рамы

M0z , м

Рис. 2.5. Эпюра изгибающих

Рис. 2.6. Эпюры и ординаты на

моментов

1 участке