Материал: 4017

Внимание! Если размещение файла нарушает Ваши авторские права, то обязательно сообщите нам

8

Для обеспечения геометрической неизменяемости системы (балки или рамы) в плоскости достаточно трех связей. Каждая связь запрещает какое-либо перемещение [3].

Подвижная шарнирная опора (рис. 1.1, а) накладывает одну связь, препятствующую перемещениям в направлении, перпендикулярном ее основанию.

Рис. 1.1. Виды опор и реакций в них

Этой связи соответствует одна реакция V. Неподвижная шарнирная опора (рис. 1.1, б) накладывает две связи, препятствующие перемещениям в вертикальной и горизонтальной плоскостях. Им соответствуют две реакции – V и Н.

Консольная заделка (защемление) накладывает три связи, препятствующие вертикальному и горизонтальному перемещениям и повороту опоры (рис. 1.1, в).

В статически определимых балках опоры устраиваются таким образом, чтобы было наложено три связи, причем должна отсутствовать возможность перехода системы в механизм или мгновенная ее изменяемость [4].

Каждая дополнительная связь сверх трех для плоских систем превращает конструкцию в статически неопределимую. Такие дополнительные связи, которые не являются необходимыми для обеспечения геометрической неизменяемости конструкции, называются лишними [5].

Для выполнения данного задания студенту необходимо вспомнить темы из теоретической механики:

- связи, виды связей, реакции связей; момент силы относительно центра на плоскости, пара сил, момент пары сил, свойства пар сил; условия и уравнения равновесия произвольной плоской системы сил.

По сопротивлению материалов необходимо освоить: построение эпюр продольных сил, поперечных сил и изгибающих моментов; раскрытие статической неопределимости с помощью метода сил; определение перемещений методом Мора и Верещагина.

9

1.2. Раскрытие статической неопределимости стержневых систем методом сил

Особую, наиболее простую для исследования, группу стержневых систем составляют плоские системы. У плоской рамы оси всех составляющих элементов расположены в одной плоскости, которая одновременно является главной плоскостью сечений. В этой же плоскости действуют все внешние силы, включая и реакции опор.

Рамы принято разделять на статически определимые и статически неопределимые.

Под статически определимой понимается такая система, для которой все реакции опор могут быть определены при помощи уравнений равновесия, а затем при найденных опорных реакциях методом сечений могут быть найдены также и внутренние силовые факторы в любом поперечном сечении [2, 5, 6].

Под статически неопределимой системой имеется в виду такая, для которой определение внешних реакций и всех внутренних силовых факторов не может быть произведено при помощи метода сечений и уравнений равновесия.

Разность между числом неизвестных (реакций опор и внутренних силовых факторов) и числом неизвестных уравнений статики, которые могут быть составлены для рассматриваемой системы, носит название степени или числа статической неопределимости.

Наиболее широко применяемым в машиностроении общим методом раскрытия статической неопределимости стержневых и рамных систем является метод сил. Он заключается в том, что заданная статически неопределимая система освобождается от дополнительных связей как внешних, так и взаимных, а их действие заменяется силами и моментами. Значения этих сил и моментов подбираются так, чтобы перемещения соответствовали тем ограничениям, которые накладываются на систему отброшенными связями. Таким образом, при указанном способе раскрытия статической неопределимости неизвестными оказываются силы. Отсюда и название «метод сил» [2, 3].

Раскрытие статической неопределимости любой рамы методом сил начинается с отбрасывания дополнительных связей. Система, освобожденная от дополнительных связей, становится статически определимой. Она носит название

10

основной системы. Оставшиеся связи должны обеспечивать неизменяемость системы, с одной стороны, и статической определимости в узлах - с другой.

После того как дополнительные связи отброшены и система превращена в статически определимую, необходимо, как уже говорилось, ввести вместо связей неизвестные силовые факторы.

В тех сечениях, где запрещены линейные перемещения, вводятся силы. Там, где запрещены угловые смещения, вводятся моменты.

1.3. Последовательность расчета статически неопределимой рамы

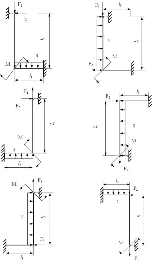
1. Схема выдается преподавателем по списку в журнале (рис. 1.2), данные выбираются по номеру зачетной книжки (или по номеру студенческого билета). Пишем последние две цифры, например, 04 – под ними буквы «де», получаем

04

де.

Из таблицы 1.1 по строчке «0» (внизу в таблице написана буква «д») –

выбираем M = 4 кн м, q = 3 кн/м и l2 = 2,8 м .

 

 

 

 

 

 

 

По строчке «4» (внизу в

таблице написана буква «е») – выбираем F1 =

=7 кН, F2 = 4 кН, l1 = 2,6 м и адм = 157 МПа.

 

 

 

 

 

 

 

 

 

 

 

 

 

 

 

 

 

Таблица 1.1

 

 

Данные для расчета статически неопределимой рамы

 

 

 

 

 

 

 

 

 

 

 

 

 

 

 

 

 

 

M,

F1,

 

q,

 

F2,

l1,

l2,

 

адм,

 

 

схемы

строки

кН∙м

кН

 

кН/м

 

кН

м

м

 

МПа

 

 

 

 

 

 

 

 

 

 

 

 

 

 

 

 

Выда-

1

16,0

3,0

 

3,0

 

5,0

4,2

2,0

 

160

 

 

ется

 

 

 

 

 

 

 

 

 

 

 

 

 

2

15,0

4,0

 

2,5

 

5,5

3,2

2,6

 

159

 

 

препо-

 

 

 

 

 

 

 

 

 

 

 

 

 

3

14,0

5,0

 

2,0

 

6,0

2,2

2,4

 

158

 

 

дова-

 

 

 

 

 

 

 

 

 

 

 

 

 

4

13,0

6,0

 

4,0

 

6,5

2,6

2,8

 

157

 

 

телем

 

 

 

 

 

 

 

 

 

 

 

 

 

5

12,0

7,0

 

4,5

 

7,0

2,4

3,2

 

156

 

 

по

 

 

 

 

 

 

 

 

 

 

 

 

 

6

7,0

6,5

 

3,5

 

7,5

3,8

3,4

 

155

 

 

 

 

 

 

 

 

 

 

 

 

 

 

 

7

8,0

5,5

 

5,0

 

4,5

3,4

3,0

 

154

 

 

в

 

 

 

 

 

 

 

 

 

 

 

 

 

8

9,0

4,5

 

5,5

 

4,0

2,8

3,6

 

153

 

 

 

 

 

 

 

 

жур-

 

 

 

 

 

 

 

 

 

 

 

 

 

9

10,0

3,5

 

6,0

 

8,0

3,6

3,8

 

152

 

 

 

 

 

 

 

 

нале

 

 

 

 

 

 

 

 

 

 

 

 

 

0

11,0

2,5

 

6,5

 

8,5

4,0

2,8

 

151

 

 

 

 

 

 

 

 

 

 

 

 

 

 

 

 

 

 

 

 

 

 

 

 

д

е

 

д

 

е

е

д

 

е

 

 

 

 

 

 

 

 

 

 

 

 

 

 

 

11

1

2

 

3

4

 

5 6

Рис. 1.2. Схемы рам (1-6)

12

7

8

9

10

 

11 12

Рис. 1.2. Расчетные схемы рам (7-12)