Материал: 3z683mGxLX

Внимание! Если размещение файла нарушает Ваши авторские права, то обязательно сообщите нам

Лабораторная работа 6

МОДЕЛИРОВАНИЕ МАГНИТНЫХ ФРАКТАЛЬНЫХ СТРУКТУР

Цели работы: исследование спектров СВ и частот запрещенных зон в зависимости от параметров магнитных фрактальных структур типа Кантора с модуляцией толщины; приобретение практических навыков расчета спектров спиновых волн в пространственно-периодических структурах методом волновых матриц передачи.

6.1. Основные положения

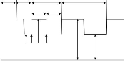
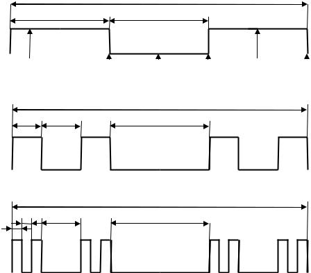
Магнитные фрактальные структуры, исследуемые в лабораторной работе, представляют собой два типа структур, полученных при помощи правил построения канторова множества, и схематически показаны на рис. 6.1 и 6.2.

Обозначения на рисунках соответствуют обозначениям на рис. 1.2, 2.1; d2 ,

d3 , d4 – протяженности «тонких» участков; D

протяженность всей струк-

туры; T1 T6 – также

матрицы

передачи для

соответствующих участков

структуры.

 

 

 

 

 

 

 

 

 

 

 

 

 

 

 

 

 

d1

 

Λ

d2

 

 

 

 

 

 

 

 

 

 

 

 

 

 

 

 

 

 

 

 

 

 

 

 

 

 

 

 

 

 

 

 

 

 

 

 

 

 

 

 

 

 

 

 

 

 

 

 

 

 

 

 

 

 

 

 

 

 

 

 

 

 

 

 

 

 

 

 

L1

 

 

 

 

 

 

 

 

 

 

 

 

 

 

 

 

 

 

 

 

 

 

T1

 

T2

T3

T4

 

 

 

L2

 

 

 

 

 

 

 

Λ

а

 

 

 

 

 

 

 

 

 

 

 

 

 

 

 

 

 

 

 

 

 

 

 

 

 

 

d1

 

d2

 

d3

 

 

 

 

 

 

 

 

 

 

 

 

 

 

 

 

 

 

 

 

 

 

 

 

 

 

 

 

 

 

 

 

 

 

 

 

 

 

 

 

 

 

 

 

 

 

 

 

 

 

 

 

 

 

 

 

 

 

 

 

 

 

 

 

 

 

 

 

 

 

 

 

 

 

 

 

 

 

 

 

 

 

 

 

 

 

 

 

 

 

 

 

 

 

 

 

Λ

б

d1

 

d

 

2

 

d3

 

d4

 

 

 

 

 

 

 

 

 

 

 

 

 

 

 

 

 

 

 

 

 

 

 

 

 

 

 

 

 

 

 

 

 

 

 

 

 

 

 

 

 

 

 

 

 

 

 

 

 

 

 

 

 

 

 

 

 

 

 

в

Рис. 6.1. Схематическое изображение магнитной фрактальной структуры типа Кантора

смодуляцией толщины в продольном сечении: а – магнитная периодическая структура нулевого порядка; б – периодическая структура второго порядка; в – периодическая

структура третьего порядка

21

D

d1

d2

T1

 

T2

T3

T4

T5

T6

 

 

 

а

 

 

 

 

 

 

D

 

 

 

d1

d2

 

d3

 

 

 

 

 

 

 

б

 

 

 

D

 

d2

d

3

d

4

d1

 

 

в

Рис. 6.2. Схематическое изображение магнитной фрактальной структуры типа Кантора с модуляцией толщины в продольном сечении: а – фрактальная структура первого порядка; б – фрактальная структура второго порядка; в – фрактальная структура третьего порядка

Канторово множество является одним из простейших видов фракталов, а именно подмножеством единичного отрезка вещественной прямой. Опишем принцип построения структур в виде канторова множества на основе магнитной пленки протяженностью D. Уменьшим толщину на средней трети отрезка. В получившейся структуре появляется «канавка» (см. рис. 6.2, а). Подобную процедуру (уменьшение толщины средней трети пленки) повторим для нетронутых участков пленки (см. рис. 6.2, б). Повторив эту процедуру снова и снова, уменьшая толщины средних третей у всех полученных отрезков пленки (см. рис. 6.2, в), получим фрактальную структуру типа Кантора большего порядка и т. д.

В данной лабораторной работе для расчета спектра СВ будем использовать метод Т-матриц, описанный в лабораторной работе 2 (см. (2.1)–(2.5)). Так как исследуемая структура, показанная на рис. 6.2, не является периодической, то распространение СВ в каждой ее части будет описываться отдельной матрицей передачи.

22

6.2. Описание программы

Влабораторной работе используются программы, описанные ранее в лабораторных работах 2 и 4. Студенту предлагается самому внести необходимые изменения и дополнения в исходные программы для закрепления материала предыдущих лабораторных работ.

6.3.Порядок выполнения работы

1.Получить у преподавателя параметры исследуемых структур. Открыть программу для расчета.

2.Промоделировать спектр спиновых волн для заданных преподавателем параметров структур.

3.Изучить влияние периода структур, ширины и глубины канавок на спектр и частоты запрещенных зон.

6.4. Содержание отчета

1.Цель работы.

2.Краткие теоретические сведения.

3.Исходные параметры.

4.Графики промоделированных характеристик.

5.Выводы по полученным результатам.

6.5.Контрольные вопросы

1.Опишите зависимость частотного положения запрещенных зон от порядка структуры типа Кантора.

2.Как влияет периодичность структуры на передаточную характеристику магнитной фрактальной структуры типа Кантора?

3.Как влияют основные геометрические параметры фрактальных структур типа Кантора на их передаточные характеристики?

23

Лабораторная работа 7

МОДЕЛИРОВАНИЕ МАГНИТНЫХ СТРУКТУР ТИПА ФИБОНАЧЧИ

Цели работы: исследование спектров СВ и частот запрещенных зон в зависимости от параметров магнитных структур типа Фибоначчи с модуляцией толщины; приобретение практических навыков расчета спектров спиновых волн в пространственно-апериодических структурах методом волновых матриц передачи.

7.1. Основные положения

Магнитная апериодическая структура, исследуемая в лабораторной работе, схематически показана на рис. 7.1, обозначения на котором соответ-

ствуют обозначениям на рис. 1.2, 2.1, 5,1; Λ4 – также протяженность аперио-

дического участка структуры. Структура представляет собой ферромагнитную пленку с периодической модуляцией толщины типа Фибоначчи, т. е. протяженность апериодического участка структуры меняется пропорционально членам числовой последовательности Фибоначчи, в которой каждое последующее число – это сумма двух предыдущих. Таким образом, Λ1 = Λ2 , Λ3 = Λ1 + Λ2 , Λ4 = Λ3 + Λ2 и т. д. Для расчета спектра СВ в данной лабораторной работе будем использовать метод Т-матриц, описанный в лабораторной работе 2 (см. (2.1)–(2.5)). Исследуемая структура является апериодической, поэтому для нее справедлив подход, используемый в лабораторной ра-

боте 5 (см. (5.1)).

 

Λ1

Λ2

 

Λ3

 

Λ4

 

 

 

 

 

 

 

 

 

d5

 

 

d6

 

 

 

 

 

 

 

 

 

 

 

 

 

 

 

 

 

 

 

 

 

 

 

 

 

 

 

 

 

T1 T2 T3 T4

L

L2

1

 

Рис. 7.1. Схематическое изображение магнитной структуры типа Фибоначчи с модуляцией толщины в продольном сечении

24

7.2.Описание программы

Влабораторной работе используются программы, описанные ранее в лабораторных работах 2 и 4. Студенту предлагается самому внести необходимые изменения и дополнения в исходные программы для закрепления материала предыдущих лабораторных работ.

7.3.Порядок выполнения работы

1.Получить у преподавателя параметры исследуемой структуры. Открыть программу для расчета.

2.Промоделировать спектр спиновых волн для заданных преподавателем параметров структуры.

3.Изучить влияние периода структуры, ширины и глубины канавок на спектр и частоты запрещенных зон.

7.4.Содержание отчета

1.Цель работы.

2.Краткие теоретические сведения.

3.Исходные параметры.

4.Графики промоделированных характеристик.

5.Выводы по полученным результатам.

7.5.Контрольные вопросы

1.Опишите влияние соотношения протяженностей «толстого» и «тонкого» участков структуры типа Фибоначчи на передаточную характеристику.

2.Как влияет количество апериодических учатков структуры типа Фибоначчи на частотное положение запрещенных зон?

25