Материал: 3z683mGxLX

Внимание! Если размещение файла нарушает Ваши авторские права, то обязательно сообщите нам

Лабораторная работа 4

МОДЕЛИРОВАНИЕ ХАРАКТЕРИСТИК МАГНИТНОЙ ПЕРИОДИЧЕСКОЙ СТРУКТУРЫ С МОДУЛЯЦИЕЙ ШИРИНЫ МЕТОДОМ ВОЛНОВЫХ МАТРИЦ ПЕРЕДАЧИ

Цели работы: исследование спектров СВ и частот запрещенных зон в зависимости от параметров магнитных периодических структур с модуляцией ширины; приобретение практических навыков расчета спектров спиновых волн в магнонных кристаллах методом волновых матриц передачи.

4.1. Основные положения

Магнитная периодическая структура, исследуемая в лабораторной работе, соответствует периодической структуре, описанной в предыдущей (см. рис. 3.1). Для исследования спектров СВ методом Т-матриц необходимо использовать теорию, описанную в лабораторной работе 2 (см. (2.1)–(2.5)).

При этом значения волновых чисел k1(ω) и k2 (ω) находятся из закона дисперсии для СВ, распространяющихся в произвольном направлении в касательно намагниченной пленке, как описано в лабораторной работе 3 (см. (3.1)–(3.5)).

4.2. Описание программы

Программа, используемая в данной лабораторной работе, предназначена для моделирования спектров спиновых волн, распространяющихся в ферромагнитных пленках с модуляцией ширины. Программа позволяет задавать следующие параметры (см. рис. 3.1):

L – толщину пленки, мкм;

w1 ширину магнитной пленки, мкм; d1 длину участка шириной w1, мкм;

w2 ширину узкой области пленки, мкм; d2 – длину участка шириной w2 , мкм;

M0 – намагниченность насыщения, Гс;

Λ– период структуры, мкм;

H – напряженность магнитного поля, Э;

γ = 2.8 МГц/Э – гиромагнитное отношение;

N – число периодов структуры;

16

Г – коэффициент отражения волны от границы канавки;

H – ширину линии ФМР;

n и m – целые числа, определяющие номер ширинной моды.

4.3.Порядок выполнения работы

1.Получить у преподавателя параметры исследуемой структуры и программу для расчета.

2.Промоделировать спектр спиновых волн для заданных преподавателем параметров структуры.

3.Изучить влияние периода структуры, ширины и глубины канавок на спектр и частоты запрещенных зон.

4.4. Содержание отчета

1.Цель работы.

2.Краткие теоретические сведения.

3.Исходные параметры.

4.Графики промоделированных характеристик.

5.Выводы по полученным результатам.

4.5.Контрольные вопросы

1.Сравните результаты, полученные в лабораторных работах 3 и 4.

Вслучае их расхождения назовите возможные причины.

2.Опишите алгоритм выполнения исследования спектров прямых объ-

емных спиновых волн в магнитных периодических структурах с модуляцией ширины методом волновых матриц передачи.

17

Лабораторная работа 5

МОДЕЛИРОВАНИЕ МАГНИТНЫХ СТРУКТУР С ГРАДИЕНТНОЙ МОДУЛЯЦИЕЙ ПАРАМЕТРОВ

Цели работы: исследование спектров СВ и частот запрещенных зон в зависимости от параметров магнитных апериодических структур с градиентной модуляцией как ширины, так и толщины; приобретение практических навыков расчета спектров спиновых волн в пространственноапериодических структурах методом волновых матриц передачи.

5.1. Основные положения

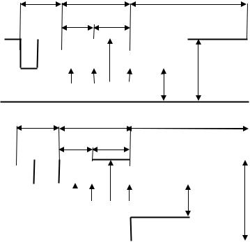
Магнитные структуры, исследуемые в лабораторной работе, схематически показаны на рис. 5.1, а, б, обозначения на которых соответствуют обо-

значениям на рис. 1.2, 2.1, 3.1, а Λ1 – Λ3 – протяженности апериодических участков структуры. Первая исследуемая структура представляет собой ферромагнитную пленку с модуляцией толщины (см. рис. 5.1, а), вторая – с модуляцией ширины (см. рис. 5.1, б). В данной лабораторной работе для расчета спектра СВ будем использовать метод Т-матриц, описанный в лабораторной работе 2 (см. (2.1)–(2.5)). Так как исследуемые структуры не периодиче-

Λ1

Λ2

 

 

Λ3

 

d1

d2

 

 

 

 

 

 

 

 

 

 

 

 

 

 

 

T1

T2 T3

T4

L1

L2

 

Λ1

Λ2

а

Λ3

 

 

 

 

 

 

 

 

 

 

 

 

d1

 

d2

 

 

 

 

 

 

 

 

 

 

 

 

 

 

 

 

 

 

 

 

 

 

 

 

 

 

 

 

 

 

 

 

 

 

 

 

 

 

 

 

 

 

 

 

 

 

 

 

 

 

 

T1

T2 T3

T4

w1

 

 

w2

 

 

 

 

 

 

 

 

 

 

 

 

 

 

 

 

 

 

 

 

 

 

 

 

б

Рис. 5.1. Схематическое изображение магнитной структуры: а – с градиентной модуляцией толщины в продольном сечении; б – с градиентной модуляцией ширины (вид сверху)

18

ские, то для каждого участка Λ1 , Λ2 , Λ3 и т. д. необходимо использовать свой набор из четырех матриц передачи. Таким образом, распространение СВ в структуре с числом звеньев N будет описываться следующим выражением:

N

TΣ = TΛn . (5.1) n=1

В случае модуляции по ширине для СВ, распространяющихся в произвольном направлении в касательно намагниченной пленке, значения волно-

вых векторов k1(ω) и k2 (ω) находятся из закона дисперсии, как описано в лабораторной работе 3 (см. (3.1)–(3.5)).

5.2. Описание программы

Влабораторной работе используются программы, описанные ранее в лабораторных работах 2 и 4. Студенту предлагается самому внести необходимые изменения и дополнения в исходные программы для закрепления материала предыдущих лабораторных работ.

5.3.Порядок выполнения работы

1.Получить у преподавателя параметры исследуемых структур. Открыть программу для расчета.

2.Промоделировать спектр спиновых волн для заданных преподавателем параметров структур.

3.Изучить влияние периода структур, ширины и глубины канавок на спектр и частоты запрещенных зон.

5.4. Содержание отчета

1.Цель работы.

2.Краткие теоретические сведения.

3.Исходные параметры.

4.Графики промоделированных характеристик.

5.Выводы по полученным результатам.

5.5.Контрольные вопросы

1.Напишите итоговый вид матрицы передачи для волны, распространяющейся в структуре, начинающейся с «толстой» области и насчитывающей два звена.

19

2.Как влияет соотношение протяженностей участков разной толщины в пределах каждого апериодического участка на спектр спиновых волн?

3.Как влияет изменение протяженности апериодических участков на частотное положение запрещенных зон спектра и их ширину?

4.Сравните результаты исследования спектров спиновых волн в магнитных структурах с градиентной модуляцией ширины и толщины. Сделайте выводы относительно частотного положения запрещенных зон в каждом виде структур.

20