Материал: 3994

Внимание! Если размещение файла нарушает Ваши авторские права, то обязательно сообщите нам

26

3.Метод наискорейшего спуска.

В начальном положении F0 определяется градиент функции F, так же как при методе градиента. А затем все координаты системы изменяются пропорционально своим составляющим градиента в начальной точке. Это движение продолжается,

пока градиент регулируемой функции F по направлению движения системы m, то-

есть по направлению вектора градиента в начальной точке,не обратится в ноль:

В этом положении снова определяется направление вектора градиента и про-

исходит движение системы в новом направлении.

Таким образом, в отличие от предыдущего метода, здесь направление гради-

ента определяется только в начале каждого цикла движения. Погрешность достиже-

ния экстремума в этом методе наибольшая из трех, но этот недостаток сглаживается большим быстродействием.

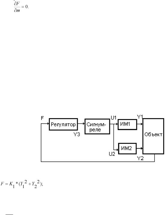
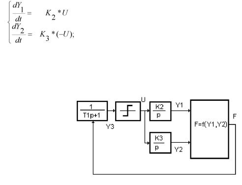
Исследуемая система экстремального регулирования обслуживает объект управления с нелинейной квадратичной статической характеристикой. Регулируе-

мая функция зависит от двух регулирующих воздействий Y1 иУ2: Уравнения сис-

темы запишем в виде:

объект:

К1 – коэффициент передачи объекта,

регулятор:

T1 dY3 Y3 F ; dt

Т1 – постоянная времени регулятора,

27

исполнительный механизм:

K2 и K3 – коэффициенты передачи.

Таким

образом

структурная

схема

системы

имеет

вид:

Содержание работы.

1.Определить параметры переходного процесса в экстремальной системе при использовании всех трех способов движения к положению экстремума. Параметры системы для определенности рекомендуется выбрать такими:

K1 = 1; T1 = 1.0c; K2 = 1; K3 = 1. Зона нечувствительности =0.5. 2.Определить время достижения экстремума и точность достижения экстре-

мума во всех трех случаях, считая наиболее точным значением экстремума значе-

ние, определенное методом Гаусса-Зайделя.

28

Вопросы для самоподготовки:

1.Почему метод Гаусса-Зайделя называют слепым методом поиска?

2.Какой из методов поиска обеспечивает устойчивость нахождения экс-

тремума?

3.Как, по вашему, должно работать устройство поиска, обеспечивающее метод Гаусса-Зайделя?

4.А теперь постройте алгоритм работы устройства, обеспечивающего ме-

тод наискорейшего спуска. Что надо добавить, по сравнению с методом Гаусса-

Зайделя?

Лабораторная работа № 4

Самонастраивающаяся система регулирования с эталонной моделью

Цель работы: исследование качества адаптации самонастраивающейся сис-

темы (СНС) с эталонной моделью.

Необходимость применения адаптивных принципов управления возникает в тех случаях, когда диапазон изменения свойств объекта и внешних возмущений так велик, что показатели качества выходят за пределы заданных ограничений. А между тем любая неадаптивная система, работающая по принципу обратной связи, в силу этого принципа способна нейтрализовать изменения параметров объекта и среды в довольно больших пределах. И эти способности можно расширить, не прибегая к принципу адаптации.

Расширение функциональных возможностей неадаптивных систем управления с обратной связью, приближающее их по свойствам к адаптивным системам, воз-

можно:

с помощью увеличения коэффициентов усиления систем до бесконечности без нарушения устойчивости,

с помощью введения автоколебательных скользящих режимов в релейных системах,

с помощью систем с переменной структурой регулятора.

Такие системы управления называют иногда системами с пассивной адапта-

29

цией.

Самонастраивающиеся системы с эталонной моделью также являются систе-

мами с подобного рода адаптацией, использующей скользящий режим работы ре-

лейного регулятора.

Самонастраивающиеся системы с эталонной моделью фактически представ-

ляют собой безпоисковые СНС с замкнутым контуром самонастройки, но, в отличие от СНС с настраиваемой моделью, здесь сигнал самонастройки не изменяет пара-

метры настройки регулятора, как требует принцип адаптации, а формируется опре-

деленным образом и подается на вход объекта.

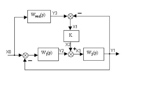
Структурная схема такой системы может быть представлена в следующем ви-

де:

Модель Wмод(p) является физическим устройством, реализованным в анало-

говом или цифровом виде, и на вход ее подаются те же воздействия, что и на объект управления. Выходы объекта и модели вычитаются и разность их (ошибка контура настройки) подается на вход объекта через усилитель с большим коэффициентом усиления K.

Хотя сигнал разбаланса контура самонастройки в этой системе не воздейству-

ет непосредственно на параметры настройки регулятора W1(p), а подается на вход объекта, можно показать, что оба эти варианта являются равносильными.

В теории СНС различают два вида моделей – настраиваемые и эталонные. При

30

настраиваемых моделях их параметры меняются в процессе идентификации до тех пор, пока сигналы с выходов объекта и модели не сравняются. Если же задается эта-

лонная модель процесса, то разность сигналов с выходов объекта и модели служит для изменения параметров регулятора, при которых качество процесса наконец ста-

нет соответствовать желаемому, заданному эталонной моделью.

Найдем передаточную функцию замкнутой системы. Уравнения звеньев, со-

гласно схемы системы, имеют вид:

Y2 = W1(p) * (X0-Y1);

Y3 = Wмод(p)* X0;

X1 = Y3-Y1;

X2 = K * X1;

X3 = Y2 + X2;

Y1 = W2(p) * X3;

Исключая промежуточные переменные, находим передаточную функцию сис-

темы:

Eсли считать, что K=K3 достаточно велико, а лучше всего K3 стремится к бес-

конечности, тогда:

Y1 ~= Wмод(p) * X0, (2)

то есть качество переходного процесса не зависит от медленноменяющихся параметров объекта, а определяется заданной эталонной моделью Wмод(p).

Качество настройки в такой системе будет зависеть от того, насколько боль-

шим можно взять коэффициент усиления K3, чтобы не вызвать неустойчивости сис-

темы. Поэтому желательно выбрать Wмод(p) так, чтобы условия устойчивости при бесконечно большом коэффициенте K3 выполнялись.

В лабораторной работе исследуется система с эталонной моделью следующего вида: передаточная функция объекта задана: