Материал: 3953

Внимание! Если размещение файла нарушает Ваши авторские права, то обязательно сообщите нам

3.1.3.Синтезируйте и реализуйте схему “исключающее ИЛИ” (2 варианта), пользуясь элементами 2И-НЕ схемы К155ЛА3. Первый вариант имеет более простую запись и реализуется на пяти элементах 2И-НЕ, второй более сложную запись, но требует для реализации только 4 элемента.

3.1.4.Синтезируйте и реализуйте схему одноразрядного компаратора, работающего по алгоритму:

F=0, если А12 и F=1, если А12

3.1.5. Синтезируйте и реализуйте схему коммутатора сигналов, работающую по алгоритму: F=В1, если А=1 и F=В2, если А=0.

Здесь А-коммутирующий сигнал, В12-коммутируемые сигналы.

3.1.6. С помощью логического преобразователя подтвердите результаты пп 3.1.4., 3.1.5 (задайте таблицу истинности, на ее основе получите минимизированное логическое выражение и схему устройства только на элементах И-НЕ).

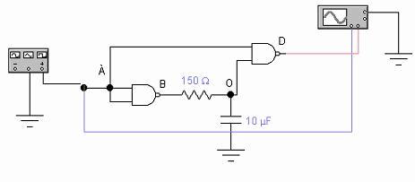
4. Укоротитель импульсов.

4.1. Задание:

4.1.1. Соберите схему (рисунок 1). Зарисуйте осциллограммы в точках А, В, О, D при подаче на вход импульсов от внешнего генератора (соедините канал В осциллографа с выходом D, а к каналу А - поочередно подключите точки А, В, О исследуемой схемы).

Рис.1

5. Удлинитель импульсов (одновибратор).

5.1. Задание:

21

5.1.1. Соберите схему одновибратора (рисунок 2). Подайте на вход одновибратора импульсы от внешнего генератора. Зарисуйте осциллограммы напряжений в точках А, В, О, D.

Рис. 2

Параметры функционального генератора:

-вид входных сигналов – прямоугольный;

-частота – 50 Гц;

-амплитуда входных сигналов – 10 В;

-скважность – 10%

6. Схема задержки импульсов.

6.1. Задание:

6.1.1.Синтезируйте схему, обеспечивающую выдачу положительных импульсов постоянной длительности, сдвинутых относительно коротких отрицательных импульсов на некоторое время t. Для этого воспользуйтесь схемами 1 и 2. Постройте диаграммы для характерных точек схемы.

6.1.2.Соберите синтезированную схему и пронаблюдайте ее работу.

22

7. Содержание отчета.

7.1.Результаты выполнения п. 1.1, 1.2.

7.2.Исходное логическое выражение, его минимизация и схемная реализация по п. 2.2.

7.3.Аналогично для п. 3.1.1, 3.1.2, 3.1.3, 3.1.4, 3.1.5.

7.4.Пункт 3.1.6. продемонстрировать при сдаче отчета.

Параметры функционального генератора:

-вид входных сигналов – прямоугольный;

-частота – 50 Гц;

-амплитуда входных сигналов – 10 В

7.5.Схема рис. 1 и результаты п.п. 4.1.1.

7.6.Схема рис. 2 и результаты п.п. 5.1.1.

7.7.Синтезированная схема задержки и результаты п.п. 6.1.1.

Лабораторная работа №6

«Триггеры»

Цель работы: изучить структуру триггеров различных типов и алгоритмы их работы.

1. Триггеры на логических элементах.

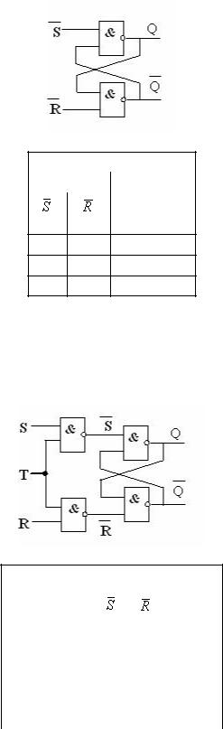
1.1. Асинхронный R-S триггер с инверсными входами.

Соберите схему триггера на логических элементах 2И-НЕ и проверьте таблицу его состояний.

23

 

Таблица 1

tn

tn+1

 

Qn+1

0

0

01

10

11

1.2.Тактируемый (синхронный) R-S триггер

Соберите схему триггера на логических элементах 2И-НЕ и проверьте таблицу его состояний.

Таблица 2

S

R

T

 

 

Qn+1

 

 

 

 

 

 

0

0

1

 

 

 

 

 

 

 

 

 

0

1

1

 

 

 

 

 

 

 

 

 

1

0

1

 

 

 

 

 

 

 

 

 

1

1

1

 

 

 

 

 

 

 

 

 

х

х

0

 

 

 

 

 

 

 

 

 

1.3. D-триггер

Соберите схему триггера на логических элементах 2И-НЕ и проверьте таблицу его состояний.

24

 

 

Таблица 3

D

Т

 

 

Qn+1

0

0

 

 

 

 

 

 

 

 

0

1

 

 

 

1

0

 

 

 

1

1

 

 

 

1.4. Задача: для R-S триггера с инверсными входами даны переменные входные параметры X и Y, изменение которых во времени показано на рис.1. По номеру своего варианта выбрать вид входных сигналов из таблицы:

1

2

3

4

5

6

варианта

 

 

 

 

 

 

R

x

y

x

 

 

y

 

 

 

 

 

 

 

S

y

x

 

y

x

 

 

 

 

 

 

 

 

Соберите схему R-S триггера с инверсными входами, подав на входы R и S коды с генератора слова, а на логический анализатор - входы R, S и выходы

Q, . Коды генератора слова следует задавать так: биты S и R соответствуют битам D0 и D1, остальные биты D2…D15 равны 0. Выбрав по номеру варианта последовательность битов R и S для каждого Тшаг, следует записать слово в шестнадцатиричном коде. Таким образом, в генератор слова вводится 10 слов (Tшаг=10).

Таблица 4

№ варианта 1 2 3 4 5 6 7 8 9 10

R

25