Материал: 3563

Внимание! Если размещение файла нарушает Ваши авторские права, то обязательно сообщите нам

16

Рис. 11 Схемы ПД и ПИД – регуляторов Для управления мощным исполнительным устройством, которым являет-

ся ИД, необходимо применять усилитель сигнала датчика (непрямое регулирование). Датчик, измеряющий рассогласование между задаваемым и фактическим положением (скоростью, ускорением или другими параметрами рабочего органа), может быть выполнен на потенциометрических измерительных преобразователях (ИП), сельсинах или других датчиках, включаемых обычно дифференциальной схеме. Если управляемая величина – ток, напряжение, момент и т.д., а задатчиком является задающая рукоятка или ось, то сигнал рассогласования может быть получен с помощью различных датчиков.

Исходными данными по выбору потенциометрического датчика являются: сопротивление датчика и напряжение питания датчика, выбираемые по номеру варианта из табл. 3.

Таблица 3

Технические данные потенциометрических датчиков ПД или ПП

Вариант

1

2

3

4

5

6

7

8

9

10

Напря-

 

 

 

 

 

 

 

 

 

 

жение

21

22

23

24

25

26

27

28

29

30

питания,

 

 

 

 

 

 

 

 

 

 

В

 

 

 

 

 

 

 

 

 

 

Сопро-

 

 

 

 

 

 

 

 

 

 

тив-

110

120

130

140

150

160

170

180

190

200

ление,

0

0

0

0

0

0

0

0

0

0

Ом

 

 

 

 

 

 

 

 

 

 

17

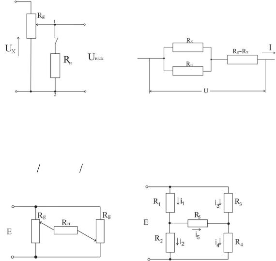
Потенциометрический датчик (рис. 12,а) углового (линейного) смещения

без нагрузки обеспечивает выходное напряжение U вых U

Rx

, где U – напряже-

 

 

RД

ние питания; Rx – сопротивление части датчика, соответствующее относительному смещению движка x (от 0 до 1); RД – полное сопротивление датчика. Иначе: Uвых U x. При наличии нагрузки выходное напряжение датчика, см. рис.12, б

U вых I

Rx Rн

, или U вых

 

 

U

 

 

 

 

Rx Rн

,

 

 

 

 

Rx Rн

 

 

 

Rx Rн

RД

Rx

 

 

 

Rx Rн

 

 

 

Rx

Rн

 

 

 

 

 

 

 

 

 

 

 

 

 

 

 

а)

 

 

 

 

 

 

 

 

 

б)

 

 

 

 

 

 

 

 

 

 

 

 

 

 

Рис.12

 

 

 

 

 

откуда

 

 

 

 

 

 

 

 

 

 

 

 

 

 

 

 

 

Uвых

 

 

 

 

U

 

 

 

, или U вых

U

 

 

,

(20)

 

 

 

 

 

 

 

 

 

 

 

 

 

 

RД Rx

 

R

2

 

 

 

1 1

 

x

 

 

 

 

 

 

 

RД Rн

 

 

 

 

 

 

 

R R

R R

R R

x

 

 

 

 

 

 

 

 

 

x

 

 

 

 

 

 

 

 

 

 

 

 

 

x н

 

x н

 

x н

 

 

 

 

 

где x Rx

RД ; Rн

RД – относительное сопротивление нагрузки.

 

а)

б)

 

Рис. 13

При включении датчика по схеме рис. 13,а можно изучать его работу согласно эквивалентной схеме (рис. 13,б). Обозначим падения напряжений на любом резисторе схемы R соответственно U k (k 0,1...5) . Поскольку все элемен-

18

ты – резисторы, тип компонентного уравнения U k ik Rk (закон Ома). Всего та-

ких уравнений 5. Топологические уравнения (описывающие «форму», т.е. характер соединений в схеме) представим в виде уравнений равновесия – для узлов а и б:

i1 i2 i5 0 и i3 i5 i4 0 , (21)

а также в виде уравнений совместимости – для контуров, включающих источник питания (см. схему на рис. 2,б):

U1 U 2

U ; U3 U 4 U и U1

U5

U3 0 .

(22)

Так как необходимо найти i5 (ток в нагрузке), получена система 5 уравне-

ний с 5 неизвестными (i1… i5):

 

 

 

 

 

 

 

 

 

i1 i2

i5

0

 

 

 

 

 

 

 

i3 i5

i4

0

 

 

 

 

(23)

 

 

R1i1 R2i2 U

 

 

 

 

 

 

 

 

 

 

 

 

 

R3i3 R4i4 U

 

 

 

 

 

 

 

R1i1 R3i3 R5i5 0

 

 

 

 

 

Составляя и решая матрицу коэффициентов при неизвестных, получим i5.

i5

 

U

R2 R3 R1 R4

 

 

 

.

(24)

R5 R1

R2 R3 R4 R1 R2 R3 R4 R3 R

4 R1 R2

 

 

 

В задаче необходимо выполнить расчет зависимости выходного тока ИР

при неизменном среднем положении движка второго датчика (например, при заторможенном регулирующем органе, т.е. при R3 R4 12 RД ).*

Значения R1 и R2 следует принять равными R2 xRД ;* R1 1 x RД *.С учетом значений R1 R4 выражение (24) следует упростить. После упрощения выражение (24) следует рассчитать значения тока i5 при x=0; 0,1; 0,2; …; 1,0, при этом, очевидно, R5 RУУ * (входное сопротивление выбранного усилителя). Выходное напряжение Uвыхн i5 Ry , напряжение на выходе датчика на холостом ходу может быть получено путем упрощения выражения:

U

х.х

U

R2 R3

R1 R4

 

 

 

U

R2 R3 R1 R4

 

(25)

вых

R

R

 

R R

 

 

R2

.

 

 

 

 

2

4

 

 

 

 

 

1

 

3

 

 

 

Д

 

 

Последнее выражение известно из теории мостовых схем.

Абсолютная методическая погрешность датчика определяется разностью выходного напряжения на холостом ходу и под нагрузкой:

U Uвыхх.х Uвыхн .

(26)

Порядок выполнения задания

19

1.Упростить уравнение (24) с учетом условий * , где х – относительное смещение движка датчика от нижней до верхней части датчика.

2.Рассчитать значение тока нагрузки (тока ИР) по выражению, полученному в п. 1, при х=0; 0,1; 0,2; …;1,0.

3.Рассчитать значение выходного напряжения Uвыхн i5 Ry и на холостом

ходуUвыхх.х .

4. Рассчитать значение абсолютной погрешности U преобразования датчика в зависимости от х.

Данные привести в виде таблицы

 

 

 

 

 

 

Таблица 4

 

 

 

 

Относительное смеще-

 

 

 

 

Показатели

 

ние движка, х

 

 

 

 

 

 

0

0,1

0,2

0,3…

0,8

0,9

1,0

 

 

 

 

1) Ток в нагрузке датчика,

 

 

 

 

 

 

 

 

 

 

 

 

i5

 

 

 

 

 

 

 

 

 

 

 

 

 

 

 

 

 

 

 

 

 

 

 

 

 

2) Выходное напряжение

 

 

 

 

 

 

 

 

 

 

 

 

нагруженного датчика,

 

 

 

 

 

 

 

 

 

 

 

 

U н

 

 

 

 

 

 

 

 

 

 

 

 

вых

 

 

 

 

 

 

 

 

 

 

 

 

3) Выходное напряжение

 

 

 

 

 

 

 

 

 

 

 

 

датчика на холостом ходу,

 

 

 

 

 

 

 

 

 

 

 

 

U х.х

 

 

 

 

 

 

 

 

 

 

 

 

вых

 

 

 

 

 

 

 

 

 

 

 

 

4) Абсолютная погреш-

 

 

 

 

 

 

 

 

 

 

 

 

ность выходного напря-

 

 

 

 

 

 

 

 

 

 

 

 

жения датчика, U

 

 

 

 

 

 

 

 

 

 

 

5. Построить графики зависимостей показателей работы датчика п.п. 1-4

таблицы в зависимости относительного смещения движка i

, U н

, U х.х

, U от х.

 

 

 

 

 

5

 

вых

вых

 

Практическая работа №5

Расчет потенциометрического преобразователя со средней точкой

Дана потенциометрическая схема включения реостатного датчика с подключением сопротивления нагрузки между средней точкой сопротивления и движком потенциометра (рис. 14). Исходные данные для расчетов приведены в табл. 5.

Необходимо:

1. Определить при изменении относительного перемещения движка от

20

Рис. 14 Схема потенциометрического датчика с отводом

-0,5 до +0,5 с интервалом через 0,1: ток нагрузки Iн , выходное напряжение потенциометра Uвых при Rн ; выходное напряжение Uвых на нагрузке; мощность выходного сигнала Р, абсолютные U и относительные U погрешности нагруженного потенциометра.

2. Определить абсолютную и относительную погрешность при увеличении сопротивления нагрузки в десять раз (10 Rн ) и относительном перемеще-

нии движка 0,5. Сравнить результаты расчетов с погрешностями при заданном значении сопротивления нагрузки в той же точке и сделать выводы.

3. Построить в прямоугольной системе координат перечисленные ниже характеристики потенциометра при изменении относительного перемещения движка от -0,5 до +0,5: статическую характеристику при холостом ходе ( Rн )

Uвых0 fX , то же, при нагрузке Uвых f (X ) ; крутизну характеристики K f (X ) ; относительную погрешность U f (X ) . Результаты расчетов свести в табл. 6.

Таблица 5

Показа-

 

 

 

Номер в а р и а н т а

 

 

 

тели

1

2

3

4

5

6

7

8

9

10

Напряжение

110

110

110

110

110

220

220

220

220

220

питания U п , В

 

 

 

 

 

 

 

 

 

 

 

 

 

 

 

 

 

 

 

 

 

Сопротивление

 

 

 

 

 

 

 

 

 

 

потенциометра

300

100

200

400

400

200

200

150

400

600

R, Ом

 

 

 

 

 

 

 

 

 

 

Сопротивление

400

200

400

500

600

300

450

200

600

800

нагрузки Rн , Ом