6
Рис. 6 Схема торможения противовключением трехфазного электродвигателя с короткозамкнутым ротором
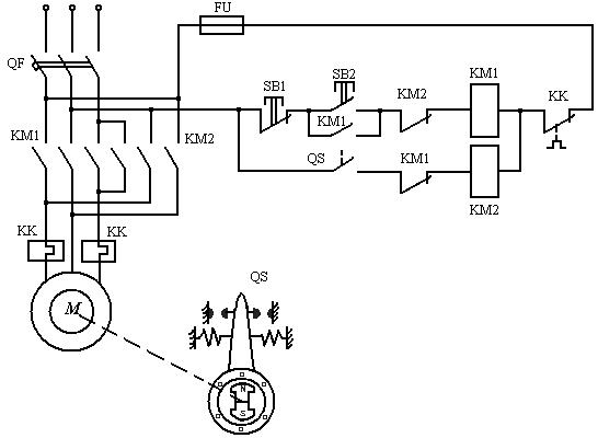
Схема управления трехфазным электродвигателем с фазным ротором
Чаще всего управление подобным приводом осуществляют в функции времени, в частности, по этому принципу осуществляют запуск двигателя.
Подобные приводы встречаются на транспортирующих и грузоподъемных машинах.
7
Рис. 7 Схема управления двигателем с фазным ротором
Перечисленные типовые схемы не только могут быть скомпонованы из отдельной аппаратуры, но и выпускаться промышленностью комплектно в виде так называемой станции управления.
К типовым относят также схему, позволяющую переходить с дистанционного управления приводом на местное управление и наоборот. Такой переход необходим при пусконаладочных работах; задача решается установкой переключателя режимов работы.
Рис. 8 Схема управления с переключателем работ
8
Кнопка «ПУСК» SB3 находится на пульте дистанционного управления, SB4 - на пульте местного управления, тоже и кнопка «СТОП». Переключатель SA обычно находится на пульте дистанционного управления.
Новые ГОСТы для переключателей SA допускают и другое начертание.
Рис. 9 Обозначение переключателя режима работ
2 Выполнение работы
1.Ознакомиться с составом, принципом действия принципиальных схем управления.
2.Описать работу приведенных схем.
Практическая работа №2
Расчет исполнительного устройства на базе исполнительного электродвигателя
Исходными данными для выбора мощности двигателя являются: постоянный (статический) момент нагрузки M ст , значение частоты вращения вала
рабочего органа н и угловое ускорение н , а также момент инерции нагрузки J н (табл. 1).
Таблица 1
Вариант |
1 |
2 |
3 |
4 |
5 |
6 |
7 |
8 |
9 |
10 |
M ст , Н м |
500 |
750 |
100 |
125 |
150 |
175 |
200 |
225 |
250 |
300 |
|
|
|
|
|
|
|
|
|
|
|
J н , кг м2 |
500 |
600 |
800 |
1000 |
1500 |
2000 |
2400 |
3000 |
4000 |
4500 |
н , 1 с |
1,2 |
1,1 |
1,0 |
0,5 |
0,4 |
0,2 |
0,15 |
0,11 |
0,10 |
0,10 |
|
|
|
|
|
|
|
|
|
|
|
н , 1 с 2 |
1,2 |
1,1 |
1,0 |
0,9 |
0,8 |
0,7 |
0,6 |
0,5 |
0,4 |
0,3 |
|
|
|
|
|
|
|
|
|
|
|
Указания к решению задачи
9
Движущий момент за вычетом динамического момента инерции двигателя, очевидно, равен сумме статического и динамического моментов нагрузки с учетом передаточного числа рабочего механизма (без учета КПД передачи):
M дв дв J дв |
|
M ст н J н |
, |
(1) |
|
||||
|
|
i |
|
|
или
M |
|
i |
|
|
J |
|
|
M ст н J н |
, |
||||||
дв |
н |
дв |
|
||||||||||||
|
|
|
|
|
|
|
|
i |
|
|
|
||||
|
|
|
|
|
|
|
|
|
|
|
|
|
|
|
|
откуда |
|
|
|
|
|
|
|
|
|
|
|
|
|
|
|
|
|
|
M |
ст |
|
|
J |
н |
|
|
|
|
|||
Mдв |
|
|
|
|
|
|
i Jдв |
|
н . |
||||||
|
i |
|
|
i |
|||||||||||
|
|
|
|
|
|
|
|
|
|
|
|
||||
(2)
(3)
Значение оптимального передаточного числа, требующего минимальный момент двигателя при заданном ускорении н , находят из условия d M дв
di 0 .
Дифференцируя уравнение (3) |
по i , получим |
|
|
|
|
|
|
|
|
|
|
||||||||||
0 |
M |
ст |
|
J |
н |
н |
J дв н |
, |
откуда |
M ст J н |
н |
J дв |
н , |
(4) |
|||||||
i |
2 |
|
i 2 |
|
|
i 2 |
|
|
|
||||||||||||
|
|
|
|
|
|
|
|
|
|
|
|
|
|
|
|
|
|||||
т.е. |
|
i02 |
|
M ст J н н |
, |
или i0 |
|
M ст J н н |
. |
|
(5) |
||||||||||
|
|
J дв н |
|
|
|||||||||||||||||
|
|
|
|
|
|
|
|
|
|
|
|
J дв н |
|
|
|
|
|
||||
Подставляя значение i в уравнение (3), получим M тр |
– потребный мо- |
||||||||||||||||||||
мент двигателя при оптимальном передаточном числе редуктора. |
|
||||||||||||||||||||
С учетом значения i0 |
|
определим требуемую мощность исполнительного |
|||||||||||||||||||
двигателя: |
|
|
|
|
|
|
|
|
|
|
|
|
|
|
|
|
|
|
|
|
|
|
|
|
|
P |
|
1 |
M i |
|
1 |
|
M |
|
J |
|
|
|
|
J i ; |
|
|
|||||||||||
|
|
|
|
|
|
|
ст |
н |
н |
|
|
||||||||||||||||||||
|
|
|
|
тр |
|
|
дв 0 |
н |
|
|
|
н |
|
|
|
|
|
|
|
|
дв н 0 |
|
|
||||||||
|
|
|
|
|
|
|
|
|
|
|
|
|
|
|
|
|
|
|
|
|
|
|
|
|
|
|
|||||
|
|
1 |
|
|
|
|
|
J |
дв |
|
н |
M |
ст |
J |
|
н |
|
|
2 |
н M |
|
J н н , |
|||||||||
Pтр |
|
|
|
н M |
|
J н н |
|
|
|
|
|
|
н |
|
|
|
|
|
|
|
|
|
|||||||||
|
ст |
|
|
|
|
|
|
J дв н |
|
|
|
|
|
|
|
ст |
|||||||||||||||
|
|
|
|
|
|
|
|
|
|
|
|
|
|
|
|
|
|
|
|
|
|
|
|
||||||||
где обычно 0,8 0,9 (КПД передачи). |
|
|
|
|
|
|
|
|
|
|
|
|
|
|
|
|
|||||||||||||||
|
|
|
|
|
|
|
|
Pтр |
|
2н Mст Jн н |
|
|
|
|
|
|
|
|
|||||||||||||
|
|
|
|
|
|
|
|
|
|
|
|
|
975 |
|
|
|
|
|
|
|
|
|
|
|
|
|
|||||
|
|
|
|
|
|
|
|
|
|
|
|
|
|
|
|
|
|
|
|
|
|
|
|
|
|
|
|
|
|||
(6)
(7)
(7а)
Из этого выражения следует, что при i i0 мощность, потребляемая на-
грузкой, и мощность на разгон ротора двигателя равны. Двигатель выбирают из каталога по первому условию достаточной величины его номинальной мощности: Pном Pтреб . При этом находят и значения nном ; M ном ; J дв ; I и T (номинальные значения оборотов в минуту, момента, напряжения управления – питания, тока якоря и постоянную времени).
Поскольку условие Pном Pтреб иначе можно представить в виде
M ном ном M треб треб , то при достаточной мощности двигателя он может не подойти либо по скорости (если ном треб ), либо по моменту (если M ном M треб ).
10
Выбранный двигатель проще вначале проверить по условию обеспечения
требуемой скорости выходного вала ИУ: |
(8) |
|
|
ном треб |
i0 н . |
Если условие (8) выполняется, следует проверить двигатель на соответствие требуемому моменту нагрузки:
|
|
|
|
|
M |
ст |
|
J |
н |
M |
|
M |
|
|
|
|
|
||
ном |
треб |
|
|
|
|
||||
|
|
|
i0 |
|
i0 |
||||
|
|
|
|
|
|
||||
|
|
|
|
|
|
|
|
J |
|
i |
|
|
|
. |
|
дв |
0 |
|
(9) |
||||
|
|
|
н |
|
|||
|
|
|
|
|
|
|
|
Если условие (9) не выполняется, допустимо проверку выполнять по условию
M пуск |
M треб |
, |
где M пуск 2M ном . |
|
(10) |
|
|
|
При проверке по значению M пуск |
дополнительно следует проверить усло- |
|
вие обеспечения установившегося режима: |
(11) |
|||
M |
ном M |
ст i0 . |
||
|
||||
Если двигатель необходимой мощности не обеспечивает требуемых значений скорости и момента (или при изменении передаточного числа для обеспечения скорости только момента), необходимо либо выбрать двигатель той же мощности, но с иным числом пар полюсов (или иным значением ном ), либо пе-
рейти к проверке двигателя следующего значения Pном из ряда значений мощности.
|
Пример расчета |
|
|
Исходные данные: выбрать ИД, если |
момент статической нагрузки |
||
M ст 2500 |
Н м ; момент инерции нагрузки Jн |
5000 |
кг м2 ; требуемая скорость |
нагрузки н 0,32 |
рад с ; требуемое ускорение нагрузки н 0,34 рад с2 . |
|||||||||||||||||||
Расчет: 1. Принимаем ориентировочно КПД редуктора 0,9 . |
||||||||||||||||||||
2. Требуемая мощность ИД при этом согласно уравнению (7) |
||||||||||||||||||||
P |
2 |
|
|
M |
|
|
J |
|
|
|
|
|
2 2500 5000 0,34 |
0,32 3,06 кВт. |
||||||
|
н |
ст |
н |
|
|
|
|
|||||||||||||
тр |
|
|
|
н |
|
|
|
|
|
|
|
0,9 |
|
|
|
|
||||
|
|
|
|
|
|
|
|
|
|
|
|
|
|
|
|
|
|
|
||
По полученной мощности из табл. 2 выбираем двигатель МИ-42. Техни- |
||||||||||||||||||||
ческие данные ИД: |
|
|
|
|
|
|
|
|
|
|
|
|
|
|
|
|
|
|
|
|
Pном |
3,2 |
|
кВт ; |
|
nном |
|
|
2500 об мин ; U ном 110 В ; |
||||||||||||
M ном 12,5 |
|
Н м ; |
|
Jдв |
|
|
662 10 4 кг м2 ; I ном 36,3 A ; |
|||||||||||||
|
|
|
|
|
|
|
|
|
|
Rя 0,06 Ом . |
||||||||||
3. Оптимальное передаточное отношение редуктора: |
||||||||||||||||||||
|
|
|
|
|
|
|
|
|
|
|
|
|
|
|
|
|||||
|
|
i |
|
|
|
Mст Jн н |
|
|
|
2500 5000 0,34 |
|
431. |
||||||||
|
|
|
|
|
|
|
|
|
|
|
|
|
||||||||
|
|
0 |
|
|
|
J |
|
|
|
|
|
|
|
662 10 4 0,34 |
||||||
|
|
|
|
|
|
|
н |
|
|
|
|
|
|
|||||||
|
|
|
|
|
|
|
дв |
|
|
|
|
|
|
|
|
|
|
|
||
4. Проверка по скорости: |
|
|
|
|
|
|
|
|
|
|
|
|
||||||||
|
|
|
|
ном |
nном |
|
3,14 2500 |
262 рад с . |
||||||||||||
|
|
|
|
|
||||||||||||||||
|
|
|
|
|
|
|
30 |
|
|
|
|
|
|
30 |
|
|
|
|
||