Материал: 2518

Внимание! Если размещение файла нарушает Ваши авторские права, то обязательно сообщите нам

3

7

2

1

И

 

6

 

 

 

5

 

 

 

4

и

9

 

 

 

 

 

 

 

8

 

 

 

С

 

Рис. 2.25. Общий вид датчика регистратора РСГ-ТПУ

Измерительная схема регистратора (см. рис. 2.26) включает переключатель пределов измерения П2 и ряд резисторов (R4 – R8) для настройки регистратора при постановке его на различные станки и при изменении сорта и качества масла.

66

 

 

 

 

И

 

 

 

Д

ТПУ - РСГ

 

 

 

регистратора

 

 

А

 

 

 

 

схема

 

б

 

 

электрическая

 

 

 

 

и

 

 

 

Принципиальная

С

 

 

 

 

2.26.Рис.

 

 

 

 

 

67

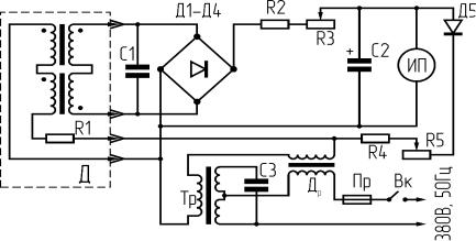
Для компенсации температурной погрешности измерений последовательно с измерительным прибором ИП включен терморези-

но, прибор должен показывать заниженную скорость бурения, но так как сопротивление измерительной цепи за счет уменьшения сопротивления терморезистора падает, то показания прибора автоматически соответствуют фактической скорости бурения.

стор R1 с отрицательным температурным коэффициентом сопротивления. С повышением температуры масла за счет уменьшения вязкости уменьшается подъем поплавка с сердечником при неизменном расходе масла, т.е. и при неизменной скорости буренияИ. Следователь-

из практических скоростейАбурения. Д Сигнал с измерительной схемы подается на схему регистрации,

Прибор имеет две шкалы измерения: 0 – 40 и 0 – 20 см/мин. Расширение диапазона измерений производится переключателем П2 с помощью резисторов R9 – R10. При этом сопротивление измерительной цепи не изменяется. Верхнее значение 40 см/мин принято исходя

состоящую из усилителя постоянного тока, выполненного на транзисторах Т1 – Т6, и самопишущего миллиамперметра Н-343.

Измерители давления и расхода бурового раствора. Магнитоуп-

ругий измерительбдавления МИД-1 (СКБ НПО «Геотехника») предназначен для непрерывного визуального контроля давления промывочной жидкости. Измеритель обеспечивает устойчивые показания контролируемого давления при его значительных (свыше 40%) пульсациях.

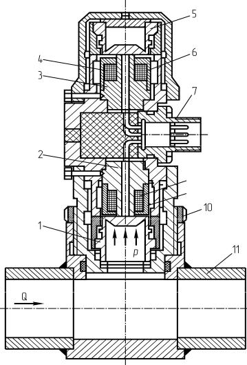
иИзмеритель давления состоит из датчика давления и пульта. Магнитоупругий датчик давления ДДП (рис. 2.27) с помощью тройника 11 устанавливается в напорную магистраль бурового насоса и закрепляется гайкой 10. Сильфон 1 прижат к торцу чувствительного Смагнитоупругого элемента 2. Катушки 8 (измерительная) и 4 (компенсационная) размещены внутри магнитопроводов 6 и 9, соединены

между собой встречно и подключены к штепсельному разъему 7. Принципиальная электрическая схема измерителя МИД-1 пока-

зана на рис. 2.28. Электрический сигнал от датчика ДДП (см. рис. 2.27) подается через выпрямитель Д1 – Д4 на измерительный прибор ИП (микроамперметр М325). Емкость С2 обеспечивает демпфирование пульсаций выходного напряжения датчика. С помощью резистора R3 производится регулирование амплитуды выходного сигнала. Резистор R5 используется для компенсации начального фона измерительной схемы – «установка нуля». Установка нуля производится до включения насоса.

68

 

 

 

 

 

 

5

 

 

 

 

 

 

 

 

 

 

 

 

 

 

 

 

 

 

 

 

 

 

6

 

 

 

 

 

 

 

4

 

 

 

 

 

 

 

 

 

 

 

 

 

 

 

 

 

 

 

 

 

 

 

 

 

 

 

 

 

 

 

3

 

 

 

 

 

 

И

 

 

 

 

 

 

7

 

 

 

 

 

 

 

 

 

 

 

 

 

 

 

 

 

 

 

 

 

 

 

 

 

2

 

 

Д

 

 

 

 

 

 

 

 

 

 

8

 

 

 

 

 

 

 

 

 

 

9

 

 

 

 

 

 

 

 

 

 

 

 

10

 

 

 

 

 

 

 

 

 

 

 

 

 

 

 

1

 

А

 

 

 

 

 

 

 

 

 

 

 

 

 

 

 

 

 

 

 

 

 

11

 

 

 

 

 

 

 

 

 

 

 

 

 

 

 

 

 

 

 

 

 

 

 

 

Q

б

 

 

 

 

 

 

 

 

 

 

 

 

 

 

 

 

и

 

 

 

 

 

 

 

 

Рис. 2.27. Общий вид датчика давления ДДП:

1, 5 – сильфоны; 2 – чувствительный элемент; 3 – компенсационный элемент;

4 – компенсационная катушка; 6, 9 – магнитопроводы; 7 – штепсельный разъем; 8 – измерительная катушка; 10 – гайка; 11 – тройник

С Рис. 2.28. Принципиальная электрическая схема измерителя МИД-1

69

Электромагнитные расходомеры ЭМР предназначены для из-

мерения расхода воды и глинистого раствора, обеспечивают непрерывный визуальный контроль и постоянную точность измерения расхода жидкости при широком изменении ее физико-механических

свойств: вязкости, плотности, температуры, давления. Действие расходомера основано на измерении тока от источникаИЭДС, индукти-

руемой в потоке электропроводной жидкости, пересекающей при своем движении магнитное поле.

Электромагнитный расходомер ЭМР-2 предназначен для измерения расхода бурового раствора, не содержащего масляных примесей. В отличие от расходомера ЭМР-2 расходомер ЭМР-3 имеет систему очистки электродов от маслосодержащих пленок. Электрическая очистка электродов производится при работе расходомера автоматически комбинированным воздействием постоянного тока (до 7 мкА)

 

 

 

А

 

 

 

 

 

 

при подаче на электроды малых отрицательных относительно корпуса

датчика электрических потенциалов и периодической подаче на элек-

троды импульсов повышенного напряжения до 120 В.

 

 

 

 

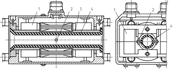
Расходомер ЭМР-2 (рис. 2.29) состоит из трубопровода 3 из не-

ферромагнитного материала, вмонтированных в него в диаметрально

 

б

 

 

 

 

 

 

 

 

 

противоположных точках двух электродов 2 и электромагнитной сис-

темы. Магнитное поле перпендикулярноДоси трубопровода и оси

электродов. Трубопровод изнутри футирован полиэтиленовой труб-

кой 4. Разность потенциалов с электродов 2 подается на усилитель.

и

 

 

 

 

 

 

 

 

 

 

 

 

 

 

Усиленный сигнал выпрямляется и подается на микроамперметр

М325, проградуированный в единицах расхода л/мин.

 

 

 

 

 

1

 

 

2

 

3

 

4

 

 

1

 

2

 

 

 

С

 

 

 

 

 

 

 

 

 

 

 

 

 

 

 

 

 

 

 

 

 

 

 

 

 

 

 

 

 

 

4

 

 

 

 

 

 

 

 

 

 

 

 

 

 

 

 

Рис. 2.29. Общий вид датчика расходомера ЭМР-2:

1 – катушки возбуждения (2 шт.); 2 – электрод (2 шт.); 3 – трубопровод из неферромагнитной нержавеющей стали; 4 – полиэтиленовая трубка

70