Сигнал для датчика механической скорости бурения может быть взят от поступательно движущихся синхронно с углубкой элементов буровой установки (ведущая штанга, вертлюг-сальник, талевый блок, рабочие струны и ходовая ветвь талевой системы, кремальера, направляющие штоки, траверса вращателя) или вращающихся частей (барабан лебедки, ролики кронблока и талевого блока). Кроме того, связь датчиков может быть осуществлена с гидравлической системой станка или пристроенных гидроцилиндров.
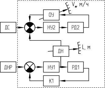
Измеритель скорости проходки ИСП, разработанный СКБ НПО «Геотехника», реализует формулу А.И. Дряхлова
V |
|
V |
|
Lскв |
|
dGос |
, |
(2.5) |
|
|
|
||||||
|
мех |
в |
|
ES dt |
|
|||
где Vмех – механическая скорость бурения; Vв – скорость подачи верха
ИзмерительбИСП обеспечиваетАнепрерывный контроль механической скорости при различных режимах бурения, в том числе и «на выбурку» с полностью заторможенной лебедкой.
бурового инструмента; Lскв – глубина скважины (длина бурового ин- |
|
струмента); ES – жесткость поперечного сечения бурового инстру- |
|
мента; Gос – осевая нагрузка. |
И |
Измеритель предназначен для измерения механической скоро- |
|
сти бурения при подаче инструмента с лебедки до глубины 1500 м |
|
станками различного типа с талевой системой ТС 1х2 или ТС 2х3 со |
|
встроенным измерителем нагрузки МКНД-1. Прибор включает в себя |
|
датчик скорости подачи верха бурового инструмента ДС и вторичный |
|
Спринципуи(рис. 2.22).
показывающий прибор ПП.
Датчик скорости подачи ДC состоит из приводного ролика, редуктора и асинхронного двигателя, работающего в генераторном режиме. Датчик своим роликом пристраивается к торцу барабана лебедки. Измерительная схема прибора построена по компенсационному
Вторичный показывающий прибор ПП имеет два канала: «нагрузка на забой» и «скорость подачи». Сигнал, пропорциональный нагрузке на забой, от датчика ДНР измерителя МКН-1 поступает на вход одной из компенсационных систем, усиливается нульусилителем НУ1 и приводит во вращение ротор реверсивного двигателя РД1, ось которого кинематически связана с осью компенсатора К1. Напряжение на выходе усилителя НУ1 пропорционально скорости изменения нагрузки на забой dGос/dt. С выхода усилителя сигнал
61
подается на делитель напряжения ДН, который умножает этот сигнал на величину, пропорциональную длине бурового инструмента и обратно пропорциональную жесткости его поперечного сечения ES.
На пульте делитель напряжения имеет шкалу с оцифровкой глубины скважины (переключается бурильщиком в соответствии с глубиной скважины). Напряжение с выхода делителя ДН суммируется с напряжением датчика скорости ДС и подается на вторую компенсационную систему с отсчетным устройством ОУ. Эта система измеряет суммарное напряжение, пропорциональное механической скорости бурения.
|
|
|
|
|
|
|
|
Vмех, м/ч |
|
И |
|||
|
|
|
|
|
|
|
|
|
|
|
|
||
|
|
|
ОУ |
|
|
|
|
|
|||||
|
|
|
|
|
|
|
|
|
|
|
|
||
|
ДС |
НУ2 |
РД2 |
|
|
||||||||
|
|
|
|
|
|
|
|
|
|
|
|||
|
|
|
|
|
|
|
|
|
L, м |
||||
|
|
|
|
ДН |
|
|
|
|
|
|
|
|
|
|
|
|
|
|
|
|
|
|
|
||||
|
|
|
|
|
|
|
|
|
|
|
|
|
|
|
ДНР |
НУ1 |
РД1 |
|
|
|
|
||||||
|
|
|
|
|
|
|
|
|
|
|
|
|
|
|
|
|
К1 |
|
|
|
|
|
|||||
|
|
|
|
|
|
|
|
ПП |
|||||
|
Рис. 2.22. Структурная схема ИСП |
|
|
|
|
||||||||
|
|
|
|
|
|||||||||
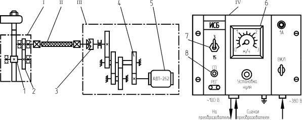
Измеритель скорости бурения ИСБ (СКБ НПО «Геотехника») |
|||||||||||||
(рис. 2.23) предназначен для буровых |
|
станков ЗИФ-650М и |
|||||||||||
ЗИФ-1200МР при подаче бурового инструмента со шпинделя. Точкой |
|||||||||||||
съема сигнала являетсябскорость поступательного движения элемен- |
|||||||||||||
тов вращателя (траверсы, направляющего штока) при синхронном их |
|||||||||||||
движении с верхом бурового инструмента при бурении. |
|||||||||||||
В комплект измерителя ИСБ входят измерительный пульт, пре- |
|||||||||||||
и |
|
|
|
|
|
|
|
|
|
|
|
||
образователь, шток, гибкий валик, привод с элементами крепления. |
|||||||||||||
Работа измерителя ИСБ основана на механическом преобразо- |
|||||||||||||
Свании скорости линейного движения направляющего штока (траверсы) в частоту вращения ротора тахогенератора переменного тока и измерении сигнала показывающим прибором непосредственной оценки (микроамперметром М325), шкала которого проградуирована в единицах скорости бурения м/ч.
62
Измерительный преобразователь скорости бурения ИПС состоит из тахогенератора АДП-262, повышающего редуктора (iР = 29,06) и муфты одностороннего действия, которая обеспечивает разъединение кинематической цепи привода при движении шпинделя бурового станка вверх или его остановке и тем самым защиту редуктора преоб-
разователя от механических перегрузок. |
И |
|
ИПС преобразует вращение входного вала в электрическое напряжение переменного тока. Номинальное напряжение питания обмотки возбуждения тахогенератора 100 В, 50 Гц. Напряжение поступает с феррорезонансного стабилизатора напряжения, находящегося в пульте. Выходное напряжение – сигнал датчика подается на вход измерительной схемы пульта.
Привод преобразует поступательное перемещение штока во вращение оси ИПС. Связь привода с преобразователем обеспечивается с помощью гибкого валика. Проволочный гибкий валик правого вращения заключен в защитный шланг.
|
|
|
|
I |
|
|
|
II |
|
III |
|
4 |
|
|
5 |
|
|
|
IV |
|
6 |
|
||
|
|
|
|
|
|
|
|
|
|
|
|
|
|
|
|
|
|
|
|
Д |
|
|
||
|
|
|
|
|
|
|
|
|
|
|
|
|
|
|
|
|
|
7 |
|
|
||||
|
|
|
|
|
|
|
|
|
|
|
|
|
|
|
|
|
|
|
|
|
|
|||
|
|
|
|
|
|
|
|
|
|
|
|
|
|
|
|
|
|
|
8 |
|
|
|||
|
|
|
|
|
|
|
|
|
|
|
|
|
|
|
|
|
|
|
|
|
|
|
|
|
|
|
|
|
|
|
|
|
|
|
|
|
|
|
А |
|
|
|
|
||||||
1 |
2 |
|
|
|
|
3 |
|
|
|
|
|
|
|
|
|
|||||||||
|
|
|
|
|
|
|
|
|
|
|
|
|
|
|
|
|
|
|||||||
Рис. 2.23. Принципиальная схема и общий вид панели измерителя ИСБ: |
||||||||||||||||||||||||
I – привод; II |
|
|
|
|
б |
|
|
|
|
|
|
|
|
|||||||||||
– гибкий вал; III – преобразователь скорости; IV – измерительный |
||||||||||||||||||||||||
пульт; 1 – зубчато-реечная передача; 2 и 4 – повышающий редуктор; 3 – муфта |
||||||||||||||||||||||||
одностороннего действия; 5 – тахогенератор АДП-262; 6 – измерительный прибор; |
||||||||||||||||||||||||
|
7 – тумблер переключения пределов измерения; 8 – сигнальная лампа |
|||||||||||||||||||||||
|
и |
|
|
|
|
|
|
|
|
|
|
|
||||||||||||
С |
|
|
|
|
|
|
|
|
|
|
|
|
|
|
|
|
||||||||
Регистратор механической скорости бурения РСБ-ТПУ, раз-
работанный кафедрой «Техника разведки месторождений полезных ископаемых» НИ Томского политехнического университета, предназначен для буровых станков с подачей инструмента с лебедки.
Основными узлами регистратора являются: пульт, датчик и самопишущий миллиамперметр Н343.
63
Датчик регистратора 1 своим основанием 2 крепится на мачте 3 (рис. 2.24, а) и имеет тросовую связь 4 с вертлюгом-сальником 5. Тросик одним витком охватывает барабан датчика и преобразует поступательное движение инструмента во вращение якоря 6 (рис. 2.24, б). Второй конец тросика прикреплен к каретке-контргрузу 7, движущейся по оттяжке 8 при перемещении вертлюга-сальника.
|
|
|
|
б |
|
10 |
|
|
|
|
|
6 |
|
|
|
|
|
|
|
|
|
8 |
6 |
7 |
|
|
|
4 |
|
|
|
9 |
|
9 |
5 |
|
|
|
|
|
2 |
|
|
|
|
|
|
|
|
|
|
|
|
~UД |
|
|
|
|
|
|
И |
|
|
2 |
1 |
F |
|
~U |
|
а |
в |
|
|
|||
|
|
|
|
|
||
|
3 |
|
|
Д |
|
|
|
|
|
|
|
||
|
|
|
|
9 |
10 |
|
|
|
|
|
|
6 |
|
|
Рис. 2.24. Регистратор механической скорости бурения РСБ-ТПУ: |
|
||||
|
|
А |
|
|
||
|
а – схема монтажная датчика; б |
– принципиальная схема датчика; |
|
|||
|
в – принципиальная схема индуктивного преобразователя |
|
||||
Принцип работы датчика (см. рис. 2.24, б) заключается в выдаче |
||||||
|
б |
|
|
|
|
|
чередующегося ряда импульсов напряжения UД (от первого и второго |
||||||
индуктивных преобразователей), интервал во времени между кото- |
||||||
рыми Тд соответствует углубке в 1 см. Интервал Тд заполняется стан- |
||||||
дартнымииимпульсами. Количество стандартных импульсов за время |
||||||
Тд преобразуется в показания прибора – среднюю механическую ско- |
||||||
рость бурения в предыдущем интервале углубки в 1 см. |
|
|||||
Индуктивные преобразователи 9 собраны на Ш-образном сер- |
||||||
дечнике, имеющем разомкнутую магнитную цепь (рис. 2.24, в). На |
||||||
Ссреднем стержне расположена катушка с обмоткой возбуждения W1. |
||||||
На крайних стержнях расположены измерительные обмотки W2 и W3,
64
включенные последовательно и встречно. При замыкании пластинкой 10 якоря 6 зазора индуктивного преобразователя возникает наведенный импульс напряжения UД, который поступает на входы преобразователей прямоугольных импульсов. Количество импульсов подсчиты-
вается в двоичной форме схемой переноса на логических элементах. Сосчитанные стандартные импульсы за время Тд посредствомИциф-
роаналогового преобразователя преобразуются в показания самопишущего миллиамперметра Н343.
Регистратор механической скорости бурения РСГ-ТПУ, раз-
работанный кафедрой «Техника разведки месторождений полезных ископаемых» НИ Томского политехническогоДуниверситета, предназначен для буровых станков с гидравлической подачей и при подаче со шпинделя. Механическая скорость бурения определяется по ин-
тенсивности расхода жидкости из нижних полостей гидроцилиндров подачи бурового инструмента. Датчиком скорости является расходомер обтекания постоянного перепада давления. Принцип работы датчика основан на измерении вертикального перемещения поплавка как функции интенсивности расхода жидкости.
положении в разрыв маслопроводаА, соединяющего нижние полости гидроцилиндров подачи с прибором гидроуправления. Основными частями датчика являются: конус 1, поплавок с сердечником 2, индуктивнаяидвухсекционная катушка 3 (L1 – L2 на рис. 2.26), термокомпенсационный датчик (терморезистор R1), ввинченный в корпус датчика и омываемый потоком жидкости. Отверстие в гнезде поплавка при остановках шпинделя и движении его вниз прикрыто обратным клапаном 5, подпружиненным пружиной 4.
Датчик регистратораб(рис. 2.25) монтируется в вертикальном
СПри движении шпинделя вниз масло протекает через центральное отверстие 8 в гнезде 6, приподнимая поплавок с сердечником 2 на соответствующую высоту. При остановках шпинделя и движении его вверх поплавок занимает свое нижнее положение, причем в последнем случае масло проходит через отверстия 9 в гнезде 6, поджав подпружиненный обратный клапан 5.
Секции катушки L1 и L2 (см. рис. 2.26) и вторичные обмотки трансформатора W2а и W2б включены по трансформаторной мостовой схеме, в диагональ которой через выпрямительный мост D1 – D4 включен электроизмерительный прибор ИП – микроамперметр М325, проградуированный в размерности скорости бурения см/мин.
65