Материал: 2416

Внимание! Если размещение файла нарушает Ваши авторские права, то обязательно сообщите нам

Адреса МА

Данные, программа

 

Порт

 

ЗУ

Порт

 

 

 

вывода

УВЫВ

 

ввода

 

УВВ

ГТС

МП

ПЗУ

 

 

 

 

 

 

ОЗУ

 

МД

Данные

 

МУ

Команды

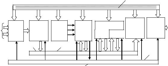
Рис. 10.68. Блок-схема микроЭВМ

Входная информация делится на данные, над которыми выполняются операции, и программу, т.е. последовательность команд, описывающих выполняемые операции. Данные и программа задаются совокупностью слов разной длины в виде двоичных чисел с числом разрядов, кратным 8 (1 байт).

Данные УВВ поступают в порт ввода. Сигналы управления выбирают необходимый порт, обеспечивают запись данных, временное хранение в порту, а затем их передачу в магистраль данных, состоящих из совокупности m проводящих линий, обеспечивающих передачу m-разрядного слова. При магистральной организации связей элементы микроЭВМ подключаются к единой магистрали через буферные усилители, которые могут находиться в одном из трех состояний:

1)передача данных в магистраль;

2)прием данных из магистрали;

3)отключение от магистрали.

Сигналами управления можно отдельные элементы микроЭВМ поставить в режим передачи информации в магистраль, другие – в режим приема информации, остальные – отключить. Кроме магистрали данных (МД), есть магистраль адреса (МА) и магистраль управления (МУ).

Чтобы работа МП не зависела от быстродействия УВВ, данные и программа перед ее выполнением записываются в ОЗУ. Кроме того, может подключаться внешняя память (флэш-карты, гибкие диски).

Последовательность работы МП:

1) считывание команды из памяти; номер ячейки памяти, где хранится первая команда, заносится в счетчик команд; после выполнения команды число в счетчике автоматически увеличивается на 1,

295

что обеспечивает последовательность выполнения команд программы;

2)при каждом положении счетчика команд происходит считывание из памяти следующей информации: кода операции, которая выполняется по данной команде, и числа (или его адреса), над которым команда выполняется;

3)выполнение команды.

Затем цикл повторяется для следующей команды.

УУ при помощи генератора тактовых сигналов (ГТС) обеспечивает требуемую последовательность работы элементов для выполнения команды. Выполнение одной команды происходит за несколько машинных циклов, каждый из которых содержит несколько периодов работы ГТС. Команды в МП представляются в виде многоразрядных двоичных слов (чисел).

Контрольные вопросы

1.Частота пульсаций выпрямленного напряжения в схеме двухполупериодного выпрямителя составляет 2 кГц. Какова частота питающего напряжения:

1) 1 кГц; 2) 2 кГц; 3) 4 кГц; 4) 8 кГц?

2.Какой материал называется полупроводником n-типа:

1)тот, в котором основные носители зарядов – электроны;

2)тот, в котором основные носители зарядов – дырки;

3)тот, в котором присутствуют электронно-дырочные пары?

3.Какой материал называется полупроводником р-типа: 1) тот, в котором основные носители зарядов – электроны;

2) тот, в котором присутствуют электронно-дырочные пары; 3) тот, в котором основные носители зарядов – дырки?

4.Что называется p-n переходом:

1)контакт двух одинаковых полупроводников с дырочной проводимостью;

2)контакт двух полупроводников с разными типами проводимо-

стей;

3)контакт двух одинаковых полупроводников с электронной проводимостью?

296

5.Назовите наиболее важное свойство p-n перехода, которое позволило широко использовать полупроводники:

1) его электрическое сопротивление минимально;

2) его электрическое сопротивление максимально; 3) его электрическое сопротивление не зависит от параметров це-

пи;

4) его электрическое сопротивление зависит от полярности напряжения, приложенного к электродам в области p-n перехода.

6.Что представляет собой прямой ток в p-n переходе:

1)ток, обусловленный движением только электронов;

2)ток, обусловленный движением основных носителей зарядов;

3)ток, обусловленный движением неосновных носителей заря-

дов?

7. Что представляет собой обратный ток в p-n переходе: 1) ток, обусловленный движением дырок;

2) ток, обусловленный движением основных носителей зарядов;

3) ток, обусловленный движением неосновных носителей зарядов?

8. Что представляет собой полупроводниковый диод:

1)полупроводник с одним p-n переходом, который хорошо проводит ток только в одном направлении;

2)полупроводник с одним p-n переходом, который хорошо проводит ток во всех направлениях;

3)полупроводник с одним p-n переходом, который ограничивает электрический ток?

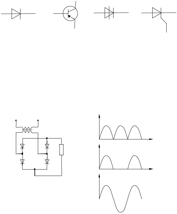
9. Какой выпрямитель изображен на схеме:

 

U

1) двухполупериодный мостовой не-

 

 

 

управляемый;

 

 

 

2) однофазный управляемый выпря-

 

 

 

митель с нулевым выводом трансформа-

 

 

 

тора;

 

 

 

 

 

 

3) двухполупериодный неуправляе-

 

 

 

мый выпрямитель с нулевым выводом

 

 

 

трансформатора?

 

ФИУ

297

 

 

 

 

 

 

 

 

10. Какой выпрямитель изображен на схеме:

 

 

 

 

1)

однополупериодный;

 

Д1

Д2

2)

двухполупериодный с вы-

RН

водом

средней

точки

вто-

U

ричной

обмотки

трансфор-

 

Д3

Д4

матора;

 

 

 

3)

двухполупериодный

мос-

 

 

товой;

 

 

 

 

 

4)

трехфазный мостовой?

11. Как условно на электрической схеме обозначается диод?

 

1)

2)

3)

4)

12. Что такое электрический пробой p-n перехода:

 

1)

механическое разрушение p-n перехода;

 

2)

необратимое разрушение p-n перехода при его перегреве;

 

3)

резкое (лавинное) увеличение обратного тока при неизменном

обратном напряжении;

 

 

 

4)

резкое (лавинное) увеличение прямого тока при неизменном

прямом напряжении?

 

 

 

13. Какой выпрямитель изображен на схеме:

 

 

1)

двухполупериодный с

 

 

выводом средней точки вто-

Д1

Д2

ричной обмотки трансфор-

матора;

Д3

Д4

2)

двухполупериодный мос-

Д5

Д6

товой;

3) трехфазный мостовой?

RН

298

14. Как условно на электрической схеме обозначается управляемый тиристор?

1) 2) 3) 4)

15. Что представляет собой полупроводниковый тиристор:

1) полупроводниковый прибор с двумя p-n переходами, позволяющий усиливать электрический сигнал;

2) полупроводниковый прибор с одним p-n переходом, который хорошо проводит ток в прямом направлении;

3) полупроводниковый прибор с тремя p-n переходами, используемый для электронного переключения?

16. Какова форма тока, протекающего через каждый диод?

1)

i

 

U

 

 

2)

i

t

 

Rн

 

 

3)

i

t

 

t

17. Существует ли связь между входными и выходными характеристиками транзисторов и вольт-амперной характеристикой диода:

1)не существует;

2)существует. Входная характеристика транзистора подобна прямой ветви вольт-амперной характеристики диода;

3)существует. Выходная характеристика транзистора подобна прямой ветви вольт-амперной характеристики диода?

299