Материал: 2416

Внимание! Если размещение файла нарушает Ваши авторские права, то обязательно сообщите нам

снизится до уровня напряжения Uоткр на тиристоре в открытом состоянии (Uоткр ≈1 В), после чего тиристор закроется, и процесс зарядки конденсатора постоянным током I=E/R повторится (рис. 10.51, б). Очевидно, для того чтобы операционный усилитель не входил в насыщение, необходимо выполнить условие Uоп< Uвых max.

Подобные генераторы широко применяются в аппаратуре связи, телевидении, радиолокации. Наиболее часто их используют для создания временной развертки луча в электронно-лучевых трубках осциллографов, телевизоров и т. п.

Другой важной областью применения этих генераторов является преобразование напряжения в частоту для точных измерений постоянных напряжений, так как измерение частоты может быть реализовано с наивысшей возможной точностью.

10.18.Мультивибраторы на транзисторах

Вимпульсной технике широко применяются генераторы релаксационных колебаний. Релаксационными называют периодические колебания несинусоидальной формы, в которых медленные изменения чередуются со скачкообразными. Форма колебаний может быть прямоугольной, пилообразной и т.д. Генераторы таких колебаний могут работать в автоколебательном или ждущем режиме и используются в качестве запускающих и переключающих устройств, для деления частоты и других целей. Одним из видов релаксационных генераторов является мультивибратор, вырабатывающий колебания практически прямоугольной формы. Мультивибратор является импульсным устройством, в котором усилительный элемент работает в ключевом режиме.

Основная схема автоколебательного мультивибратора на транзисторах типа p-n-p приведена на рис. 10.52.

Схема представляет собой двухкаскадный усилитель с емкостными связями. Выход каждого каскада соединен со входом другого, что обеспечивает глубокую, практически 100%-ную положительную обратную связь. Если транзисторы, конденсаторы и резисторы обоих плеч мультивибратора одинаковы, его называют симметричным.

Рассмотрение принципа работы мультивибратора начнем с мо-

мента t0, когда транзистор VT2 находится в состоянии насыщения, а транзистор VT1 – в состоянии отсечки. Конденсатор С1 разряжен, кон-

270

денсатор С2 заряжен до напряжения, почти равного напряжению источника питания.

 

 

 

 

 

 

 

 

 

 

uб1

 

 

 

 

 

 

Rб1

 

 

Ек

t

Rк1

 

Rб2

 

 

R

uк1

 

 

 

 

 

 

 

 

 

 

 

 

к2

 

+

+

 

 

t

uк1

С2

С1

uк2

uб2

 

t

 

 

 

 

 

 

 

VT1

VT2

0

uк2

t1

t

 

 

 

t0

 

 

 

 

t2

 

 

а

 

tи

tп

б

 

 

 

 

 

Рис. 10.52. Основная схема автоколебательного мультивибратора (а) и диаграмма напряжений (б)

Насыщенное состояние VT2 обеспечивается соответствующим выбором сопротивления резистора Rб2 (Rб≤βRк), а состояние отсечки VT1 тем, что к его эмиттерному переходу через открытый транзистор VT2 приложено запирающее напряжение от С1. Начиная с момента t0, происходит относительно быстрый заряд С2 до напряжения –Ек и медленный перезаряд С1 по цепи –Ек-Rб1-С1-VT2, причем конденсатор С1 стремится перезарядиться от –Ек до +Ек. В процессе перезаряда запирающее напряжение для VT1 уменьшается. Когда оно станет близким к нулю, начинается процесс отпирания VT1. При отпирании VT1 конденсатор С2 положительным выводом подключается к базе VT2, что вызывает процесс его запирания. Благодаря положительной обратной связи, процесс развивается лавинообразно и заканчивается переходом мультивибратора в другое квазиустойчивое состояние: транзистор VT1 открыт, а VT2 – закрыт (момент времени. t1). После этого начинается процесс перезаряда С2, продолжающийся до момента времени t2, когда произойдет быстрый переход транзистора в прежнее состояние. В дальнейшем процессы повторяются.

Поскольку переход транзисторов из закрытого состояния в открытое происходит скачкообразно, напряжение на коллекторах имеет практически прямоугольную форму. Период колебаний мультивибратора определяется временем, в течение которого разряжаются кон-

денсаторы и которое приблизительно равно

 

tи = tп 0,7RбС,

(10.39)

где tи – длительность импульса; tп – длительность паузы.

 

271

Поскольку длительность периода Т складывается из равных продолжительностей импульса и паузы, то

Т = tи +tп 1,4RбС.

(10.40)

Частота импульсов

 

 

1

 

0,7

 

 

f

=

.

(10.41)

T

 

 

 

 

R C

 

 

 

 

 

 

б

 

Практические схемы автоколебательных мультивибраторов обычно содержат несколько дополнительных элементов, предназначенных для улучшения формы выходного напряжения и повышения стабильности работы.

10.19.Триггеры и триггерные устройства

10.19.1.Общие сведения

Как и мультивибратор, триггер является импульсным устройством, в котором усилительный элемент работает в ключевом режиме. Триггером называется устройство, обладающее двумя устойчивыми состояниями и способное скачком переходить из одного состояния в другое под воздействием внешнего управляющего сигнала.

Триггеры относятся к логическим устройствам, у которых состояние на выходе определяется состояниями на входах не только в данный момент времени, но и предыдущим состоянием.

Развитие полупроводниковой электроники привело к тому, что вместо триггера на дискретных элементах стали применяться триггеры, выполненные в виде интегральных микросхем.

С применением в вычислительной технике триггеров связано использование двоичной системы счисления. Триггер способен запоминать и хранить один бит информации (один разряд двоичного числа). Один выход триггера называется прямым Q , другой – инверсным Q .

Одно устойчивое состояние триггера, когда на прямом выходе низкий уровень напряжения, обычно принимают за «0», другое – за «1». Число входов зависит от структуры и функций, выполняемых триггером.

По способу записи информации триггеры делят на асинхронные и синхронизируемые (тактируемые). В асинхронных триггерах информация записывается непосредственно в момент изменения сигнала на его информационных входах. Синхронный триггер имеет синхронизирующий вход С. Такой триггер изменяет свое состояние лишь в

272

строго определенные (тактовые) моменты времени, соответствующие действию активного сигнала на его синхронизирующем входе С.

Тактируемые триггеры могут быть с потенциальным и динамическим управлением. У первых из них информация записывается в течение времени, при котором уровень сигнала С=1. В триггерах с динамическим управлением информация записывается только в течение перепада напряжения на входе синхронизации. Динамические входы изображают на схемах треугольником. Если вершина треугольника обращена в сторону микросхемы, то триггер срабатывает по фронту входного импульса, если от нее – по спаду. В схемах встречаются также обозначения «/» и «\». Первое обозначает фронт, второе – спад. В таком триггере информация на входе может быть задержана на один такт по отношению к входной информации.

Алгоритм функционирования триггеров обычно поясняется таблицами истинности, которые содержат информацию как о состоянии триггера Q(t) до поступления управляющих входных сигналов, так и о состоянии триггера Q(t+1) после подачи сигналов на входы.

Основные типы триггеров в интегральном исполнении носят следующие названия: RS-триггеры, D-триггеры, Т-триггеры и JK-триг- геры.

10.19.2. Триггеры на транзисторах

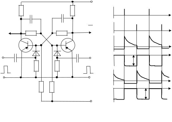
На рис. 10.53 приведена схема триггера на биполярных транзисторах типа p-n-p с коллекторно-базовыми связями.

Как и мультивибратор, триггер представляет собой двухкаскадный усилитель, у которого выход первого каскада соединен со входом второго, а выход второго – со входом первого (100%-ная положительная обратная связь). Однако в отличие от мультивибратора связь между каскадами не емкостная, а гальваническая. Обычно применяется симметричная схема, когда RК1=RК2, Rб1=Rб2, RЗ1=RЗ2, а транзисторы имеют одинаковые параметры. Такой триггер называется симметричным.

В первый момент после подачи питающего напряжения оба транзистора будут стремиться открыться, так как на их базы через Rб1 и RКб2 подаются отрицательные отпирающие напряжения. Однако такое состояние будет неустойчивым. В силу случайных причин изменение токов и напряжений на электродах транзисторов будет неодинаковым, в результате чего триггер обязательно окажется в одном из двух устойчивых состояний.

273

Rк1

 

 

Ек

uвх1

 

Скб1

Скб2

Rк2

0

t

 

 

 

 

 

Q

Rб2

Rб1

Q

uвх2

t

0

uвых1

 

 

uвых2

uб1

t

VT1

 

 

VT2

0

 

 

t

Свх1

VD1

VD2

Свх2

0

Ек

uвх1

Rвх1

Rвх2

uвх2

uк1

 

 

uб1

 

 

 

 

 

t

 

 

 

0

0

 

RЗ1

RЗ2

t

 

 

0

 

 

 

 

Ек

 

 

 

+Еб

uк2

 

 

 

 

 

 

а

 

 

б

Рис. 10.53. Симметричный триггер с коллекторно-базовыми связями и раздельным запуском (а) и временные диаграммы его работы (б)

Допустим, что коллекторный ток VT2 по какой-либо причине уменьшился. Это приведет к увеличению напряжения на его коллекторе, а значит и к увеличению входного напряжения и тока VT1. Рост тока VT1 сопровождается понижением напряжения на его коллекторе, являющегося входным для VT2, а следовательно, дальнейшим снижением его тока. Это очень быстро приведет к тому, что VT1 окажется открытым, а VT2 закрытым. В таком состоянии триггер может находитьсся в течение сколь угодно длительного времени. Чтобы не произошло изменение состояния триггера вследствие случайных причин, на базу закрытого транзистора через резистор RЗ2 подается запирающее напряжение б. В таком состоянии триггера на коллекторе VT1 напряжение близко к нулю, а на коллекторе VT2 практически рав-

но –Ек.

Чтобы перевести триггер в другое устойчивое состояние, необходим внешний запускающий сигнал. Различают три способа запуска триггера:

раздельный запуск импульсами одной и той же полярности, в разное время на базы разных транзисторов;

запуск импульсами чередующейся полярности, подаваемыми на базу одного из транзисторов;

274