Как правило, если индикаторы улавливают пары этих жидкостей, тогда способы контроля такими жидкостями относят к газовым.
К жидким пробным веществам относят, как правило, воду, которую применяют при гидроиспытаниях (гидроопрессовке), а также воду с люминесцирующими добавками, которые облегчают индикацию течей. Также в качестве смачивающих жидкостей применяются пенетранты.
СДля количественной оценки течи используются следующие методы:
- при пр менен жидкости, в качестве пробного вещества используется объем ж дкости, который проникает через течь в единицу
времениПрипри; спользовании газовых пробных веществ количественную оценку про зводят в ед ницах мощности.
этом, при контроле герметичности объектов контроля, как правило, за сключен ем случаев с использованием пенетрантов, создаются по сторонам о ъектов контроля, разность давлений.
Кол чество газа q, Н-м, определяется по формуле q=pV,
где p – давление газа, Па или Н/м2; V – объем газа, м3.
|
Д. |
||||
ПотокбАtгаза Q, Вт, через течь равен количеству газа за едини- |
|||||
цу времени |
|
|
|
|
И |
|
Q |
q |
|
pV |
|
|
|
|
|||
|
|
t |
t |
||
|
|
|
|||
Физический смысл того, что поток измеряется в единицах мощности, состоит в том, что произведение давления на объем – энергия, запасенная в газе, а изменение энергии во времени – мощность.
В смеси газов концентрацию каждого компонента qk к количеству q газа в целом:
k qk .
q
136
Объем, занимаемый смесью и всеми ее компонентами, имеет постоянное значение, поэтому
|
|
|
|
k |
pkV |
|
pk |
. |
|
|
|
|
|
|
|
||||
|
|
|
|
|
pV |
|
p |
||
|
Отсюда |
|
|
|
|
|
|
||
|
|
|
|
pk k p, |
|||||
где рк – парциальное давление компонента в смеси газов, т. е. та- |
|||||||||
кое давлен |
е, при котором только этот компонент смеси газов |
||||||||
Для контроля герметичности деталей, изделий, строительных |
|||||||||
занимаетвесьобъем. |
|
|
|
|
|
|
|||
конструкц й, |
соответственно в целом зданий и сооружений (объекты |
||||||||
С |
|
|
|
за исключением пенетрантов, |
|||||
контроля), |
|
помощью про ных веществ, |
|||||||
необход мо создан е разности давлений по разные стороны стенок |
|||||||||
объектов контроля. |
|
|
|
|
|
|
|||
При этом пом мо про ных вещевств требуются устройства для |
|||||||||
созданразностия змерен |
давлений, а именно компрессоры, насо- |
||||||||
сы, манометры |
другое о орудование, а также средства для обнаруже- |
||||||||
ния выхода пробного вещества через течи (сквозные дефекты). |
|||||||||
Для |
|
|
течей применяются как специальные прибо- |
||||||
|
обнаружения |
|
|
|
|||||
ры, а именно течеискатели, так и не приборные средства, например ис- |
|||||||||
пользуются люминесцирующие вещества или методы капиллярного |
|||||||||
контроля. |
|
|
|
|
|
|
|
|
|
В том числе объекты нефтегазовой промышленности, которые |
|||||||||
контролируются методамиАтечеискания, являются незамкнутыми и по- |
|||||||||
зволяют воздействовать как на их внешнюю, так и внутреннюю поверх- |
|||||||||
ности. Соответственно по способу создания разности давлений разли- |
|||||||||
|
|
|
|
Д |
|||||
-для создания разности давлений объектыИконтроля откачивают, называются вакуумными;
-предусматривается создание внутреннего избыточного давления выше атмосферного, называются опрессовкой, а именно:
а) при опрессовке газом, внутреннее давление принимается всегда значительно ниже расчетного по условиям прочности, что обуслов-
лено возможными катастрофическими последствиями от разрыва объ- екта контроля;чаются схемы с внутренним и внешним избыточным давлением.
137
б) при гидроопрессовке разлет осколков не происходит, и ее проводят с давлением на 25-50 % выше номинального рабочего давления. При этом обязательным условием является отсутствие воздушных скоплений, в виде «подушек»или «пробок».
Поэтому перед гидроопрессовкой воздух из невентилируемых полостей откачивают, а из вентилируемых полостей выпускают через вентиль (воздушник), который устанавливается в верхней части полости.
В общих случаях, перечень требований для опасных и вредных факторов, которые сопровождают процессы испытаний на герметич-
ность, пр ведены в государственном стандарте [207]. |
||
С |
|
|
и |
|
|
|
Рисунок 6. Комплект контроля герметичности |
|
|
При этом для опрессовки, и для вакуумного способа возможны |
|
две схемыконтроля, а именно: |
|
|
|
- при интегральной схеме анализируется состав и количество газа, |
|
который проникает в объект контроля извне или наоборот проникает из- |
||
нутри; |
бА |
|
|
- при локальной схеме поиска каждая течь обнаруживается от- |
|
дельно с помощью щупа, который улавливает появление пробного газа, |
||
а также с помощью вакуумной камеры-присоски или визуально. |
||
|
Также при контроле герметичности сварных швов вертикальных |
|
|
Д |
|
цилиндрических резервуаров, в том числе для нефти и нефтепродуктов |
||
применяются локальные вакуум-камеры, в которых создается разреже- |
||
ние над контролируемым участком объекта контроля, с перепадом |
||
давления не менее 250 мм водяного столба. |
|
|
|
Неплотности в данных сварных швах обнаруживается по обра- |
|
|
|
И |
зованию пузырьков, в нанесенном на сварные соединения мыльном или другом пенно-образующем растворе. Контроль герметичности при этом осуществляется с помощью комплекта оборудования, состоящего из набора плоских и угловых вакуумных камер-присосок, а также вакуумного насоса и арматурного блока с вакуумметром.
138
Общий вид такого комплекта, для контроля герметичности, выпускаемого НИКИМТ, приведен на рис. 6.
При этом локальная схема контроля путем опрессовки применяется, например, в соответствии с требованиями руководящего документа [200], для контроля герметичности сварных швов приварки, которые усиливают листовые накладки люков и патрубков на стенке резервуаров, в том числе для хранения нефти и нефтепродуктов.
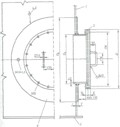
СВ данном случае контроль производится путем создания избыточного воздушного давления 400-4000 мм водяного столба, в зазоре между стенкой резервуара и усиливающей накладкой, с использованием для этого контрольного отверстия с резьбой М10х1,5 в усиливаю-
наноситсящей накладке. Общ й в д конструкции люка-лаза приведен на рис. 7. При этом на сварные швы как внутри, так и снаружи резервуара
мыльная пленка, а также пленка льняного масла или другого пенообразующего вещества, позволяющего обнаружить утечки.
бА Д
Рисунок 7. Конструкция люка-лаза круглого вИпервом поясе стенки резервуара: 1— стенка резервуара; 2 — прокладка; 3 — днище; 4 — усиливающая
накладка
Для обнаружения течей могут одновременно или последовательно использоваться несколько методов течеискания.
139
При контроле герметичности в обязательном порядке используются, как правило, методы, которые реализуют интегральную схему контроля.
На практике, наибольшее применение имеет манометрический метод, который отличается максимальной простотой, доступностью и позволяет установить наличие или отсутствие течи во всем объеме контролируемом объекте контроля, а также величинутечи.
С |
|
В данном случае установление местоположения течей произво- |
|
дится с использованием методов течеискания, которые реализуют ло- |
|
кальные схемы контроля, а именно: |
|
- масс-спектрометрические методы; |
|
- ж дкостные методы течеискания. |
|
ческий |
основан на создании повы- |
Масс-спектрометрический метод |
|
шенного парц ального давления пробного вещества, в виде газа, в смеси веществ с одной стороны поверхности объекта контроля и отбора
масс-спектрометр ческого анализа на присутствие молекул пробного
газа. Масс-спектрометр анализ осуществляется путем иониза-
проникающеготребованиячерез течи про ного вещества с другой стороны для
ции пробного вещества, в виде газа, с последующим разделением ионов
по отношен ю х массы к заряду под действием электрического и маг- |
|||
А |
|
||
нитного полей. Основные |
по |
проведению масс- |
|
спектрометрического неразрушающего |
контроля |
|
регламентированы |
требованиями государственного стандарта [205]. Масс-спектрометрический метод позволяет помимо качествен-
основных частей, а именно: Д - масс-спектрометрической камеры с магнитом; - вакуумной системы;
ной оценки провести количественные измерения газового потока через течь с точностью до 10 %. Данный метод технически сложен и требует создания вакуума, и по возможности его заменяют более простыми методами.
При этом масс-спектрометрический течеискатель состоит из 3-х И
- электрических блоков питания и измерения.
Своей вакуумной частью масс-спектрометрический течеискатель может присоединяться к самому объекту контроля или к щупу в зависимости от выбранной схемы контроля.
140