|
|
|
В сварных балках распро- |
||||
|
|
|
странено изменение ширины пол- |
||||
|
|
|
ки, высота балки при этом сохра- |
||||
С |
|
няется постоянной; менее удобно |
|||||
|
изменять толщину полки, так как |
||||||
|
балка |
оказывается |
неодинаковой |
||||
|
по высоте, при этом усложняется |
||||||
|
|
|
|||||
|
|
|
заказ стали. |
|
|
||
|
|
|
В данной работе в целях эко- |
||||
Рис |
номии стали выполняется измене- |
||||||
ние сечения балки по длине путем |
|||||||
|
|
|
|||||
|
|
|
уменьшения |
ширины полок на |
|||
|
|
|
приопорных участках (рис. 10), где |
||||
|
|
|
изгибающие моменты невелики. |
||||
б |
|
|
|
||||
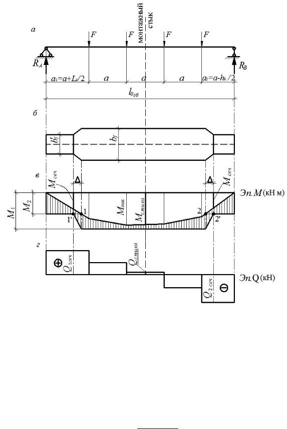
. 10. Поперечное сечен е |
алки: |
|
|
|
|
||
а – до изменен я; |
– после изменения |
|
|
|
|
||
Ш р на |
полок |
уменьшенного |
сечения |
принимается |
|||
bf ≈ (0,5…0,6)∙bf |
в соответствии |
с |
ГОСТ |
82–70* или |
|||
ГОСТ 103–2006 на листовую сталь, но не менее 180 мм.
Строится эпюра материалов (рис. 11) для определения мест перехода от полной ширины полки к уменьшенной.
Для этого определяется несущая способность полного и умень-
шенного сечений: |
|
|
|
|
|
|
|
Д |
||||||||
|
|
|
АМ W |
R |
|
c , кН·см; |
||||||||||
несущая способность полного сечения |
1 |
x |
y |
|
||||||||||||
несущая |
способность |
уменьшенного сечения |
M2 Wх Ry c , |
|||||||||||||
кН·см, |
|
|
|
|
|
|
|
|
|
|
|
|
|
|
|
|
где Wx – момент сопротивления полного сечения балки, определенно- |
||||||||||||||||
го по формуле (26); W x – момент сопротивления уменьшенного се- |
||||||||||||||||
чения, см3, |
|
|
|
|
|
|
|
|
|
|
|
|
|
|
|
|
|
|
|
|
|
|
|
|
|
|
|
|
|
(29) |
|||
|
|
|
|
|
|
|
Wx |
Ix yцт , |
|
|
|
|
|
|||
здесь I x – момент инерции уменьшенного сечения балки, см4, |
||||||||||||||||
|
|
|
t |
|
h3 |
|
|
hw tf |
2 |
|
|
|
|
|||
|
|
|
w |
|
|
И |
||||||||||
|
|
|
|
w |
|
|
|
|
|
|
|
|
|
|||
|
Ix |
|
12 |
2 bf |
tf |
2 |
. |
|
|
|
(30) |
|||||
|
|
|
|
|
|
|
|
|
|
|
|
|||||
Значения |
M и |
|
M наносятся на эпюру моментов в масштабе |
|||||||||||||
(см. рис. 11). |
|
|
|
|
|
|
|
|
|
|
|
|
|
|
|
|
26
Си бА
Рис. 11. Построение эпюры материаловД: аИ– расчетная схема; б – план балки; в – эпюры моментов и материалов;
г – эпюра поперечных сил
Точки 1 и 2 являются точками пересечения эпюры М с М2 – это места теоретического изменения ширины полки.
С целью уменьшения концентрации напряжений переход от широкой полки к узкой выполняется с уклоном 1 : 5.
Величина перехода определяется по формуле, см,
5 (bf bf ).
2
При наложении ∆ на рис. 11, в определяется положение точек 1'
и 2'.
27
Строится эпюра материалов по рис. 11, в.
Сварные швы стыка полок балки в месте изменения сечения не должны попадать под место опирания второстепенной балки.
|
|
2.5. Проверка прочности уменьшенного сечения балки |
||||||||||||||||||
С |
|
|
|
|
|
|
|
|
|
|
|
|
|
|
|
|
|
|
||
|
|
по касательным и приведенным напряжениям |
||||||||||||||||||
|
Для выполнен я данных проверок прочности определяются |
|||||||||||||||||||
геометр ческ е характеристики уменьшенного сечения балки относи- |
||||||||||||||||||||
тельно |
х: |
|
|
|
|
|
|
|
|
|
|
|
|
|
|
2 |
|
3 |
||
оси8 |
|
|
|
|
|
|
|
|
|
|||||||||||
1. |
Момент нерц |
|
сечения с уменьшенной полкой |
Ix , определен- |
||||||||||||||||
|
|
|
|
|
4 |
|
|
|
|
|
|
|
|
|
|
|
|
|
|
|
ный по формуле (30), см . |
|
|
|
|
|
|
|
|
|
|
|
|
|
|
||||||
2. |
|
тат ческ й момент полусечения с уменьшенной полкой, см3, |
||||||||||||||||||
|
|
бА |
|
|||||||||||||||||
|
|
|
|
|
t |
|
h2 |
|
|
|
|
tf |
|
hw |
tf |
|
|
|||
|
|
|
|
w |
|
w |
|
|
|
|
|
|
|
. |
(31) |
|||||
|
|
Sx nc |
|
|
|
|
bf |
|
|
|
|
|||||||||
3. |
Стат ческ й момент полки уменьшенного сечения, см , |
|||||||||||||||||||
|
|
Sx полки |
bf |
tf |
|
hw |
t f |
. |
|
(32) |
||||||||||
|
|
|
|
|
|
|
|
|
|
|
|
|
|
|
2 |
|
|
|
|
|
|
2.5.1. Проверка прочности по касательным напряжениям |
|||||||||||||||||||
|
Расчетное сечение главной балки (рис. 12) принимается в опор- |
|||||||||||||||||||
ной зоне, в месте действия максимальной поперечной силы Qmax. |
||||||||||||||||||||
|
Максимальные касательные напряжения, возникающие на ней- |
|||||||||||||||||||
тральной оси балки, не должны превышать расчетного сопротивления |
||||||||||||||||||||
стали сдвигу |
|
|
|
|
|
|
|
|
|
|
|
|
|
|
|
|
|
|
||
|
|
|
|
|
|
|
|
|
|
|
|
|
|
|
|
|
|
|
|
|
|
|
|
max |
|
QmaxSxnc |
R |
|
|
||||||||||||
|
|
|
|
|
|
|
tw |
Дs c . (33) |
||||||||||||
|
|
|
|
|
|
|
|
Ix |
|
|
|
|
|
|
|
|
|
|
||
|
Проверка прочности главной балки по касательным напряжени- |
|||||||||||||||||||
ям при действии максимальной поперечной силы в опорном сечении |
||||||||||||||||||||
выполняется по формуле [1, пп. 8.2.1]: |
|
|
И |
|||||||||||||||||
|
|
|
|
|
|
|
|
Q |
|
S |
|
|
|
1, |
|
|
||||
|
|
|
|
|
|
|
|
max |
|
|
x nc |
|
|
|
|
(34) |
||||
|
|
|
|
|
|
|
|
|
|
|
|
|
|
|
||||||
|
|
|
|
|
|
|
|
|
|
|
|
|
|
|
|
|
|
|
|
|
|
|
|
|
|
|
|
|
Ix twRs c |
|
|
|
|
|
|
||||||
28
С |
|
|
|
|
|
сопротивление |
|
|
|
||
Р с. 12. Схема поперечного сечения балки и эпюр напряжений |
|||||
бА |
|||||
где Rs – расчетное |
|
|
стали сдвигу [1, п.1, табл.2], кН/см2: |
||
R |
0,58R |
yn |
/ |
m |
, |
s |
|
|
|
||
здесь Ryn – нормат вное сопротивление стали проката [1, табл. П.В.5], кН/см2; m – коэфф ц ент надежности по материалу [1, табл. 3].
Проверка прочности по приведенным напряжениям проводится для наиболее опасных сечений, определяемых положением точек 1' и 2', т. е. уменьшенном сечении с наибольшим значением изгибающего
момента Mсеч , кН·см, |
и соответствующей поперечной силе Qсеч, кН |
||||||||||||
(см. рис. 11, в и г), на уровне поясных сварных угловых швов. Про- |
|||||||||||||
верка выполняется по формуле [1, пп. 8.2.1]: |
И |
||||||||||||
|
|
|
0,87 |
|
2 3 2 |
1, |
|||||||
|
|
|
|
|
(35) |
||||||||
|
|
|
|
|
|
|
|
||||||
|
|
|
|
|
Ry c |
|
xДxy |
||||||
|
|
|
|
|
|
|
|
|
|
|
|||
|
|
|
|
|
|
|
|
|
|
|
|
|
|
где x |
Mсечhw |
и xy |
|
QсечSxполки |
нормальные и касательные на- |
||||||||
|
|||||||||||||
|
|||||||||||||
|
|
|
|
|
tw |
|
|
|
|
|
|||
|
2Jx |
|
|
Jx |
|
|
|
|
|
||||
пряжения, кН/см2, в |
|
стенке |
балки |
на уровне поясных |
швов |
||||||||
(см. рис. 12), при этом xy Rs |
c |
1. |
|
|
|
||||||||
Если сечение полки не изменяется, то проверку прочности по касательным и приведенным напряжениям производят в опорной зоне с максимальной поперечной силой и средним изгибающим моментом в соответствующей зоне.
29
Пример расчета. Требуется выполнить изменение сечения балки по длине путем уменьшения ширины полок на приопорных участках главной балки и произвести проверку прочности по касательным и приведенным напряжениям.
Решение:
Ширина полок уменьшенного сечения принимается
bf |
0,6bf |
0,6 30 18см . |
|
|
|
|
|
|
|
|
|
|
|
|
|
|
|
|
|
|
||||||||||||||||||||
Момент инерции сечения с уменьшенной полкой, см4 , |
|
|
|
|
|
|
|
|||||||||||||||||||||||||||||||||
|
|
|
tw hw3 |
|
|
|
|
|
|
|
|
|
hw t f |
2 |
|
|
1,1 125 3 |
|
|
|
|
125 |
1,8 2 |
|
||||||||||||||||
|
|
|
|
|
|
|
|
|
|
|
|
|
|
t f |
|
|
|
|
|
|
|
|
|
|
|
|
|
|
|
|
|
|
|
|
|
|
|
|
|
|
|
|
|
|
|
|
|
|
|
|
|
|
|
|
|
|
|
|
|
|
|
2 18 1,8 |
|
|
|
|
|
||||||||||||||
Ix |
12 |
|
2 bf |
|
|
2 |
|
|
|
12 |
|
2 |
|
|
||||||||||||||||||||||||||
|
|
|
|
|
|
|
|
|
|
|
|
|
|
|
|
|
|
|
|
|
|
|
|
|
|
|
|
|
|
|||||||||||
= 439 504 см4. |
|
|
|
|
|
|
|
|
|
|
|
|
|
|
|
|
|
|
|
|
|
|
|
|
|
|
|
|
|
|||||||||||
Момент сопрот влен я уменьшенного сечения |
|
|
|
|
|
|
|
|
|
|||||||||||||||||||||||||||||||
|
|
|
|
yцт |
|
|
|
|
|
|
|
|
|
|
|
|
|
|
|
|
|
|
3 |
|
|
|
|
|
|
|
|
|
|
|
|
|
|
|||
|
|
439504/64,3 6835см . |
|
|
|
|
|
|
|
|
|
|
|
|||||||||||||||||||||||||||
Wx |
Ix |
|
|
|
|
|
|
|
|
|
|
|
||||||||||||||||||||||||||||
С |
|
|
|
|
|
|
|
|
|
|
|
|
|
|
|
|
|
|
|
|
|
|
|
|
|
|
|
|
|
|||||||||||
Несущая спосо ность полного сечения |
|
|
|
|
|
|
|
|
|
|
|
|||||||||||||||||||||||||||||
М1 |
WxRy c = 9536·23,5·1 = 224 100 Н·см. |
|
|
|
|
|
|
|
|
|
|
|
||||||||||||||||||||||||||||
Несущая спосо ность уменьшенного сечения |
|
|
|
|
|
|
|
|
|
|
||||||||||||||||||||||||||||||
M2 |
Wх Ry c |
= 6814·23,5·1 = 160 620 Н·см. |
|
|
|
|
|
|
|
|
|
|
|
|||||||||||||||||||||||||||
и |
|
|
|
|
|
|
|
|
|
|
|
|
|
|
|
|
|
|
||||||||||||||||||||||
Вел ч на перехода от полной ширины полки к уменьшенной |
|
|
|
|
|
|||||||||||||||||||||||||||||||||||
|
|
5 (bf |
bf ) |
|
5 (30 18) |
30см. |
|
|
|
|
|
|
|
|
|
|
|
|||||||||||||||||||||||
|
|
|
|
|
2 |
|
|
|
|
|
|
|
2 |
|
|
|
|
|
|
|
|
|
|
|
|
|
|
|
||||||||||||
|
|
|
|
|
|
|
|
|
|
|
|
|
|
|
|
|
|
|
|
|
|
|
|
|
|
|
|
|
|
|
|
|
|
|
|
|
||||
Определение геометрических характеристик уменьшенного сечения балки |
||||||||||||||||||||||||||||||||||||||||
относительно оси х: |
|
|
|
|
|
|
|
|
|
|
|
|
|
|
|
|
|
|
|
|
|
|
|
|
|
|
|
|
|
|||||||||||
1. Момент инерции сечения с уменьшенной полкой |
|
|
|
|
|
|
|
|
|
|||||||||||||||||||||||||||||||
|
|
|
|
|
|
|
|
|
|
|
|
4 |
|
|
|
|
|
|
|
|
|
|
|
|
|
|
|
|
|
|
|
|
|
|
|
|
|
|
|
|
= 439 504 см . |
|
|
|
|
|
|
|
|
|
|
|
|
|
|
|
|
|
|
|
|
|
|
|
|
|
|
|
|||||||||||||
Ix |
|
|
|
|
|
|
|
|
|
|
|
|
|
|
|
|
|
|
|
|
|
|
|
|
|
|
|
|||||||||||||
2. Статический момент полусечения с уменьшенной полкой |
|
|
|
|
|
|||||||||||||||||||||||||||||||||||
|
|
|
|
|
t |
w |
h2 |
|
|
|
|
|
hw tf |
|
1,1 1252 |
|
125 1,8 |
|
|
|
3 |
|
|
|
||||||||||||||||
|
|
|
|
|
|
|
w |
|
|
|
|
|
|
|
|
|
|
|
|
|
|
|
|
|
|
|
|
|
|
|
|
|
|
|
|
|
|
|||
|
|
|
|
|
|
бА |
|
|
|
|
|
|
|
|||||||||||||||||||||||||||
|
|
|
|
|
|
|
|
|
|
|
|
|
|
|
|
|
|
|
|
|
|
|
|
|
|
18 1,8 |
|
|
|
4203см . |
|
|
||||||||
Sx nc |
|
|
|
8 |
|
|
bf tf |
2 |
|
|
|
|
|
8 |
|
|
2 |
|
|
|
|
|||||||||||||||||||
3. Статический момент полки уменьшенного сечения, см3, |
|
|
|
|
|
|||||||||||||||||||||||||||||||||||
|
|
|
Sx полки |
bf |
tf |
hw |
t f |
|
|
|
|
|
|
125 1,8 |
|
3 |
|
|
|
|
|
|
|
|
|
|||||||||||||||
|
|
|
|
|
|
|
|
|
18 1,8 |
|
|
2054см |
. |
|
|
|
|
|
|
|
|
|||||||||||||||||||
|
|
|
2 |
|
|
|
|
|
|
|
|
|
|
|
|
|||||||||||||||||||||||||
|
|
|
|
|
|
|
|
|
|
|
|
|
|
|
|
|
|
|
|
|
|
|
2 |
|
|
|
|
|
|
|
|
|
|
|
|
|||||
Проверка прочности главной балкиДпо касательным напряжениям при |
||||||||||||||||||||||||||||||||||||||||
действии максимальной поперечной силы в опорном сечении |
|
|
|
|
|
|
|
|||||||||||||||||||||||||||||||||
|
|
|
|
|
|
|
|
|
|
|
|
|
|
|
|
|
|
|
|
|
524,6 4203 |
|
|
|
|
|
|
|
|
|
|
|
|
|||||||
|
|
|
|
|
|
|
|
|
|
QmaxSx nc |
|
|
|
|
|
0,33 1. |
|
|
|
|
|
|
|
|||||||||||||||||
|
|
|
|
|
|
|
|
|
|
|
|
|
|
|
|
439 504 1,1 13,86 1 |
|
|
|
|
|
|
|
|||||||||||||||||
|
|
|
|
|
|
|
|
|
|
twRs c |
|
|
|
|
|
|
|
|
|
|
|
|||||||||||||||||||
|
|
|
|
|
|
|
|
|
|
Ix |
|
|
|
|
|
|
|
|
|
|
|
|||||||||||||||||||
Rs = 0,58Ryn/γm = 0,58·24,5/1,025 = 13,86 кН/см2 – расчетноеИсопротивление стали сдвигу. Прочность по касательным напряжениям обеспечена.
30