Напряжение в сечении при действии опорной реакции не должно превышать расчетного сопротивления сжатию:
|
Qmax |
Ry c, |
(54) |
|
|||
|
Aусл |
|
|
где Аусл = Aor + bw·tw – площадь сечения условного опорного стержня, см2; Aor = bor·tor – площадь сечения опорного ребра, см2; φ – коэффициент устойчивости принимается в зависимости от условной гибкости
стержня [1, табл. П.Д.1].
Сh |
|
|
|
|
|
Ry |
E , |
|
|
||||||||||||
|
|
|
|
|
|
|
|
|
|
|
|
|
|
|
|
||||||
здесь |
|
or |
г кость |
опорного |
|
стержня, при этом hor = hw; |
|||||||||||||||
|
|
||||||||||||||||||||
|
|
|
|
ix |
|
|
|
|
|
|
|
|
|
|
|
|
|
|
|
|
|
ix |
I |
усл.х |
рад ус |
|
|
|
|
|
|
условного опорного стержня относи- |
|||||||||||
|
|
|
|
|
|
|
|
|
|||||||||||||
|
A |
|
|
|
|
|
|
||||||||||||||
|
|
|
|
|
|
|
|
|
|
|
|
|
|
|
|
|
|
|
|
||
|
|
усл |
|
|
|
|
|
|
|
|
|
|
|
|
|
|
|
|
|
|
|
нерции |
|
|
|
|
|
|
|
|
|
|
|
|
|||||||||
тельно оси х, см; Iусл.x момент инерции условного опорного стержня |
|||||||||||||||||||||
относительно оси х |
|
|
|
|
|
|
|
|
|
|
|
|
|
|
|
|
|||||
|
|
|
|
|
|
|
Iусл.х |
|
|
b |
w |
t3 |
t |
b3 |
|
|
|||||
|
|
|
|
|
|
|
|
|
|
|
|
w |
|
|
|
or or |
, см4. |
||||
|
|
|
|
|
|
|
|
|
12 |
|
|||||||||||
|
|
|
|
|
|
|
|
|
|
|
|
|
|
|
12 |
|
|
||||
|
Если условие (54) не выполняется, необходимо увеличить раз- |
||||||||||||||||||||
меры опорного ребра. |
|
|
|
|
|
|
|
|
|
|
|
|
|
|
|
|
|||||
|
В месте опирания главной балки на кирпичную стену устанав- |
||||||||||||||||||||
|
|
|
|
бА |
|||||||||||||||||
ливаются парные опорные ребра на всю высоту стенки балки, по цен- |
|||||||||||||||||||||
тру площадки опирания. Ширина ребер принимается по ширине про- |
|||||||||||||||||||||
межуточных ребер жесткости, толщина ребер по толщине опорного |
|||||||||||||||||||||
ребра. |
|
|
|
|
|
|
|
|
|
Д |
|||||||||||
|
|
|
|
|
|
|
|
|
|
|
|
|
|||||||||
|
Пример расчета. Требуется определить размеры опорного ребра главной |
||||||||||||||||||||
балки. |
|
|
|
|
|
|
|
|
|
|
|
|
|
|
|
|
|
|
|
|
|
|
Решение: |
|
|
|
|
|
|
|
|
|
|
|
|
|
|
|
|
||||
|
Ширина опорного ребра назначается bоr 2br tw 2 85 9 179мм, |
||||||||||||||||||||
bor = 180 мм по ГОСТ 103–2006. |
|
|
|
|
|
|
|
|
|
|
|
|
И |
||||||||
|
Высота опорного ребра hor |
hw |
tf |
2,0 |
|
||||||||||||||||
|
= 1250 + 18 + 20 ≈ 1285 мм. |
||||||||||||||||||||
|
Толщина опорного ребра |
|
|
|
|
|
|
|
|
|
|
|
|
|
|||||||
|
|
|
|
|
t |
or |
|
Qmax |
|
|
|
524,6 |
|
0,83см, |
|||||||
|
|
|
|
|
|
|
|
|
|
|
|||||||||||
|
|
|
|
|
|
|
b |
R |
р |
|
c |
|
|
18 35,24 1 |
|||||||
|
|
|
|
|
|
|
|
or |
|
|
|
|
|
|
|
|
|
|
|||
принимаем tor = tw = 11 мм по ГОСТ 103–2006.
Принятое сечение опорного ребра балки проверяется на устойчивость относительно оси х как условного опорного стержня.
46
Ширина стенки bw 0,65 tw 
E
Ry 0,65 1,1 
20600
23,5 21,17см.
Площадь условного опорного стержня
Aусл Aor |
bw tw 18 1,1 21,17 1,1 43,1см 2. |
|||||||||||||||||||||||||||
Момент инерции условного опорного стержня относительно оси х |
||||||||||||||||||||||||||||
I |
усл.х |
|
bw tw3 |
|
|
|
torbor3 |
|
|
|
21,17 1,13 |
|
|
1,1 183 |
|
537 см4. |
||||||||||||
|
|
|
|
|
|
|
12 |
|
|
|
||||||||||||||||||
|
12 |
|
|
|
|
12 |
|
|
|
|
|
|
|
|
12 |
|
|
|||||||||||
Радиус инерции условного опорного стержня относительно оси х |
||||||||||||||||||||||||||||
|
|
|
|
|
|
|
|
|
|
|
|
|
|
|
|
|
|
|
|
|
|
|
|
|
||||
ix |
|
|
I усл.х |
|
|
|
|
|
|
|
|
3,53 см. |
|
|
|
|
|
|
|
|||||||||
|
|
|
|
|
537 |
|
|
|
|
|
|
|
|
|
||||||||||||||
|
|
|
|
|
|
|
|
|
|
|
|
|
|
|
|
|
|
|
|
|
|
|
|
|
|
|
||
|
|
|
|
|
|
Aусл |
|
|
|
|
|
|
43,1 |
|
|
|
|
|
|
|
|
|
|
|
|
|||
вости |
|
|
hor |
|
125 |
|
||||||||||||||||||||||
Г бкость опорного стержня |
|
|
|
|
|
35,4. |
||||||||||||||||||||||
С ix |
3,53 |
|
||||||||||||||||||||||||||
Условная г кость опорного стержня |
|
|||||||||||||||||||||||||||
|
|
|
|
|
|
б |
|
|||||||||||||||||||||
Ry |
|
E |
35,4 |
23,5 |
20600 1,2. |
|
||||||||||||||||||||||
Коэфф ц ент устойч |
|
|
φ = 0,927. |
|
||||||||||||||||||||||||
Проверка на устойч вость условного опорного стержня |
||||||||||||||||||||||||||||
|
|
Qmax |
|
524,6 |
13,13кН см2 Ry c 23,5кН см2 . |
|||||||||||||||||||||||
|
|
|
|
|
|
|
|
|
|
|
|
|||||||||||||||||
|
|
Aусл |
|
|
|
0,927 43,1 |
|
|
|
|
|
|
|
|
|
|||||||||||||
|
|
|
|
|
|
|
|
|
|
|
|
|
|
|
А |
|||||||||||||
Устойчивость о еспечена. |
|
|
|
|
|
|
|
|
||||||||||||||||||||
|
|
2.9. Расчет и конструирование монтажного стыка |
||||||||||||||||||||||||||
Монтажные стыки выполняются при монтаже на стройплощадке |
||||||||||||||||||||||||||||
|
|
|
|
|
|
|
|
|
|
|
|
|
|
|
|
|
|
|
|
|
Д |
|||||||
и предназначены для сопряжения отдельных отправочных элементов в готовую конструкцию балки.
В данной работе предлагается запроектировать один монтажный стык на высокопрочных болтах.
Располагается стык в средней трети балкиИна равном расстоянии от смежныхребер(взависимостиотрасчетнойсхемыбалки,см.рис.11).
Монтажный стык выполняется с накладками на высокопрочных болтах диаметром 20 мм (рис. 22).
Суммарная площадь поперечного сечения накладок должна быть не менее площади поперечного сечения перекрываемых элементов.
47
|
|
|
|
|
|
|
|
Изгибающий момент, дейст- |
||||||||||
|
|
|
|
|
|
вующий в стыке Мстыка (см. рис. 11), |
||||||||||||
|
|
|
|
|
|
распределяется |
между |
полками и |
||||||||||
С |
|
|
|
|
|
стенкой пропорционально их момен- |
||||||||||||
|
|
|
|
|
там инерции. |
|
|
|
|
|
||||||||
|
|
|
|
|
|
|
Поперечная сила Qстыка полно- |
|||||||||||
|
|
|
|
|
стью передается через стенку. |
|
||||||||||||
|
|
|
|
|
|
|
Изгибающий момент, воспри- |
|||||||||||
|
|
|
|
|
нимаемый полками, кН·см, |
|
||||||||||||
|
|
|
|
|
|
|
|
Мполок |
|
Мстыка Iхполок |
. |
(55) |
||||||
|
|
|
|
|
|
|
|
|
|
|||||||||
|
|
|
|
|
|
|
|
|
|
|
|
|
Iхбалки |
|
|
|
|
|
|
|
|
|
|
|
|
Изгибающий момент, воспри- |
|||||||||||
и |
|
|
|
|
||||||||||||||
|
|
нимаемый стенкой, кН·см, |
|
|||||||||||||||
|
|
|
|
|
Мстенки |
|
Мстыка Iхстенки |
|
(56) |
|||||||||
|
|
|
|
|
|
|||||||||||||
|
|
|
|
|
|
|
|
|
|
Iхбалки |
|
|
|
|
||||
|
|
|
|
|
|
|
|
|
|
или |
|
|
|
|
||||
|
|
|
|
|
|
|
|
|
|
|
|
|
|
|
|
|
|
|
Рис. 22. Схема расположения |
|
|
|
|
|
Мстенки Мстыка Мполок , |
|
|||||||||||
накладок монтажного стыка |
|
|
|
где |
|
Ix балки |
– |
момент |
инерции |
|||||||||
|
|
|
|
|
|
главной балки, |
определяемый |
по |
||||||||||
формуле (25), см4; Ix полок , Ix стенки – моменты инерции соответственно |
||||||||||||||||||
полок и стенки, см4, определяемые по формулам |
|
|
|
|
|
|||||||||||||
|
|
|
|
|
|
|
h |
w |
t |
2 |
|
|
|
|
|
|
|
|
|
|
|
|
|
|
|
|
|
f |
|
|
|
|
|
|
|
|
|
бА |
|
|
|
|
||||||||||||||
Iх полок |
2 bf |
tf |
|
|
2 |
|
; |
|
|
|
|
|
|
|
||||
|
|
|
|
|
|
|
|
|
|
|
|
|
|
|
|
|
|
|
I |
|
|
|
t |
|
h3 |
|
|
|
|
|
|
|
|
|
|
|
|
xстенки |
|
w |
|
w . |
|
|
|
|
|
|
|
|
|
|
|
|||
|
|
|
12 |
|
|
|
|
|
|
|
|
|
|
|
|
|||
Расчеты стыков полок и стенки выполняются раздельно. |
|
|||||||||||||||||
|
|
|
|
|
Д |
|
||||||||||||
|
Расчет стыка полок |
|
|
|
|
|
|
|
|
|||||||||
Полка балки перекрывается тремя накладкамиИ: одна верхняя и две нижние, ширина которых определяется по рис. 22.
Ширина верхней накладки bвн = bf.
Ширина нижней накладки bнн = (bf – tw – 2kf – 2 см)/2.
Толщина накладок определяется из условия равенства площадей перекрываемых и перекрывающих элементов:
bf tf (bвн tн 2bнн tн ),
48
отсюда tн |
|
bf tf |
|
и принимается по ГОСТу на листовую сталь. |
||||
b |
вн |
2b |
|
|||||
|
|
|
нн |
|
||||
Осевое продольное усилие, кН, передающееся через полку бал- |
||||||||
ки (рис. 23): |
|
|
|
|
|
|
|
|
С |
|
Nn |
Мполок |
, кН. |
(57) |
|||
|
|
|||||||
|
|
hw tf |
|
|||||
|
|
|
|
|
||||
и |
|
|||||||
|
|
|
Рис. 23. Схема к расчету усилий в полке |
|
||||
бА |
|
|||||||
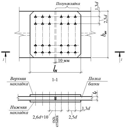
Количество n высокопрочных болтов определяется для полунакладки и должно быть округлено в большую сторону до четного зна-
чения [1, пп. 14.3.4] (рис. 24):
n |
Nп |
|
, |
k |
Д(58) |
||
Qbh b |
c |
|
|
где k – количество плоскостей трения, |
k = 2; γb – коэффициент усло- |
||
вий работы соединения, зависящий от количества п болтов, необхо- |
|||
димых для восприятия расчетного усилия, принимаемый равным: |
|||
0,8 при п <5; |
И |
||
0,9 при 5 ≤ п ≤10;
1,0 при п >10.
Qbh – расчетное усилие, которое может быть воспринято каждой плоскостью трения элементов, стянутых одним высокопрочным болтом, определяется по формуле [1, пп. 14.3.3, ф. (191)], кН;
49
Qbh |
Rbh Abn μ |
, |
(59) |
γh |
|||
здесь Rbh – расчетное сопротивление растяжению высокопрочного |
|||
болта, кН/см2, Rbh = 0,7∙ Rbun [1, п. 6.7]; |
Rbun – нормативное сопро- |
||
тивление стали болтов [1, табл. П.Г.8], |
кН/см2; μ – |
коэффициент |
|
С |
|
|
|
трения [1, табл.42], принимается в зависимости от способа обработки |
|||
соединяемых поверхностей; γh – коэффициент надежности [1,табл.42]; |
|||
Аbn – площадь сечен я болта нетто [1, табл. П.Г.9]. |
|
||
и |
|
|
|
бА |
|
||
|
Д |
||
|
|
И |
|
Рис. 24. Размещение болтов в стыке полок |
|
||
(d – диаметр отверстия для болтов)
Длина накладок на полку lн определяется исходя из условия размещения болтов.
Расстояния между центрами болтов и до краев элементов назначаются в зависимости от отверстия для болтов, которое принимается на 2 мм больше диаметра самого болта [1, табл. 40]. Размещаются болты в рядовом или шахматном порядке на минимальных расстояниях (см. рис. 24).
50