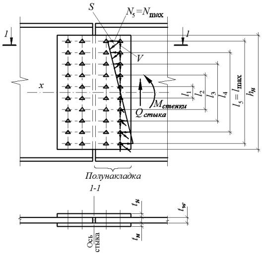
Расчет стыка стенки
тенка перекрывается вертикальными накладками с двух сторон
(рис. 22, 25).
Высота накладки равна h h 2k 2 см.
С н w f
и бА Д
Рис. 25. Размещение болтов в стыке стенки и схема усилий
Толщина накладок стенки tн определяется так же, как толщина накладок полки, т.е. из условия равенства площадей, перекрываемых
|
h t |
|
Иw w |
||
и перекрывающих элементов: hw·tw = 2∙hн·tн, откуда tн |
2 h |
и на- |
|
н |
|
значается по ГОСТ 82–70*или ГОСТ 103–2006.
Болты расставляются по высоте стенки симметрично относительно нейтральной оси х исходя из условия размещения болтов [1, табл. 40]. Число болтов должно быть четное, а шагов – нечетное.
Шаг болтов по ширине накладки принимается минимальным.
51
После расстановки болтов стык стенки проверяют на совместное действие изгибающего момента и поперечной силы, действующих в сечении стыка.
Изгибающий момент, приходящийся на стенку Мстенки , уравновешивается суммой внутренних пар усилий, действующих на болты, расположенные на полунакладке:
Мстенки Ni li m N1l1 N2l2 ... ,
где m – ч сло верт кальных рядов болтов на полунакладке; l1, l2 и т.д.
– расстоян е между парами болтов, расположенных симметрично относительно оси х (см. р с. 25).
|
Выражая все ус л я Ni через максимальное усилие Nmax, |
|
|||||||||
С |
l1 |
|
|
|
l2 |
|
|
|
|
||
|
|
N1 Nmax |
;N2 |
Nmax |
lmax |
и т.д. |
|
||||
|
|
|
lmax |
Nmaxm |
|
|
|
|
|||
получ м |
М |
|
l2 l |
2 ... |
. |
|
|||||
|
|
||||||||||
|
|
|
1 |
2 |
|
|
|
||||
стенкиl |
|
|
|
|
|
|
|
||||
|
|
|
|
max |
|
|
|
|
|
|
|
|
Отсюда макс мальное горизонтальное усилие от изгибающего |
||||||||||
момента, действующее на каждый крайний наиболее нагруженный |
|||||||||||
болт, |
|
|
Nmax Mстенкиl2max , |
|
|
|
|||||
|
|
|
|
|
(60) |
||||||
|
|
|
|
|
m li |
|
|
|
|
|
|
где т – количество вертикальных рядов болтов в полунакладке; |
|||||||||||
|
|
бА |
|
||||||||
тов шагов болтов. Д Кроме изгибающего балку момента в стыке действует попереч-
lmax – максимальное расстояние между крайними симметрично расположенными болтами, см; li – расстояние между парами болтов, распо-
ложенных симметрично относительно оси х, см; l2 |
сумма квадра- |
i |
|
И |
|
ная сила Qстыка, которая условно полностью передается на стенку и принимается равномерно распределенной на все болты, расположенные на полунакладке.
Вертикальное усилие от поперечной силы, приходящееся на один болт, равно
V |
Qстыка |
, |
(61) |
|
|||
|
п |
|
|
где п – число болтов на полунакладке, определяемое после конструирования стыка; Qстыка – поперечная сила в месте выполнения стыка
(см. рис. 11, г).
52
Проверка прочности для крайнего наиболее загруженного болта от изгибающего момента и поперечной силы выполняется по формуле
|
|
|
|
|
|
|
|
|
|
|
|
|
S |
Nmax2 |
V2 |
Qbh, |
|
|
(62) |
|||
где S – равнодействующая усилий в болте от момента и поперечной |
||||||||||||||||||||||
С |
|
|
|
|
|
|
|
|
|
|
|
|
|
|||||||||
силы. |
|
|
|
|
|
|
|
|
|
|
|
|
|
|
|
|
|
|
|
|
|
|
Если условие (62) не выполняется, необходимо увеличить коли- |
||||||||||||||||||||||
чество вертикальных рядов болтов m и повторить расчет. |
|
|
||||||||||||||||||||
Пр мер расчета. Требуется выполнить расчет монтажного стыка главной |
||||||||||||||||||||||
ки2 |
|
2 |
|
|
|
|||||||||||||||||
балки. |
|
|
|
|
|
|
|
|
|
|
|
|
|
|
|
|
|
|
|
|
|
|
Исходные данные: стык выполняется на высокопрочных болтах диамет- |
||||||||||||||||||||||
ром 20 мм |
з стали 40Х по ГОСТ Р 52643 в месте, где Мстыка |
= 2139 кН·м; |
||||||||||||||||||||
Qстыка = 14,6 кН. |
|
|
|
|
|
|
|
|
|
|
|
|
|
|
|
|||||||
|
|
|
|
|
бАМ I |
|
|
|||||||||||||||
Характер ст |
сечения |
алки в месте стыка: |
Ix балки = 613 149 см4; |
|||||||||||||||||||
|
|
|
|
|
|
|
|
hw |
tf |
2 |
|
|
|
125 1,8 2 |
|
4 |
|
|||||
Iх полок |
|
2 bf tf |
|
|
|
|
2 30 1,8 |
|
|
|
434113 см |
|
; |
|||||||||
|
|
|
|
|
|
|
|
|
|
|
|
|
|
|
|
|
|
|
|
|
||
|
|
|
|
|
|
|
|
|
|
|
|
|
|
|
|
|
|
|
|
|
||
Ixстенки |
|
|
t |
w |
h3 |
1,1 1253 |
179036см4 . |
|
|
|
|
|
||||||||||
|
|
|
12 |
|
|
12 |
|
|
|
|
|
|||||||||||
Решение: |
|
|
|
|
|
|
|
|
|
|
|
|
|
|
|
|||||||
Изгибающий момент, воспринимаемый полками, |
|
|
||||||||||||||||||||
|
Мполок |
Мстыка Iхполок |
|
213 900 434 113 151 442 кН см. |
|
|
||||||||||||||||
|
|
|
|
|
||||||||||||||||||
|
|
|
|
|
|
|
|
Iхбалки |
|
|
|
|
613149 |
|
|
|
|
|
|
|||
Изгибающий момент, воспринимаемый стенкой, |
|
|
||||||||||||||||||||
Мстенки |
|
стыка |
хстенки |
213900 179 036 62458 кН см. |
|
|
||||||||||||||||
|
|
|
|
|
|
|||||||||||||||||
|
|
|
|
|
|
|
|
|
Iхбалки |
|
|
|
|
613149 |
|
|
|
|
|
|||
|
|
|
|
|
|
|
|
|
|
|
|
|
|
Расчет стыка полок |
|
|
|
|||||
Полка балки перекрывается тремя накладками: одна верхняя и две ниж- |
||||||||||||||||||||||
|
|
|
|
|
|
|
|
|
|
|
|
|
|
|
|
|
|
|
И |
|||
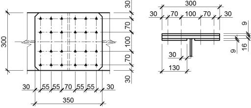
ние. Д Ширина верхней накладки bвн = bf. = 300 мм.
Ширина нижней накладки
bнн = (bf – tw – 2kf – 2)/2 = (30 – 1,1 – 2·0,4 – 2)/2 = 13,05 см.
Принимаем bнн = 130 мм по ГОСТ 103–2006.
Толщина накладок определяется из условия равенства площадей перекрываемых и перекрывающих элементов:
tн |
|
bf tf |
|
30 1,8 |
|
|
|
|
|
0,96 см . |
|
bвн 2bнн |
|
||||
|
|
|
30 2 13 |
||
Принимаем tн = 10 мм по ГОСТ 103–2006.
Осевое продольное усилие, передающееся через полку балки,
N |
n |
|
Мполок |
|
151442 |
1194кН. |
hw tf |
|
|||||
|
|
125 1,8 |
|
|||
53
Расчетное усилие, которое может быть воспринято каждой плоскостью трения элементов, стянутых одним высокопрочным болтом,
|
|
|
|
|
Qbh |
|
Rbh |
Abn μ |
|
|
75,46 2,45 |
0,42 |
69 ,33 кН . |
|
|
|
|
|
|
|
|
1,12 |
|
||||||
|
|
|
|
|
|
|
|
|
γh |
|
|
|||
где Rbh = 0,7∙ Rbun |
= 0,7·107,8 = 75,46 кН/см2; Аbn = 2,45 см2; μ = 0,42; γh = 1,12; |
|||||||||||||
способ обработки соединяемых поверхностей: газопламенный двух поверхно- |
||||||||||||||
С |
|
|
|
|
|
|
||||||||
стей без консервации. |
|
|
|
|
|
|
||||||||
|
|
Количество n высокопрочных болтов на полунакладку |
||||||||||||
n |
|
N |
п |
|
|
1194 |
|
|
10,56 шт. |
Принимаем n = 12 шт. |
||||
|
k Qbh b c |
|
|
2 69,33 0,9 1 |
|
|
||||||||
и |
|
|
||||||||||||
|
|
Размещен е болтов в стыке полок (размеры в мм). |
||||||||||||
|
|
|
|
бА |
||||||||||
|
|
Минимальное расстояние между центрами болтов: 2,5·d = 2,5·22 = 55 мм. |
||||||||||||
|
|
Минимальное расстояние до краев элементов: 1,3d = 1,3·22 = 28,6 мм, |
||||||||||||
принимаем 30 мм. |
|
|
|
|
|
|
||||||||
|
|
Длина накладок на полку lн = 2·30 + 4·55 + 70 = 350 мм. |
||||||||||||
|
|
|
|
|
|
|
|
|
Расчет стыка стенки |
|||||
|
|
Стенка перекрывается двумя вертикальными накладками. |
||||||||||||
|
|
Высота накладки равна hн |
|
|
И |
|||||||||
|
|
hw 2kf 2 125 2 0,4 2 122,2см. При- |
||||||||||||
нимаем 1200 мм. |
|
|
|
|
|
|
Д |
|||||||
|
|
Толщина накладок стенки tн |
|
|
||||||||||
tн |
hw tw |
|
|
125 1,1 |
0,57 см и принимаем tн = 6 мм по ГОСТ 82–70*. |
|||||||||
|
|
2 hн |
|
2 120 |
|
|
|
|
|
|
||||
Размещение болтов в стыке стенки (размеры в мм). Минимальное расстояние между центрами болтов: 2,5·d = 2,5·22 = 55 мм.
Максимальное расстояние между центрами болтов: не более 8·d = 8·22 = 176 мм и не более 12·t = 12·6 = 72 мм, принимаем 65 мм.
Минимальное расстояние от центра отверстия до края элемента: 1,3d = 1,3·22 = = 28,6 мм, принимаем 30 мм.
Максимальное расстояние от центра отверстия до края элемента: не более 4d = = 4·22 = 88 мм и не более 8·t = 8·6 = 48 мм, принимаем 48 мм.
54
С |
|
|
|
|
|
|
|
|
|
|
|
|
|
||
и |
|
|
|
|
|
|
|
|
|
|
|
||||
|
бА |
||||||||||||||
Длина накладок на стенку: 2·30 + 4·55 + 70 = 350 мм. |
|||||||||||||||
Максимальное горизонтальное усилие от изгибающего момента, дейст- |
|||||||||||||||
вующее на каждый крайний наиболее нагруженный болт |
|||||||||||||||
|
|
|
N |
|
M стенки lmax . |
И |
|||||||||
|
|
|
|
max |
|
|
|
m |
|
l2 |
|||||
|
|
|
|
|
|
|
|
|
|
||||||
|
|
|
|
|
|
|
|
|
|
|
i |
|
|
|
|
Nmax |
|
|
|
62458Д110,5 |
|||||||||||
3 6,52 19,52 32,52 45,52 |
|
58,52 71,52 84,52 97,52 110,52 |
56,19кН. |
||||||||||||
Вертикальное усилие от поперечной силы, приходящееся на один болт, |
|||||||||||||||
равно |
|
Qстыка |
|
|
|
14,6 |
|
|
|
|
|||||
|
|
|
V |
|
|
0,27кН. |
|||||||||
|
|
|
|
|
|
||||||||||
|
|
|
|
п |
|
|
|
54 |
|
|
|
|
|||
Равнодействующая усилий в крайнем наиболее нагруженном болте от мо- |
|||||||||||||||
мента и поперечной силы |
|
|
|
|
|
|
|
|
|
|
|
|
|
||
|
|
|
|
|
|
|
|
|
|
|
|||||
|
S |
Nmax2 V2 |
|
|
|
|
56,192 0,272 56,19кН. |
||||||||
S = 56,19 кН ˂ Qbh 69,33кН.
Прочность болтового соединения обеспечена.
55