3 |
+34,50 |
3 |
ВЕ-1 |
4840 |
ВЕ-2 |
|
60 |
50 |
1 |
|
1 |
60 |
|
50 |
60 |
2 |
50 |
|
|
|
60 |
|
50 |
|
1 - 1 |
|
|
|
|
|
40 |
|
|
|
220 |
|
|
|
40 |
50 |
|
460 |
50 |
120 |
40 |
40 |
120 |
|
|
2 - 2 |
|
|
|
|
40 |
|
|
|
220 |
|
|
|
40 |
50 |
|
460 |
50 |
120 |
40 |
40 |
120 |
2 |
|
|
|
|
|
3 - 3 |
|
|
|
|
50 |
|
|
|
1200 |
|
|
|
50 |
50 |
|
1200 |
50 |
Р и с у н о к

С
7
-
Развертка по вентиляционным

бло
кам с указанием размеров каналов
Расчет выполнен на примере трехкомнатных квартир. Планировочное решение квартир – аналогично рисунку В1.
С2.3 Результаты расчета требуемого воздухообмена
Расчетный воздухообмен квартир составляет:
- трехкомнатных - Lтрраб = 110 м3/ч; Lтрнер = 23 м3/ч;
- однокомнатных - Lтрраб = 110 м3/ч; Lтрнер = 16 м3/ч.
Расходы воздуха, удаляемого по каналам-спутникам, сборным каналам и вытяжной шахте приведены на рисунке С8.
С2.4 Определение располагаемых перепадов давлений для переходного периода года Располагаемый перепад давлений для условий переходного периода года рассчитываем по
формулам 5.8, 5.11, 5.12, принимая:
-плотность наружного воздуха ρн = 353/(273+5) = 1,270 кг/м3;
-плотность внутреннего воздуха ρint = = 353/(273+21) = 1,205 кг/м3;
56
- расстояние по вертикали от центра приточного вентиляционного устройства до устья вытяжной |
|||||||||||||||
шахты hр , по разности отметок. |
|
|
|
|
|
|
|
|
|||||||
В частности, для квартиры первого и десятого этажей : |
|
|
|
||||||||||||
Pр,11 эт = 33,84 9,81 (1,270 – 1,205) = 21,58 Па; |
|
|
|
|
|
||||||||||
Pр,210 эт 8,64 9,81 (1,270 – 1,205) = 5,51 Па. |
|
|
|
|
|
||||||||||
Результаты расчета располагаемых давлений по всем этажам приведены в таблице С5. |
|
||||||||||||||
|
|
|
ВЕ-1 |
|
60 м3/ч |
10 |
|
|
ВЕ-2 |
50 м3/ч |
10 |
8640 |
|
||
|
|
|
3 |
|
|
|
|
|
3 |
l = 3,49 м |
|
|
|||
91 |
|
|
|
l = 3,49 м |
91 |
|
|
|
|
||||||
|
60 м /ч |
|
l |
50 м /ч |
|
|
|
|
|
||||||
|
l = 6,29 м |
|
|
|
|
|
= 6,29 м |
|
|
|
|
|
|||
|
|
|
|
480 м3/ч |
9 |
|
|
|
|
400 м3/ч |
9 |
|
11440 |
Этаж 10 |
|
|
|
|
|
l = 6,34 м |
|
|
|
|
l = 6,34 м |
|
|||||
|
|
|
|
|
|
|
|
|
|
|
|
|
|
|
|
|
|
60 м3/ч |
420 м3/ч |
|
|
|
|
50 м3/ч |
350 м3/ч |
|
|
|
|
||
81 l |
= 2,8 м |
l = 2,8 м |
8 |
|
81 l = 2,8 м |
l = 2,8 м |
8 |
|
14240 |
Этаж 9 |
|||||
|
|
|
|
|
|
|
|
|
|
|
|
|
|
||
|
|
|
|
|
|
|
|
|
|
|
|
|
|
|
|
|
|
60 м3/ч |
360 м3/ч |
|
|
|
|
50 м3/ч |
300 м3/ч |
|
|
17040 |
|
||
71 l |
= 2,8 м |
l = 2,8 м |
7 |
|
71 l = 2,6 м |
l = 2,8 м |
7 |
|
Этаж 8 |
||||||
|
|
|
|
|
|
|
|
|
|
|
|
|
|
||
|
|
|
|
|
|
|
|
|
|
|
|
|
|
|
|
|
|
60 м3/ч |
|
|
6 |
|
|
|
50 м3/ч |
250 м3/ч |
6 |
|
|
|
|
61 l |
= 2,8 м |
|
|
|
61 l = 2,8 м |
l = 2,8 м |
|
19840 |
Этаж 7 |
||||||
|
|
|
|
|
|
|
|
|
|
|
|
|
|
||
|
|
|
|
|
|
|
|
|
|
|
|
|
|
|
|
|
|
60 м3/ч |
240 м3/ч |
|
|
|
|
50 м3/ч |
200 м3/ч |
|
|
|
|
||
51 l |
= 2,8 м |
l = 2,8 м |
5 |
|
51 l = 2,8 м |
l = 2,8 м |
5 |
|
22,640 |
Этаж 6 |
|||||
|
|
|
|
|
|
|
|
|
|
|
|
|
|
||
|
|
|
|
|
|
|
|
|
|
|
|
|
|
|
|
41 |
|
60 м3/ч |
180 м3/ч |
4 |
|
41 |
50 м3/ч |
150 м3/ч |
4 |
|
25440 |
|
|||
|
|
l |
= 2,8 м |
l = 2,8 м |
|
|
|
l = 2,8 м |
l = 2,8 м |
|
Этаж 5 |
||||
|
|
|
|
|
|
|
|
|
|
|
|
|
|
||
|
|
|
|
|
|
|
|
|
|
|
|
|
|
|
|
|
|
60 м3/ч |
120 м3/ч |
|
|
|
|
3 |
100 м3/ч |
|
|
|
|
||
31 l |
= 2,6 м |
3 |
|
31 |
50 м /ч |
3 |
|
28240 |
|
||||||
|
|
|
|
l = 2,8 м |
|
|
|
l = 2,8 м |
l = 2,8 м |
|
Этаж 4 |
||||
|
|
|
|
|
|
|
|
|
|
|
|
|
|
||
|
|
|
|
|
|
|
|
|
|
|
|
|
|
|
|
21 |
60 м3/ч |
|
|
|
|
21 |
50 м3/ч |
|
|
|
|
|
|||
|
|
l |
= 2,8 м |
60 м3/ч |
2 |
|
|
|
l = 2,8 м |
50 м3/ч |
2 |
|
31040 |
Этаж 3 |
|
|
|
|
|
l |
= 2,8 м |
|
|
|
|
|
l = 2,8 м |
|
|
||
|
|
|
|
|
|
|
|
|
|
|
|
|
|
|
|
1 |
|
60 м3/ч |
|
|
|
|
1 |
50 м3/ч |
|
|
|
33840 |
|
||
|
|
l |
= 2,8 м |
|
|
|
|
|
|
l = 2,8 м |
|
|
|
Этаж 2 |
|
|
|
|
|
|
|
|
|
|
|
|
|
|
|
|
|
|
|
|
|
|
|
|
|
|
|
|
Приточный |
|
|
||
|
|
|
|
|
|
|
|
|
|
|
клапан |
|
Этаж 1 |
||
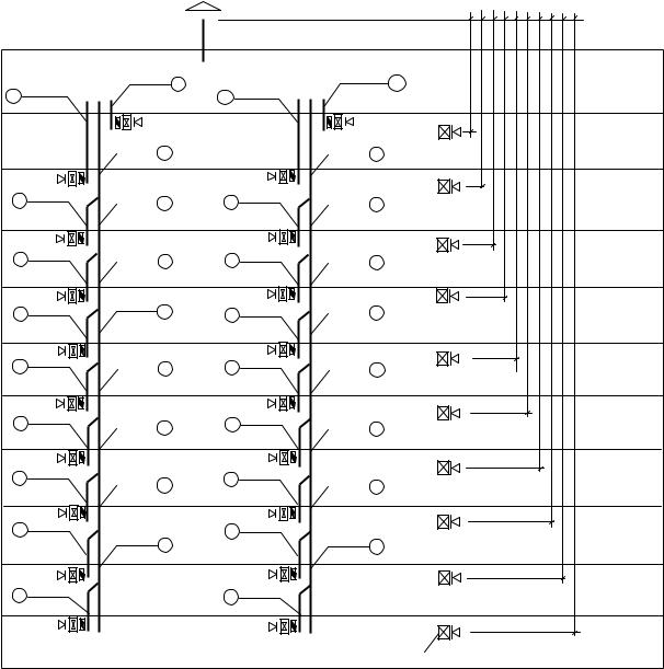
Р и с у н о к С8 - |
Расчетные схемы систем вентиляции ВЕ-1 и ВЕ-2 рядовой секции |
|
|||||||||||||
С2.5 Расчет потерь давления в вытяжных каналах при расчетной температуре наружного возду- |
|||||||||||||||
ха переходного периода и расчетных расходах воздуха |
|
|
|
|
|||||||||||
Определяем потери давления на трение и местные сопротивления в вытяжных каналах каждой |
|||||||||||||||
системы, задавая по всем участкам расчетные расходы воздуха |
|
|
|||||||||||||
Pпотв,i = ( Ri li i + zi ) ,
где li – длина i-го участка вентиляционного канала, м;
57
i – поправочный коэффициент, учитывающий шероховатость поверхности воздуховодов, принимаемый по приложению М;
Ri – удельные потери давления на трение на i-ом участке вытяжного канала, Па, определяемые по номограммам приложения Н с учетом приведения расчетных размеров вытяжных каналов к эквивалентному диаметру dэ (см. формулу С2).
zi – потери давления в местных сопротивлениях на i-ом участке вытяжного канала, Па, определяемые по формуле С3.
В частности, для участка 1 вытяжного канала первого этажа системы ВЕ-1:
-расход воздуха Lуд,1 = 60 м3/ч;
-длина участка l1 = 2,8 м;
-эквивалентный диаметр канала 120х220 мм - dэ = 2 0,12 0,22/ (0,12+0,22) = 0,155 м;
-скорость движения воздуха - 1 = 60/(3600 0,12 0,22) = 0,63 м/с;
-потери давление на трение (по номограмме Н1 приложения Н) - R1 = 0,052 Па/м;
-поправочный коэффициент, учитывающий шероховатость поверхности воздуховодов - 1 = 1,15;
-сумма коэффициентов местных сопротивлений (см. приложение И) - ζ I = 4,63 (вытяжной вентилятор с обратным клапаном ζ = 2,4; поворот с изменением сечения ζ = 1,03; вход в сборный канал
споворотом ζ = 1,2);
-потери давления на трение и местные сопротивления Pпотвыт,1 = 0,052 2,8 1,15+
(4,23 0,632/2) 1,205 = 1,18 Па.
Результаты расчета потерь давлений по остальным участкам вытяжного канала 1-го этажа приведены в таблице С6.
|
С2.6 Определение расхода приточного воздуха в квартирах |
|
|
|
|
|
|
||||||||||
|
Приток воздуха в рассчитываемых квартирах предусматривается через оконные вентиляцион- |
||||||||||||||||
ные клапаны и неплотности оконных блоков. |
|
|
|
|
|
|
|
|
|
||||||||
|
Характеристика приточных устройств и оконных блоков (зависимость расхода воздуха от пере- |
||||||||||||||||
пада давлений – по результатам испытаний) приведена на рисунке С9. |
|
|
|
|
|||||||||||||
|
По разности давлений между располагаемым давлением Pр и суммарными потерями давления |
||||||||||||||||
в вытяжных каналах для каждого этажа определяем долю располагаемого давления, под действием |
|||||||||||||||||
которого происходит приток воздуха Pпрj (см. формулу 5.15) |
|
|
|
|
|
|
|
||||||||||
|
|
|
|
|
|
|
Pпр j = Pр j - Pпотвыт, j . |
|
|
|
|
|
|
||||
а |
|
|
|
|
|
|
|
|
б |
|
|
|
|
|
|
|
|
L ок ,м3/ч |
|
|
|
|
|
|
|
Lкл , м3/ч |
|
|
|
|
|
|
|
||
|
|
|
|
|
|
|
|
|
40 |
|
|
|
|
|
|
|
|
5 |
|
|
|
|
|
|
|
4,35 |
30 |
|
|
|
|
|
|
|
|
|
|
|
|
|
|
|
|
|
|
|
|
|
|
|
|
||
|
|
|
|
|
|
|
|
|
|
|
|
|
|
|
|
|
|
|
|
|
|
|
|
|
|
3,23 |
|
|
|
|
|
|
|
|
|
3 |
|
|
|
|
|
|
2,77 |
|
20 |
|
|
|
|
|
|
|
|
n = tg = a/b = 0,676 |
|
|
|
2,15 |
|
|
|
|
|
|
|
|
|
||||
|
|
|
|
|
|
|
|
|
|
Регулировочная планка |
|
||||||
2 |
|
|
|
|
|
|
|
|
|
|
|
|
|
|
|||
|
|
|
|
|
1,61 |
|
|
|
|
|
|
|
полностью открыта |
|
|||
|
|
|
|
|
|
|
|
|
|
|
|
|
|
|
|
|
|
|
|
|
|
|
1,06 |
|
|
|
10 |
|
|
|
|
|
|
|
|
|
|
|
|
|
|
|
|
|
|
|
|
|
|
|
|
|
|
1 |
|
|
|
|
|
|
|
|
7 |
|
|
|
|
|
|
|
|
|
|
|
|
|
|
|
|
|
|
|
|
|
|
|
|
|
|
0,7 |
|
|
0,63 |
|
|
|
|
5 |
|
|
|
|
|
|
|
|
|
|
|
|
|
|
|
|
|
|
|
|
|
|
|
|
|||
0,5 |
|
|
|
|
|
|
|
|
4 |
|
|
|
|
|
|
|
|
|
|
|
|
|
|
|
|
|
3 |
|
|
|
|
|
|
|
|
0,3 |
|
|
|
|
|
|
|
|
|
|
|
|
|
|
|
|
|
0,2 |
|
|
|
|
|
|
|
|
2 |
|
|
|
|
|
|
|
|
|
|
|
|
|
|
|
|
|
|
|
|
|
Регулировочная планка |
|
|||
|
|
|
|
|
|
|
|
|
|
|
|
|
|
|
|||
|
|
|
|
|
|
|
|
|
|
|
|
|
|
полностью закрыта |
|
||
0,1 |
|
|
|
|
|
|
|
|
1 |
|
|
|
|
|
|
|
|
|
|
|
|
|
|
|
|
|
|
|
|
|
|
|
|
|
|
0,05 |
|
|
|
|
|
|
|
|
0,5 |
|
|
|
|
|
|
|
100 P, Па |
2 |
3 |
5 |
7 |
10 |
20 |
30 |
50 70 |
100 P, Па |
2 |
3 |
5 |
7 |
10 |
20 |
30 |
50 70 |
|
|
|
|
|
|
|
|
|
|
|||||||||
Р и с у н о к |
С9 - |
Зависимость расхода воздуха от перепада давлений через оконные блоки (а) |
|||||||||||||||
и через оконные вентиляционные клапаны (б) рассчитываемых квартир |
|
|
|
||||||||||||||
58
Т а б л и ц а С5 – Результаты расчета располагаемого давления по этажам здания системы ВЕ-1
№ |
hр , |
tв, |
tн , |
ρв, |
ρн , |
v, |
Pр |
|
этажа |
м |
оС |
оС |
кг/м3 |
кг/м3 |
м/с |
Па |
|
1 |
33,84 |
|
|
|
|
|
21,58 |
|
2 |
31,04 |
|
|
|
|
|
19,79 |
|
3 |
28,24 |
|
|
|
|
|
18,01 |
|
4 |
25,44 |
|
|
|
|
|
16,22 |
|
5 |
22,64 |
21,0 |
5,0 |
1,205 |
1,270 |
0 |
14,44 |
|
6 |
19,84 |
12,65 |
||||||
|
|
|
|
|
||||
7 |
17,04 |
|
|
|
|
|
10,87 |
|
8 |
14,24 |
|
|
|
|
|
9,08 |
|
9 |
11,44 |
|
|
|
|
|
7,29 |
|
10 |
8,64 |
|
|
|
|
|
5,51 |
Т а б л и ц а С6 – Результаты расчета потерь давления при движении воздуха из квартир некоторых этажей системы ВЕ-1
№ |
Li, |
li , |
ai х bi , |
i, |
dэ, |
|
Ri , |
Ri li i |
i |
Z , |
Pпотв,i, |
участка |
м3/ч |
м |
м/с |
м |
|
Па/м |
, |
Па |
Па |
||
|
|
|
м |
|
|
|
|
Па |
|
|
|
1 |
2 |
3 |
4 |
5 |
6 |
|
7 |
8 |
9 |
10 |
11 |
|
|
|
|
Первый этаж |
|
|
|
|
|
||
1 |
60 |
2,8 |
0,12х0,22 |
0,63 |
0,155 |
|
0,052 |
0,17 |
4,63 |
1,11 |
1,28 |
2 |
60 |
2,8 |
0,46х0,22 |
0,16 |
0,298 |
|
0,002 |
0,01 |
0,52 |
0,01 |
0,01 |
3 |
120 |
2,8 |
0,46х0,22 |
0,33 |
0,298 |
|
0,008 |
0,02 |
0,52 |
0,03 |
0,06 |
4 |
180 |
2,8 |
0,46х0,22 |
0,49 |
0,298 |
|
0,015 |
0,05 |
0,52 |
0,08 |
0,12 |
5 |
240 |
2,8 |
0,46х0,22 |
0,66 |
0,298 |
|
0,026 |
0,08 |
0,52 |
0,14 |
0,22 |
6 |
300 |
2,8 |
0,46х0,22 |
0,82 |
0,298 |
|
0,037 |
0,12 |
0,52 |
0,21 |
0,34 |
7 |
360 |
2,8 |
0,46х0,22 |
0,99 |
0,298 |
|
0,052 |
0,18 |
0,52 |
0,31 |
0,48 |
8 |
420 |
2,8 |
0,46х0,22 |
1,15 |
0,298 |
|
0,07 |
0,25 |
0,52 |
0,42 |
0,66 |
9 |
480 |
6,34 |
0,46х0,22 |
1,32 |
0,298 |
|
0,09 |
0,72 |
1,00 |
1,05 |
1,77 |
11 |
4840 |
2,5 |
1,20х1,20 |
0,93 |
1,200 |
|
0,008 |
0,02 |
1,5 |
0,79 |
0,81 |
|
|
|
Pпотвыт,i = |
|
|
|
|
5,76 |
|||
|
|
|
|
Пятый этаж |
|
|
|
|
|
||
51 |
60 |
2,8 |
0,12х0,22 |
0,63 |
0,155 |
|
0,052 |
0,17 |
4,43 |
1,06 |
1,23 |
6 |
300 |
2,8 |
0,46х0,22 |
0,82 |
0,298 |
|
0,037 |
0,12 |
0,52 |
0,21 |
0,34 |
7 |
360 |
2,8 |
0,46х0,22 |
0,99 |
0,298 |
|
0,052 |
0,18 |
0,52 |
0,31 |
0,48 |
8 |
420 |
2,8 |
0,46х0,22 |
1,15 |
0,298 |
|
0,07 |
0,25 |
0,52 |
0,42 |
0,66 |
9 |
480 |
7,19 |
0,46х0,22 |
1,32 |
0,298 |
|
0,09 |
0,82 |
1,00 |
1,05 |
1,87 |
11 |
4840 |
2,5 |
1,20х1,20 |
0,93 |
1,200 |
|
0,008 |
0,02 |
1,5 |
0,79 |
0,81 |
|
|
|
|
|
|
|
|
|
Pпот |
выт,i = |
5,40 |
|
|
|
|
Десятый этаж |
|
|
|
|
|
||
51 |
60 |
3,49 |
0,12х0,22 |
0,63 |
0,155 |
|
0,052 |
0,21 |
3,60 |
0,86 |
1,07 |
11 |
4840 |
2,5 |
1,20х1,20 |
0,93 |
1,200 |
|
0,008 |
0,02 |
1,5 |
0,79 |
0,81 |
|
|
|
|
|
|
|
|
|
Pпотвыт,i= |
1,89 |
|
Т а б л и ц а С7 – Результаты расчета воздухообмена в трехкомнатных квартирах по этажам здания с оконными вентиляционными клапанами EMM 3-30
№ |
Pр , |
Pпотвыт ,Па |
Pпр , Па |
Pпррасч, |
Lклап , |
Lок , |
Lпр , |
||
этажа |
Па |
ВЕ-1 |
ВЕ-2 |
ВЕ-1 |
ВЕ-2 |
Па |
м3/ч |
м3/ч |
м3/ч |
1 |
21,58 |
5,76 |
4,25 |
15,82 |
17,32 |
15,82 |
33,0 |
0,93 |
108 |
2 |
19,79 |
4,88 |
3,40 |
14,91 |
16,40 |
14,91 |
32,0 |
0,89 |
105 |
3 |
18,01 |
4,83 |
3,36 |
13,18 |
14,65 |
13,18 |
29,5 |
0,81 |
97 |
4 |
16,22 |
4,70 |
3,27 |
11,52 |
12,95 |
11,52 |
27,0 |
0,74 |
89 |
5 |
14,44 |
4,48 |
3,12 |
9,95 |
11,31 |
9,95 |
26,0 |
0,67 |
85 |
6 |
12,65 |
4,15 |
2,88 |
8,50 |
9,77 |
8,50 |
24,0 |
0,59 |
78 |
7 |
10,87 |
3,66 |
2,55 |
7,20 |
8,32 |
7,20 |
22,0 |
0,53 |
71 |
8 |
9,08 |
3,00 |
2,09 |
6,08 |
6,99 |
6,08 |
20,0 |
0,47 |
65 |
9 |
7,29 |
2,05 |
1,78 |
5,24 |
5,51 |
5,24 |
18,0 |
0,42 |
58 |
10 |
5,51 |
1,89 |
1,62 |
3,62 |
3,89 |
3,62 |
15,0 |
0,32 |
48 |
59
|
В частности, для вытяжной системы ВЕ-1 квартиры 1-го этажа: Pпр 1, ВЕ-1= 21,58 – 5,76 = 15,82 |
|||||
Па. Для вытяжной системы ВЕ-2 квартиры 1-го этажа: Pпр 1, ВЕ-2 = 21,58 – 4,25 = 17,32 Па. |
||||||
|
Соответственно для вытяжной системы ВЕ-1 квартиры 10-го этажа: Pпр 10, ВЕ-1= 5,51 – 1,89 = |
|||||
3,62 Па. Для вытяжной системы ВЕ-2 квартиры 10-го этажа: Pпр 10, ВЕ-2 = 5,51– 1,62 = 3,89 Па. |
||||||
|
Результаты расчета величин Pпррасч для квартир различных этажей приведены в таблице С7. |
|||||
|
В качестве расчетного перепада давлений, приходящегося на преодоление аэродинамического |
|||||
сопротивления приточных клапанов и окон, принимаем наименьшее значение Pпр j : |
||||||
|
- для 1-го этажа - Pпр1эт = 15,82 Па; |
|||||
|
- для 10-го этажа - Pпр10эт = 3,62 Па. |
|||||
|
По полученным значениям Pпр и характеристикам оконных блоков и приточных устройств (см. |
|||||
рисунок С4) определяем: |
|
|
||||
|
- Lклап1эт = 33,0 м3/ч; Lок1эт = 0,93 м3/(ч м2); |
|||||
|
- Lклап10эт = 15,0 м3/ч; Lок10эт = 0,32 м3/(ч м2). |
|||||
|
Соответственно, расчетный расход приточного воздуха с учетом площади оконных блоков и |
|||||
количества приточных вентиляционных устройств (три клапана в каждой квартире) Lпр составит: |
||||||
|
- Lпр1эт = 33,0 3 + 0,93 10,2 |
м3/(ч м2) = 108 м3/ч; |
||||
|
- Lпр10эт = 15,0 3 + 0,32 10,2 |
м3/(ч м2) = 48 м3/ч. |
||||
|
Результаты расчета приточного воздуха по рассчитываемым квартирам приведены в таблице С7. |
|||||
|
Сопоставление результатов расчета Lпр и требуемого воздухообмена Lтрраб показывает, что в |
|||||
переходный период требуемый воздухообмен обеспечивается только на 1-ом и 2-ом этаже. На верх- |
||||||
них этажах необходимо включение вытяжных вентиляторов. |
||||||
|
С2.7 Подбор вентиляторов на расчетные условия летнего периода |
|||||
|
Подбор вентиляторов производим на климатические условия летнего периода (при равенстве |
|||||
расчетных температур наружного и внутреннего воздуха). |
||||||
|
Максимальный перепад давлений, требуемый для преодоления потерь давления в вытяжных |
|||||
каналах и приточных клапанах определяем по формуле 5.15 СТО с учетом P р = 0 Па |
||||||
|
|
|
|
|
Pвенвыт =1,1 ( Pпотвыт + Pпр - Pр ) |
|
|
Наихудшие условия наблюдаются для квартиры первого этажа (наибольшие потери давления |
|||||
в вытяжных каналах - Pпотвыт,1 = 5,76 Па – см. таблицу С6). |
||||||
|
Для обеспечения требуемого воздухообмена величина Pпр должна составлять ~ 16 Па. По |
|||||
графикам рисунка С9 при Pпр = 16 Па Lклап1эт = 33,5 м3/ч, Lок1эт = 0,93 м3/(ч м2). Соответственно |
||||||
Lпр1эт = 26 3 + 0,63 10,2 |
м3/(ч м2) = 110 м3/ч; |
|||||
|
Таким образом, для вытяжного канала первого этажа системы ВЕ-1 |
|||||
|
|
|
|
|
Pвенвыт =1,1 (5,76 + 16 - 0) ≈ 23,9 Па. |
|
|
Подбираем по заводским характеристикам вентиляторы, обеспечивающие расход воздуха Lвен |
|||||
= 60 м3/ч (для кухни) и Lвен = 50 м3/ч (для санузла) при давлении 23,9 Па. |
||||||
|
Данным условиям соответствует малошумный вентилятор «VENTS 100 М3 Турбо». Характери- |
|||||
стика и внешний вид вентилятора приведены на рисунке С10. Регулирование расхода удаляемого |
||||||
воздуха предусмотрено конструкцией вентилятора. |
||||||
а |
Pвен , Па |
|
|
|
|
б |
|
40 |
|
|
|
|
|
|
|
|
|
|
VENTS 100 М3 турбо |
|
|
30 |
|
|
|
|
|
|
20 |
|
|
|
|
|
|
10 |
|
|
|
|
|
|
0 |
20 |
40 |
60 |
80 |
100 Lвен, м3/ч |
|
0 |
|||||
|
Р и с у н о к С10 - Характеристика (а) и внешний вид (б) осевого вентилятора VENTS 100 М3 Турбо |
|||||
60 |
|
|
|
|
|
|