Задание. Определить ветровые нагрузки на здание прямоугольное в плане со сводчатым покрытием с использованием СП20.13330.2011 «Нагрузки и воздействия» [1].
|
|
|
|
|
|
|
|
|
|
Исходные данные |
|
|
|
|
|
|
|
|
|
|
|
||||||
СипокрытиебАДИ(см. рис.6). |
|||||||||||||||||||||||||||
|
|
В задании предлагается определить величину расчетных |
|||||||||||||||||||||||||
|
ветровых нагрузок на здание на основе условной схемы (рис.5), |
||||||||||||||||||||||||||
|
задан е выполняется на основе вариантов исходных данных. |
|
|
|
|
||||||||||||||||||||||
|
|
|
|
|
3м |
|
|
|
Рис. 5. Схема здания |
|
|
|
(d) |
|
|
|
|
|
|
||||||||
|
|
|
|
|
|
|
Варианты исходных данных задания |
|
|
|
|
|
|
||||||||||||||
|
№ варианта |
|
1 |
2 |
3 |
4 |
5 |
|
6 |
7 |
8 |
|
9 |
10 |
11 |
12 |
13 |
|
14 |
15 |
16 |
|
17 |
||||
|
Исходные |
|
|
|
|
|
|||||||||||||||||||||
|
|
|
|
|
|
|
|
|
|
|
|
|
|
|
|
|
|
|
|
|
|
|
|
|
|
|
|
|
данные |
|
|
|
|
|
|
|
|
|
|
|
|
|
|
|
|
|
|
|
|
|
|
|
|
|
|
|
l, м |
|
37 |
39 |
42 |
45 |
48 |
|
51 |
54 |
57 |
|
60 |
58 |
54 |
52 |
49 |
|
46 |
43 |
40 |
|
36 |
||||
|
f, м |
|
9 |
9 |
10 |
10 |
12 |
|
13 |
12 |
13 |
|
14 |
13 |
15 |
12 |
13 |
|
13 |
12 |
11 |
|
10 |
||||
|
h1, м |
|
9 |
9 |
9 |
|
9 |
9 |
|
9 |
9 |
9 |
|
9 |
9 |
9 |
9 |
9 |
|
9 |
9 |
9 |
|
9 |
|||
|
Район |
|
II |
|
I |
III |
IV |
VI |
V |
VII |
II |
|
I |
III |
IV |
VI |
|
V |
|
VII |
II |
III |
|
I |
|||
|
проектирования |
|
|
|
|
|
|||||||||||||||||||||
|
|
|
|
|
|
|
|
ПОРЯДОК РАСЧЕТА |
|
|
|
|
|
|
|
|
|
|
|
||||||||
|
1. Выполнить схему здания по рис. 5 с указанием габаритных размеров. |
||||||||||||||||||||||||||
2. |
Определить |
аэродинамические |
коэффициенты |
|
на |
|
стены |
и |
|||||||||||||||||||
3. Определить расчетную ветровую нагрузку на поперечник здания wm на 1 м2.
4. Определить расчетную ветровую нагрузку на поперечник здания wm на 1 п.м.
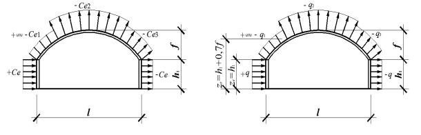
5. Построить эпюры распределения аэродинамических коэффициентов и ветровой нагрузки на покрытие и стены здания с наветренной и подветренной сторон. Пример построения эпюры на рис. 6.
41
СибАДИР с. 6. Пр мер построения эпюры распределения ветровой нагрузки
Работа сдается на рассмотрение в виде письменного отчета. В отчете представляются: исходные данные, схемы, алгоритм расчета,
результаты расчета.
Практическое занятие №7
ВЕТРОВЫЕ НАГРУЗКИ НА ЗД НИЕ КРУГЛОЕ В ПЛАНЕ С КУПОЛЬНЫМ ПОКРЫТИЕМ
Цель: прио ретение навыков работы с нормативным
документом СП20.13330.2016 «Нагрузки и воздействия» [1] при расчете ветровых нагрузок на здание круглое с купольным покрытием.
ОБЩИЕ СВЕ ЕНИЯ
Расчет ветровой нагрузки wm (кгс/м2) производится по п.11 и
приложению Д.1.4 [1]. Аэродинамические коэффициенты для
покрытия принимаются по рисунку .6[1].
Для построения эпюры ветровой равномерно распределенной нагрузки дуга покрытия делится радиальными прямыми на четное
равное количество частей (например: 16).
Значения коэффициентов е в точках А и С, а также в
сечении ВВ приведены |
на рисунке Д.6[1]. Для промежуточных |
сечений коэффициенты |
определяются линейной интерполяцией. |
42
С |
|
|
|
|
|
|
|
|
|
|
|
|
|
|
|
|
|
|
|
|||
|
и |
|
|
|
|
|
|
|
|
|
|
|
|
|
|
|
|
|||||
|
б |
|
|
|
|
|
|
|
|
|
|
|
|
|
||||||||
|
|
|
|
А |
|
|
|
|
|
|
|
|
|
|||||||||
|
|
|
|
|
|
|
Д |
|
|
|
|
|
||||||||||
|
|
|
|
|
|
|
Рис. Д.6[1] |
|
|
|
|
|
|
|
|
|
|
|
|
|
||
|
Задание. Определить ветровые нагрузки на здание круглое в плане с |
|
|
|||||||||||||||||||
|
купольным |
покрытием с использованием СП20.13330.2012 «Нагрузки и |
|
|
||||||||||||||||||
|
воздействия». |
|
|
|
|
|
|
|
|
И |
||||||||||||
|
|
|
|
|
|
Исходные данные |
|
|
|
|
|
|
|
|
|
|
||||||
|
В задании предлагается определить величину расчетных |
|
|
|||||||||||||||||||
|
ветровых нагрузок на покрытие здания на основе условной схемы, |
|
|
|||||||||||||||||||
|
построить эпюры распределения аэродинамических коэффициентов |
|
|
|||||||||||||||||||
|
(рис.7) и ветровой нагрузки на покрытие (рис. 8). |
|
|
|
|
|
|
|
|
|
||||||||||||
|
|
|
|
Варианты исходных данных задания |
|
|
|
|
|
|
|
|||||||||||
|
|
|
|
|
|
|
|
|
|
|
|
|
|
|
|
|
|
|
|
|
|
|
|
№ варианта |
1 |
2 |
3 |
4 |
5 |
6 |
7 |
8 |
9 |
|
10 |
11 |
12 |
13 |
14 |
|
15 |
16 |
|
17 |
|
|
Исходные |
|
|
|
|
|||||||||||||||||
|
|
|
|
|
|
|
|
|
|
|
|
|
|
|
|
|
|
|
|
|
|
|
|
данные |
|
|
|
|
|
|
|
|
|
|
|
|
|
|
|
|
|
|
|
|
|
|
l, м |
41 |
46 |
52 |
55 |
60 |
58 |
55 |
57 |
44 |
|
50 |
56 |
62 |
54 |
50 |
|
49 |
56 |
|
59 |
|
|
f, м |
20 |
22 |
24 |
26 |
20 |
22 |
24 |
26 |
20 |
|
22 |
24 |
26 |
20 |
22 |
|
24 |
26 |
|
20 |
|
|
Район |
II |
I |
III |
IV |
VI |
V |
VII |
II |
I |
|
III |
IV |
VI |
V |
VII |
|
II |
III |
|
I |
|
|
проектирования |
|
|
|
|
|||||||||||||||||
43
|
|
ПОРЯДОК РАСЧЕТА |
|
|
|
|
|||
1. |
Выполнить схему здания с указанием габаритных размеров. |
||||||||
2. Определить |
аэродинамические коэффициенты на покрытие и |
||||||||
|
построить схему распределения по поверхности здания (см. рис.7). |
||||||||
3. |
Определить расчетную ветровую нагрузку на здание wm на 1 м2 и |
||||||||
С |
|
В |
|
|
|
|
|||
|
построить схему распределения по поверхности здания (см. рис.8). |
||||||||
|
Работа сдается на рассмотрение в виде письменного отчета. В |
||||||||
отчете представляются: исходные данные, схемы, алгоритм расчета, |
|||||||||
и |
|
|
|
|
|
|
|
||
результаты расчета. |
|
|
|
|
|
|
|
||
|
б |
|
|
|
|
||||
|
А |
А |
|
|
|
|
|||
|
|
С |
|
||||||
|
|
|
|
|
|
|
|||
|
|
|
|
|
|
|
|
||
|
|
|
|
|
|
|
|
|
|
|
|
|
|
|
Д |
||||
|
|
|
В |
||||||
|
|
|
|
И |
|||||
|
А |
|
|
|
|||||
|
|
|
|
||||||
|
|
|
|
|
С |
|
|
||
|
|
|
|
|
|
|
|||
|
|
|
|
|
|
|
|
|
|
В
Рис. 7. Пример построения эпюры распределения аэродинамических коэффициентов.
44
В
СибАДИА ВВ С С 2
8. Пример построения эпюры распределения ветровой нагрузки, кН/м
.
Рис
45