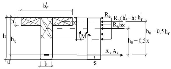
Условие прочности таврового расчетного сечения (x > hf )
выводится из анализа расчетной схемы (рис. 12).
Рис. 12. Расчетная схема при x > hf
Условие прочности формируется из уравнения равновесия ΣМs = 0:
M Rbbx(h0 0,5x) Rb(bf b)hf |
(h0 0,5hf ) |
(14) |
или |
|
|
M Rbbh02 α Rb(bf b)hf (h0 |
0,5hf ), |
(15) |
где высота сжатой зоны определяется из уравнения равновесия ΣN=0: |
||
Rbbx Rs As Rb(bf b)hf . |
(16) |
|
Задача «Подбор арматуры»
Дано: b, h, bf , hf , Rb, Rs и М.
Найти: Аs. Решение.
1.Устанавливаем граничные значения ξR и αR.
2.Ориентировочно задаемся параметром а и определяем рабочую высоту h0 = h – a.
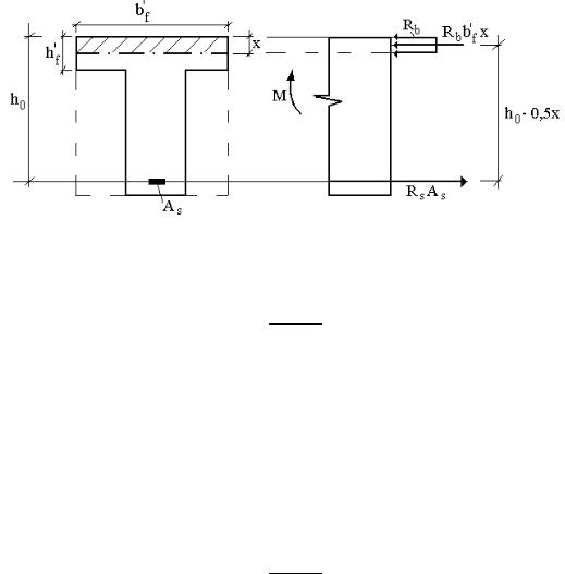
3.Определяем случай расчета; из (13), если M Rbbf (h0 0,5hf ),
граница сжатой зоны в полке; рассматриваем прямоугольное сечение с b bf .
4.Моментный коэффициент
α M/(Rbbf h02 ) αR ,
если α > αR, корректируем исходные данные.
23
Рис. 13. Расчетная схема для M Rbbf (h0 0,5hf )
5.Относительная высота сжатой зоны
ξ1 
1 2α ξR ,
если ξ > ξR – ошибка в вычислениях.
6.Требуемая арматура (х = ξh0)
Аs mp =Rbb'fξh0/Rs.
7.Если M Rbbf hf (h0 0,5hf ), граница сжатой зоны в ребре,
расчетное сечение тавровое.
8.Из (15) α (M Rb(bf b)hf (h0 0,5hf ))/(Rbbh02 ) αR,
если α > αR, корректируем исходные данные.
9.Относительная высота сжатой зоны
ξ1 
1 2α ξR ,
если иначе, то ошибка в расчетах.
10.Из (16) требуемое количество арматуры (х = ξh0)
As mp (Rbbx Rb(bf b)hf )/Rs.
11.Подбираем необходимое количество арматуры с Аs ≥ As тр.
12.Размещаем принятую арматуру в сечении, уточняем параметр
аи выполняем проверку прочности.
Задача «Проверка прочности»
Дано: b, h, bf , hf , a, As, Rb, Rs и М .
Проверить прочность, выполнение условия М ≤ Мu.
Решение.
1.Устанавливаем граничное значение ξR.
2.Определяем рабочую высоту h0 = h – a.
24
3.Выявляем случай расчета, из (12), если Rs As Rbbf hf , граница сжатой зоны в полке (х ≤ hf ); рассматриваем прямоугольное сечение с b bf (расчетную схему см. выше).
4.Определяем высоту сжатой зоны:
x Rs As /(Rbbf |
) hf (должно быть). |
5. Находим относительную высоту сжатой зоны:
ξ x/h0 ξR ,
если ξ ξR , принимаем уменьшенное (для надежности) значение высоты сжатой зоны:
xxR ξR h0.
6.Определяем несущую способность:
Mu Rbbf x(h0 0,5x).
7.Если Rs As Rbbf hf , граница сжатой зоны в ребре, расчетное
сечение |
тавровое. |
|
|
8. Из (5) высота сжатой зоны |
|
||
x |
Rs As Rb(bf |
b)hf |
hf (должно быть). |
Rb b |
|
||
|
|
|
|
9. Относительная высота сжатой зоны
ξ x/h0 ξR ,
если ξ ξR , принимаем уменьшенное (для надежности) значение
xxR ξR h0.
10.Несущую способность получаем по (14):
Mu Rbbx(h0 0,5x) Rb(bf b)hf (h0 0,5hf ). 11. Итогом по обоим случаям является проверка прочности:
если М ≤ Мu прочность обеспечена, иначе нет.
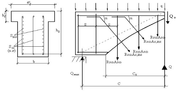
1.5. Расчет прочности наклонных сечений на действие поперечной силы
Опорные части изгибаемых элементов характерны совместным действием поперечных сил и изгибающих моментов, образованием наклонных трещин в соответствии с траекториями главных растягивающих и главных сжимающих напряжений. Преобладающее действие поперечной силы характеризуется тем, что наибольшее раскрытие трещин наблюдается в уровне нейтральной оси (рис. 14).
25
Поперечная сила вызывает разрушение элемента от сдвига (среза) опорного и пролетного блоков (рис. 15).
Разрушение внезапное, неконтролируемое, поэтому по I группе предельных состояний обязателен расчет прочности наклонных сечений на действие поперечной силы.
Рассмотрим расчетную схему наклонного сечения балки таврового профиля, армированной продольной, наклонной (Sinc) и поперечной (S ) арматурой (рис. 16).
Рис. 14. Эпюры нормальных и касательных напряжений
Рис. 15. Характер разрушения опорного участка от сдвига
26
Рис. 16. Расчетная схема наклонного сечения
С – проекция опасного наклонного сечения; пролет среза; С0 – проекция опасной наклонной трещины;
Q – поперечная сила от внешней нагрузки, расположенной по одну
сторону от наклонного сечения:
Q = Qmax – q . C;
Qb – поперечное усилие, воспринимаемое бетоном сжатой зоны при срезе;
S – шаг поперечной арматуры;
Rs As усилие, воспринимаемое поперечными стержнями одной поперечной плоскости; Asω As 1 n (As 1 – площадь поперечного сечения одного хомута);
Rs As, inc – усилие, воспринимаемое наклонными стержнями.
Условие прочности наклонного сечения формируется из уравнения равновесия Σ верт = 0:
|
|
|
Q Qb Rsω Asω RsωAs, inc |
sinα |
(17) |
||||
где Q |
(1 |
f |
|
n |
) R |
bh2 |
/C, |
|
(18) |
b |
в2 |
|
bt |
0 |
|
|
|
||
здесь b 2 – коэффициент, зависящий от вида бетона (для тяжелого бетона b 2 = 2);
f – коэффициент, учитывающий позитивное влияние сжатых полок:
f 0,75(bf b)hf /(bh0 ) 0,5,
только в этой формуле bf b 3hf ;
27