II стадия НДС используется для расчета прогибов и ширины раскрытия трещин (II группа пред. сост.), предпосылка приведена на рис. 2.
III стадия НДС – разрушение. Характер разрушения зависит в основном от количества арматуры. Возможны 2 случая разрушения:
1-й случай – по текучести арматуры, сопровождается раскрытием трещин, прогибами; бетон недогружен. Разрушение плавное, контролируемое.
2-й случай – от раздробления бетона сжатой зоны при повышенном содержании арматуры; арматура недогружена. Разрушение хрупкое, внезапное, неконтролируемое.
1-й случай |
2-йслучай |
Рис. 3. Расчетная схема III стадии НДС
Случаи разрушения различаются высотой сжатой зоны. При высоте ниже граничной (х1 ≤ хR) – 1-й случай, при высоте выше граничной (х2 > хR) – 2-й случай; хR – граничная высота сжатой зоны, при которой текучесть арматуры и раздробление бетона достигаются одновременно. Или с введением параметров: ξ = х / h0 – относительная высота сжатой зоны и ξR = хR / h0 – граничная относительная высота сжатой зоны: 1-й случай разрушения наблюдается при ξ ≤ ξR, 2-йслучай - при ξ > ξR.
При проектировании предпочтителен 1-й случай, т. е. ξ ≤ ξR.
III стадия НДС используется при расчете несущей способности сечения (I группа пред. сост.). Предпосылки:
в сжатой зоне прямоугольник напряжений (эпюра) с ординатой
Rb (рис. 3);
работой растянутого бетона пренебрегают;
напряжения в растянутой арматуре σS = Rs при ξ ≤ ξR.
13
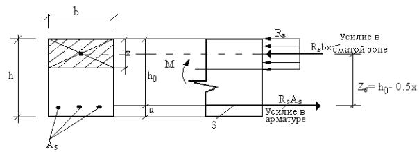
1.2. Расчет прочности нормальных сечений прямоугольного профиля с одиночной арматурой. Типы задач
Рассматривается предельное состояние I группы. Сечение, имеющее арматуру только в растянутой зоне, называется сечением с одиночной арматурой. Расчетная схема сечения составлена на базе расчетной предпосылки III стадии НДС (рис. 4). Расчетные формулы формируются на основе уравнений равновесия статики
( М 0; N 0).
Рис. 4. Расчетная схема сечения: Rbbx и RsAs – внутренняя пара сил; Zb – плечо внутренней пары сил.
Из уравнения равновесия ΣМ = 0 формируются условия прочности:относительно центра тяжести арматуры
М ≤ Rbbx (h0 – 0,5x); |
(1) |
относительно центра тяжести сжатой зоны бетона |
|
М ≤ RsAs (h0 – 0,5x), |
(2) |
где х определяется из уравнения равновесия ΣN = 0, |
|
Rbbx = RsAs. |
(3) |
Задача «Проверка прочности»
Дано: b, h, a, As, Rb, Rs, M.
Проверить выполнение условия прочности I группы предельных
состояний М ≤ Ми. |
|
|
Решение. |
|
|
1. |
Определить ξR. |
(ξR ≈ 0,5…0,6). |
2. |
Из (3) находим х. |
х = RsAs / (Rbb). |
3. |
Определяем h0. |
h0 = h – a. |
4. |
Проверяем выполнение условия ξ = х / h0 ≤ ξR, |
|
14
если ξ > ξR, принимаем уменьшенное (для надежности) значение х:
х= хR = ξR . h0.
5.Определяем несущую способность сечения:
из (1) Ми = Rbbx(h0 – 0,5x);
или из (2) Ми = RsAs(h0 – 0,5x).
6.Выполняем проверку прочности: если М ≤ Ми – прочность
обеспечена, иначе – нет.
Задача «Подбор арматуры»
Дано: b, h, Rb, Rs, M.
Найти: As. Решение.
Из (1), (2) и (3) имеем систему двух уравнений с двумя неизвестными. Для упрощения решения проведем преобразования (1),
(2) и (3) с учетом того, что |
х = ξ . h0: |
|
из (1) М ≤ Rbbξh0 (h0 – 0,5ξh0) = Rbbh2 |
ξ(1 – 0,5ξ); |
|
т. е. М ≤ α Rbbh2, |
0 |
|
|
(4) |
|
0 |
|
|
где α = ξ (1 – 0,5ξ); |
|
|
|
(4 ) |
|
α– моментный коэффициент;
из (2)
М≤ RsAs (h0 – 0,5ξh0) = RsAsh0υ,
т. е. |
М ≤ RsAs υh0, |
(5) |
||
где |
υ = (1 – 0,5ξ), |
(5) |
||
|
|
|
|
|
здесь υ – относительное (Zb / h0) плечо внутренней пары сил; |
|
|||
из (3) Rbbξh0 = RsAs. |
|
|
(6) |
|
|
|
|
||
Решением квадратного уравнения (4 ) имеем: |
|
|||
|
ξ = 1 |
|
, |
(7) |
|
1-2 |
|||
откуда ясно, что α ≤ 0,5.
Коэффициенты ξ, α и υ взаимосвязаны и в практике проектирования сведены в таблицу, в которой в зависимости от ξ, изменяемой от 0,01, по формулам (4 ) и (5) определены коэффициенты α и υ.
Теперь задача «Подбор арматуры» решается следующим образом:
1)определяем ξR и по (4 ) граничное значение моментного коэффициента:
R R(1 0,5 R );
2)ориентировочно задаемся параметром а (а – расстояние от центра тяжести растянутой арматуры до ближайшей грани
15
сечения; включает защитный слой бетона, регламентируемый нормами проектирования);
3) определяем рабочую высоту сечения: h0 = h – а;
4)из (4) находим моментный коэффициент
α= М / (Rbbh02 ) ≤ αR;
если α > αR, корректируем исходные данные;
5)из (7) определяем относительную высоту сжатой зоны по таблице или
1 
1 2 R;
если ξ > ξR – ошибка в вычислениях;
6)из (5) определяем относительное плечо внутренней пары сил:
υ= 1 – 0,5ξ;
7)определяем требуемое количество растянутой арматуры:
из (6) Asтр = Rbbξh0 / Rs или
из (5) Asтр = М / Rs . υ . h0;
8) по сортаменту подбираем необходимое число, диаметр с
Аs Asтр;
например: принимаем 4 20 А400 (АIII) с Аs = 12,56 см2;
9)подобранную арматуру размещаем в растянутой зоне сечения в соответствии с нормами проектирования и уточняем параметр а
(рис. 5).
Рис. 5. Варианты размещения рабочей арматуры:
з.с.б.– защитный слой бетона а 3 а1 2 а2
5
10)выполняем проверку прочности (см. выше).
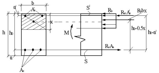
1.3.Расчет прочности нормальных сечений прямоугольного профиля с двойной арматурой. Типы задач
16
Сечение с двойной арматурой кроме арматуры в растянутой зоне имеет еще необходимую по расчету или другим причинам арматуру в сжатой зоне. Необходимость сжатой арматуры по расчету в сечениях с одиночным армированием определяется условиями ξ > ξR и α > αR, что свидетельствует о перегрузке сжатой зоны бетона.
Рис. 6. Расчетная схема сечения: А площадь сечения сжатой арматуры |
|
s |
|
Из уравнения равновесия ΣМs = 0 – условие прочности (рис. 6) |
|
М ≤ Rbbx(h0 – 0,5x)+RscAs (h0 a ) |
(8) |
или (см. формулы (4) и (4')) |
|
М ≤ αRbbh02 + RscAs (h0 a ), |
(9) |
где высота сжатой зоны определяется уз уравнения равновесия ΣN =0.
Rbbx = RsAs Rsc A |
(10) |
|
или |
s |
|
= RsAs Rsc A . |
|
|
Rbbξh0 |
(11) |
|
|
s |
|
Сжатая арматура, установленная по расчету, закрепляется от выпучивания постановкой поперечной арматуры с шагом 15d в вязаных каркасах и 20d – в сварных, а также не более 500 мм; здесь dдиаметр сжатой арматуры.
Задача «Подбор арматуры»
Дано: b, h, Rb, Rs, Rsc, M.
Найти: As и As . Решение:
1) устанавливаем граничные значения ξR и αR;
17